151192 (594644), страница 6
Текст из файла (страница 6)
;
Выбираем трансформатор напряжения для коммерческого учета типа НОМ-10-66 У2[2, с 326, табл 5,13]
2.9 Релейная защита
В электрических сетях промышленных предприятий возможно возникновение повреждений, нарушающих нормальную работу ЭУ
Предотвратить возникновение аварий можно путем быстрого отключения поврежденного элемента или участка сети. Для этой цели ЭУ снабжают автоматически действующими устройствами — релейной защитой (РЗ), являющейся одним из видов противоаварийной автоматики. РЗ может быть предназначена для сигнализации о тепловых, световых, механических в зависимости от заданных параметров контролируемой величины, времени и др.
Основными требованиями к РЗ являются: быстродействие, селективность, чувствительность и надежность.
Быстродействие. Чем быстрее произойдет обнаружение и отключение поврежденного участка, тем меньше разрушительное действие аварийного тока на электрооборудование, тем легче сохранить нормальную работу потребителей неповрежденной части ЭУ. Поэтому электрические сети должны оснащаться быстродействующей РЗ. Современные устройства быстродействующей РЗ имеют время срабатывания 0,02— 0,1 с.
Селективность или избирательность. Селективностью РЗ называется ее способность отключать при КЗ только поврежденный участок или участок, ближайший к месту повреждения, оставляя в работе потребителей, подключенных к неповрежденному участку. Селективное действие РЗ аналогично селективному действию предохранителей. Таким образом, селективность действия защиты обеспечивает надежное электроснабжение потребителей.
Чувствительность. Чувствительностью РЗ является ее способность реагировать на самые малые изменения контролируемого параметра (как правило, тока КЗ и перегрузки) и анормальные режимы работы ЗУ.
Чувствительность характеризует устойчивое срабатывание РЗ при КЗ в защищаемой зоне. Удовлетворение требований чувствительности в современных СЭС встречает определенные затруднения, так как при передаче и распределении больших мощностей на большие расстояния токи КЗ в устройствах защиты могут стать соизмеримыми с максимальными рабочими токами сетей вследствие значительных переходных сопротивлений. Это приводит к невозможности применения простых видов защит и к необходимости переходить на сложные и дорогие защитные устройства.
Надежность работы РЗ заключается в ее правильном и безотказном действии во всех предусмотренных по ее назначению случаях. Надежность обеспечивается применением высококачественных реле, простых и совершенных схем РЗ, тщательным выполнением монтажных работ, должной культурой эксплуатации защитных устройств
В устройствах РЗ применяют различные реле, отличающиеся по принципу действия: электрические, механические, тепловые, полупроводниковые. Электрические реле реагируют на электрические величины: ток, напряжение, мощность, частоту, сопротивление, угол сдвига между током и напряжением, угол между двумя токами и двумя напряжениями. Механические реле реагируют на неэлектрические величины: давление, уровень жидкости и т. п.
По способу включения реле различают первичные, включаемые непосредственно в схему защищаемого элемента цепи, и вторичные, присоединяемые к защищаемому элементу через трансформаторы тока напряжения. По способу воздействия исполнительного органа на выключатель цепи — реле прямого и косвенного действия. Электрические реле имеют орган, воспринимающий изменение контролируемой величины (как правило, катушка реле), и орган исполнительный, отключающий выключатели, подающий предупредительный сигнал или замыкающий цепи других реле (как правило, якорь электромагнита и контакты). Некоторые реле имеют орган замедления (выдержки времени). По принципу воздействия на управляемую цепь реле делятся на контактные и бесконтактные полупроводниковые. По характеру изменения контролируемой величины реле разделяют на максимальные, срабатывающие при превышении заданного уровня контролируемой величины; минимальные— при уменьшении ниже заданного уровня контролируемой величины и дифференциальные, орган замера которых реагирует на разность измеряемых электрических величин.
Защита силовых трансформаторов. Выбор защиты трансформаторов зависит от мощности, назначения, места установки и эксплуатационного режима трансформаторов.
Для защиты трансформаторов при их повреждении и сигнализации о нарушениях нормальных режимов работы могут применяться следующие типы защит: ДТЗ, МТЗ, ТО, газовая защита, защита предохранителями.
В качестве основной защиты от повреждений на выводах и внутренних повреждений трансформатора при его мощности 6300 кВ-А и выше, как правило, применяется ДТЗ.
В схеме ДТЗ коэффициент чувствительности должен
быть не менее 1,5. Если это требование не удовлетворяется, то для защиты силовых трансформаторов вместо дифференциальных реле РНТ-565 и РНТ-566 применяется дифференциальная токовая защита (ДТЗ) с торможением.
В данном курсовом проекте релейная защита трансформатора предусматривается высоковольтным предохранителем типа ПК.
Высоковольтные предохранители при установке на них соответствующих плавких вставок обеспечивают защиту трансформатора от внутренних повреждений и межфазных коротких замыканиях на выводах.
Защиту от однофазных замыканий на землю осуществляют автоматическим выключателем с максимальным расцепителем, установленным на стороне низкого напряжения или трансформатора тока ТА на нулевом проводе при прямом присоединении трансформатора с глухозаземленной нейтралью к шинопроводу.
2.10 Учет и контроль электроэнергии
Расчетным учетом электроэнергии называется учет выработанной, а также отпущенной потребителям электроэнергии для денежного расчета за нее. Счетчики, устанавливаемые для расчетного учета, называются расчетными счетчиками (класса 2), с классом точности измерительных трансформаторов — 0,5.
Техническим (контрольным) учетом электроэнергии называется учет для контроля расхода электроэнергии электростанций, подстанций, предприятий, зданий. Счетчики, устанавливаемые для технического учета, называются контрольными счетчиками (класса 2,5) с классом точности измерительных трансформаторов — 1.
При определении активной энергии необходимо учитывать энергию: выработанную генераторами электростанций; потребленную на собственные нужды электростанций и подстанций; выданную электростанциями в распределительные сети; переданную в другие энергосистемы или полученную от них; отпущенную потребителям и подлежащую оплате.
Расчетные счетчики активной электроэнергии на подстанции энергосистемы должны устанавливаться:
1) для каждой отходящей линии электропередачи, принадлежащей потребителям;
2) для межсистемных линий электропередачи—по два счетчика со стопорами, учитывающих полученную и отпущенную электроэнергии;
3) на трансформаторах собственных нужд;
4) для линий хозяйственных нужд или посторонних потребителей (поселок и т. п.), присоединенных к шинам собственных нужд.
Расчетные счетчики активной электроэнергии на подстанциях потребителей должны устанавливаться:
1) на вводе (приемном конце) линии электропередачи в подстанцию;
2) на стороне ВН трансформаторов при наличии электрической связи с другой подстанцией энергосистемы;
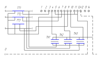
Схема подключения счетчиков типа ПСЧ-4 к трехфазной сети.
Рисунок 2.7 Подключение счетчиков к трехфазной сети с помощью трех трансформаторов тока и трех трансформаторов напряжения ( пунктиром показано цепь «0» для четырехпроводной сети.)
Счетчик электрической энергии статический, трехфазной, трехтрансформаторный, универсальный ПСЧ-4. Предназначен для учета прихода и расхода активной энергии в трех- и четырехпроводных сетях переменного тока номинальной частоты 50Гц, а также для передачи по линиям связи информационных данных на центральный пункт сбора информации энергосистемы.
Счетчик обеспечивает высокую точность измерения энергии в сетях со значительными отклонениями тока и напряжения.
При подаче сетевого напряжения и помещениях нагрузки, световой индуктор режима работы счетчика должен менять показания пропорционально величине потребляемой электрической энергии.
В курсовом проекте предполагается коммерческий учет активной энергии. Счетчик ПСЧ-4 устанавливают на линии отходящих от трансформаторной подстанции напряжением 0,38 кВ и питающей отдельные участки цеха.
2.11 Расчет защитного заземления
Защитное заземление – заземление частей электроустановки с целью обеспечения электробезопасности.
Зона растекания – область земли, в пределах (зоны растекания) который возникает заметный градиент потенциала при стекание тока с заземлителя.
Изолированный нейтраль – нейтраль, трансформатора или гениратора, не присоединенная к заземлению устройству или присоединенная к нему через приборы сигнализации и других устройства, имеющие большое сопротивление.
Искусственное заземление – заземлитель, специально выполненный для цепей заземления.
Магистральная заземления или зануления – заземляющей или зануляющий нулевой защитный проводник с двумя ответвлениями или более.
Нулевой защитный провод в электроустановках до 1000 В – проводник, соединяющий или глухозаземленными выводами источников однофазного или постоянного тока.
Нулевой рабочий проводник в электроустановках до 1000 В проводник, использующий для питания электроприемников или глухозаземленными выводами источников однофазного или постоянного тока. В указанных электроустановках нулевой рабочий провод может выполнять функции нулевого защитного проводника.
Рабочее заземление сети – соединение с землей некоторых точек сети со следующей целью: снижение уровня изоляции элементов электроустановки, эффективная защита сети разрядниками от атмосферных перенапряжений, снижение коммутационных перенапряжений, упрощение релейной защиты от однофазных коротких замыканий, возможность удержания поврежденной линии в работе.
В качестве искусственных заземлителей применяют вертикально забитые в землю отрезки угловой стали длиной 2,5-3 м и горизонтально проложенные круглые и прямоугольные стальные полосы, которые служат для связи вертикальных заземлителей. Использование стальных труб не рекомендуется.
В качестве естественных заземлителей используют: проложенные в земле стальные водопроводные трубы, соединенные в стыках газо- или электросваркой; трубы артезианских скважин, стальная броня силовых кабелей, проложенных в земле, при числе их не менее двух; металлические конструкции и фундаменты зданий и сооружений, имеющие надежное соединение с землей; различного рода трубопроводы, проложенные под землей; свинцовые оболочки кабелей, проложенных в земле.
Рабочее заземление осуществляется непосредственно или через специальные аппараты: пробивные предохранители, разрядники и резисторы.
Электроустановки переменного тока напряжением до 1000 В. допускаются к применению как с глухозаземленной, так и с изолированной нейтралью, а – тока – с глухозаземленной или изолированной средней точкой. В четырехпроводных сетях трехфазного тока и трехпроводных сетях – тока обязательное глухое заземление нейтрали или средней точки.
В электрических установках напряжением до 1000 В, с изолированной от земли нейтралью, используемой для заземления электрического оборудования, сопротивление заземляющего устройства не должно быть более 4 Ома.
В электрических установках напряжением до 1000 В. с глухозаземленной нейтралью сопротивление заземляющего устройства, к которым присоединяются нейтрали генераторов или трансформаторов, должно быть не более 2, 4, 8 Ом.
Отклонение электрических установок при однофазных замыканиях на землю может осуществляться при помощи защитного отключения, которое выполняется в дополнение к заземлению или занулению.
Если невозможно выполнить заземление, или зануление, и обеспечить защитное отключение электрической установки, то допускается обслуживание электрического оборудования с изолирующих площадок. При этом должна быть исключена возможность одновременного прикосновения к незаземленным частям электрического оборудования и частям зданий или оборудованию имеющем соединение с землей.
В электроустановках напряжением выше 1000 В с изолированной нейтралью с малыми токами замыкания на землю сопротивления должно удовлетворять условию:
(2,51)
где – Uз=250 В, если заземляющее устройство используется только для установок напряжения выше 1000 В
Uз=125 В, если заземляющее устройство одновременно используется и для установок до 1000 В.
















