150833 (594595), страница 7
Текст из файла (страница 7)
________ Прямая, соответствующая мощности установленного трансформатора 6300ква
________ Прямая, соответствующая мощности проектируемого трансформатора 2500ква
________ График нагрузки с перспективой развития
________ Реальный график нагрузки
Рисунок 8.5 Зимний график нагрузки в аварийном режиме
Из графика видим, что проектируемый трансформатор 2500 ква в аварийном режиме будет испытывать перегрузку. Для тог, чтобы определить допустима ли такая перегрузка преобразуем зимний график нагрузки в аварийном режиме в эквивалентный двухступенчатый график. Согласно литературы [5], в аварийном режиме для трансформаторов мощностью 2500 ква допускаются длительные перегрузки на 80%, а кратковременные на100%
Рисунок 8.6 Эквивалентный двухступенчатый график нагрузки
________ Прямая соответствующая мощности установленного трансформатора в аварийном режиме
________ Эквивалентный двухступенчатый график нагрузки соответствующий мощности проектируемого трансформатора 2500ква в аварийном режиме
________ График нагрузки с перспективой развития
________ Реальный график нагрузки
________ Прямая, соответствующая мощности проектируемого трансформатора 2500ква в аварийном режиме
По преобразованному графику нагрузки в двух ступенчатый рассчитываем коэффициент номинальной загрузки трансформатора.
(8.3)
Где Sэ1 – эквивалентная мощность, соответствующая начальной мощности двух ступенчатого графика.
Sн.т – номинальная мощность трансформатора.
(8.4)
Где S1 –Sn – соответствующие мощности первой ступени исходного графика.
t1 – tn – соответствующее время первой ступени исходного графика.
ква
Тогда
Определяем коэффициент аварийной перегрузки трансформатора К2а
(8.5)
Где SЭ2 – эквивалентная мощность в аварийном режиме соответствующая повышенной мощности на двухступенчатом графике определяется по формуле (8.4)
ква
Тогда
По графику определяем время действительной аварийной перегрузки tп.а. tп.а.=7
По таблице [5] находим допустимый коэффициент аварийной перегрузки.
К2адоп=1,8
К2а=1,47<К2адоп=1,8
Условие выполняется
Следовательно в аварийном режиме такая перегрузка допустима и ущерба от недоотпуска электроэнергии не будет.
Трансформатор мощностью 6300 ква в аварийном режиме перегрузки испытывать не будет.
Как показали расчеты на подстанции «Байдарка» есть возможность вместо трансформаторов мощностью 6300 ква использовать трансформаторы мощностью 2500.
Для того чтобы окончательно убедиться в возможности использовать трансформаторы мощностью 2500 ква приведем экономическое обоснование целесообразности замены трансформаторов одной мощности на другую.
8.1 Экономическое обоснование целесообразности замены трансформаторов одной мощности на другую
Для сравнения принимаем два варианта
1)два трансформатора мощностью по 2500 ква ТМ – 2500/35. Стоимость одного трансформатора 1214620 руб.
2)два трансформатора мощностью по 6300 ква ТМ – 6300/35. Стоимостью одного трансформатора 1845690 руб.
Для обоснования предлагаемого решения необходимо рассчитать следующие показатели: капитальные вложения, эксплуатационные издержки, приведенные затраты, потери электроэнергии и их стоимость, годовую экономию и годовой экономический эффект. [1]
Капитальные вложения определяем по формуле:
(8.6)
Где Ц – цена приобретения трансформатора, руб
Т – расходу на доставку, руб
М – затраты на монтаж и пуско-наладочные работы, руб
Расходы на доставку составляют 12% от стоимости оборудования.
Т=Ц×0,12 (8.7)
Т2500=1214620×0,12=145754 руб
Т6300=1845690×0,12=221493 руб
10.1.2Затраты на монтаж и пуско-наладочные работы составляют 25% от стоимости оборудования.
М=Ц×0,25 (8.8)
М2500=1214620×0,25=303655 руб
М6300=1845690×0,25=461423 руб
По формуле (8.6) определяем капитальные вложения
КВ2500=1214620+145754+303655=1664029 руб
КВ6300=1845690+221493+461423=2528606 руб
Расчитываем годовой фонд заработной платы для обоих случаев он будет одинаковый, так как напряжения у трансформаторов одинаковые.
ЗП=ТФзп×Кдоп×Котч (8.9)
Где ТФзп – тарифный фонд заработной платы, руб
Кдоп – премиальные. Составляют 75%
Котч – коэффициен отчислений. Составляет 26%
Тарифный фонд заработной платы определяется
ТФзп=Чтс×ЗТ (8.10)
Где Чтс – часовая тарифная ставка, руб/час
ЗТ – затраты труда, чел×час
Для обслуживания трансформатора необходим электромонтер 4 разряда его оклад 4412 рублей
Чтс=оклад/176 (8.11)
Где 176 – среднее число часов работы в месяц
Чтс=4412/176=25 руб/час
10.2.2Затраты труда определяем по формуле
ЗТ=
у.е. ×18,6 (8.12)
Где
у.е.=4,9 – переводной коэффициент [1]
18,6 – трудоемкость обслуживания одной условной единицы, чел×час
ЗТ=4,9×18,6=91,1 чел×час
Тогда тарифный фонд определяется как
ТФзп=25×91,1=2278 руб
По формуле (8.9) определяем фонд заработной платы
ЗП=2278×1,75×1,26=5022 руб
Рассчитываем эксплуатационные затраты
ЭЗ=ЗП+Ао+Рто+Сдэ+Пр (8.13)
Где Ао – Амортизационные отчисления, руб
Рто – расходы на ремонт и техническое обслуживание, руб
Сдэ – стоимость потерь электроэнергии в трансформаторах, руб
Пр – прочие расходы, руб
Расходы на амортизацию составляют 3,5% от капитальных вложений
Ао=КВ×0,035 (8.14)
Ао2500=1664029×0,035=58241 руб
Ао6300=2528606×0,035=88501 руб
Расходы на ремонт и техническое обслуживание составляют 2,9% от капитальных вложений
Рто=КВ×0,029 (8.15)
Рто2500=1664029×0,029=48257 руб
Рто6300=2528606×0,029=73330 руб
Прочие расходы составляют 1% от капитальных вложений
Пр=КВ×0,001 (8.16)
Пр=1664029×0,001=1664 руб
Пр=2528606×0,001=2528 руб
Годовые потери электроэнергии в трансформаторах определяются по уравнению
(8.17)
Где
-потери мощности короткого замыкания, кВт
=0,12 коэффициент перевода реактивной мощности в активную
- реактивные потери мощности короткого замыкания, квар
- максимальна нагрузка трансформатора, ква
- номинальная мощность трансформатора, ква
- потери мощности холостого хода, кВт
- потери реактивной мощности холостого хода квар
Реактивные потери мощности короткого замыкания определяются
(8.18)
Реактивные потери мощности холостого хода определяются
(8.19)
Тогда годовые потери энергии будут
Определяем стоимость потерь электроэнергии
Сэ=Qпэ×ТЭ (8.20)
Где Тэ=1,95 тариф на электроэнергию, руб
Сэ2500=131743×1,95=256898 руб
Сэ6300=150032×1,95=292563 руб
Результаты расчетов сводим в таблицу
Таблица 8.5
| Элементы эксплуатационных затрат | Варианты | |
| Трансформатор мощностью 2500ква | Трансформатор мощностью 6300ква | |
| Амортизационные отчисления, т.руб | 58,24 | 88,50 |
| Расходы на ремонт и техническое обслуживание, т.руб | 48,26 | 73,33 |
| Стоимость потерь электроэнергии, т.руб | 256,90 | 292,56 |
| Прочие расходы, т.руб | 1,66 | 2.53 |
| итого | 368,42 | 459,42 |
Так как в обоих вариантах работают по два трансформатора, то по условиям надежности электроснабжения варианты равноценные, поэтому выбираем вариант с наименьшими приведенными затратами
10.4Расчитываем приведенные затраты
З=КВ×Ен+ЭЗ (8.21)
Где Ен =0,10 нормативный коэффициент экономической эффективности
ЭЗ – эксплуатационные затраты, руб
З2500=1664029×0,1+368420=534822 руб
З6300=2528606×0,1+459420=712280 руб
Определяем суммарную годовую экономию
Гэ=(ЭЗ6300 – ЭЗ2500)+ЭП (8.22)
Где ЭП – Экономия потерь, руб
Определяем экономию потерь
ЭП=Сэ6300 – Сэ2500 (8.23)
ЭП=292563 – 256898=35665 руб
Тогда суммарная годовая экономия определится как
Гэ=(459420 – 368420)+35665=126665
Определяем суммарный годовой экономический эффект
Эг=(З6300 - З2500)+ЭП (8.24)
Эг=(712280 – 534822)+35665=213123
Результаты расчетов сводим в таблицу
Таблица 8.6 – экономическое обоснование замены трансформаторов
| Показатель | Вариант с трансформаторами мощностью 2500ква | Вариант с трансформаторами мощностью 6300ква |
| Капитальные вложения, руб | 1664,03 | 2528.61 |
| Эксплуатационные издержки, руб | 368,42 | 459,42 |
| Стоимость потерь электроэнергии, руб | 256,90 | 292,56 |
| Приведенные затраты, руб | 534,82 | 712,28 |
| Суммарная годовая экономия, руб | 126,67 | |
| Суммарный годовой экономический эффект, руб | 213,12 |
Таким образом, замена трансформаторов мощностью 6300 кав на трансформаторы мощностью 2500 ква позволит получить ежегодную экономию 126,67 т.руб.
9 Экономическое обоснование целесообразности замены масляных выключателей на вакуумные
Замена масляных выключателей на вакуумные на подстанции «Байдарка позволит снизить потери электроэнергии и повысить надежность электроснабжения производственных и сельскохозяйственных потребителей.
Экономическая эффективность замены масляных выключателей на вакуумные определяется по следующим показателям:
- Капитальные вложения
- Годовая экономия
- Годовой экономический эффект
- Срок окупаемости
Расчет для масляных выключателей
Капитальные вложения определяем по формуле:
(9.1)
Где Ц – цена приобретения масляных выключателей, руб.
Т – расходу на доставку, руб
М – затраты на монтаж и пуско-наладочные работы, руб
Цена на один масляный выключатель составляет 95,2 т.руб, их согласно схемы подстанции 15 штук соответственно цена на приобретение масляных выключателей будет:
Ц=С×N (9.2)
Где С – цена одного масляного выключателя, руб
N – число выключателей на подстанции, шт
Ц=95,2×15=1428 т.руб
Расходы на доставку составляют 12% от стоимости оборудования.
Т=Ц×0,12 (9.3)
Т=1428×0,12=171,36 т.руб
Затраты на монтаж и пуско-наладочные работы с учетом сложности составляют 40% от стоимости оборудования
М=Ц×0,4 (9.4)
М=1428×0,4=571,2 т. руб
По формуле (9.1) определяем капитальные вложения
КВ=1428+171,36+571,2=2170,56 т.руб
Расчитываем годовой фонд заработной платы
ЗП=ТФ+Кдоп+Котч (9.5)
Где ТФ – тарифный фонд заработной платы ,руб
Кдоп – премиальные составляют 75%
Котч – Коэффициент отчислений составляет 26%
Тарифный фонд заработной платы определяется
ТФ=Чт.с×ЗТ (9.6)
Где Чтс – часовая тарифная ставка, руб/час
ЗТ – затраты труда, чел×час
Для обслуживания масляного выключателя необходим электромонтер 4 разряда его оклад 4412 рублей
Чтс=оклад/176 (9.7)
Где 176 – среднее число часов работы в месяц
Чтс=4412/176=25 руб/час
Затраты труда определяем по формуле
ЗТ=
у.е. ×18,6 (9.8)
Где
у.е.=5,4 – переводной коэффициент при обслуживании масляного выключателя [1]
18,6 – трудоемкость обслуживания одной условной единице, чел×час
ЗТ=5,4×18,6=100,44 чел×час
Тогда тарифный фонд определяется как
ТФ=25×100,44=2511 руб
По формуле (9.5) определяем фонд заработной платы
ЗП=2278×1,75×1,26=5022 руб
Расчитываем эксплуатационные затраты
ЭЗ=ЗП+Ао+Рто+Пр (9.9)
Где Ао – Амортизационные отчисления, руб
Рто – расходы на ремонт и техническое обслуживание, руб
Пр – прочие расходы, руб
Расходы на амортизацию составляют 3,5% от капитальных вложений
Ао=КВ×0,035 (9.10)
Ао=2170,56×0,035=75,97 т.руб
Расходы на ремонт и техническое обслуживание для масляных выключателей составляют 40% от капитальных вложений
Рто=КВ×0,4 (9.11)
Рто=2170,56×0,4=868,224 т.руб
Прочие расходы составляют 1% от капитальных вложений
Пр=КВ×0,001 (9.12)
Пр=2170,56×0,001=2,17 т.руб
Тогда эксплуатационные затраты будут
ЭЗ=5,022+75,97+868,224+2,14=951,356 т.руб
Рассчитываем приведенные затраты
З=КВ×Ен+ЭЗ (9.13)
Где Ен =0,10 нормативный коэффициент экономической эффективности
ЭЗ – эксплуатационные затраты, руб
З=2170,56×0,1+951,356=1168,412 т.руб
Расчет для вакуумных выключателей
11.5 Капитальные вложения определяем по формуле 9.1
(9.1)
Где Ц – цена приобретения вакуумных выключателей, руб.
Цена на один вакуумный выключатель составляет 101 т.руб, их согласно схемы подстанции 15 штук соответственно цена на приобретение масляных выключателей будет определяться по формуле (9.2)
Ц=С×N
Где С – цена одного вакуумного выключателя
Ц=101×15=1515 т.руб
Расходы на доставку составляют 12% от стоимости оборудования определяются по формуле (9.3)
Т=1515×0,12=181,44 т.руб
Затраты на монтаж и пуско-наладочные работы вакуумных выключателей составляют 20% от стоимости оборудования и определяются по формуле (9.4)
М=1515×0,2=303 т. руб
По формуле (9.1) определяем капитальные вложения
КВ=1515+181,44+303=1999 т.руб
Расчитываем годовой фонд заработной платы
Тарифный фонд заработной платы определяется по формуле (9.6)
Так как для обслуживания масляного выключателя необходим электромонтер 4 разряда его оклад 4412 рублей то соответственно и часовая тарифная ставка его составит 25 руб/час
Затраты труда определяем по формуле (9.8)
Где
у.е.=3,1 – переводной коэффициент при обслуживании масляного выключателя [1]
ЗТ=3,1×18,6=57,66 чел×час
Тогда тарифный фонд определяется по формуле (9.6)
ТФ=25×57,66=1441,5 руб
По формуле (9.5) определяем фонд заработной платы
ЗП=1441,5×1,75×1,26=3178,51 руб
Рассчитываем эксплуатационные затраты по формуле (9.9)
Расходы на амортизацию составляют 3,5% от капитальных вложений и определяются по формуле (9.10)
Ао=1999,44×0,035=69,98 т.руб
Расходы на ремонт и техническое обслуживание для вакуумных выключателей составляют 15% от капитальных вложений и определяются по формуле (9.11)
Рто=1999,44×0,4=299,9 т.руб
Прочие расходы составляют 1% от капитальных вложений и определяются по формуле (9.12)
Пр=1999,44×0,001=1,99 т.руб
Тогда эксплуатационные затраты будут
ЭЗ=3,178+69,98+299,9+1,99=375,048 т.руб
Рассчитываем приведенные затраты по формуле (9.13)
З=1999,44×0,1+375,048=574,992 т.руб
11.9 Определяем суммарную годовую экономию
Гэ=ЭЗмв-ЭЗвв (9.14)
Где ЭЗмв - эксплуатационные затраты на масляные выключатели
ЭЗвв - эксплуатационные затраты на вакуумные выключатели
Гэ=951,356-375,048=576,308 т.руб
11.10 Определяем суммарный годовой экономический эффект
Эг=Змв-Звв (9.15)
Где Змв – приведенные затраты на масляные выключатели
Звв – приведенные затраты на ваккумные выключатели
Эг=1168,412-574,992=593,42 т.руб
11.11 Определяем срок окупаемости капитальных вложений
Т=
(9.16)
Т=
года
Результаты расчетов сводим в таблицу 9.1
Таблица 9.1 Экономическая эффективность замены масляного выключателя на вакуумный выключатель
| Показатели | Значение | |
| Масляный выключатель | Вакуумный выключатель | |
| Капиталовложения, т. руб. | 2170,56 | 1999,44 |
| Эксплуатационные затраты, т.руб. | 951,36 | 375,05 |
| Приведенные затраты, т.руб. | 1168,41 | 574,99 |
| Годовая экономия, т.руб. | 576,31 | |
| Годовой экономический эффект, т.руб. | 593,42 | |
| Срок окупаемости капиталовложений, лет | 3,5 | |
Таким образом, замена масляного выключателя на вакуумный выключатель позволяет получить ежегодную экономическую экономию576,31 т. рублей. Это объясняется снижением затрат на эксплуатацию. Дополнительные капитальные вложения окупятся за 3,5 года.
10 Расчет токов короткого замыкания
Расчет токов короткого замыкания (к.з.) необходим для выбора аппаратуры и проверки элементов электроустановок (шин, изоляторов, кабелей и т. д.) на электродинамическую и термическую устойчивость, проектирования и наладки релейной защиты, выбора средств и схем грозозащиты, выбора и расчета токоограничивающих и заземляющих устройств. [14]
10.1 Изобразим схему электроснабжения подстанции «Байдарка»
Рисунок 10.1 – схема электроснабжения подстанции «Байдарка»
10.2 По схеме электроснабжения составляем расчетную схему, в которую входят все участвующие в питании короткого замыкания источники питания и все элементы схемы электроснабжения. При выборе расчетной схемы учитываем режимы работы данной установки . На расчетной схеме расставляем характерные точки короткого замыкания.
Рисунок 10.2 – расчетная схема
10.3 По расчетной схеме составляем схему замещения и определяем значения сопротивлений входящих в эту схему. Схему замещения составляем для одной фазы.
Рисунок 10.3 – схема замещения
Х1 – сопротивление системы
Х2 – сопротивление стороны 110 кВ на подстанции «Восточная II»
Х3 – сопротивление стороны 35 кв на подстанции «Восточная II»
Х4 – сопротивление линии 35 кВ на участке с проводом АС-150
Х5 – сопротивление линии 35 кВ на участке с проводом АС-95
Х6 – сопротивление трансформатора на подстанции «Байдарка»
10.4 Данные для расчета на подстанции «Восточная II» предоставлены региональным диспетчерским управлением
Еэкв=125,99 кВ
Х1=6,561 Ом
Iк.з.=10,598 кА
Трансформатор на подстанции «Восточная II» имеет следующие напряжения короткого замыкания:
Uк В-С=10,5% - напряжение короткого замыкания между сторонами высокого и среднего напряжения
Uк В-Н=17% - напряжение короткого замыкания между сторонами высокого и низкого напряжения
Uк С-Н=6% - напряжение короткого замыкания между сторонами среднего и низкого напряжения
10.5 Определяем напряжение короткого замыкания на высокой стороне
Uк В=0,5×( Uк В-Н+ Uк В-С - Uк С-Н) (10.1)
Uк В=0,5×(17+10,5 – 6)=10,75 %
10.6 Определяем напряжение короткого замыкания на стороне среднего напряжения
Uк С=0,5×( Uк В-С+ Uк С-Н - Uк В-Н) (10.2)
Uк С=0,5×(10,5+6 – 17)=-0,25 %
10.7 Так как активное сопротивление более чем в три раза меньше индуктивного то в расчетах им пренебрегаем и учитываем только индуктивное сопротивление [7]. Трансформатора на подстанции «Восточная II» имеет напряжения 115/38,5/11
10.8 Определяем индуктивное сопротивление высокой стороны трансформатора на подстанции «Восточная II»
(10.3)
Где
- напряжение на высокой стороне трансформатора, ква
S – мощность трансформатора, мва
Ом
10.9 Определяем индуктивное сопротивление средней стороны трансформатора на подстанции «Восточная II»
(10.4)
Ом
10.10 Определяем результирующее индуктивное сопротивление в точке К1
Хк1=Х1+Х2+Х3 (10.5)
Хк1=6,56+56,86+1,32=64,74 Ом
10.11 Определяем индуктивное сопротивление линии 35 кВ на участке с проводом АС-150
Х4=Худ×L (10.6)
Где Худ – индуктивное сопротивление линии 35 кВ с проводом АС-150, Ом [8].
L – длина линии 35 кВ с проводом АС-150, км
Х4=0,395×2,8=1,106 Ом
10.12 Определяем индуктивное сопротивление линии 35 кВ на участке с проводом АС-95 по формуле 6
Х5=0,414×0,7=0,289 Ом
10.13 Приводим результирующее индуктивное сопротивление в точке К1 к среднему напряжению 38,5 кВ.
ХК138,5=ХК1
(10.7)
ХК138,5=64,74
Ом
10.14 Определяем результирующее индуктивное сопротивление в точке К2
ХК2=ХК138,5+Х4+Х5 (10.8)
ХК2=7,25+1,106+0,289=8,645 Ом
10.15 Определяем сопротивление трансформатора на подстанции «Байдарка» по формуле (10.3)
Ом
10.16 Определяем результирующее индуктивное сопротивление в точке К3
ХК3=ХК2+Х6 (10.9)
ХК3=8,645+15,06=23,705 Ом
10.17 Приводим результирующее индуктивное сопротивление в точке К3 к низшему напряжению на подстанции «Байдарка»
(10.10)
Ом
10.18 Определяем ток 3-х и 2-х фазного короткого замыкания и ударный ток в точке К1
(10.11)
Где UФ – фазное напряжение, кВ
кА
(10.12)
кА
(10.13)
Где КУ – ударный коэффициент [7]
кА
10.19 Определяем ток 3-х и 2-х фазного короткого замыкания и ударный ток в точке К2
(10.14)
кА
(10.15)
кА
(10.16)
кА
10.20 Определяем ток 3-х и 2-х фазного короткого замыкания и ударный ток в точке К3
(10.14)
кА
(10.15)
кА
(10.16)
кА
11 Выбор и проверка электрических аппаратов подстанции
Аппараты, изоляторы и проводники первичных цепей должны удовлетворять следующим общим требованиям:
- необходимая прочность изоляции для надежной работы в длительном режиме и при кратковременных перенапряжениях.
Для выбора экономически целесообразного уровня изоляции необходимо учитывать условия ее работы, номинальное и наибольшие рабочие напряжения электроустановки и рассмотреть средства защиты изоляции от перенапряжения.
- допустимый нагрев токами длительных режимов.
Расчетные рабочие токи присоединения в нормальном и форсированном режимах не должны превышать номинальный длительный ток аппарата.
- устойчивость в режиме короткого замыкания.
В установках напряжением выше 1000 В по режиму короткого замыкания следует проверять: электрические аппараты, проводники, опорные и несущие конструкции для них. Проверка проводится на термическую и динамическую устойчивость к воздействию токов короткого замыкания.
- Технико-экономическая целесообразность;
- Соответствие окружающей среде и роду установки;
- Достаточная механическая прочность.[8]
11.1 Выбор выключателей
Выключатель – это коммутационный аппарат, предназначенный для включения и отключения тока.
Выключатель является основным аппаратом в электрических установках, он служит для отключения и включения в цепи в любых режимах: длительная нагрузка, перегрузка, короткое замыкание, холостой ход, несинхронная работа. Наиболее тяжелой и ответственной операцией является отключение токов короткого замыкания и включение на существующее короткое замыкание.
Проверяем правильность выбора вакуумного выключателя ВБУЭЗ-10-20/1000У2 (технические данные смотри раздел сравнение технических характеристик вакуумных выключателей).
Высоковольтные выключатели выбираются по номинальному напряжению, номинальному току, и по току отключения, кроме того высоковольтные выключатели проверяют на электродинамическую и термическую устойчивость. Таким образом, должны соблюдаться условия: [8].
Uн.а ≥ Uн.уст. (11.1)
Где Uн.а – номинальное напряжение выключателя
Uн.уст. – номинальное напряжение установки
Iн.а. ≥Iр.форс (11.2)
Где Iн.а. – номинальный ток выключателя
Iр.форс – ток в цепи в форсированном режиме
Iр.форс=1,5Iн=1,5×229=343,5 А
Iн.от. ≥ Iот. (11.3)
Где Iн.от – номинальный ток отключения выключателя
Iот. - расчетный ток отключения равный току короткого замыкания
iуд.3 ≤ iмах (11.4)
Где iуд.3 - ударный ток трехфазного короткого замыкания в месте установки выключателя
iмах – амплитудное значение сквозного тока короткого замыкания, гарантированное заводом изготовителем
Вк ≤ Iт.н.2×t т.н. (11.5)
Где Вк – тепловой импульс тока, характеризующий количество теплоты, выделенное в аппарате за время короткого замыкания
Вк=(Iк(3))2×tк=4,73×1,4=6,622 кА2×с
Iт.н. – номинальный допустимый ток термической устойчивости выключателя в течении времени t т.н
t т.н – номинальное время термической устойчивости выключателя при протекании тока Iт.н.
Iт.н.2×t т.н.=202×3=1200 кА2×с
Таблица 11.1 Результаты выбора вакуумного выключателя
| Условия выбора | Расчетные данные сети | Каталожные данные вакуумного выключателя |
| Uн.а ≥ Uн.уст. | 6,3 кВ | 10 кВ |
| Iн.а. ≥Iр.форс | 343,5 А | 1000 А |
| Iн.от. ≥ Iот. | 4,73 кА | 20 кА |
| iуд.3 ≤ iмах | 10,03 кА | 52 кА |
| Вк ≤ Iт.н.2×t т.н. | 6,622 кА2×с | 1200 кА2×с |
Выбранный выключатель подходит по всем условиям
Аналогично проверяем правильность выбора установленных на стороне 35 кВ разъединителей РЛНДЗ-35/600 результаты проверки сводим в таблицу 11.2
Таблица 11.2 Результаты выбора разъединителей
| Условия выбора | Расчетные данные сети | Каталожные данные разъединителя РЛНД-35/600 |
| Uн.а ≥ Uн.уст. | 35 кВ | 10 кВ |
| Iн.а. ≥Iр.форс | 61,8 А | 600 А |
| Iн.от. ≥ Iот. | 2,33 кА | 25 кА |
| iуд.3 ≤ iмах | 5,93 кА | 31 кА |
| Вк ≤ Iт.н.2×t т.н. | 3,26 кА2×с | 25 кА2×с |
Установленные разъединители подходят по всем условиям.
12 Безопасность и экологичность проекта
12.1 Решения правительства Российской Федерации по безопасности труда и экологическим аспектам
Федеральный закон об основах труда в российской федерации принят Государственной Думой 23 июня 1999 года. Настоящий Федеральный закон устанавливает правовые основы регулирования отношений в области охраны труда между работодателями и работниками и направлен на создание условий труда, соответствующих требованиям сохранения жизни и здоровья работников в процессе трудовой деятельности.
Государственными нормативными требованиями охраны труда, содержащимися в федеральных законах и иных нормативных правовых актах субъектах Российской Федерации об охране труда, устанавливаются правила, процедуры и критерии, направленные на сохранение жизни и здоровье работников в процессе трудовой деятельности.
Основными направлениями государственной политики в области охраны труда являются:
-обеспечение приоритета сохранения жизни и здоровья работников;
-принятие и реализация федеральных законов и иных нормативных правовых актов об охране труда;
-государственное управление охраной труда;
-государственный надзор и контроль за соблюдение требований охраны труда;
-содействие общественному контролю за соблюдением прав и законных интересов работников в области охраны труда;
-расследование несчастных случаев на производстве и профессиональных заболеваний;
-защита законных интересов работников;
-установление компенсаций за тяжёлую работу и работу с вредными или опасными условиями труда;
-распределение передового отечественного опыта в области охраны труда;
подготовка специалистов по охране труда;
-обеспечение функционирования единой информационной системы охраны труда и др.
В настоящее время изданы межотраслевые правила техники безопасности и пожарной безопасности, которыми пользуются и выполняют требования указанные в правилах, весь электротехнический персонал.
Основным требованием является выполнение организационных и технических мероприятий. [9]
Организационные мероприятия:
-оформление работ нарядом, распоряжением или перечнем работ выполняемых в порядке текущей эксплуатации;
-допуск к работе;
-надзор во время работы;
-оформление перерывов в работе, перевод на другое рабочее место и окончание работы;
Технические мероприятия:
-произвести необходимые отключения и принять меры препятствующие подаче напряжения на место работы , в следствии ошибочного или самопроизвольного включения коммутационных аппаратов;
-вывешивание запрещающих плакатов;
-проверка отсутствия напряжения на токоведущих частях, которые должны быть заземлены;
-наложено заземление;
-вывешены указательные плакаты;
Все работы на подстанции (кроме оперативных переключений) выполняются с оформлением наряда-допуска, либо распоряжения, с выполнением необходимых организационных и технических мероприятий обеспечивающих безопасность выполнения работ.
Весь персонал (оперативный и ремонтный) допущенный к производству работ по обслуживанию оборудования подстанции должен иметь соответствующие квалификационные группы по электробезопасности. Ремонтные бригады должны иметь соответствующие защитные средства, набор которых регламентируется правилами техники безопасности и местными инструкциями. Все защитные средства должны правильно хранится и испытываться в установленные сроки.
Основное условие соблюдения безопасности при проектировании предприятий _предотвращение воздействия вредных и опасных производственных факторов на работающих, а также предупреждение негативного влияния этих факторов на окружающую среду. Это условие учтено в соответствующих разделах СниП и СН, в которых изложены требования по проектированию.
12.2 Анализ условий труда и анализ состояния производственного травматизма в «Центральных электрических сетей»
за 2004-2006 года
Все энергетические объекты относятся к особо опасным объектам. На таких объектах, как и в других отраслях промышленности, происходят нарушения техники безопасности, что приводит к различным видам несчастных случаев. В большинстве несчастных случаев, по статистике, погибают или получают различные травмы работники, которые только что устроились на работу или работники с большим стажем работы. Первые получают травмы по незнанию, по неопытности. А вторые, уверенные в себе чаще по невнимательности.
В Центральных электрических сетях для предотвращения и профилактики несчастных случаев создана служба охраны труда и промышленной безопасности. В ее состав входит начальник службы и три инженера.
На предприятии составлен коллективный договор, то есть правовой акт регулирующий социально-трудовые отношения. В организации он заключается между работодателем и профсоюзом, представляющим интересы работника. Кроме того в центральных электрических сетях с каждым работником заключен трудовой договор в соответствии с которым работодатель обязуется предоставить работнику работу, обеспечивать условия труда, предусмотренные трудовым кодексом, своевременную выплату заработной платы. А работник обязуется выполнять свою трудовую функцию и выполнять трудовую дисциплину.
Так как у многих работников Центральных электрических сетей имеет место быть разъездной характер работы на предприятии организованы предрейсовые медицинские осмотры водительского состава.
Все работники предприятия согласно коллективного договора обеспечиваются спец одеждой. Кроме того, работники на вредных участках (например, сварочный пост) получают молоко, сок и дополнительные дни к отпуску. Так же работники, которым это необходимо по условиям работы обеспечены индивидуальными средствами защиты. На каждого работника в Центральных электрических сетях заведены личные карточки, где указываются сроки получения и наименование той спецодежды и средств индивидуальной защит, которые получил работник.
В Центральных электрических сетях проводятся все положенные инструктажи: вводный, для всех работников, устроившихся на данное предприятие. Его проводит инженер по охране труда с регистрацией инструктажа в журнале; первичный проводится инженером в структурном подразделении с регистрацией в журнале по специально разработанной программе для данного вида работ; повторный проводится ежемесячно в структурных подразделениях с записью в журнал по программе утвержденной начальником структурного подразделения; внеплановый – проводится в структурных подразделениях при нарушения техники безопасности, при длительных перерывах в работе и по требованию вышестоящих органов, при изменении правил и инструкций; целевой – проводится при оформлении нарядов допусков и распоряжений. Кроме того, в Центральных электрических сетях еженедельно в структурных подразделениях проводится час охраны труда, где подводятся итоги недели, прорабатываются те нарушения, которые имели место быть, при необходимости проводятся дополнительные инструктажи, прорабатываются обзоры травматизма в электроэнергетике. На предприятии ведется так же трехступенчатый контроль за состоянием охраны труда на предприятии.
Ежегодно каждый работник сдает экзамен по охране труда, пожарной безопасности и правилам технической эксплуатации. По результатам экзаменов ему выставляется оценка и производится запись в его личном квалификационном удостоверении с указанием группы по электробезопасности. Оценка может быть выставлена отлично, хорошо, удовлетворительно или неудовлетворительно. При неудовлетворительной оценке работник временно отстраняется от работы, готовится и пересдает экзамен. При удовлетворительной оценке срок следующей сдачи экзамена устанавливается не через один год, а через шесть месяцев.
Все работы в действующих электроустановках проводятся по наряду – допуску, распоряжению или по перечню работ выполняемых в порядке текущей эксплуатации. Но на предприятии имеется список работ. Который можно проводиться только по наряду – допуску.
На предприятии Центральных электрических сетей проводится ежемесячно, во вторую среду каждого месяца, день техники безопасности с привлечением лиц из вышестоящих организаций. В ходе проверки проверяются все структурные подразделения, по результатам проведения дня техники безопасности разрабатываются мероприятия. Ежегодно проводится внеочередной день техники безопасности, по его результатам так же разрабатывается мероприятия. Кроме того в структурных подразделениях начальниками еженедельно проводятся внезапные проверки рабочих мест с оформлением протоколов и с указанием виновных в нарушениях, если такие имели место.
Таблица 12.1 – Несчастные случае за 2004-2006 года
| Центральные электрические сети 2004 – 2006 года | |||||
| № п/п | Профессия, должность пострадавшего. | Дата несчастно- го случая | Классификация (тяжёлый, смертельный, групповой, легкий). | Последствия | |
| Количе- ство дней нетрудо- способно сти | Выплачено по листку нетрудоспо- со бности | ||||
| 1 | Электромонтер по эксплуатации распределительных сетей | 29.07.04 | тяжелый | 102 | 28,8 |
| 2 | Машинист бурильно-крановой машины | 13.01.06 | тяжелый | 237 | 119,89 |
Таблица 12.2 – Анализ производственного травматизма
| Наименование показателя. | Формула. | Годы. | |||
| 2004 | 2005 | 2006 | |||
| Среднесписочная числен- ость работающих, чел. | Р | 435 | 595 | 609 | |
| Показатель (коэффициент) частоты травматизма. |
| 2,2 | 0 | 1,64 | |
| Показатель(коэффициент) тяжести травматизма. |
| 102 | 0 | 237 | |
| Показатель (коэффициент) потерь рабочего времени |
| 234,5 | 0 | 389,2 | |
| Число пострадавших. | П1, П2 | 1 | 0 | 1 | |
| Средства на охрану труда, Тыс.Руб. | 880 | 3912,15 | 6430,33 | ||
| Израсходовано | |||||
| Расход средств на одного работника. | 2,02 | 6,57 | 10,55 | ||
где П1,П2- число пострадавших, с утратой трудоспособности на срок более одного рабочего дня соответственно со смертельным исходом;
Дт- число человеко- дней нетрудоспособности у всех пострадавших за отчётный период;
Анализируя статистику несчастных случаев на предприятии произошедших в период с 2004 по2006 год можно сделать вывод, что работа по охране труда на предприятии «Центральные электрические сети» проводиться в целом удовлетворительно. С увеличением численности работников увеличиваются средства выделяемые на охрану труда. Для улучшения состояния охраны труда рекомендуется серьезней подходить к проведению инструктажей.
12.3 Характеристика опасных и вредных факторов, технологических процессов и устройств, разрабатываемых в проекте
С требованиями ПУЭ реконструируемая подстанция не относится к вредным в эксплуатации объектам, но является особо опасным объектом в обслуживании.
Обслуживающий персонал производит различные переключения по 35кВ, 10кВ, и при ошибке в переключениях может произойти авария. Для предупреждения такого рода ошибок на подстанции предусмотрены блокировки безопасности. Различают два основных вида блокировок: блокировки безопасности и оперативные блокировки.
Например дверь в ячейку распределительного устройства напряжением выше 1000 В снабжена электромагнитным замком, позволяющим только тогда открыть дверь, когда отключены выключатели и разъединители, через которые внутрь ячейки подается напряжение.
Существуют также блокировки, предотвращающие операции разъединителями под нагрузкой (при включенном выключателе), что может сопровождаться не только аварией, но и несчастным случаем. В сельских электроустановках для этого часто применяют механические блокировки с непосредственной рычажной связью между приводами выключателя и разъединителей. Но могут быть и замковые блокировки, например механическая блокировка системы Гинодмана (МБГ). На каждом приводе разъединителей и выключателя установлены блокирующие замки, оборудованные запорным стержнем для механического застопаривания блокируемого элемента.
На двух трансформаторных подстанциях вместо МБГ применяют электромагнитную блокировку при помощи одинаковых блок-замков типа ЗБ-1 и одного общего электромагнитного ключа КЭЗ-1. Электромагнитный замок одновременно служит розеткой, а электромагнитный ключ вилкой. Для того чтобы ключ открыл замок, его вставляют в штепсельную розетку данного замка, а напряжение в розетку подается автоматически при помощи сигнальных контактов, замыкающихся или размыкающихся в зависимости от положения привода выключателя или разъединителя. Положение этих контактов выбирают таким образом, чтобы напряжение в розетки блок-замков разъединителей данного присоединения попадало только при отключенном выключателе, а в розетку-замок двери ячейки - при отключенных разъединителях.
Электромагнитный замок состоит из катушки, подпружиненного сердечника и запорного стержня с кольцом. При обтекании током катушки, внутрь ее втягивается сердечник, сжимая пружину и освобождая запорный стержень. Потянув за кольцо освобождают запор. В комплектных распределительных устройствах с выкатными элементами применяют и другие блокировки безопасности. Тележка с выключателем на ней включена в первичную цепь через мощное штепсельные контакты, выполняющие роль разъединителей, и имеет три фиксированных положения:
- рабочее (когда она полностью вкачена в ячейку КРУ и штепсельные контакты полностью замкнуты );
- испытательное ( когда штепсельные контакты разомкнуты, а контакты вторичных цепей, то есть измерительных, сигнальных, управления и защиты замкнуты );
- ремонтное (когда тележка с выключателем полностью выкачена из ячейки в проход РУ );
В общем случае оперативные блокировки должны предотвращать:
- включение выключателей, отделителей и разъединителей на заземляющие ножи и короткозамыкатели;
- отключение и включение отделителями и разъединителями тока нагрузки, если это не предусмотрено конструкцией аппарата;
- включение заземляющих ножей (ЗН) на участке схемы, не отделенной разъединителями или отделителями от участков находящихся под напряжением;
- подачу напряжения на участки схемы, заземленные включенными заземляющими ножами и отделенные от включенных заземляющих ножей только выключателями;
- включение заземляющих ножей шкафов присоединений КРУ, если выдвижной элемент с выключателем не выведен в испытательное или ремонтное положение, установку выдвижного элемента в рабочее положение при включенных заземляющих ножах, включение заземляющих ножей сборных шин, если выдвижные элементы с выключателями вводов рабочего и резервного питания не выведены в испытательное или ремонтное положение, установку выдвижных элементов в рабочее положение при включенном выключателе.
12.4 пожарная безопасность
Противопожарные мероприятия на подстанции запроектированы в соответствии с требованиями «Инструкции по проектированию противопожарной защиты энергетических предприятий Минэнерго СССР» (РД 34.49.101-87» для Ш группы.
Степени огнестойкости зданий и сооружений приняты в соответствии со СНиП 21-01-97 (ПС-Ш),а категории производств - по «Перечню категорий помещений и зданий по взрывопожарной и пожарной опасности» РД 34.03.350-98 в.4.
Разрывы между зданиями и сооружениями на площадке подстанции приняты в соответствии с противопожарными нормами и требованиями
На подстанции должны неукоснительно выполняться правила пожарной безопасности и проводиться мероприятия по предупреждению пожаров. Проведение всех противопожарных мероприятий должны соответствовать Правилам пожарной безопасности в Российской Федерации, введенных в действие с 1997года.
Подстанции относятся к категории пожарной опасности производств Д, а по классу пожара к Е и В
Все работники подстанции должны знать Правила пожарной безопасности, должны уметь пользоваться противопожарным инвентарем в случае возникновения пожара. Противопожарный инвентарь должен использоваться по прямому назначению.
Для тушения пожаров в электроустановках под напряжением надо применять порошковые или углекислотные огнетушители.
Так как большинство подстанций без дежурного персонала, то углекислотные или порошковые огнетушители должны находиться в бригадных машинах. Согласно табеля комплектации их должно быть четыре.
У каждого трансформатора и у ячеек КРУ (с двух сторон) должны быть установлены ящики с песком.
12.5 Экологичность проекта
Площадка проектируемой подстанции выбрана с учетом нанесения минимального ущерба окружающей среде.
Подстанция предназначена для передачи электроэнергии. Указанный технологический процесс является безотходным и не сопровождается вредными выбросами в атмосферу. Учитывая, что площадка подстанции удалена от жилой застройки и рассчитанные уровни шума, издаваемого работающими трансформаторами, менее допустимых 45 децибел, специальные мероприятия по защите от шума трансформаторов не предусматривается. Для исключения загрязнения территории вокруг подстанции, при аварийном выбросе трансформаторного масла и предотвращения распространения пожара, предусматривается сооружение под силовыми трансформаторами маслоприемников, закрытых маслопроводов из железобетонных конструкций и подземного металлического маслоуловителя. Очистка маслоуловителя от масла и скапливающихся дождевых вод предусматривается откачкой их в емкость «цистерну» с вывозом в места, согласованные с органными санитарной охраны.
Плодородный слой толщиной 0,1 – 0,3 м под площадкой подстанции в пределах ограждения, под сооружениями, подъездными дорогами и площадками снимается и вывозится в места, определяемые землепользователями, с целью использования его на восстановление и улучшение земельных угодий взамен изымаемых под строительство. В проекте произведена оценка воздействия проектируемой подстанции на окружающую природную среду в процессе ее строительства и дальнейшей эксплуатации. В результате оценки установлено, что проектируемая подстанция при строительстве и эксплуатации :
-не представляет угрозы для здоровья населения
-не приведет к необратимым или кризисным изменениям в природной среде.
12.6 Мероприятия по совершенствованию безопасности и экологических условий
При эксплуатации электроустановок в них осуществляется оперативное обслуживание и другие работы (профилактические испытания, ремонт). Оперативное обслуживание заключается в выполнении операций включения и отключения линий, трансформаторов, постоянном наблюдении за режимом работы и состоянием всего электрооборудования, подготовке рабочего места для ремонтных бригад, их допуск к работе, восстановление схемы работы электроустановки после окончания ремонта, выполнении по мере надобности небольших внеплановых работ по уходу за электроустановками. Оперативно-ремонтному персоналу разрешается производить переключения в электроустановках.
В соответствии с требованиями ПУЭ и санитарных норм о запрещении загрязнения окружающей среды, вредного или мешающего шума, вибрации и электрических полей реконструируемая подстанция не относится к экологически опасным объектам. На подстанции предусмотрен сбор и удаление отходов масла и исключена возможность попадания его в водоемы, систему отвода ливневых вод, а также на территории, не предназначенные для отходов.
Настоящий проект предусматривает аварийный маслосброс трансформаторного масла в специальные резервуары с последующим его удалением путём откачивания для регенерации.
Контроль за техническим состоянием и готовностью приёма аварийного маслосброса маслоприёмников возложен на руководителей технических служб.
Систематическое проведение инструктажей, повышение квалификации работников сетей, выполнение организационных и технических мероприятий, а также экологических мероприятий в целом считается удовлетворительным.
12.7 Расчет молниезащиты
Для защиты подстанции используем четыре стержневых молниеприемника высотой 14,5 метров. Молниеотводы расположены на порталах на открытом распределительном устройстве 35 кВ. Расстояние между молниеприемниками 14 метров. [10]
Рисунок 12.7.1 - Схема подстанции « Байдарка» и зоны защиты
r 0 – зона защиты на уровне земли
r х - зона защиты на уровне высоту силового трансформатора
rx1 – зона защиты на уровне КРУН 6 кВ
12.7.1 Определяем высоту молниеприемника с учетом понижающего коэффициента
h 0=0.85×h (12.7.1)
Где 0,85 – понижающий коэффициент
h – высота молниеотвода, м
h 0=0.85×14,5=12,3 м
12.7.2 Рассчитываем зону защиты на уровне поверхности земли
r 0=(1,1 – 0,002h) ×h (12.7.2)
r 0=(1,1 – 0,002×14.5) ×14.5=15.5 м
12.7.3 Рассчитываем зону защиты на уровне защищаемого объекта
r х=(1,1 – 0,002×h) ×(h – hх/0,85) (12.73)
Где hх – высота на уровне защищаемого объекта (трансформатора высотой 4,05 м), м
r х=(1,1 – 0,002×14,5) ×(14,5 – 4,05/0,85)=10,4 м
12.7.4 На рисунке 12.7.1 видим, что в зону защиты трансформатора попадает не все комплектное распределительное устройство (КРУН) 6 кВ, поэтому делаем расчет зоны защиты молниеотвода на уровне высоты КРУН. Высота КРУН составляет 2800 мм. Расчет производим по формуле (12.7.3)
r х=(1,1 – 0,002×14,5) ×(14,5 – 2,80/0,85)=12 м
12.7.5 Делаем проверку, если сооружение защищено то должно выполняться условие [11]
L≤3h
Где L – расстояние между молниеотводами, м
L=14 м
3h=3×14,5=43,5 м
14≤43,5
Условие выполняется, следовательно выбранные молниеприемники подходят для защиты подстанции «Байдарка» от прямого попадания молнии. (смотри графическая часть лист 3)
13 Расчет заземления подстанции «Байдарка»
Заземляющее устройство ОРУ напряжением выше 1000 В с глухозаземленной нейтралью объединено с заземляющим устройством электроустановок до 1 кВ с глухозаземленной нейтралью. Сопротивление заземляющего устройства должно быть Rз=4 Ом в любоевремя года.[12] [13]. Грунты в нашем случае суглинок. Географическая зона № II Длина вертикальных заземлителей Lв=5 м (смотри графическая часть лист 3)
13.1 Определяем расчетные удельные сопротивления грунта для горизонтальных и вертикальных заземлителей с учетом повышающих коэффициентов (коэффициентов сезонности).
(13.1)
Где
=100 Ом×м – удельное сопротивление грунта [12]
=4 – повышающий коэффициент для горизонтальных заземлителеи для II климатической зоны [12]
Ом×м
(13.2)
Где
=1,25 – повышающий коэффициент для вертикальных заземлителей для II климатической зоны [12]
Ом×м
13.2 Определяем сопротивление одного вертикального стержня
(13.3)
Где
=1 - коэффициент для вертикальных заземлителей
=5 м – длина вертикального стержня, м
- коэффициент использования для вертикальных заземлителей для ориентировочного расчета принимаем равный 1
Ом
13.3 Определяем ориентировочное число стержней
(13.4)
шт
Принимаем 8 вертикальных стержней, для того чтобы получился квадрат, для удобства монтажа
13.4 Определяем отношение расстояния между стержнями, к их длине
(13.5)
м
13.5 Определяем действительный коэффициент использования [12]
13.6 Определяем расчетное сопротивление растекания вертикальных заземлителей
(13.6)
Ом
Сопротивление получилось больше нормы (4 Ом), поэтому учитываем сопротивление горизонтальных стержней
13.7 Определяем сопротивление горизонтальных заземлителей
(13.7)
Где
=1,7 коэффициент для горизонтальных заземлителей [12]
- длина горизонтальных заземлителей, м
- коэффициент использования для горизонтальных заземлителей [12]
Ом
13.8 Определяем общее сопротивление
(13.8)
Ом
Принимаем к установке 8 вертикальных заземлителей соединенных полосовой сталью 4х40 мм., расположенных по контуру электроустановки.
Рисунок 13.1 -Заземляющее устройство подстанции «Байдарка»
14 Разработка схемы дуговой защиты КРУН 6 кВ подстанции «Байдарка»
14.1 Список сокращений
БССДЗ - устройство быстродействующей селективной световой защиты
ЦБ - центральный блок
БП - блок питания
БВР - блок входных реле
БФ - блок фильтров
УИР - устройство индикации и регистрации
ПС - преобразователь световой
«АВАРИЯ» - состояние системы при наличии дугового разряда и сигнала МТЗ хотя бы одного из питающих присоединений секции КРУН
«НС» - несоответствие. Состояние системы при наличии сигнала от ПС и отсутствие сигнала МТЗ всех питающих присоединений секции КРУН
МТЗ - максимальная токовая защита
ЛС - линия связи
РИ - разрешения исполнения
Кн - канал
14.2 Замечания по эксплуатации различных видов устройств дуговой защиты и рекомендации
Существует несколько схем дуговой защиты. Принцип работы для них неизменен, а вот техническая реализация может быть разной. Дуговая защита обязательно включает в себя систему датчиков реагирующих на возникновение дуги внутри ячеек КРУН или в отсеке системы шин. Кроме самых первых вариантов реализации дуговой защиты, где в качестве датчиков использовались конечные выключатели, в схему дуговой защиты так же входит блок управления сигналами с датчиков, реализованных на реле или с помощью микропроцессорной техники.
Рассмотрим преимущества и недостатки трех различных схем дуговой защиты:
14.2.1 Дуговая защита, где в качестве датчиков используются конечные выключатели
Принцип работы: при возникновении дуги в шинном отсеке КРУН 6-10 кВ крышка шинного отсека под действием сил возникающих при коротком замыкании приподнимается и замыкает конечный выключатель Q1. В токовых цепях ввода 6-10 кВ потечет ток короткого замыкания. При этом без выдержки времени срабатывает реле К1 и своими контактами замыкает цепь отключения вводного выключателя.
Несомненным преимуществом этой схемы является простота, но эта схема имеет ряд существенных недостатков:
данный вид дуговой защиты может применяться не во всех видах КРУН. Она может быть использована в КРУН с верхним расположением сборных шин, там где имеется возможность применить конечные выключатели (например ячейки КРУН К-37).
наличие в схеме конечных выключателей и механических составляющих воздействующих на них. Эта дуговая защита требует особой осторожности в эксплуатации, так как возможно ложное срабатывание защиты при воздействии на конечный выключатель;
эта дуговая защита требует тщательной отладки механической части;
после каждого случая срабатывания защиты требуется ее проверка, и как показала практика ее наладка;
в некоторых случаях для того чтобы шторка отсека ячейки воздействовала на конечный выключатель приходится вносить изменения в конструкцию отсека (установка дополнительных пластин)
14.2.2 Дуговая защита, где в качестве датчиков используются фототиристоры, а система управления создана на реле
Принцип работы: при возникновении дуги в шинном отсеке или отсеке выключателя 6 кВ срабатывает фототиристор VS1 , он воздействует на выходное реле дуговой защиты КLD 12. А оно в свою очередь своими контактами дает сигнал на электронный блок «Сириус 2-В», который отключает вводной выключатель 6 кВ.
По сравнению с предыдущей схемой, данная защита имеет ряд серьезных преимуществ:
использование фототиристоров вместо конечных выключателей исключает из схемы всю механическую часть и соответственно снижает возможность ложного срабатывания.
значительно упрощается монтаж и обслуживание датчиков, так же снижаются затраты на эксплуатацию и трудоемкость во время обслуживания защиты.
наличие системы управления, где помимо сигналов с датчиков анализируется так же и сигнал пуска МТЗ ввода секции, что практически исключает ложное срабатывание.
Основным недостатком данной схемы дуговой защиты является большое количество элементов схемы управления и как следствие сложность этой схемы, что создает трудности в эксплуатации. Практика показала, что эту схему дуговой защиты трудно настроить первоначально.
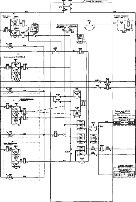
14.2.3 Быстродействующая селективная световая защита – это система где в качестве датчиков используются фоторезисторы, а схема управления создана на микропроцессорной технике. (смотри приложение 7 и графическая часть лист 5)
Как и предыдущая защита может монтироваться в КРУН различных серий. Система управления в отличии от предыдущей обладает куда более высокой надежностью. Схема данной защиты более наглядна, надежна , проще в эксплуатации, хотя и дороже чем предыдущая. Основным недостатком данной схемы является то, что данная защита состоит из отдельных блоков, так называемых «черных ящиков» и при каких- либо неисправностях приходиться менять блок целиком.
Как показала практика, более предпочтительной в эксплуатации является БССДЗ. Она более проста, надежна, ее легко монтировать и удобно обслуживать. Кроме того ее работоспособность легко проверить в эксплуатации без вывода оборудования в ремонт. На реконструируемой подстанции «Байдарка» применяем данную защиту.
12.3 Назначение и состав БССДЗ-01/02
Быстродействующая селективная световая дуговая защита БССДЗ-01/02 предназначена для установки в комплектных распределительных устройствах (КРУ, КРУН) внутренней и наружной установки напряжение 6-10 кВ, с целью обнаружения замыканий, сопровождающихся открытой электрической дугой, для исключения или минимизации разрушений возникающих от воздействия электрической дуги и выдачи сигнала на отключение аварийного участка без нормативной выдержки времени. [12]
Селективность (избирательность) дуговой защиты обеспечивается:
- работой дуговой защиты по следующим алгоритмам:
отключение рабочего ввода и секционного выключателя секции КРУН при возникновении между фазного замыкания в отходящих ячейках, в секционном выключателе и/или в отсеке сборных шин
отключение головного выключателя рабочего питания трансформатора при возникновении междуфазного замыкания в ячейке рабочего ввода секции КРУН c указанием места возникновения дугового замыкания
Применение быстродействующей дуговой защиты является обязательным в КРУН 6-10кВ. [13]
При появлении дуги в КРУН в зависимости от ее места возникновения БССДЗ-01/02 без выдержки времени выдает сигналы в виде «сухого контакта» на отключение секции или трансформатора с высокой стороны
После факта отключения питающих присоединений секции в результате срабатывания БССДЗ-01/02, эксплуатационный персонал имеет возможность определить место возникновения дуги, устранить причину и вновь ввести защиту в работу.
Конструктивно БССДЗ-01/02 состоит из следующих устройств: [14]
- преобразователь световой ПС-11(вид и вариант установки смотри приложение 1)
- устройство индикации и регистрации УИР-12.03 (вид и вариант установки смотри приложение 4)
- центральный блок ЦБ-02.01 (вид и вариант установки смотри приложение 2)
- блок входных реле БВР-02.02 (вид и вариант установки смотри приложение 3)
- блок питания БП-02 (вид и вариант установки смотри приложение 3)
- блок фильтра- демпфера БФ-02.01 (вид и вариант установки смотри приложение 3)
14.4 Основные технические характеристики БССДЗ
Таблица 14.1 – Основные технические характеристики БССДЗ
| №п/п | Наименование параметра | значение |
| 1 | Порог срабатывания датчиков освещенности*, лк | 10000 |
| 2 | Максимальное количество ПС , подключаемых на один вход УИР, шт | 10 |
| 3 | Максимальное число УИР, подключаемых к линии связи ЦБ, шт | 40 |
| 4 | Максимальная длина линий связи между составными частями БССДЗ ПС – УИР, м УИР – ЦБ, м | 10 50 |
| 5 | Количество входных каналов для подключения МТЗ** | 3 |
| 6 | Количество входных каналов для подключения УИР | 3 |
| 1 | 2 | 3 |
| 7 | Напряжение входного сигнала, В | 12 |
| 8 | Ток входного сигнала не более, мА | 20 |
| 9 | Нагрузочная способность выходного канала РИ максимальное коммутируемое напряжение, В максимальный коммутируемый ток, А | 12 0,1 |
| Наименование параметра | значение | |
| 10 | Выходные каналы для отключения аварийного участка (К1,К2,К3,К4,К5,К6) | 6 |
| 11 | Выходной канал для запрета АВР (К7) | 1 |
| 12 | Выходной канал в цепи сигнализации (К8) | 1 |
| 13 | Нагрузочная способность выходных каналов К1,К2,К3,К4,К5,К6 К7,К8: максимальное коммутируемое напряжение постоянного и переменного тока, В максимальный коммутируемый постоянный, переменный ток, А | 220 0,1 |
| 14 | Время срабатывания БССДЗ, при наличии сигнала МТЗ, не более, мс | 20 |
| 15 | Напряжение питания оперативного тока: Постоянное, В Переменное, В | 110,220+10%/-20% 220+10%/-20% |
| 16 | Потребляемая мощность, Вт, не более | 50 |
| 17 | Условия эксплуатации: Рабочая температура, оС Относительная влажность при+25 оС, % | -40…+55 85 |
*Гарантирует срабатывание датчиков при дуге током 800 А на расстоянии до 3 метров.
**Сигналы МТЗ должны быть типа «сухой контакт» (исходное положение – разомкнуты). Допускается подключение нескольких сигналов МТЗ питающих присоединений на один вход по схеме «монтажное или»
14.5 Работа устройства
14.5.1 Функциональная электрическая схема БССДЗ приведена в приложении 7 и в графической части лист 5
14.5.2 При возникновении дугового разряда в зоне контроля какого-либо ПС, происходит его срабатывание (подача сигнала).
14.5.3 Сигнал с ПС по каналу связи поступает на вход УИР. После цифровой фильтрации, необходимой для предотвращения ложных срабатываний (около 5мс), УИР выдает сигнал на ЛС с ЦБ. Сигнал от ПС фиксируется светодиодом «Кн1» «Кн2» «Кн3» или «Кн4». Индикатор срабатывания ПС можно погасить только после выключения тумблера «Сеть», расположенного на лицевой панели УИР, или тумблера «Сеть» ЦБ.
14.5.4 ЦБ осуществляет непрерывный контроль состояния ЛС с УИР и наличия сигналов МТЗ питающих присоединение.
При получении сигнала по линии ЛС1 и сигнала МТЗ, подтверждающего наличие дугового замыкания во вводной ячейке, ЦБ выдает сигналы на отключение головного выключателя или трансформатора, питающего данную секцию, вводного и секционного выключателей секции КРУН, сигнал в цепи сигнализации о работе дуговой защиты и фиксируется в этом состоянии. Перезапуск устройства дуговой защиты производится вручную кратковременным выключением тумблера «Сеть» на блоке ЦБ.
При получении сигнала по линии ЛС2 и сигнала МТЗ, подтверждающего дуговое замыкание в секции. ЦБ выдает сигналы на отключение вводного и секционного выключателей секции КРУН и сигнал в цепи сигнализации о работе дуговой защиты и фиксируется в этом состоянии. При этом БССДЗ остается в работе по ЛС1. перезапуск устройства дуговой защиты производится вручную кратковременным включением тумблера «Сеть» на блоке ЦБ.
Если, при наличии сигнала от УИР по любой ЛС, центральный блок не получает сигнала от МТЗ питающих присоединение секции КРУН, подтверждающих наличие дугового замыкания, то через 0,5 с ЦБ выводит из работы ЛС по которой пришел сигнал, фиксирует состояние БССДЗ (индикатор «Несоответствие») и выдает сигнал в цепи сигнализации. Ввести ЛС в работу можно только после кратковременного выключения тумблера «Сеть», расположенного на лицевой панели ЦБ.
14.6 Порядок работы
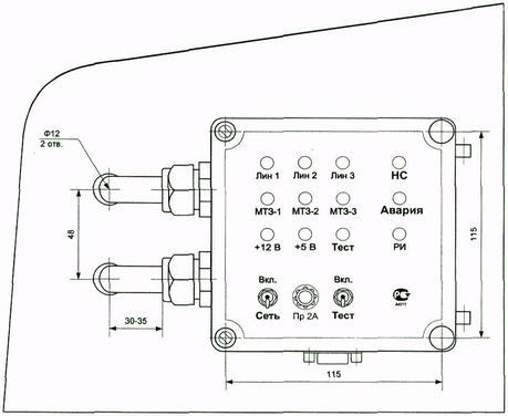
14.6.1 В процессе работы состояние системы БССДЗ контролируется по индикаторам, расположенных на лицевых панелях ЦБ и УИР. Расположение индикаторов на ЦБ приведено на рисунке 1.
14.6.2 Индикаторы ЦБ имеют следующее значение:
«АВАРИЯ» - наличие сигнала на ЛС и одного из сигналов МТЗ, включается одновременно с сигналами на отключение аварийного участка, сигнал «АВАРИЯ» сохраняется до снятия питания с ЦБ;
«НС» - «несоответствие в работе системы, режим несоответствия срабатывает при наличии сигнала от УИР (ЛС) и отсутствия сигнала МТЗ более 0,5 сек, с момента срабатывания ПС, при этом включается реле «Сигнализация»;
«МТЗ1», «МТЗ2», «МТЗ3» - наличие сигналов максимальной токовой защиты питающих присоединений секции КРУН;
«+5В», «+12В» - наличие напряжения питания;
«ЛС1», «ЛС2», «ЛС3» получение сигналов о срабатывании УИР на соответствующей линии связи;
«РИ» - включение сигнала разрешения исполнения;
«ТЕСТ» - работа ЦБ в тестовом режиме.
14.6.3 В УИР расположены четыре индикатора красного цвета – «Кн1», «Кн2», «Кн3», «Кн4» и индикатор зеленого цвета – «Сеть».
14.6.4 При срабатывании БССДЗ, определить место возникновения дугового разряда по индикаторам, расположенным в УИР. Для возврата системы в исходное состояние произвести кратковременное (3-5 секунд) отключения питания ЦБ.
14.6.5 При срабатывании БССДЗ в режиме «НЕСООТВЕТСТВИЕ» определить место возникновения сбоя по индикаторам, расположенным в УИР. Произвести кратковременное (3-5 секунд) отключения питания ЦБ. При повторении режима определить и устранить неисправность.
14.7 Назначение и алгоритм работы блоков и модулей БССДЗ-01/02
14.7.1 Назначение ПС-11
Первичным датчиком быстродействующей селективной световой дуговой защиты в распределительных устройствах 6-10 кВ является преобразователь световой ПС-11, который выдает сигнал при появлении светового излучения порядка 10000
3000 лк.
Связь ПС-11 с УИР-12.03 осуществляется по 3-х проводной линии (+12В, общий, выход)
14.7.2 Алгоритм работы УИР-12.03
Устройство индикации и регистрации УИР-12.03 для связи с блоками БССДЗ-01/02 имеет следующие линии:
- 4 (четыре) 3-х проводные линии (каналы) (Кн1, Кн2, КнЗ, Кн4) для подключения ПС-11;
- 4-х проводная линия (Вых1, Вых2, +12В, общий) для связи с ЦБ-02.01.
Работа УИР-12.03.
Сигнал Вых1 УИР-12 появляется при срабатывании одного или нескольких ПС-11, присоединенных к входной линии Кн1 или Кн2.
Сигнал Вых2 У ИР-12 появляется при срабатывании одного или нескольких ПС-11, присоединенных к входной линии КнЗ или Кн4.
УИР-12.03 производит индикацию работы датчиков ПС-11, подключенных к данному входу (Кн1. Кн2, КнЗ, Кн4). Сброс индикации возможен только оператором при снятии напряжения питания с УИР-12.03 или ЦБ-02.01 (тумблер «Сеть»).
14.7.3Функции и алгоритм работы ЦБ-02.01
ЦБ-02.01 выполняет следующие функции:
- непрерывно контролирует состояние выходных каналов всех УИР;
- контролирует работу МТЗ питающих присоединений;
- выдаёт сигнал на отключение питающих присоединений секции КРУ;
- выдает сигнал разрешение исполнения (светодиод «РИ»);
- производит индикацию и фиксирует работу МТЗ питающих присоединений (светодиоды «МТЗ 1», МТЗ 2», МТЗ 3»)
-выдаёт сигнал «Несоответствие» при неисправности на линии связи, фиксирует его (светодиод «Несоответствие»);
- выдаёт и фиксирует сигнал «Авария» при срабатывании дуговой защиты (светодиод «Авария»);
- позволяет проводить тестовый контроль дуговой защиты (кнопка «Тест»);
- производит контроль исправности цепей питания дуговой защиты.
- фиксирует работу БССДЗ в энергонезависимом Журнале-регистраторе, емкость которого рассчитана на 63 последних событий.
14.7.4 Алгоритм работы ЦБ-02.01
При наличии сигнала на ЛС-1 и МТЗ питающего присоединения ЦБ-02.01 выдает сигнал на отключение питающего присоединения, от которого получен сигнал МТЗ.
При наличии сигнала на ЛС-2 и хотя бы одного МТЗ секции КРУ, ЦБ-02.01 выдает сигнал на отключение ячеек вводного и секционного выключателей данной секции.
ЦБ-02.01 выдает сигнал «Несоответствие» при наличии сигнала на одной из линий связи ЛС-1, ЛС-2, и отсутствии сигнала МТЗ всех питающих присоединений секции КРУ. При этом из работы выводится только та ЛС, по которой пришел сигнал, остальные остаются в работе.
Для защиты внутренних цепей дуговой защиты от коротких замыканий в ЦБ-02.01 установлен предохранитель.
14.7.5 Назначение БВР-02.02
Блок входных реле БВР-02.02, предназначен для гальванической развязки цепей МТЗ секции КРУ(Н) и цепей МТЗ дуговой защиты, через промежуточный клеммник, БВР-02.02 имеет следующие контакты:
- 4 выходных контакта для связи с ЦБ-02,01 (МТЗобшип, МТЗ-1, МТЗ-2, МТЗ-3);
- 6 входных контактов, из них: 3 контакта питания (Квнеш, -220, +220), 3 контакта МТЗ (МТЗ-1, МТЗ-2, МТЗ-3).
14.7.6 Назначение БП-02
Блок питания БП-02, предназначен для преобразования постоянного или переменного тока напряжения 220 В в постоянный ток напряжения 10В и12Ви питания цепей дуговой защиты. БП-02 имеет следующие контакты:
- 3 входных (Корпус, -220, +220);
- 4 выходных (-12, +12, -10, +10).
14.7.8 Назначение БФ-02.01
Блок фильтра-демфера БФ-02.01, предназначен для повышения помехоустойчивости БССДЗ-01/02 и обеспечивает работу дуговой защиты при кратковременном (до 2 секунд) пропадании оперативного напряжения. БФ-02.01 имеет следующие контакты:
- 4 входных (-12, +12, -10, +10);
- 4 выходных (-12, +12, -10, +10).
14.8 Выбор количества и местоположения блоков и модулей БССДЗ-01/02 с учетом конструктивных особенностей ячеек КРУН
14.8.1 Выбор количества и месторасположения ПС-11
ПС-11 устанавливаются во всех отсеках КРУ (сборных шин, выкатных элементов, трансформаторов тока).
Для большинства отсеков ячеек КРУН, учитывая интенсивное световое излучение при дуговых замыканиях и хороший обзор объема отсеков, достаточно установки одного ПС-11.
Учитывая конструктивные особенности КРУН, изолированность отсеков сборных шин, выкатных элементов и трансформаторов тока, выбираем следующую схему мест установки ПС-11:
- в отсеках трансформаторов тока устанавливается по одному ПС-11;
- в отсеках выключателей устанавливается по одному ПС-11;
в отсеке сборных шин устанавливаются по одному ПС-11(по краям секции) направленные друг к другу, и по два ПС-11 направленных в противоположные стороны через каждые 5 ячеек. (смотри приложение 7 или графическая часть лист5)
14.8.2 Для точной фиксации мест дуговых замыканий, удобства визуального контроля работы дуговой защиты и возможности оперативного отключения неисправных частей дуговой защиты, размещаем УИР-12.03, на дверке релейного отсека ячеек КРУ с выводом индикации на лицевую часть дверки.
14.8.3 Выбор месторасположения ЦБ-02.01
Центральный блок, из тех же соображений, размещаем на лицевой части дверки релейного отсека вводной ячейки секции КРУ.
14.8.4 Выбор месторасположения БП-02, БФ-02.01, БВР-02.02
Блок питания БП-02, блок фильтров БФ-02.01 и блок входных реле БВР-02.02 размещаем на внутренней стороне дверцы релейного отсека линейной ячейки или внутри релейного отсека, на котором установлен ЦБ-02.01.
14.9 Выбор схемы трассировки шлейфов связывающих ЦБ-02.01, УИР-12.03, ПС-11 и БП-02
14.9.1 Шлейфы, связывающие ПС-11 и УИР-12.03, выполняются в негорючей изоляции и проходят по существующим лоткам и трассам вторичной коммутации релейной защиты ячеек КРУ.
14.9.2 Шлейфы, связывающие УИР-12.03 и ЦБ-02.01, выполняются в негорючей изоляции и проходят по существующим лоткам и трассам КРОССа КРУ.
14.9.3 Шлейфы, связывающие ЦБ-02.01, БП-02 и переходной клеммник, выполняются в негорючей изоляции и проходят по существующим трассам вторичной коммутации релейных отсеков ячеек КРУ.
14.9.4 Все шлейфы выполняются изолированным многожильным медным проводом.
14.10 Привязка цепей питания, защиты и сигнализации дуговой защиты к действующему оборудованию
14.10.1 Привязка цепей питания, защиты и сигнализации дуговой защиты к действующему оборудованию КРУ осуществляется через промежуточный клеммник из 25 клемм, клеммник устанавливается в релейном отсеке ячейки КРУ, где установлен ЦБ-02.01.
14.10.2 Цепи питания подключаются к цепям «+/- ШУ» КРУ в релейном отсеке ячейки, где установлен центральный блок (ЦБ-02.01), блок питания дуговой защиты (БП-02), блок фильтров (БФ-02.01) и блок входных реле (БВР-02.02).
14.10.3 Цепи контроля работы МТЗ присоединений по жилам контрольного кабеля через промежуточный клемник подключаются к блоку БВР-02.02, контролирующему запуск МТЗ питающего присоединение
14.10.4 Цепи отключения питающих присоединений КРУ выведены на промежуточный клеммник дуговой защиты и подключаются к обмоткам промежуточных реле, отключающих присоединения. При этом для подключения должны выбираться выходные реле, при работе которых происходит запрет АВР.
14.10.5 Цепи сигнализации дуговой защиты через промежуточный клеммник подключаются к соответствующим цепям сигнализации РУ на щите управления.
14.11 Монтаж и наладка дуговой защиты
*
14.11.1 Монтаж оборудования дуговой защиты производится силами квалифицированного персонала имеющего соответствующий допуск к таким работам. При необходимости возможно привлечение персонала заказчика, эксплуатирующего данное оборудование.
14.11.2 Оборудование дуговой защиты проверяется и настраивается изготовителем и не нуждается в специальных проверках.
14.11.3 Наладка дуговой защиты включает в себя:
- проверку правильности алгоритма работы дуговой защиты и её выходных реле от постороннего источника света;
- проверку работы тестового контроля;
- проверку цепей, связывающих дуговую защиту с действующим оборудованием (опробование).
14.12 Эксплуатация и обслуживание оборудования дуговой защиты
14.12.1 Эксплуатация и обслуживание дуговой защиты должны проводиться в соответствии с существующими правилами технической эксплуатации при соблюдении правил безопасности.
14.12.2 Осмотр, чистка линз датчиков дуговой защиты (ПС-11), проверка соединений вторичной коммутации дуговой защиты, проф. контрольные и проф. восстановительные работы должны проводиться в сроки, определяемые ПТЭ и в соответствии с «Правилами технического обслуживания устройств релейной защиты, электроавтоматики, дистанционного управления и сигнализации электростанций и подстанций 110-750кВ».
14.12.3 Периодичность осмотров и чистка линз ПС-И должна устанавливаться эксплуатирующей организацией с таким расчетом, чтобы обеспечивалась нормальная готовность к работе дуговой защиты.
14.12.4 В условиях значительной загрязненности воздуха и оборудования КРУ, осмотр и чистка линз ПС-11 должны проводиться не реже одного раза в шесть месяцев.
14.12.5 После работы дуговой зашиты любого присоединения КРУ должен быть произведён осмотр, чистка линз ПС-11 и проверка работы дуговой защиты этого присоединения.
14.12.6 Проверку сопротивления изоляции цепей дуговой защиты проводить при полном снятии напряжения с устройств БССДЗ 01/02 в соответствии с методикой-протоколом проведения опробования на работоспособность устройства дуговой защиты БССДЗ-01/02 на секции КРУН.
14.13 Перечень возможных неисправностей и метод их устранения
Таблица 12.1
| Наименование неисправности, внешнее проявление и дополнительные признаки | Вероятная причина | Метод устранения |
| Неисправность в системе электропитания: не горит индикатор «+12В»на ЦБ | Перегорел предохранитель в ЦБ | Заменить предохранитель |
| Неисправность в линиях связи ЦБ и УИР: не горит индикатор «СЕТЬ» на УИР | Обрыв линии связи | Устранить обрыв |
| Ложное срабатывание системы | Неисправность УИР Неисправность ПС | Определить неисправный УИР или ПС по включенным «Кн1», «Кн2», «Кн3» или «Кн4» УИР и заменить его |
14.14 Инструкция дежурному персоналу по эксплуатации устройства дуговой защиты «БССДЗ-01/02»
14.14.1 При проведении ежедневных осмотров оборудования КРУ:
- Контролируется работа всех блоков устройства по свечению индикаторов. Нормальный режим работы блоков устройства «БССДЗ-01/02» свечение индикаторов зеленого цвета «+12в», «+5в» на лицевой панели блока ЦБ и «ПИТАНИЕ» на блоках УИР, расположенных на дверках релейных шкафов ячеек КРУ.
- Контролируется исправность устройства тест контролем. Нажать и удерживать кнопку «ТЕСТ» на лицевой панели блока ЦБ - засветка индикатора «ТЕСТ» и поочередная засветка всех индикаторов на лицевой панели ЦБ свидетельствует об исправности блока ЦБ. Время контроля - 1-2 цикла засветки индикаторов на лицевой панели блока ЦБ. По окончанию проверки отпустить кнопку «ТЕСТ».
14.14.2 При вызове в КРУ (сработала аварийная сигнализация БССДЗ-01/02) проверить панель индикации ЦБ:
Режим «НЕСООТВЕТСТВИЕ» - свечение индикаторов: «НС» и «ЛС1», «ЛС2» или «ЛСЗ»:
- Зарегистрировать место срабатывания (сбоя) датчика ПС и блока УИР, по свечению индикатора на УИР, расположенных на дверках релейных шкафов ячеек КРУ. Цвет свечения индикаторов - красный.
- Произвести сброс сигнала отключением и повторным включением питания устройства дуговой защиты, выключателем «СЕТЬ» на лицевой панели блока ЦБ. Режим «НЕСООТВЕТСТВИЕ» свидетельствует:
- о кратковременном сбое в работе датчика ПС и/или блока УИР;
- о появлении источника света большой мощности в зоне контроля соответствующей этому УИР.
Повторный режим «НЕСООТВЕТСТВИЕ» свидетельствует об отказе данного блока УИР или датчика ПС, подключенного к этому блоку УИР.
Устройство дуговой защиты БССДЗ-01/02 в режиме «НЕСООТВЕТСТВИЕ» находится в рабочем состоянии, из работы выводится только «ЛС», на которой произошел сбой. Для ввода «ЛС» в работу, отключить выключатель «СЕТЬ» на данном УИР и произвести сброс сигнала отключением и повторным включением питания выключателем «СЕТЬ» на блоке ЦБ. Из режима контроля будут выведены зоны (ячейки) КРУ, соответствующие данному блоку УИР. Все выполненные действия зафиксировать в оперативном журнале и сообщить персоналу РЗА.
14.14.4 Режим «АВАРИЯ» - свечение индикаторов: «Авария», «ЛС1», «ЛС2» или «ЛСЗ» и «МТЗ-1», «МТЗ-2» или «МТЗ-3»:
- Свечение индикаторов: «АВАРИЯ», «ЛСЗ», «МТЗ-Х» - отключение выключателя одной или нескольких отходящих ячеек;
- Свечение индикаторов: «АВАРИЯ», «ЛС2», «МТЗ-Х» - отключение вводного (и резервного) и секционного выключателей;
- Свечение индикаторов: «АВАРИЯ», «ЛС1», «МТЗ-Х» - отключение трансформатора, питающего секцию, вводного (и резервного) и секционного выключателей.
Выполнить следующие действия:
- Зарегистрировать место срабатывания датчиков дуговой защиты по свечению индикаторов на блоках УИР, расположенных на дверках релейных шкафов ячеек КРУ.
- Произвести осмотр оборудования КРУ с целью определения характера повреждений.
- Дальнейшие действия выполняются в соответствии с инструкциями по аварийным ситуациям.
14.14.5 Не горят зеленые индикаторы +12, +5. Проверить:
- наличие напряжения 220 В на шинках «ШУ» ячейки, в которой выполнено подключение устройства дуговой защиты
- по свечению индикатора «Сеть ВКЛ.» на БП проверить работу блока питания устройства дуговой защиты;
- по свечению индикаторов «+12в» и «+5в» на блоке ЦБ наличие напряжения питания на шинах устройства дуговой защиты.
- положение выключателей:
о «ПИТАНИЕ ДУГОВОЙ ЗАЩИТЫ» - «ВКЛЮЧЕНО»;
о «СЕТЬ ВКЛ.» на блоке питания БП - «ВКЛЮЧЕНО»;
о «СЕТЬ» на блоке ЦБ - «ВКЛЮЧЕНО».
При отсутствии свечения индикатора «+12в» - проверить целостность предохранителя на блоке ЦБ.
-
Все выполненные действия зафиксировать в оперативном журнале и сообщить персоналу РЗА.
Приложение 2
Вариант установки центрального блока ЦБ-02.01
Приложение 3
Приложение 4
Вариант установки УИР-12.03
Установка прибора на внутренней стороне двери.
Установка шильдика на лицевую сторону двери
Приложение 5
Лицевая панель ЦБ-02.01
Приложение 6
Защита от дуговых замыканий
Центральные цепи ЗДЗ
«ссз -ссз
Приложение 7
Функциональная электрическая схема
Приложение 8
Список используемых источников
1 Дорошев К.И. Комплектные распределительные устройства 6-35 кВ – М: Энергоатомиздат, 1982г.-376с.
2 Каталог продукции. Комплектные распределительные устройства напряжением 6(10) кВ серии К-59У1(ХЛ1).
3 Каталог продукции. Вакуумные выключатели ВВ/ТЕL.
4 Каталог продукции. Вакуумные выключатели ВБУ на 6-10 кВ; 35 кВ.
5 ГОСТ 14209-97. Руководство по нагрузке силовых масляных трансформаторов.
6 Водянников В.Т. Экономика и организация электротехнической службы сельскохозяйственных предприятий. ЮРКНИГА, 2003г.-165с.
7 Коганов И.Л. Курсовое и дипломное проектирование. 3-е изд. М: Агропромиздат, 1990г.-351с.
8 Чернобровов Н.В. Релейная защита 5-е изд. М: Энергия, 1974г.-680с.
9 Межотраслевые правила по охране труда (правила безопасности) при эксплуатации электроустановок. СПб: ДЕАН, 2004г.-208с.
10 Справочник по электроснабжению и электрооборудованию в 2-х томах Т1. Электроснабжение (под редакцией Федорова А.А.) М: Энергоатомиздат, 1986г.-568с.
11 Мишкин В.М. Молниезащита сельскохозяйственных объектов М: Колосс, 1979г.-103с
12 Шкрабак В.С. Луковников А.В. Тургиев Л.К. Безопасность жизнедеятельности в сельскохозяйственном производстве М: Колосс, 2002г.-510с.
13 Правила устройства электроустановок 6-е изд. М: ЗАО Энергосервис 2000г.-608с.
14 Техническое описание по устройству быстродействующей селективной световой дуговой защиты. ЗАО «Промэлектроника» г. Саратов. 2005г.-20с.
















