150665 (594571), страница 13
Текст из файла (страница 13)
В соответствии с международной классификацией существуют пять видов трехфазных сетей переменного тока: IT, TT, TN-C, TN-S, TN-C-S. В обозначениях типов систем заземления буквы имют следующий смысл:
Первая буква в обозначении типа системы зануления устанавливает характер зануления источника питания:
T – одна точка токоведущих частей источника питания имеет непосредственное присоединение к земле;
I – все токоведущие части источника питания изолированны от земли или одна точка токоведущих частей имеет присоединение к земле через сопротивление.
Вторая буква определяет характер зануления открытых проводящих частей электроустановки здания:
T – открытые проводящие части имеют непосредственное присоединение к земле, независимо от характера связи источника питания с землей;
N – открытые проводящие части имеют непосредственное соединение с заземленной точкой источника питания.
Последующие (за N) буквы, если таковые имеются, определяют особенности устройства нулевого защитного и нулевого рабочего проводников:
C – функции нулевого защитного (PE) и нулевого рабочего (N) проводников обеспечиваются одним общим проводником (PEN);
S – функции нулевого защитного (PE) и нулевого рабочего (N) проводников обеспечиваются разными проводниками.
При типе системы заземления IT токоведущая часть источника питания не имеет непосредственной связи с землей или заземляется через сопротивление.Открытые части электроустановки здания заземлены.
а) IT – нейтраль сети изолирована (ISOLE), корпусы электрооборудования соединены с заземляющимконтуром (TERRE) (рис 4.1.)
Рис 4.1. Трехпроводная сеть с изолированной нейтралью:
PE – защитный проводник (PROTECTION ELECTRIC).
При типе системы зануления TT источник питания имеет одну точку, непосредственно связанную с землей. Открытые проводящие части электроустановки здания соединены с заземлителем, который должен быть электрически независимым от заземлителя источника питания.
б) TT – нейтраль сети и корпусы электрооборудования соединены с заземляющим контуром (рис 4.2.)
Рис 4. Сеть TT.
В системах TN источник питания имеет непосредственно присоединенную к земле точку. Открытые проводящие части электроустановки здания присоединяются к этой точке посредством защитных проводников. В зависимости от особенностей устройства нулевого защитного и нулевого рабчего проводников различают три типа системы TN.
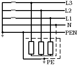
в) TN-C – нейтраль сети заземлена, корпусы электрооборудования заземлены через нейтральный проводник N, совмещены (COMBINE) рабочий и защитный нейтральные проводники (рис 4.3.)
Рис 4.3. Четырехпроводная сеть с глухозаземленной нейтралью и использованием нейтрального проводника N для зануления корпусов электрооборудования.
г) TN-S – нейтраль сети заземлена, отдельно (SEPARETE) существуют рабочий N, и защитный PE проводники (рис 4.4.)
Рис 4.4. Пятипроводная сеть с глухозаземленной нейтралью и раздельно существующими рабочим и защитным нейтральными проводниками.
д) TN-C-S – нейтраль сети заземлена, совместно существуют рабочий изащитный нейтральные проводники (рис 4.5.)
Рис 4.5. Четырех-пятипроводная сеть c глухозаземленной нейтралью и защитными проводниками.
Электрические сети типа IT и TT применяют в тех случаях, когда отсутствуют однофазные электроприемники. Сети типа ТТ более эффективны чем IT по условиям обеспечения защиты (защитное заземление и защитное отключение по току утечки). Сети TN-C имеют ограниченное применение в связи с их малой надежностью обеспечения защитных мероприятий. Наиболее широко применяются сети типа TN-S и TN-C-S.
В жилых и общественных зданиях питание электроприёмников должно выполняться от сети 380/220 В с системой заземления TN –S или TN – S – C.
При реконструкции жилых и общественных зданий, имеющих напряжение сети 220/127 В следует предусматривать перевод сети на напряжение 380/220 В с системой заземления TN – S или TN – C – S.
Питание силовых и осветительных электроприёмников рекомендуется выполнять от одних и тех же трансформаторов.
Расположение и компановка трансформаторных подстанций должны предусматривать возможность круглосуточного беспрепятственного доступа в них персонала энергоснабжающей организации.
При питании однофазных потребителей зданий от многофазной распределительной сети допускается для разных групп однофазных потребителей иметь общие N и PE проводники (пятипроводная сеть), проложенные непосредственно от ВРУ, объединение N и PE проводников (четырёхпроводная сеть с PEN проводником) не допускается.
При выборе аппаратов и приборов, устанавливаемых на вводе, предпочтение, при прочих равных условиях, должно отдаваться аппаратам и приборам, сохраняющим работоспособность при превышении напряжения выше допустимого, возникающего из-занесиметрии нагрузки при обрыве PEN или N проводника, при этом их коммутационные и другие рабочие характеристики могут не выполняться.
Рассмотрим более подробно тип системы заземления TN-C-S. В системе TN-C-S источник питания имеет непосредственную связь токоведущей части с землей. Открытые проводящие части электроустановки здания имеют непосредственную связь с заземленной токоведущей частью источника питания. Для обеспечения этой связи в питающей электрической сети и на головном, по току электроэнергии, участке электроустановки здания приминяются совмещенные нулевые защитные и рабочие проводники, в электрических цепях остальной части электроустановки здания используются отдельно нулевые защитные проводники.
При типе системы зануления TN-C-S, в отличие от системы TN-C, функции нулевого защитного и нулевого рабочего проводников объеденены в одном проводнике не во всей электроустановке здания, а только в ее части. В какой либо точке электроустановки здания PEN-проводник всегда должен разделиться на два – нулевой защитный и нулевой рабочий проводники, например, на вводе эдания - на вводном зажиме или на нулевой защитной шине ВРУ. PEN – проводникможет разделиться также в другой точке электроустановки здания, например, на вводном зажиме распределительного устройства, подключенного к ВРУ. В первом случае во всей электроустановке здания применяются два различных проводника – нулевой защитный и нулевой рабочий. Во втором случае в голомвной (по току электороэнергии) части электроустановки эдания используется PEN – проводник, а после точки его разделения – два нулевых проводника – защитный и рабочий. Открытые проводящие части соответственно присоединяются к нулевымпроводникам во всей электроустановке здания или в головной части электроустановки здания они присоединяются к PEN – проводнику, в оставшейся части – к нулевому защитному проводнику.
Питающая электрическая сеть имеет тыкое же построение как при типе системы TN-C. Хотя теоретически и возможно разделение PEN – проводника на нулевой защитный и нулевой рабочий проводники в любой точке питающей электрической сети, практически целесообразно и более надежно производить разделение PEN – проводника в электроустановке эдания, например, на вводных зажимах ВРУ.
Тип системы TN-C-S должен стать основным для электроустановок жилых здений. Обоснованность этого утверждения можно подкрепить рядом аргументов. Во первых, для реализации этой системы возможно использование существующих питающих электрических сетей. Во вторых эта система как бы яявляется логическим продолжением системы TN-C и соответствующим ей электроустановкам до 1000 В с глухозаземленной нейтралью, представленным в ПУЭ и получившим повсеместное распространениена территории страны. В третьих, при ошибках в коммутации нулевых защитных и нулевых рабочих проводников в электрических цепях, защищаемых устройств защитного отключения, последнее сразу сигнализирует об этом, отключая защищаемые электрические цепи. В четвертых, в отличие от системы TT для защиты от косвенного прикосновения возможно использование автоматических выключателей, а не только УЗО. В целом, при наличии защитного заземления в электроустановке жилого здания, система TN-C-S позволяет обеспечить надлежащий уровень электро – и пожарной безопастности при более низких затратах на строительство линий электропередач по сравнению с системой TN-S.
Реализовать систему TN-C-S для электроустановки индивидуального жилого дома достаточно просто. Разделение PEN – проводника целесообразно произвести на вводных зажимах ВРУ. Далее во всей электроустановке принимаются два проводника, нулевой защитный и нулевой рабочий проводники.
В электроустановках многоквартирных жилых домов реализация системы TN-C-S может быть проведена двумя способами. При первом способе PEN – проводник разделяется на вводном зажиме ВРУ, как это показано на (рис 4.8.), на котором электроустановки квартир условно представленны в виде однофазных электроприемников. Стояк в такой электроустановке многоквартирного жилого дома должн быть пятипроводным и включать в себя три фазных проводника, нулевой защитный и нулевой рабочий проводники. При втором способе (рис 4.9.) PEN-проводник разделяется на зажимах этажных щитков, которые подключаются к стояку. Стояк, в свою очередь, должен выполняться из четырех проводников – трех фазных проводников и PEN – проводника.
Предпочтительнее первый вариант построения электрических цепей защитных проводников, при котором во всей электроустановке жилого здания используется нулевой защитный проводник. Однако несовершенная система обслуживания электроустановки здания, открывающая жильцам доступ к стоякам и этажным щиткам, а также низкая квалификация эксплуотационного парсоналанакладывают некоторые ограничения на повсеместное применение первого варианта. Велика вероятность подключения к нулевому защитному проводнику стояка нулевых рабочих проводников какого-либо электрооборудования. Во время проведения ремонтно-эксплуотационных работ также возможно ошибочное поключение нулевых защитных зажимов этажных щитков к нулевому рабочему проводнику стояка, а нулевых рабочих зажимов к нулевому защитному проводнику. По нулевому защитному проводнику стояка будут протекать рабочие токи снижая уровень электробезопастности во всех квартирах.
4.3 РАСЧЕТ ЗАНУЛЕНИЯ ЛИФТОВОГО ЭЛ. ДВИГАТЕЛЯ
Расчет зануления имеет целью определить условия, при которых оно надежно выполняет возложенные на него задачи, – быстро отключает поврежденную установку от сети и в то же время обеспечивает безопастность прикосновения человека к зануленому корпусу в аварийный период. В соостветствии с этим зануление расчитывают на отключающую способность, а также на безопастность прикосновения к корпусу при замыкании фазы на землю (расчет заземления нейтрали) и на корпус (расчет повторного заземления нулевого защитного проводника).
Задача:
Проверить, обеспечина ли отключающая способность занулния в сети, при нулевом защитном проводнике – стальной полосе сечением S = 40*4 мм. Линия 380/220 В с аллюминиевыми проводоми 3*25 мм² питается от трансформатора 630 кВА, 10/0,4 кВ, со схемой соединения обмоток треугольник / звезда. Двигатель защищен предохранителем Iном. = 125 А.
Решение данной задачи сводится к соблюдению условия срабатывания защиты:
Iк.дейст. > Iк. доп.
Где: Iк.дейст. – действующий ток к.з.; А;
Iк.доп.. – допустимый ток к.з.; А;
-
Находим допустимый ток к.з.
Iк.доп ≥ к*Iном. (4.1.)
Где: к – коэффициент кратности плавкой вставки предохранителя, к=3
Iном. – номинальный ток плавкой вставки, Iном. = 125 А
Iк.доп ≥ к*Iном. = 3*125 = 375 А
2. Из табличного значения находим полное сопротивление трансформатора Zт. = 0,056 Ом
3. Определяем сопротивление фазного и нулевого защитного провода; Rф., xф., Rн.з., xн.з., xп. на участке линии L = 200 м по следующим формулам:
Rф. = ρ * (L / S) (4.2.)
где Rф. – фазное сопротивление проводника, Ом;
ρ – удельное сопротивление проводника, равное для аллюминия ρ=0,028 Ом*мм² / м
L – длина проводника. м;
Rф. = 0,028 * (200 / 25) = 0,224 Ом
Принимаем xф. = 0,0156 Ом / км
Находим плотность тока в стальной полосе для определения внутренних, активных rω и индуктивных xω сопротивлений по формуле
j = Iк.доп. / S (4.3.)
j = 375 / (40*4) = 2 А / мм²
По справочной литературе находим rω = 1,54, xω = 0,92 Ом / мм²
Rн.з. = rω *L (4.4.)
Rн.з. = 1,54 * 0,2 = 0,308 Ом
xн.з. = xω * L (4.5.)
xн.з. = 0,95 * 0,2 = 0,184 Ом
xп. = 0,6 * L (4.6.)















