150389 (594545)
Текст из файла
Исходные данные:
| Режим управления | Диапазон, отн. ед. | Тип двигателя | Тип и величина нагрузки, отн. ед. |
|
|
| программный | 0,1 … 0,8 | Д816-150-470 | вязкое тр.2-ого рода; к=1 | 2 | 10 |
Выполнения работы:
Основные технические характеристики двигателя Д816-150-470:
примечание:
двигатель в данном номинальном режиме используется вместе со стабилизирующей обмоткой.
Расчёт необходимых для синтеза и экспериментирования данных:
а) Электромеханическая часть:
Учитывая диапазон регулирования:
б) Двухмассовая часть:
Учитывая, что для вязкого трения 2-ого рода зависимость
от
нелинейная, линеаризуем её в рабочем диапазоне скоростей:
;
Синтез модального регулятора:
Система дифференциальных уравнений объекта регулирования:
Выберем вектор переменных состояний:
,
отсюда имеем:
Сделаем подстановку:
Решая данную систему дифференциальных:
откуда характеристический полином системы:
Нормируем характеристический полином, выбирая
где
Для отработки программного задания настроим данную систему на модульный оптимум.
Зададимся:
.
Решая данную систему с помощью комплекса MATCAD 2001., находим коэффициенты обратных связей по переменным состояния:
Определим
:
Определим зависимость частоты вращения двигателя от напряжения задания:
Определим зависимость идеальной скорости холостого хода от задания:
Для границ диапазона регулирования имеем:
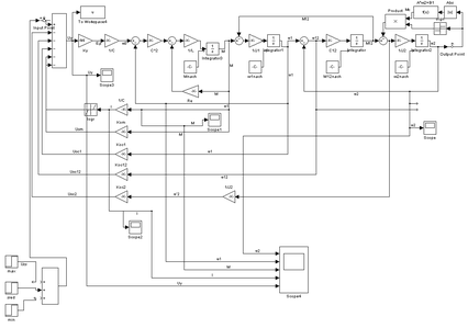
Выполним моделирование электропривода постоянного тока с управляемым преобразователем в цепи якоря и упругой механической частью.
Модель объекта управления с модальным регулятором в среде MATLAB 6.1.:
Результаты моделирования:
Пуск до
Результаты моделирования:
Пуск до
Проверка отработки задания
,
Характеристики
Тип файла документ
Документы такого типа открываются такими программами, как Microsoft Office Word на компьютерах Windows, Apple Pages на компьютерах Mac, Open Office - бесплатная альтернатива на различных платформах, в том числе Linux. Наиболее простым и современным решением будут Google документы, так как открываются онлайн без скачивания прямо в браузере на любой платформе. Существуют российские качественные аналоги, например от Яндекса.
Будьте внимательны на мобильных устройствах, так как там используются упрощённый функционал даже в официальном приложении от Microsoft, поэтому для просмотра скачивайте PDF-версию. А если нужно редактировать файл, то используйте оригинальный файл.
Файлы такого типа обычно разбиты на страницы, а текст может быть форматированным (жирный, курсив, выбор шрифта, таблицы и т.п.), а также в него можно добавлять изображения. Формат идеально подходит для рефератов, докладов и РПЗ курсовых проектов, которые необходимо распечатать. Кстати перед печатью также сохраняйте файл в PDF, так как принтер может начудить со шрифтами.















