148058 (594446), страница 3
Текст из файла (страница 3)
Амортизатор нуждается в замене или ремонте, если после раскачки передка автомобиля за крыло на стоянке колебания прекращаются более чем за два качка, а также, если (при нормальных пружинах подвески) на ходу ощущаются резкие удары. Его также нужно менять или ремонтировать при наличии течи через сальник.
Люфты в шарнирах подвески проверяются на вывешенном автомобиле. Домкрат нужно установить под опорную чашку пружины и приподнять автомобиль настолько, чтобы колесо не касалось пола, а между буфером хода отдачи, установленным на верхних рычагах, и поперечиной был зазор. В противном случае правильно определить величину люфтов не представляется возможным.
Люфты в шарнирах подвески определяют покачиванием за колесо. Зазоры в шарнирах рычагов подвески необходимы для прохода смазки и для компенсации возможных перекосов при регулировке продольного наклона шкворня. Под нагрузкой зазоры выбираются, о чем свидетельствуют односторонний износ резьбовых втулок. Поэтому даже при большой их величине эти зазоры какого-либо влияния на износ шин и устойчивости автомобиля не оказывают. На новом автомобиле зазоры в сопряжениях резьбовых втулок могут доходить до 0,3 мм. На работавших деталях допускается зазоры до 1,2 мм, по этому заменять их преждевременно не следует.
При эксплуатации автомобиля на шкворне появляются односторонний износ (вдавливание иголок подшипников), проявляющийся как «люфт шкворня».
Люфт шкворней определяются покачиванием за колесо. Шкворни нуждаются в замене или поворачивании наработавшей стороной, если бобышка стойки при покачивании смещаются относительно бобышки стойки поворотного кулака не величину более 0,3 мм.
Люфт можно устранить поворотом шкворня на 900 и тем самым нагрузить ранее наработавшие поверхности, для чего на шкворне имеется вторая полукруглая лыска. Эту операцию можно делать, не разбирая поворотного кулака. Нужно лишь удалить стопорный штифт, повернуть шкворень ключом за плоскую лыску, имеющая посредине, до совпадения отверстия под штифт со второй полукруглый лыской и в этом положении зафиксировать штифтом.
Необходимость полной разборки передней подвески возникает редко. В большинстве случаев в процессе эксплуатации автомобиля приходиться делать частичную разборку подвески для устранения отдельных неисправностей и замены изношенных или поврежденных деталей, не снимая подвески.
Ступица переднего колеса не ремонтируется и подлежит замене при ослаблении посадки одного или нескольких болтов крепления колеса, а также при износе посадочных поверхностей под наружные кольца подшипников.
Подшипники ступицы нуждаются в замене при наличии раковин на беговых дорожках внутренних и наружных колец и роликах, а также при наличии сколов на буртиках внутренних колец подшипников или трещин и разрывов 9 сепаратора. Их также нужно заменить, если подшипники потемнели от чрезмерного нагрева в случае неправильной регулировки подшипников или отсутствие смазки в ступице.
Манжета заменяется при уменьшении наружного диаметра, затвердевании рабочей кромки или наличии трещин на ней из-за «старения» резины. При уменьшении наружного диаметра уплотнение по нему может быть нарушено, а сама манжета может выйти из места заделки в ступице, позволяя, тем самым, смазке свободно вытекать в полость тормозного барабана, что недопустимо.
Кронштейн заменяется новыми, если изношены диаметры посадочных поверхностей шеек под внутренние кольца подшипников на цапфе. Допускается наращивание диаметров шеек цапфы под подшипниками хромированием с последующей шлифовкой шеек цапфы. При этом биение посадочных поверхностей должно быть выдержано в пределах 0,01 мм. Не допускается увеличение диаметров путем деформации посадочных поверхностей методом накернивания точками, выдавлением шлиц или любым другим способом. Снять уплотнитель упорного подшипника с подшипника и тщательно промыть их керосином. Упорный подшипник нужно заменить новым, если при его вращении ощущается неравномерное его вращение. Если рабочая кромка уплотнителя имеет неравномерный износ или она затвердела, или имеет трещины, то уплотнитель также нуждается в замене.
Шкворень и игольчатые подшипники, как правило, должны заменяться одновременно. Замене подлежат шкворни, у которых на концах появляется односторонний «износ», проявляющий как люфт шкворня. В том случае, когда иголки подшипника перестали вращаться в своем корпусе в результате образования ржавчины или «сухих» продуктов износа из-за нарушения периодичности технического обслуживания, то пара шкворень-подшипник также должна быть заменена. Резьбовые и резьбовые распорные втулки заменяются новыми, если радиальный зазор в их сопряжении превысил 1,2 мм или они перестали вращаться относительно друг друга из-за нарушения периодичности смазки при техническом обслуживании. В любом случае их следует заменять одновременно в паре.
Резиновые буфера хода сжатия и отдачи заменяются новыми при наличии трещин в резине или отслоении резины от металлической арматуры на буфере хода сжатия. Эксплуатация автомобиля с неисправными буферами недопустима, т.к. это может привести к поломке шаровых пальцев тяг рулевой трапеции и цапфы поворотного кулака. Кроме того, значительно снижается долговечность пружины подвески.
Пружины передней подвески заменяются в случае их поломки.
Резиновая опорная шайба пружины и защитный чехол амортизатора заменяются в случае их разрушения.
Нижние рычаги разбираются частично с удалением из больших головок рычагов резиновых и распорных втулок. Полная разборка производится, если возникает необходимость в замене рычагов или опорной чашки пружины.
Для разборки нижних рычагов установить их в тиски и закрепить за один из рычагов:
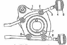
- отвернуть гайки 2 (рисунок 5.1), вынуть болты и отсоединить чашку от рычагов;
- вынуть резиновые 5 и распорные втулки 4.
Р
исунок 5.1 – Нижние рычаги подвески:
1 – опорная чашка пружины; 2 – гайка; 3 – передний нижний рычаг; 4 – распорная втулка; 5 – резиновая втулка; 6 – задний нижний рычаг; 7 – отверстие; 8 – болт.
Верхние рычаги подвески установить в тиски, закрепить их за ось 7 (рисунок 5.2) и разобрать, для чего:
- отвернуть гайки 2, болты 9, снять опору буфера 8 с буфером хода отдачи и отсоединить рычаги 6 и 10 от оси 7;
- удалить из больших головок рычагов резиновые 4 и распорные втулки 5.
Распорные втулки заменяются новыми при сильной их деформации торцев или износе средней части более чем на 0,3 мм или наличии сильной коррозии на ее поверхностях.
Пригодность рычагов определяется по износу отверстий в больших головках, при этом эллиптичность, получившаяся из-за износа, не должна превышать 0,4 мм. рычаги с большей величиной износа можно отремонтировать с применением электросварки или пайки. Кроме того, рычаги с большим кольцевым износом до 2 мм глубиной торцев малых головок из-за неправильной работы резьбовых втулок необходимо заменить на новые.
Ось верхних рычагов заменяется при ее деформации.
Резиновые втулки рычагов заменяют новыми при сильном разрушении буртиков и заметном на глаз смещении головки рычага относительно оси или пальца, что зачастую сопровождается появлением скрипа от металлического контакта а свидетельствует о полном износе втулки. Износ резиновых втулок вызывает нарушение углов установки передних колес.
Рисунок 5.2 – Верхние рычаги подвески:
1 – буфер хода отдачи; 2 – гайка; 3 – сферическая шайба; 4 – резиновая втулка; 5 – распорная втулка; 6 – передний рычаг; 7 –ось; 8 – опора буфера; 9 – болт; 10 – задний рычаг; А – выступ.
Опорные чашки пружины нуждаются в замене при их сильной деформации в результате аварийного наезда автомобилем на препятствие. При небольшой деформации допускается их правка в холодном состоянии. При обнаружении небольших трещин на чашке допускается их подварка любым видом сварки.
6. Приспособления и инструменты применяемые при техническом обслуживании и ремонте ходовой части ГАЗ 3102
Домкрат
Ключи комбинированные (рожковый – накидной)
Торцевые головки
Крестообразная отвертка
Шлицевая отвертка
Выколотки из мягкого металла.
Зубило.
Молоток.
Тиски.
Надфиль.
Бородок.
Монтажная лопатка.
Пассатижи.
Раздвижные пассатижи.
Щипцы для сжатия стопорных колец.
Щипцы для разжатия стопорных колец.
Ключ “газовый”.
Удлинители головок.
Стяжки для пружин подвески.
Динамометрический ключ
Рисунок 6.1 – Приспособление для сжатия передней подвески (7823-6709): 1 – винт; 2 – фланец; 3 – упорный подшипник; 4 и 6 – гайка; 5 – рукоятка.
Рисунок 6.2 – Ключ для поворота и выбивки шкворня.
Рисунок 6.3 – Приспособление 7823-6898 для замены резиновых втулок передней подвески: 1 – болт; 2 – шайба; 3 – фланец; 4, 5, 7 – оправки; 6 и 8 – корпуса; 9 – гайка.
Рисунок 6.4 – Съемник переднего кронштейна задней рессоры:
1 и 2 – винты; 3 – шайба; 4 – палец; 5 – гайка;
Рисунок 6.5 – Специальный ключ для отвертывания гайки резервуара амортизатора.
7. Техника безопасности при техническом обслуживании и ремонте ГАЗ 3102
Перед работой грузоподъемными приспособлениями проверять их исправность и убедиться в надежности тормоза, строп и цепи, подняв груз на небольшую высоту.
При ремонте или техническом обслуживании автомобиля вывесить на рулевое колесо табличку: Двигатель не пускать! Работают люди!
При ремонте поставить автомобиль на козелки и убедиться, что они надежно установлены. При работе под автомобилем вне осмотровой канавы, эстакады или подъемника использовать лежаки.
Домкрат при подъеме автомобиля ставить на прочную и устойчивую деревянную прокладку. Высота его подъема должна соответствовать необходимой высоте подъема автомобиля и его узлов. Работать под автомобилем можно только после установки на козелки.
Разборку и сборку колес производить на стенде или ровной чистой площадке. Накачивать шины колес в предохранительном устройстве, осаживать стопорное кольцо в это время молотком или кувалдой не допускается.
Пользоваться специальными зажимными приспособлениями при замене, разборке и сборке рессор. Проверять совпадение отверстий с помощью бородка или оправки.
Находиться и работать под автомобилем, висящем на тросе грузоподъемного механизма, не допускается.
Находясь в осмотровой канаве, осмотр и ремонт автомобиля производить в защитных очках.
Проверить надежность установки автомобиля на козелках. Оставлять автомобиль, поднятый домкратом, не разрешается.
Помещение, где проводятся ремонтные работы, должно хорошо проветриваться, дверь – легко открываться как изнутри, так и снаружи.
Проход к двери всегда держите свободным.
Во время сварочных работ держите под рукой огнетушитель (лучше углекислотный). Перед этим отключите все электронные блоки управления и аккумуляторную батарею от бортовой сети автомобиля, а “массовый” контакт сварочного провода располагайте как можно ближе к месту сварки. Проследите за тем, чтобы ток не проходил через подвижные (подшипники, шаровые опоры) или резьбовые соединения – они могут быть повреждены.
Во время “силовых” операций надевайте на руки перчатки (лучше кожаные). Для защиты глаз при точильных, сварочных и окрасочных работах надевайте очки (лучше специальные, с боковыми щитками).
По возможности пользуйтесь ромбическими или гидравлическими домкратами вместо штатных – они более устойчивы и надежны. Не применяйте неисправный инструмент: рожковые ключи с “раскрывшимся” зевом или смятыми губками, отвертки со скругленным, скрученным шлицем или неправильно заточенные, пассатижи с плохо закрепленными пластмассовыми ручками, молотки с незафиксированной рукояткой и т.п.
















