147178 (594277), страница 12
Текст из файла (страница 12)
МПа (6.23)
Напряжение изгиба при надевании кольца на поршень:
МПа (6.24)
Монтажный зазор в замке поршневого кольца:
(6.25)
мм
где
мм – минимально допустимый зазор в замке кольца во время работы двигателя;
к =11·10-6 1/К – коэффициент линейного расширения материала кольца;
ц =11·10-6 1/К – коэффициент линейного расширения материала гильзы;
Тк=493 К – температура кольца в рабочем состоянии;
Тц =383 К – температура стенок цилиндра;
То= 293 К – начальная температура.
6.3 Расчет поршневого пальца
Во время работы двигателя поршневой палец подвергается воздействию переменных нагрузок, приводящих к возникновению напряжений изгиба, сдвига, смятия и овализации. В соответствии с указанными условиями работы к материалам, применяемым для изготовления пальцев, предъявляются требования высокой прочности и вязкости. Этим требованиям удовлетворяют цементированные малоуглеродистые и легированные стали
Для расчета принимаем следующие данные:
наружный диаметр пальца dn=25 мм,
внутренний диаметр пальца db=16 мм,
длину пальца ln=80 мм,
длину втулки шатуна lш=40 мм,
расстояние между торцами бобышек b=44 мм.
Материал поршневого пальца – сталь 15Х, Е=2·105 МПа.
Палец плавающего типа.
Расчет поршневого пальца включает определение удельных давлений пальца на втулку верхней головки шатуна и на бобышки, а также напряжений от изгиба, среза и овализации.
Максимальные напряжения возникают в пальцах дизелей при работе на номинальном режиме.
Расчетная сила, действующая на поршневой палец:
– газовая
МН (6.26)
где рzmax=рz=6.356 МПа – максимальное давление газов на номинальном
режиме;
мм2 – площадь поршня;
– инерционная
МН (6.27)
где
рад/с
– расчетная
МН (6.28)
где k =0.82 – коэффициент, учитывающий массу поршневого пальца.
Удельное давление (МПа) пальца на втулку поршневой головки шатуна
МПа (6.29)
где
м – наружный диаметр пальца;
м – длина опорной поверхности пальца в головки шатуна.
Удельное давление пальца на бобышки
МПа (6.30)
Напряжение изгиба в среднем сечении пальца:
(6.31)
МПа
где =dв/dп=0.64 – отношение внутреннего диаметра пальца к наружному.
Для автомобильных и тракторных двигателей из = 100 250 МПа.
Касательные напряжения среза пальца в сечениях между бобышками и головкой шатуна:
(6.32)
Мпа
Для автомобильных и тракторных двигателей = 60 250 МПа.
Максимальная овализация пальца (наибольшее увеличение горизонтального диаметра ∆ dnmax, мм) наблюдается в его средней, наиболее напряженной части:
(6.33)
мм
где Е = 2·105 МПа – модуль упругости материала пальца.
Напряжение овализации на внешней поверхности пальца:
- в горизонтальной плоскости (точки 1, ψ=0º):
(6.34)
МПа
-в вертикальной плоскости (точки 3, ψ=90º):
(6.35)
МПа
Напряжение овализации на внутренней поверхности пальца:
- в горизонтальной плоскости (точки 2, ψ=0º):
(6.36)
МПа;
-в вертикальной плоскости (точки 4, ψ=90º):
(6.37)
МПа.
7. КОНСТРУКТОРСКИЙ РАЗДЕЛ
Конструкторский раздел предназначен для рассмотрения основной задачи данной работы — усовершенствования системы охлаждения двигателя ЗМЗ 406 применяемого на автомобилях ГАЗ 2705, 3221 «ГАЗЕЛЬ» и их модификациях. При этом изменения в двигателе принятые в тепловом расчете, т.е. форсирование двигателя для повышения его тяговых и скоростных характеристик приняты как перспективные и представляющие интерес с практической, а в данном случае еще и с теоретической точки зрения. Принимая данные, полученные в тепловом расчете, и учитывая ,что после форсирования двигателя увеличилась мощность нетто, а следовательно тепловой режим стал более напряженным был проведен расчет системы охлаждения.
7.1 Расчет жидкостной системы охлаждения
Модернизируя систему охлаждения двигателя внутреннего сгорания проведем предварительный её расчет согласно материалу, изложенному в [4]. Однако данный расчет является проверочным и ведётся в первом приближении с тем, чтобы сохранить геометрические, тепловые и иные параметры основных деталей системы охлаждения максимально унифицируя её с существующей конструкцией в случае доработки. При расчете системы охлаждения двигателя исходной величиной является количество отводимого от него в единицу времени тепла Qω (ккал/ч). Это количество может быть определено из уравнения теплового баланса, или (ориентировочно) на основании экспериментальных данных. В данной работе используем второй вариант, на основании экспериментальных данных, выбирая коэффициенты и эмпирические данные предполагая наиболее напряженный тепловой режим работы.
В качестве циркулирующей охлаждающей жидкости принимаем этиленгликолевую незамерзающую смесь (антифриз).
Таким образом, количество тепла отводимого от двигателя в единицу времени:
Qω=qωNeN=860∙85,0232∙1,36=99443,135 ккал/ч, (7.1)
где qω=860 ккал/(л.с.∙ч)— количество отводимого от двигателя тепла,
для карбюраторных ДВС обычно qω=830…860 ккал/(л.с.∙ч);
NeN=85,0232 кВт— наибольшая мощность двигателя.
Находим количество жидкости (кгс/ч), циркулирующей в системе охлаждения в единицу времени,
кгс/ч (7.2)
где сω=0,5 ккал/(кгс∙°С)— теплоемкость циркулирующей жидкости;
=5 °C— разность температур входящей в радиатор и
выходящей из него жидкости.
7.2 Расчет радиатора
Величину поверхности охлаждения радиатора в первом приближении (м2) с достаточной точностью определим по простейшей формуле и сравним с существующей (FД=20 м2):
Fp=fpNNeN=0,17∙85,0232∙1,36=19,66 м2 (7.3)
где fpN=0,17 м2/л.с.— удельная поверхность охлаждения радиатора, fpN=0,1…0,23 м2/л.с. для легковых автомобилей.
Как видно из расчетов Fp=19,66м2≈ FД=20м2, относительная разность 2%.
Емкость системы охлаждения оставим прежней, т.е. Vω=12 л.
Примерное количество проходящего через радиатор воздуха:
GL=205∙NeN=205∙85,0232∙1,36=22868 кгс/ч. (7.4)
7.3 Водяной насос
Расчетная производительность водяного насоса:
Gв.н.=Gω/ηв.н.=
/0,85=46796,7694 кгс/ч, (7.5)
где ηв.н.=0,85— коэффициент, учитывающий возможность прорыва жидкости между крыльчаткой и корпусом насоса.
Необходимая на привод водяного насоса мощность:
кВт (7.6)
где Н=7 м вод. ст.— создаваемый насосом напор;
ηh=0,65 — гидравлический КПД;
ηмех=0,8 — механический КПД водяного насоса.
Учитывая, что параметры рассчитываемого и действительного радиаторов можно принять как равные и принимая существующую емкость системы охлаждения — размеры и форму водяного насоса не рассчитываем.
7.4 Вентилятор
Для выбора из существующей номенклатуры приближенно определим производительность вентилятора по формуле:
GL=LQQω=0,3∙99443,135=29832,9405 кгс/ч, (7.7)
где LQ=0,3 кгс/ккал — удельная производительность вентилятора.
7.5 Описание предлагаемых конструктивных изменений
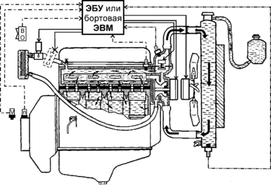
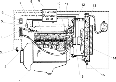
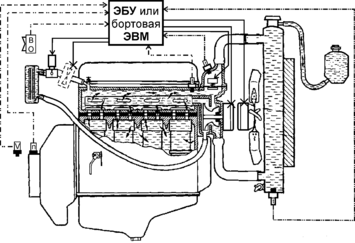
Далее будет предложен и рассмотрен вариант усовершенствования системы охлаждения рассматриваемого в данной работе двигателя ЗМЗ-406 автомобилей ГАЗ 2705, 3221 «ГАЗЕЛЬ». Описание целей и элементов доработки системы охлаждения двигателя ЗМЗ-406 по пунктам приведены ниже. Основные элементы системы и режимы работы приведены на рис. 20…24.
1. Вместо вентилятора и гидронасоса с механическим приводом от клиноременной передачи принимаются к установке вентилятор и гидронасос с электроприводом и возможностью регулировки числа их оборотов в зависимости от температуры в системе охлаждения. Цель: возможность частичной регулировки скорости потока воздуха, возможность регулировки скорости потока охлаждающей жидкости, увеличение мощности брутто двигателя за счет отсутствия затрат мощности на привод вентилятора и водяного насоса. Остальные достоинства таких систем смотреть выше в патентном обзоре.
2. Термостат заменяется термоэлектроклапаном с предохранительной пружиной из никель - титанового или иного аналогичного сплава обладающего «памятью» (см. патентный обзор), которая срабатывает когда электроклапан, по каким либо причинам вышел из строя и настроена на срабатывание при наименьшей и наивысшей предельной температурах. Цель: предотвратить эффект «залипания» термостата. Т.к. при поломке обычный термостат имеет свойство, оставаться в каком либо постоянном (крайнем, либо промежуточном) положении (говорят «залипает»). Кроме того, термоэлектроклапан, вместо классического термостата, позволит более четко и скоординировано организовать работу всех механизмов и приборов системы охлаждения, как между собой, так и с остальными механизмами двигателя посредством ЭБУ, либо бортовой ЭВМ. Магнитное поле создаваемое электроклапаном можно использовать для смягчения воды в случае возникновения ситуации, когда в систему охлаждения приходиться заливать жесткую воду.
3. В магистраль отопителя салона встраивается электромагнитный клапан вместо краника отопителя салона. Цель: более удобный способ включения, выключения отопителя (управление отопителем можно вынести на панель приборов), возможность более качественного автоматического управления прогревом двигателя и салона в зимнее время.
| Рис. 20 Циркуляция ОЖ ДВС – Радиатор – Отопитель при Nmax (зимний период) 1- ДВС; 2- датчик числа оборотов коленвала; 3- датчик скорости; 4- отопитель салона; 5- электромагнитный клапан системы отопления салона; 6- включатель – регулятор отопителя; 7- электронасос системы отопления (устанавливается только при наличии второго отопителя в автомобилях с двумя рядами пассажирских сидений и автобусах); 8- головка ДВС; 9- электронный блок управления (ЭБУ) или бортовая ЭВМ; 10- датчик температурного состояния ДВС; 11- датчик температуры охлаждающей жидкости; 12- электромагнитный клапан-термостат; 13- радиатор; 14- электровентилятор; 15- датчик температуры охлаждающей жидкости; 16- электропомпа |
П
ри работе двигателя 1 (Рис. 20) в ЭБУ 9 (бортовая ЭВМ) подаются сигналы о его температурном состоянии, датчик 10, а также о температуре охлаждающей жидкости (ОЖ), датчики 11, 15, скорости движения автомобиля, датчик 3 (или спидометр), частоте вращения коленвала, датчик 2, о состоянии отопителя сигнализирует включатель – регулятор температуры в салоне 6. В зависимости от полученных внешних данных, после обработки, из ЭБУ выходят сигналы управления на электровентилятор 14, электропомпу 16, электромагнитные клапаны 12 и 5, электронасос 7 системы отопления (устанавливается только при наличии второго отопителя 4 в фургонах с двумя рядами пассажирских сидений и автобусах). В зависимости от полученных ЭБУ 9 сигналов опишем основные режимы работы системы охлаждения, начиная от пуска двигателя до его работы при максимальных нагрузках.
1. ОЖ циркулирует по кругу ДВС 1 – Радиатор 13 – Отопитель (ли) 4 Рис. 20, максимальная нагрузка, температура в системе охлаждения t°→max, т.е. ≈90°С., клапаны 5, 12 открыты, помпа 16, вентилятор 14, насос 7 (при наличии) включены на полные обороты.
Электронасосы 16, 7 и электровентилятор 14 (Рис. 20) имеют возможность изменять частоту вращения. Функциональная схема регулирования частоты вращения вентилятора, насоса системы охлаждения и отопителя приведена на рис. 25. Температура ОЖ воспринимается терморезистором R1, имеющим отрицательный температурный коэффициент; терморезистор одновременно является одним из звеньев мостовой схемы, куда входят также резисторы R2, R3 и R4.















