147177 (594275), страница 6
Текст из файла (страница 6)
- взаимозаменяемостью однотипных модулей в БЗА.
Все платы и модули могут быть заменены однотипными непосредственно на месте установки устройства ЦЗА-27,5-ФКС без какой-либо аппаратной настройки.
При замене модуля контроллера автоматики необходимо во вновь установленный модуль ввести уставки и программные ключи данного устройства ЦЗА-27,5-ФКС, а также установить текущее время. Конфигурация, уставки и сетевой адрес могут быть записаны в память контроллера автоматики предварительно, до установки его в БЗА. Информация в отдельно хранящемся модуле сохраняется не менее 5 лет, часы-календарь обеспечивают отсчет времени в течение не менее 200 ч.
Вышедшие из строя платы, модули или устройство ЦЗА-27,5-ФКС в целом, если его невозможно восстановить заменой съемных модулей, должны ремонтироваться на предприятии-изготовителе. Ремонт неисправных модулей производит предприятие, обеспечивающее гарантийное и послегарантийное обслуживание, адрес которого указан в паспорте на устройство ЦЗА-27,5-ФКС.
При проведении текущего ремонта следует соблюдать меры безопасности, изложенные в п. 3.2.
ПРИМЕЧАНИЕ Внимание! Запрещается извлекать и вставлять в БЗА модули или платы без отключения его от сети питающего напряжения.
4.4 Функции самодиагностики
В устройстве ЦЗА-27,5-ФКС осуществляется тест по начальному включению, непрерывный функциональный контроль аппаратных средств, контроль сохранности программного обеспечения и настроек параметров защит и автоматики.
Самодиагностика работы устройства выполняется в течение всего времени работы устройства ЦЗА-27,5-ФКС и обеспечивает:
- контроль связи контроллера автоматики с контроллером защит;
- контроль связи контроллера автоматики с БУ;
Работа программ микроконтроллеров в контроллере защит, контроллере автоматики и в БУ защищена от "зависания" схемами "сторожевого таймера".
Результаты самодиагностики анализируются контроллером автоматики, который выявляет одно из трёх состояний устройства:
- "устройство исправно";
- "частичный отказ устройства" – система диагностики обнаружила неисправность, не влияющую на выполнение основных функций устройства – функций защит;
- "отказ устройства" – система диагностики обнаружила неисправность, препятствующую выполнению функций защит.
Сигналы, индицирующие эти состояния устройства, а также выполняемые при этом действия приведены в таблице 6. Результаты самодиагностики выводятся на дисплей блока управления, а также доступны по каналам АСУ. При полном отказе устройства или при длительном (более 1 с) пропадании оперативного напряжения АСУ это выявляет как потерю связи с устройством. В устройстве ЦЗА-27,5-ФКС предусмотрен тестовый режим диагностики (в окне меню ДИАГНОСТИКА), позволяющий контролировать работоспособность дискретных входов и выходов, органов управления и индикации на лицевой панели БУ и цифровой аппаратной части устройства. Изменение состояния выходных дискретных сигналов в тестовом режиме ДИАГНОСТИКА возможно только после ввода пароля.
Таблица 6-Самодиогностика
| Состояние устройства | Индикация состояния | Действия, выполняемые по результатам самодиагностики |
| "Исправно" | Индикатор "Работа" включен | Штатная работа устройства |
| "Неисправность" | Индикатор "Работа" мигает* | Блокируется команда включения ВВ; формируется сигнал "Вызов". |
| "Отказ" | Индикатор "Работа" выключен | Блокируется выдача всех выходных сигналов, кроме сигнала "Отказ ЦЗА". |
ПРИМЕЧАНИЕ * - индикатор "Работа" может мигать и вследствие других причин, формирующих обобщенный сигнал "Вызов"; конкретная причина мигания при этом автоматически высвечивается на дисплее блока управления и доступна по каналам АСУ
4.5 Меры безопасности при техническом обслуживании
Все работы по техническому обслуживанию при использовании устройства ЦЗА-27,5-ФКС должны проводиться только после обеспечения условий, блокирующих срабатывание силового оборудования и исключающих создание аварийных ситуаций на объекте использования.
Обслуживающий персонал, проводящий техническое обслуживание, должен иметь группу по электробезопасности персонала не ниже III для обслуживания электроустановок напряжением до 1000 В.
ПРИМЕЧАНИЯ
1) ВНИМАНИЕ: к клеммным соединителям БУ и БЗА подводятся постоянные и переменные напряжения до 300 В!
2) ЗАПРЕЩАЕТСЯ отключать от клеммных соединителей Х1…Х6 НЕОБЕСТОЧЕННЫЕ ЦЕПИ!
Блоки БЗА и БУ изготавливаются с применением негорючих и трудногорючих веществ и материалов в соответствии с требованиями ГОСТ 12.1.004, не содержат веществ и материалов, опасных для жизни, здоровья человека или окружающей среды.
Правила пожарной безопасности и взрывобезопасности должны соответствовать правилам, действующим на объекте.
Таблица 12-Виды технического обслуживания
| Виды технического обслуживания | |||||||
| Пункт РЭ | Наименование объекта технического обслуживания и работы | проверка (наладка) при новом включении | первый профиактический контроль | профилактический контроль | тестовый контроль | технический осмотр | |
| 3.3.1 | Внешний осмотр | + | + | + | - | + | |
| 3.3.2 | Внутренний осмотр | - | - | + | - | - | |
| 2.2.5.4 | Затяжка винтовых соединений | + | + | + | - | + | |
| 2.2.5.5 | Качество заземления | + | + | + | - | + | |
| 2.2.5.3 | Правильность монтажа | + | - | + | - | - | |
| 2.2.3 | Проверка сопротивления изоляции | + | + | + | + | + | |
| 2.2.4.2 | Тестовая проверка работоспособности | + | + | + | + | + | |
| 2.2.6 | Настройка | + | - | - | - | - | |
| 2.2.6.10 | Сохранность в памяти параметров настройки | + | + | + | + | + | |
| 2.2.7 | Проверка рабочим напряжением | + | + | + | - | - | |
| 3.3.11 | Взаимодействие с защищаемым объектом | + | + | + | - | - | |
| 3.3.12 | Очистка | - | + | + | - | - | |
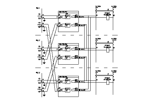
4.6 Пример схемы подключения устройств ЦЗА-27,5-ФКС при резервировании защит фидеров контактной сети
4.7 Настройка
Настройка устройства ЦЗА-27,5-ФКС.
Настройка устройства ЦЗА-27,5-ФКС заключается в выполнении следующих операций:
- установка сетевого адреса данного устройства в АСУ;
- установка показаний часов и календаря;
- задание конфигурации защит и автоматики программными ключами;
- ввод уставок для функций защит и автоматики, а также сервисных функций.Все операции настройки осуществляются с пульта блока управления в соответствующих кадрах меню, отображаемых на дисплее пульта БУ. Выбор кадров меню, движение по ним и изменение параметров настройки осуществляется с помощью кнопок, функции которых приведены в таблице 10.
Примечания
1) В исходном состоянии на дисплей блока управления выводится начальный кадр с текущими значениями тока и напряжения фидера контактной сети;
2) Дисплей автоматически переключается на индикацию начального кадра, если в течение 5 мин не была нажата ни одна кнопка на пульте БУ.
3) Содержание кадров меню и работа с ним приведены в приложении З.
Рисунок 4.- Схема подключения устройств ЦЗА-27,5-ФКС к АСУ
Поля параметров, подлежащие изменению, выделяются миганием. Изменение параметров с помощью органов управления БУ возможно только в режиме МУ после введения пароля. Режим просмотра настроек с помощью органов управления БУ доступен как в режиме МУ, так и в режиме ДУ.
Для ввода уставок необходимо:
- перевести устройство в режим местного управления (если светился светодиод "ДУ", то необходимо нажать кнопку "ДУ/МУ");
- выбрать нужный набор уставок ("1" или "2") кнопкой "УСТАВКА".
- войти в кадр "ОСНОВНОЕ МЕНЮ" (нажать кнопку "МЕНЮ")
- войти в кадр "УСТАВКИ" (стрелками подвести курсор к нужной строке и нажать кнопку "ВВОД");
- последовательно входя в кадры конкретных видов защит (ТО, НДЗ и т.д.), устанавливать их параметры путем подведения мигающего курсора к очередной цифре и изменения ее при помощи стрелок ("ВВЕРХ" или "ВНИЗ").
При вводе (изменении) уставок и параметров необходимо учитывать:
- основные технические данные защит – обозначения и допустимые диапазоны уставок, их дискретность (см. таблицу 4);
- параметры функций автоматики (см. таблицу 5);
- параметры сервисных функций (см. таблицу 6);
После окончания редактирования настроек массив информации следует переписать из блока БУ в блок БЗА. Для этого необходимо выполнить пункт меню "ЗАПИСАТЬ". После ввода пароля в память контроллера автоматики переписываются значения введенных настроек устройства. Выбор нужного набора уставок ("1" или "2") может управляться через дискретный вход "Прогр. 2" или по каналу АСУ. Выбор способа управления набором уставок задается в меню "КОНФИГУРАЦИЯ". Конфигурации защит и автоматики, а также выбор значений уставок для конкретного фидера производится, исходя из требований действующих нормативных документов, в частности:
- ЦЭ-462. Правила устройства системы тягового электроснабжения железных дорог Российской Федерации;
- ЦЭТ-24. Руководящие материалы по релейной защите систем тягового электроснабжения.
Для фидера контактной сети надо выбрать и просчитать комплект из трех защит (основная, резервная и дополнительная), удовлетворяющих 4-м основным требованиям: чувствительность, селективность, отстроенность от нормальных режимов и быстродействие. Основная защита служит для отключения с наименьшим временем срабатывания только одного пораженного участка (ближней зоны), ограниченного выключателями, примыкающими к этому участку. Ближнее резервирование используется для резервирования основных защит своего выключателя, а дальнее – для резервирования защит других выключателей (например, на посту секционирования). Дополнительные защиты и блокировки используются для улучшения чувствительности и селективности основных и резервных защит.
В таблице 11 приведен рекомендуемый состав основных, резервных и дополнительных защит для тяговых подстанций, постов секционирования и пунктов параллельного соединения для различных режимов работы и схем питания контактной сети. Рассчитанные значения уставок могут быть скорректированы по результатам измерения устройствами ЦЗА-27,5, установленными на отходящих присоединениях, конкретных параметров аварийных процессов при проведения опытных коротких замыканий.
Контроль сохранности в памяти параметров настройки
Снять оперативное питание с устройства. Через 1…2 мин вновь подать оперативное питание и убедиться в сохранности параметров настройки и правильности показаний часов.
Перед началом эксплуатации рекомендуется обнулить накопительную информацию.
Для обнуления накопительной информации нужно на дисплее БУ выйти в "ОСНОВНОЕ МЕНЮ", выбрать подменю "СЧЕТЧИК СОБЫТИЙ", в нем выбрать строку "ОЧИСТИТЬ" и нажать кнопку "ВЫБОР".
После выполнения пп. 2.2.6.1 ÷ 2.2.6.11 устройство ЦЗА-27,5-ФКС готово к эксплуатации на объекте.
ПРИМЕЧАНИЕ – Внимание! После внесения любых изменений в настройку устройства ЦЗА-27,5-ФКС следует выполнять пункт 2.2.6.6.
5. Диагностирование микропроцессорных защит при помощи современных приборов















