147177 (594275), страница 2
Текст из файла (страница 2)
Защита, измерительный орган которой сравнивает значения или фазы токов в разных концах защищаемого объекта или в параллельных ветвях, присоединенных к общим шинам, называется дифференциальной токовой защитой. Если сравниваются токи разных концов защищаемого объекта, например, линии – рисунок 1, а, то дифференциальная защита является продольной, если же сравниваются токи, например, параллельных линий рисунок 1, б, то – поперечной. Для передачи в измерительный орган информации о значениях и фазах сравниваемых токов используют вспомогательные провода. Дифференциальные защиты относятся к защитам с взаимной связью. Они обладают абсолютной селективностью и являются быстродействующими.
Защиты, для которых воздействующей величиной является напряжение, называются защитами напряжения, вольтметровыми или потенциальными. В качестве измерительного органа в них применяется реле напряжения. В трехфазных системах такую защиту можно выполнить, включая реле не только на полные фазные и линейные напряжения, но и на их симметричные составляющие. В последнем случае повышается чувствительность к тем видам к.з., которые сопровождаются существенной несимметрией напряжений. Для этого реле напряжения включают через фильтры симметричных составляющих напряжений.
В линиях электропередачи напряжением 35 кВ и выше, в контактных сетях переменного тока широко используют дистанционные защиты. В качестве измерительного органа этих защит применяют реле сопротивления.
Дистанционная защита в отличие, например, от токовой, реагирует не на один признак, а на три: ток, напряжение и фазовый угол между ними. Такая защита более четко отличает ненормальные режимы от нормальных и способна выявить к.з. даже в том случае, если ток к.з. меньше тока нормального режима.
В тяговых сетях получила распространение так называемая телеблокировка (устройство телеотключения), которая, как и высокочастотная защита, относится к защитам с продольной взаимной связью. При срабатывании АК1 на одном конце линии и отключении, например, выключателя Q1 – рисунок 1, а, на выключатель Q2, находящийся на другом конце линии, по каналам телемеханики подается команда на отключение.
В релейной защите находят применение и такие измерительные органы, для которых воздействующая величина не является электрической. Так, для трансформаторов используют газовую, а для преобразовательных агрегатов тяговых подстанций – тепловую защиту. Измерительный орган первой реагирует на интенсивность газообразования трансформаторного масла, а второй – на температуру полупроводниковых приборов.
Функциями релейной защиты являются: срабатывание (выдача команды на отключение) при к.з. в защищаемой зоне на контролируемом объекте; несрабатывание при отсутствии к.з. в защищаемой зоне; несрабатывание при к.з. за пределами зоны защиты. Действия защиты, выполняемые в соответствии с указанными функциями, являются верными.
Однако в силу тех или иных причин, например, отказов элементов защиты, внешних электромагнитных помехах и т. п., защита может действовать неправильно: не сработать при к.з. в зоне защиты (отказ срабатывания), сработать при отсутствии повреждений на защищаемом объекте (ложное срабатывание), сработать при к.з. за пределами зоны защиты (излишнее срабатывание). Неправильные действия защиты относятся к отказам ее функционирования. Отказ функционирования при к.з. приводит к тяжелым повреждениям электрооборудования, распределительных устройств, пережогу проводов контактной сети и т.д., а отказ функционирования в нормальном режиме работы защищаемого объекта влечет за собой прекращение питания потребителей.
Для обеспечения правильного функционирования защита должна обладать определенными свойствами: селективностью, устойчивостью функционирования, надежностью функционирования. Обобщенным показателем качества защиты является эффективность ее функционирования.
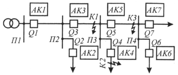
Селективность (избирательность). Это свойство заключается в способности с заданным быстродействием отключать с помощью выключателей только поврежденный элемент системы. Рассмотрим, например, электрическую сеть, связывающую источник питания П1 с подстанциями П2, ПЗ, П4 – рисунок 2. На отдельных участках установлены выключатели Q1, Q2,..., Q7, каждый из которых имеет самостоятельное устройство релейной защиты АК1, АК2,..., АК7.
По принципу селективности, если к.з. произошло в точке К2, должен отключиться выключатель Q4, а при к.з. в точке КЗ — выключатель Q5. Селективность защиты обеспечивает отключение минимального возможного участка и, следовательно, сохранение нормального электроснабжения максимального числа потребителей.
Рисунок 2 – Схема электрической сети
Короткие замыкания в пределах защищаемой данной защитой зоны называются внутренними, а за пределами этой зоны — внешними. Если защита способна реагировать только на внутренние повреждения, то ее селективность является абсолютной. Таким свойством обладают, например, продольные дифференциальные защиты и токовые отсечки. В ряде случаев, однако, к защите предъявляется требование срабатывать и при внешних к.з., т.е. неселективно. Защита, которая селективно срабатывает в обычных условиях только при внутренних к.з., но может при необходимости отключить и внешние к.з., обладает относительной селективностью. Защиты с относительной селективностью используются для резервирования выключателей смежных участков.
Селективность при внутренних к.з. характеризуется защитоспособностью и быстродействием. Защитоспособностью называется свойство, обеспечивающее способность защищать контролируемый объект при всех видах к.з. В ряде случаев, однако, защита может не реагировать на некоторые к.з. Часть контролируемой линии, в пределах которой данная защита не реагирует на к.з., называется мертвой зоной. Мертвые зоны перекрываются обычно резервными защитами.
Быстродействие защиты определяется необходимым временем отключения короткого замыкания. Чем меньше время отключения повреждения, тем:
-
выше устойчивость параллельной работы генераторов электростанций (нарушение синхронизма является наиболее тяжелой аварией в энергосистеме);
-
меньше разрушения изоляции, токоведущих частей, а также конструкций электротехнических аппаратов, оборудования и сетей;
-
меньше продолжительность снижения напряжения, отрицательно влияющего на технологические процессы, работу электроподвижного состава и условия безопасности (снижение напряжения, например, в высоковольтных линиях питания автоблокировки может привести к неверному действию или погасанию светофоров, а это связано с безопасностью движения поездов);
-
выше эффективность действия АПВ и АВР, так как чем меньше время существования к.з., тем меньше вероятность разрушения оборудования.
Устойчивость функционирования. Это свойство характеризуется чувствительностью к коротким замыканиям при внутренних к.з., а также отстроенностью (нечувствительностью) при внешних к.з. и отстроенностью от нормальных режимов (при отсутствии к.з).
Чувствительность – это способность защиты реагировать на повреждения в защищаемой зоне при самых неблагоприятных условиях. Чем дальше место повреждения от источника питания, тем меньше ток к.з. Значение этого тока еще больше снижается, если энергосистема работает в минимальном режиме, а замыкание произошло через переходное сопротивление электрической дуги. В этих условиях ток удаленного к.з. может быть соизмерим с током нормального режима и обеспечить чувствительность защиты достаточно трудно.
Надежность. Это свойство определяется, как способность объекта выполнять заданные функции, сохраняя во времени значения установленных эксплуатационных показателей в заданных пределах, соответствующих заданным режимам и условиям использования, технического обслуживания, ремонтов, хранения и транспортирования.
Для релейной защиты характерны два режима: дежурства (ожидания) и тревоги. В режиме дежурства защита находится при нормальной работе защищаемого объекта, а также при тех повреждениях в защищаемой зоне и за ее пределами, при которых эта защита не должна выдавать выходного сигнала на отключение выключателя. Режим тревоги соответствует появлению в защищаемой зоне тех видов повреждений, на которые данная защита должна реагировать путем отключения выключателя. Иными словами, в релейную защиту в режиме тревоги поступает требование срабатывания, а в режиме дежурства – требование несрабатывания.
В общем случае, в каждом из режимов действие защиты может быть верным или неверным. В режиме дежурства верное действие не сопровождается отключением выключателя, а неверное действие приводит к излишнему (неселективному) или ложному отключению. В режиме тревоги верное действие вызывает отключение выключателя, а неверное – не вызывает. Таким образом, надежность функционирования релейной защиты заключается в ее надежном срабатывании при поступлении требования срабатывания и надежном несрабатывании при поступлении требования несрабатывания.
На релейную защиту постоянно воздействует множество случайных факторов, каждый из которых может вызвать ее неверное действие (отказ). Эти факторы можно разделить на две группы. Факторы первой группы связаны с нарушением работоспособности собственно аппаратуры релейной защиты, которая характеризуется аппаратурной (элементной) надежностью. Ко второй группе относятся так называемые внешние факторы, которые не зависят от показателей надежности самой аппаратуры защиты. Внешними факторами являются помехи в цепях измерительных трансформаторов, первичных датчиков и источниках оперативного питания, изменение режимов работы и схемы питания защищаемого объекта, срабатывание разрядников на шинах и высоковольтных линиях при атмосферных и коммутационных перенапряжениях, броски тока при АПВ, недостаточная или излишняя чувствительность защиты, неверный выбор уставки и т. п. Надежность функционирования (эксплуатационная надежность) учитывает обе группы событий.
Надежность функционирования оценивается рядом показателей: вероятностью безотказной работы, параметром потока отказов, периодичностью отказов срабатывания, излишних и ложных действий и др.
Для повышения надежности функционирования важное значение имеют правильная эксплуатация и своевременная ревизия защиты. Надежность защиты стремятся повысить, применяя наиболее простые схемы и устройства, содержащие небольшое число элементов, особенно элементов с низкой надежностью. В связи с этим предпочтительно применение бесконтактных элементов, микроэлектроники.
Повышение надежности АК в режиме тревоги достигается также путем резервирования и дублирования защит. Различают основные и резервные защиты.
Основная защита реагирует на повреждения в пределах данной защищаемой зоны или защищаемого элемента со временем, меньшим, чем другие защиты рассматриваемой системы электроснабжения. Резервная защита должна реагировать на повреждения вместо основной, если последняя неисправна или выведена из работы. Резервная защита, установленная совместно с основной и воздействующая на тот же выключатель, осуществляет так называемое ближнее резервирование, или дублирование. Резервная защита, отключающая данный выключатель при внешнем повреждении (при повреждении на смежном элементе), если защита или выключатель смежного элемента отказали, осуществляет дальнее резервирование. Так, при относительной селективности защиты АК3, воздействующей на выключатель Q3 (см. рис. 2), эта защита является основной для зоны между подстанциями П2, П3 и резервной для зоны между подстанциями П3, П4, а также для выключателя Q4 и подключенной к нему линии.
2. Современное состояние релейной защиты на устройствах тягового электроснабжения
2.1 Микропроцессорные защиты
Общие положения. Перспективным направлением в теории и практике релейной защиты является использование микропроцессоров (МП) и микро-электронно вычислительных машин (микро-ЭВМ), разработка на их основе защит, получивших название микропроцессорных или программных. Микропроцессор - программно-управляемое устройство, обрабатывающее цифровую информацию и управляющее в соответствии с хранимой в памяти программой. Микро-ЭВМ - цифровая ЭВМ с интерфейсом ввода-вывода, состоит из микропроцессора, памяти программ, памяти данных, пульта управления и источников питания. Микропроцессоры и микро-ЭВМ составляют основу вычислительных систем (ВС), являющихся центральной частью микропроцессорных релейных защит. В состав вычислительных систем могут входить один или несколько МП или микро-ЭВМ, образуя соответственно однопроцессорную, много- (мульти-) процессорную, одномашинную или многомашинную вычислительные системы релейной защиты. Обработка информации в многопроцессорных и многомашинных вычислительных системах может осуществляться одновременно как по независимым программам, так и по независимым на отдельных участках ветвям программы.
Применение МП и микро-ЭВМ для выполнения функций релейной защиты обусловлено их широкими функциональными возможностями, обеспечивающими создание защит нового поколения практически любой сложности и высокой надежности.
Рисунок 1 - Обобщенная структурная схема микропроцессорной релейной защиты
ИП – измерительный преобразователь;
ВС1 – входное согласование;
Ф – частотной фильтрацией;
АЦП – аналого-цифровом преобразователе;
ВС2 – выходного согласования;
Х1 – входного сигнала;
Х’1 – прошедший фильтрацию аналоговый сигнал;
U – сигналами управления;
ИО – исполнительные органы
Описание и работа устройства ЦЗА-27,5-ФКС
Назначение ЦЗА-27,5-ФКС
Устройство ЦЗА-27,5-ФКС предназначено для выполнения функций защиты и автоматики, контроля и сигнализации, местного и дистанционного управления фидером контактной сети переменного тока напряжением 27,5 кВ. Устройство ЦЗА-27,5-ФКС может включаться в автоматизированную систему управления (АСУ) подстанции в качестве подсистемы нижнего уровня. В этом случае двусторонний обмен информацией с АСУ производится по стандартному последовательному каналу связи.















