144270 (594035), страница 2
Текст из файла (страница 2)
у всіх приміщеннях, окрім сан. вузлів, складів, харчових приміщень, пралень та інших допоміжних приміщень запроектований лінолеум;
в сан. вузлах запроектована підлога з плитки;
в харчових та допоміжних приміщеннях - лінолеум.
Вибір конструктивного рішення підлоги виконаний виходячи з економічної обґрунтованості та забезпечення надійності і довговічності.
Рис.1.3 Санітарні вузли: 1 - плита перекриття; 2 - гідроізоляція; 3 - стяжка з цементного розчину; 4 - керамічна плитка на цементному розчині.
Рис.1.4 Підлога з ліноулему: 1 - монолітна плита перекриття; 5 - звукоізоляційна прокладка; 6 - панель основи підлоги; 7 - лінолеум на мастиці.
Рис.1.5 Паркетна підлога: 1 - монолітна плита перекриття; 5 - звукоізоляційна прокладка; 3 - стяжка з цементного розчину; 8 - паркет на мастиці.
В будинку для переміщення між поверхами передбачено двоє внутрішніх сходів. Внутрішні сходи запроектовані збірними і складаються з збірних маршів, збірних площадок і збірних накладних проступів. Встановлюються з нахилом не більше 1; 2 для всіх сходів. Ширина маршів задовольняє вимоги пожежної безпеки (ширина маршів більше 1 метра).
Вікна запроектовані по ГОСТ 11214-78. Конструктивні розміри записані в таблицю 1.1
Таблиця 1.1
| позначення | розміри, мм | |
| висота | ширина | |
| ОК1 | 2400 | 1900 |
| ОК2 | 3000 | 870 |
| ОК3 | 1760 | 2070 |
| ОК4 | 1760 | 2680 |
| ОК5 | 1760 | 2370 |
Двері запроектовані за ГОСТ 6629-745*. Класифікація та розміри дверей наведені в таблиці 1.2
Таблиця 1.2
| Позначення | Тип дверей | Розмір проєму, мм | |
| ширина | висота | ||
| Д1 | одно полі | 710 | 2100 |
| Д1 | одно полі | 970 | 2100 |
| Д3 | двох полі | 1518 | 2100 |
| Д4 | двох пола, двостороння | 1518 | 2100 |
| Д5 | розсувні, двох полі | 1,17 | 2,755 |
Покрівля - по прогонах, виконується з двох шарів профнастилу, з шаром утеплювача. Просторова жорсткість забезпечується за допомогою вертикальних і горизонтальних в’язів.
Внутрішнє оздоблення - щекатурка цегляних поверхонь з пофарбуванням клейовими розчинами. Оздоблення санвузлів та душових - керамічною плиткою. Металеві та дерев’яні поверхні (віконні рами, дверні блоки, колони, стеля та інше) фарбується масляними розчинами.
1.5 Теплотехнічний розрахунок зовнішніх стін
Вихідні дані:
Київська область;
температура внутрішнього повітря
;
відносна вологість внутрішнього повітря
;
зона вологості - нормальна;
температурна зона - Ι;
режим вологості приміщення - нормальний;
умови експлуатації огороджуючої конструкції -Б.
Розрахункова формула опору теплопередачі огороджуючої конструкції:
(1.1)
Де
(1.2) –
опір теплосприйняттю внутрішньої поверхні огороджуючої конструкції, тут
- коефіцієнт теплоприйняття внутрішньої поверхні зовнішньої стіни;
(1.3) –
опір тепловіддачі зовнішньої поверхні огороджувальної конструкції, тут
- коефіцієнт тепловіддачі зовнішньої поверхні огороджуючої конструкції;
(1.4) –
термічний опір зовнішньої стіни,
- товщина шару утеплювача.
В якості утеплювача беремо пінополіуретан з щільністю
Рис.1.6 Схема зовнішньої стіни
Тоді опір теплопередачі зовнішньої стіни:
Визначаємо нормативний опір теплопередачі огороджувальної конструкції:
(1.6)
де
- розрахункова температура внутрішнього повітря.
(1.7) –
нормативний опір теплопередачі зовнішньої стіни при розрахунковій температурі внутрішнього повітря 18°с.
(1.8) – о
пір теплопередачі зовнішньої стіни забезпечується.
2. Розрахунково-конструктивна частина
2.1 Вихідні дані
Район будівництва м. Київ.
Кліматичні умови та навантаження:
температура зовнішнього повітря найбільш холодної п’ятиденки - 23°С;
характеристичне снігове навантаження для другого району 156 кгс/м2 (ДБН В.1.2-2-2006 СНБС);
характеристичне снігове навантаження для другого району 30 кгс/м2 (ДБН В.1.2-2-2006 СНБС);
постійні навантаження від власної ваги конструкції прийнята по кресленням завдання та проектам-аналогам.
2.2 Опис конструкції
Несучий каркас будівлі адміністративного корпуса виконаний по рамно-в’язевій схемі. Сітка колон 6×6 метрів. Колони будівлі із зварних двотаврів. Міжповерхові перекриття виконані у вигляді металевих балок з залізобетонною плитою по залізобетонному профнастилу, виконано у якості замикаючої опалубки. Обпирання балок на колони шарнірне. Покриття легка крівка: утеплювач з мінераловатних плит по стальному профнастилу, прогонами з прокатних швелерів та двотаврів і крокв’яними балками з зварних двотаврів. Просторова жорсткість, стійкість та геометрична незмінність конструкції каркасу будівлі забезпечується системою вертикальних в’язей по колонах та жорстким защемленням їх в фундаментах.
2.3 Підбір перерізу балки настилу двотаврового профілю першого поверху Б4
Підбираємо переріз балки двотаврового профілю для балочної клітки нормального типу з металевим настилом та розміром чарунки 6х6 за даними:
Тимчасове характерне навантаження, розподілене по перекриттю –
Крок балок настилу - а, см =150;
Сталевий настил товщиною - 8 мм;
Сталь для балок - С245;
Граничний відносний прогин - 1/210.
Рис.2.1 Розрахункова схема.
Визначаємо навантаження. Прогонне характеристичне та розрахункове навантаження на балку відповідно дорівнюють:
Де
- коефіцієнти надійності щодо навантаження відповідно для постійного і тимчасового навантажень;
- власна вага настилу, де t - товщина настилу, м;
- власна вага 1 м балки. Яку попередньо назначають 0,3-0,5 кн/м2.
Визначаємо розрахункові зусилля. Максимальний момент:
(2.3)
Підберемо та перевіримо переріз балки. За формулою:
-
розрахунок на міцність елементів, які згинаються в одній з головних площин;
При значенні
знаходимо потрібний момент опору:
(2.5)
За значенням
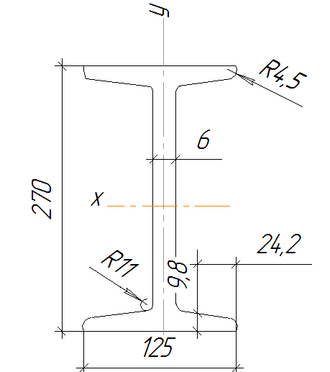
, з таблиці1 ГОСТ 8239-72* підбираємо переріз балки з прокатного двотавра. Даному моменту відповідає двотавр №27.
Рис.2.2 Схема двотавра №27.
Перевіряємо жорсткість балки. Визначимо прогин від нормативного навантаження:
(2.6)
і зробимо висновок.
Рис.2.3 Схема розташування елементів перекриття на позначці 3.600
Підбір перерізу головної балки Б1
Навантаження на головну балку передаються від балок настилу. Для головної балки ширина грузової площі дорівнює кроку головних балок.
Навантаження на головну балку в балочній клітці нормального типу можна враховувати як рівномірно розподілену, в зв’язку з малим кроком балок настилу.
Нормативне і розрахункове навантаження на головну балку:
Де
- крок головних балок, м;
- коефіцієнт, що враховує власну вагу головної балки (з досвіду проектування 1-2% навантаження, що припадає на балку).
Розрахунковий згинаючий момент в середині прольоту:
(2.9)
Поперечна сила на опорі:
(2.10)
Рис.2.4 Епюра зусиль в балці
Потрібний момент спротиву січення балки:
(2.11)
Для балок висотою 1-2м значення товщини стінки можна визначити з імперичної формули:
(2.12) Де
Оптимальна висота балки з умови найменшого використання матеріалу:
(2.13)
Де k - коефіцієнт, що залежить від конструктивного оформлення (для зварних балок k=1,15-1,2).
Найменша допустима висота балки визначається з умови жорсткості:
(2.14)
Де
- граничне відношення прогину балок до прольоту, що регламентується нормами в залежності від призначення балок.
Остаточна висота балки назначається з врахуванням наступних вимог:
(2.15)
Приймаємо
Висоту балки раціонально приймати кратну 100мм, якщо для стінки не використовувалась універсальна сталь. При виборі висоти балки можливі відступи від
на
, що приводить до зміни маси балки на 3 - 5%.
Для визначення найменшої товщини стінки із умови роботи на зрізання для балок оптимального січення з
, можна скористатися формулою:
(2.16)
Де
(2.17)
З умови забезпечення місцевої стійкості балки без додаткового зміцнення її ребрами жорсткості необхідне виконання умови:
















