125840 (593163), страница 4
Текст из файла (страница 4)
По пропускной способности производительность определяют, применяя формулу:
[13, стр. 223] (10.1.1)
где
– коэффициент подачи или использования шнека, зависящий от длины шнека, зазоров между шнеком и стенкой цилиндра и пр., практически принимают
; D – наружный диаметр шнека (по виткам), м; d – диаметр вала шнека, м; n – число оборотов шнека в минуту; t – шаг шнека, м;
– плотность продукта, кг/м3 (для мяса 1100 кг/м3).
Определяем потребную мощность с достаточной точностью по формуле:
[13, стр. 224] (10.1.2)
где q – удельный расход электроэнергии (при диаметре 2–3 мм q=3,5–4,5 кВт ч/т и при диаметре 16–25 мм q=1,5–2,0 кВт ч/т); Q – производительность, кг/ч;
– КПД приводного механизма (0,85 – 0,9).
10.2 Кинематический расчёт
Кинематический расчет (рис. 10.1) привода питающего шнека:
1. Определяем передаточное отношение каждой передачи:
, [14, стр. 6] (10.2.1)
где z1 и z2 – число зубьев ведущего и ведомого колеса или звездочки; d1 и d2 – делительные диаметры колес, шкивов, мм; ω1 и ω 2 – угловые скорости ведущего и ведомого валов, рад/с; n1 и n2 – число оборотов ведущего и ведомого валов.
2. Определяем частоту вращения каждого вала:
[14, стр. 7] (10.2.2)
[14, стр. 7] (10.2.3)
3. Определяем угловую скорость на каждом валу:
[14, стр. 7] (10.2.4)
4. Определяем вращающий момент на каждом валу:
[14, стр. 8] (10.2.5)
, [14, стр. 8] (10.2.6)
где Nдв – мощность электродвигателя, Вт; ω – угловая скорость вала двигателя, рад/с; U1 – передаточное отношение передачи между валами; Η – КПД передачи между валами.
Кинематический расчет привода рабочего шнека:
1. Определяем передаточное отношение каждой передачи:
2. Определяем частоту вращения каждого вала:
3. Определяем угловую скорость на каждом валу:
4. Определяем вращающий момент на каждом валу:
Кинематический расчет привода перемешивающих валов:
1. Определяем передаточное отношение каждой передачи:
2. Определяем частоту вращения каждого вала:
3. Определяем угловую скорость на каждом валу:
4. Определяем вращающий момент на каждом валу:
Кинематический расчет привода разгрузочного шнека:
1. Определяем передаточное отношение каждой передачи:
2. Определяем частоту вращения каждого вала:
3. Определяем угловую скорость на каждом валу:
4. Определяем вращающий момент на каждом валу:
10.3 Прочностной расчет
Прочностной расчет зубчатой передачи:
Так как в задании нет особых требований в отношении габаритов передачи, выбираем материалы со средними механическими характеристиками (см. гл. III, табл. 3.3): для шестерни: сталь 45, термическая обработка – улучшение, твердость НВ 230; для колеса – сталь 45, термическая обработка – улучшение, но твердость на 30 единиц ниже НВ 200.
Допускаемые контактные напряжения
[14, стр. 292] (10.3.1)
где σHlimb – предел контактной выносливости при базовом числе циклов.
По табл. 3.2 гл. III для углеродистых сталей с твердостью поверхностей зубьев менее НВ 350 и термической обработкой (улучшением):
σHlimb= 2НВ + 70, [14, стр. 292] (10.3.2)
где KHL – коэффициент долговечности ; при числе циклов нагружения больше базового, что имеет место при длительной эксплуатации редуктора, принимают KHL = 1; коэффициент безопасности [SH] = 1,10.
Для косозубых колес расчетное допускаемое контактное напряжение по формуле (3,10) гл. III:
[σH] = 0,45([σH1] + [σH2]). [14, стр. 293] (10.3.3)
Для шестерни:
.
Для колеса:
Тогда расчетное допускаемое контактное напряжение:
[σH] = 0,45(482 + 428) = 410 МПа.
Требуемое условие [σH] < 1,23 [σH2] выполнено.
Коэффициент KHβ, учитывающий неравномерность распределения нагрузки по ширине венца, примем по табл. 3.1. Несмотря на симметричное расположение колес относительно опор, примем значение этого коэффициента, как в случае несимметричного расположения колес, так как со стороны клиноременной передачи действует сила давления на ведущий вал, вызывающая его деформацию и ухудшающая контакт зубьев: KHβ = 1,25.
Принимаем для косозубых колес коэффициент ширины венца по межосевому расстоянию ψba = b /aω = 0,4.
Межосевое расстояние из условия контактной выносливости активных поверхностей зубьев:
где для косозубых колес Ка = 43, а передаточное число нашего редуктора i=3.
Ближайшее значение межосевого расстояния по ГОСТ 2185–66 aw = 125 мм.
Нормальный модуль зацепления принимаем по следующей рекомендации:
mn = (0.01 ÷ 0.02) аω=(0,01 ÷ 0,02) · 125=1,25÷2,5 мм.
Принимаем по ГОСТ 9563 – 60 mn = 1,25 мм.
Примем предварительно угол наклона зубьев β = 10° и определим числа зубьев шестерни и колеса:
.
Тогда:
.
Принимаем z1 = 49; тогда Z2 = Z1 · i = 49·3= 147=147.
Уточненное значение угла наклона зубьев:
;
Тогда:
, β = 11°25'.
Основные размеры шестерни и колеса:
диаметры делительные:
Проверка:
aω = 0,5(d1 + d2) = 0,5(62,5+187,5) = 125мм.
Диаметры вершин зубьев:
dа1 = d1 + 2mn = 62,5 + 2 • 1,25 = 65 мм;
dа2 = d2 + 2mn= 187,5 + 2 • 1,25 = 190 мм;
ширина колеса:
b2 = ψва · аω =0,4 · 125= 50мм;
ширина шестерни:
b1 = b2 + 5 мм = 55 мм.
Определяем коэффициент ширины шестерни по диаметру:
Окружная скорость колес и степень точности передачи
При такой скорости для косозубых колес следует принять 8-ю степень точности.
Коэффициент нагрузки:
КН = КНβ · КНα · КНυ [14, стр. 294] (10.3.4)
Значения KHβ даны в табл. 3.5; при Ψbd= 0,88, твердости НВ < 350 и несимметричном расположении колес относительно опор с учетом изгиба ведомого вала KHβ = 1,08.
По табл. 3.4 при v = 0,26 м/с и 8-й степени точности KHa =1,06. По табл. 3.6 для косозубых колес при v < 5 м/с имеем KHv = 1,0.
Таким образом, КН = 1,08 · 1,06 · 1=1,145
Проверка контактных напряжений по формуле:
Таким образом:
.
Силы, действующие в зацеплении:
окружная:
радиальная:
осевая:
Fа = Ft·tgβ = 860·tg11°25'=167H
Проверяем зубья на выносливость по напряжениям изгиба:
<[σF], [14, стр. 295] (10.3.5)
Здесь коэффициент нагрузки:
КF = КFβ · КFυ [14, стр. 295] (10.3.6)
По табл. 3.7 при
= 0,88, твердости НВ < 350 и несимметричном расположении зубчатых колес относительно опор KFβ = 1,17. По табл. 3.8, KFv = 1,1. Таким образом, коэффициент KF = 1,17 • 1,1 = 1,287; YF – коэффициент, учитывающий форму зуба и зависящий от эквивалентного числа зубьев zv:
у шестерни:
у колеса:
YFl = 3,64 и YF2 = 3,60.
Определяем коэффициенты
и
по формулам:
,
где средние значения коэффициента торцового перекрытия
; степень точности n=8.
Допускаемое напряжение:
[14, стр. 296] (10.3.7)
По табл.3.9 для стали 45 улучшенной при твердости HB< 350 σ0Flimb = 1,8HB.
Для шестерни:
σ0Flimb =
= 415 МПа;
Для колеса:
σ0Flimb =
=360 МПа.
[SF] = [SF]'[SF]" – коэффициент безопасности, где [SF]' = 1,75, [SF]" = 1 (для поковок и штамповок). Следовательно, [SF] = 1,75.
Допускаемые напряжения:
для шестерни:
[σF1] =
= 237 МПа;
для колеса:
[σF1] =
=206 МПа.
Проверку на изгиб следует проводить для того зубчатого колеса, для которого отношение
меньше. Найдем эти отношения:
для шестерни:
для колеса:
Проверку на изгиб проводим для колеса:
Предварительный расчет проведем на кручение по пониженным допускаемым напряжениям.
Ведущий вал:
Допускаемое напряжение на кручение примем [τк] = 25 МПа. Это невысокое значение принято с учетом того, что ведущий вал испытывает изгиб от напряжения клиноременной передачи.
Определим диаметр выходного конца вала
мм.
Принимаем ближайшее большое значение из стандартного ряда dB1=25 мм и dП1=30 мм.
Ведомый вал:
Допускаемое напряжение на кручение [τк] = 20 МПа.
Определяем диаметр выходного конца вала
мм.
Принимаем ближайшее большое значение из стандартного ряда dB2=40 мм, dП1=45 мм и dК1=50 мм.
Прочностной расчет зубчатой передачи:
Так как в задании нет особых требований в отношении габаритов передачи, выбираем материалы со средними механическими характеристиками (см. гл. III, табл. 3.3): для шестерни: сталь 45, термическая обработка – улучшение, твердость НВ 230; для колеса – сталь 45, термическая обработка – улучшение, но твердость на 30 единиц ниже НВ 200.
Допускаемые контактные напряжения:
где σHlimb – предел контактной выносливости при базовом числе циклов.
По табл. 3.2 гл. III для углеродистых сталей с твердостью поверхностей зубьев менее НВ 350 и термической обработкой (улучшением):
σHlimb= 2НВ + 70;
где KHL – коэффициент долговечности ; при числе циклов нагружения больше базового, что имеет место при длительной эксплуатации редуктора, принимают KHL = 1; коэффициент безопасности [SH] = 1,10.
Для косозубых колес расчетное допускаемое контактное напряжение по формуле (3,10) гл. III:
[σH] = 0,45([σH1] + [σH2])
Для шестерни:
Для колеса:
Тогда расчетное допускаемое контактное напряжение:
[σH] = 0,45(482 + 428) = 410 МПа.
Требуемое условие [σH] < 1,23 [σH2] выполнено.
Коэффициент KHβ, учитывающий неравномерность распределения нагрузки по ширине венца, примем по табл. 3.1. Несмотря на симметричное расположение колес относительно опор, примем значение этого коэффициента, как в случае несимметричного расположения колес, так как со стороны клиноременной передачи действует сила давления на ведущий вал, вызывающая его деформацию и ухудшающая контакт зубьев: KHβ = 1,25.
Принимаем для косозубых колес коэффициент ширины венца по межосевому расстоянию ψba = b /aω = 0,4.
Межосевое расстояние из условия контактной выносливости активных поверхностей зубьев:
где для косозубых колес Ка = 43, а передаточное число нашего редуктора i = 3,22.
Ближайшее значение межосевого расстояния по ГОСТ 2185–66 aw = 200 мм.
Нормальный модуль зацепления принимаем по следующей рекомендации:
mn = (0.01 ÷ 0.02) аω=(0,01 ÷ 0,02) · 200=2÷4 мм
Принимаем по ГОСТ 9563 – 60 mn = 2,5 мм.
Примем предварительно угол наклона зубьев β = 10° и определим числа зубьев шестерни и колеса:
Принимаем z1 = 37; тогда Z2 = Z1 · i = 37·3,22= 119,14=119.
Уточненное значение угла наклона зубьев:
; β = 12°50'.
Основные размеры шестерни и колеса:
диаметры делительные:
Проверка:
aω = 0,5(d1 + d2) = 0,5(94,9+305,1) = 200мм.
Диаметры вершин зубьев:
dа1 = d1 + 2mn = 94,9 + 2 • 2,5 = 99,9 мм;
dа2 = d2 + 2mn= 305,1 + 2 • 2,5 = 310,1 мм;
ширина колеса:
b2 = ψва · аω =0,4 · 200= 80мм;
ширина шестерни:
b1 = b2 + 5 мм = 85 мм.
Определяем коэффициент ширины шестерни по диаметру:
Окружная скорость колес и степень точности передачи
При такой скорости для косозубых колес следует принять 8-ю степень точности.
Коэффициент нагрузки:
КН = КНβ · КНα · КНυ
Значения KHβ даны в табл. 3.5; при Ψbd= 0,896, твердости НВ < 350 и несимметричном расположении колес относительно опор с учетом изгиба ведомого вала KHβ = 1,08.
По табл. 3.4 при = 3,6 м/с и 8-й степени точности KHa =1,09. По табл. 3.6 для косозубых колес при < 5 м/с имеем KHv = 1,0.
Таким образом, КН = 1,08 · 1,09 · 1=1,1772.
Проверка контактных напряжений:
Силы, действующие в зацеплении:
окружная:
радиальная:
осевая:
Fа = Ft·tgβ = 1935·tg12°50'=411H
Проверяем зубья на выносливость по напряжениям изгиба:
<[σF]
Здесь коэффициент нагрузки
КF = КFβ · КFυ
По табл. 3.7 при
= 0,896, твердости НВ < 350 и несимметричном расположении зубчатых колес относительно опор KFβ = 1,17. По табл. 3.8, KFv = 1,3. Таким образом, коэффициент KF = 1,17 • 1,3 = 1,521; YF – коэффициент, учитывающий форму зуба и зависящий от эквивалентного числа зубьев zv:
у шестерни
у колеса
YFl = 3,70 и YF2 = 3,60.
Определяем коэффициенты
и
:
Допускаемое напряжение:
По табл.3.9 для стали 45 улучшенной при твердости HB< 350 σ0Flimb = 1,8HB.
Для шестерни:
σ0Flimb =
= 415 МПа;
для колеса:
σ0Flimb =
=360 МПа.
[SF] = [SF]'[SF]" – коэффициент безопасности, где [SF]' = 1,75, [SF]" = 1 (для поковок и штамповок). Следовательно, [SF] = 1,75.
Допускаемые напряжения:
для шестерни:
[σF1] =
= 237 МПа;
для колеса:
[σF1] =
=206 МПа.
Проверку на изгиб следует проводить для того зубчатого колеса, для которого отношение
меньше. Найдем эти отношения:
Для шестерни:
Для колеса:
Проверку на изгиб проводим для колеса:
Предварительный расчет проведем на кручение по пониженным допускаемым напряжениям.
Ведущий вал:
Допускаемое напряжение на кручение примем [τк] = 25 МПа. Это невысокое значение принято с учетом того, что ведущий вал испытывает изгиб от напряжения клиноременной передачи.
Определим диаметр выходного конца вала
мм.
Принимаем ближайшее большое значение из стандартного ряда dB1=35 мм и dП1=40 мм.
Ведомый вал:
Допускаемое напряжение на кручение [τк] = 20 МПа.
Определяем диаметр выходного конца вала
мм.
Принимаем ближайшее большое значение из стандартного ряда dB2=60 мм, dП2= 65 мм и dК2=70 мм.
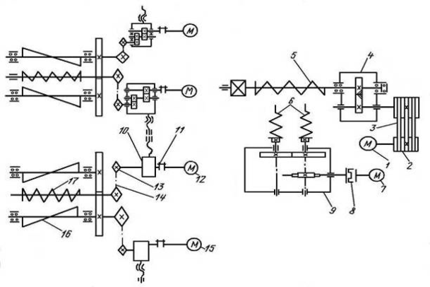
Рис. 10.1 Кинематическая схема посолочного агрегата Я2-ФРЛ:
1, 7, 12, 15 – электродвигатели; 2 – шкивы; 3 – клиноременная передача; 4, 9, 10 – редукторы; 5 – рабочий шнек измельчителя; 6 – питающие шнеки измельчителя; 8, 11 – муфты; 13 – звездочки; 14 – цепные передачи; 16 – перемешивающие валы; 17 – разгрузочный шнек.
11. Составления графика планово-предупредительного ремонта
11.1 Расчет трудоемкости работ и числа обслуживающего персонала
Составим график ППР посолочного агрегата при двухсменной работе, если последним был капитальный ремонт, проведенный в ноябре прошлого года.
Посолочный агрегат Я2-ФРЛ имеет:
-
категория ремонтной сложности – R = 6;
-
разряд ремонтного цикла – IV;
-
структура ремонтного цикла:
К-О-О-О-О-О-Т-О-О-О-О-О-С-О-О-О-О-О-Т-О-О-О-О-О-К
-
продолжительность ремонтного цикла – 24 месяца;
-
сменность работы оборудования – 2.
-
Определяем продолжительность межремонтного периода:
[3; стр.7] (11.1.1)
где
- длительность ремонтного цикла;
– количество средних ремонтов в ремонтном цикле;
– количество текущих ремонтов в ремонтном цикле.
-
Определяем продолжительность межосмотрового периода:
[3; стр.8] (11.1.2)
где
– количество осмотров в ремонтном цикле.
3. Определяем норму времени на осмотр, текущий, средний и капитальный ремонты одной ремонтной единицы:
[6; стр.172] (11.1.3)
где а – норма времени одной ремонтной единицы, ч; R – категория ремонтной сложности.
На осмотры:
На текущий ремонт:
На средний ремонт:
На капитальный ремонт:
4. Определяем количество планируемых на год осмотров, текущих, средних и капитальных ремонтов; для чего строим ось времени.
Принимаем, что капитальный ремонт посолочного агрегата Я2-ФРЛ был в начале ноября 2008 года:
| Текущий год | Планируемый год | |||||||||||||
| Н | Д | Я | Ф | М | А | М | И | И | А | С | О | Н | Д | |
| 11 | 12 | 1 | 2 | 3 | 4 | 5 | 6 | 7 | 8 | 9 | 10 | 11 | 12 | |
| К | О | О | О | О | О | Т | О | О | О | О | О | С | О | |
Осмотров –10;
Текущих ремонтов –1;
Средних ремонтов –1;
Капитальных ремонтов – 0.
5. Определяем затраты труда на год:
На осмотры:
На текущий ремонт:
На средний ремонт:
Определяем общие затраты труда:
6. Определяем затраты труда на проведение слесарных, станочных и прочих видов работ при осмотрах, средних и текущих ремонтах:
, [6; стр.172] (11.1.5)
, [6; стр.172] (11.1.6)
[6; стр.172] (11.1.7)
При осмотрах:
При текущем ремонте:
При среднем ремонте:
Трудоемкость прочих работ:
7. Определяем нужную численность рабочих:
Слесарей:
Станочников:
Прочих:
Общая численность рабочих:
Принимаем для технического обслуживания посолочного агрегата Я2-ФРЛ человека с привлечением его на другие работы.
12. Электротехническая часть
12.1 Расчет сечения проводов, плавких вставок и подбор магнитных пускателей
Расчет сечения проводов, плавких вставок и подбор магнитных пускателей привода питающего шнека.
Асинхронный двигатель имеет номинальную мощность Nн = 5 кВт, и число оборотов n=1460 об/мин, при напряжении Uн=380 В.
Определить сечение проводов, проложенных в трубе тип магнитного пускателя, выбрать плавкие вставки для защиты питающих проводов.
Длина питающей линии l =25 м.
Допускаемая потеря напряжения в лини равна 5%.
1. Зная Nн = 5 кВт и n=1460 об/мин, находим основные данные двигателя [5; табл.1]:
ηн=0,86
cos φн=0,85
2. Номинальный ток двигателя:
[15, стр. 87] (12.1.1)
Тогда:
3. Пусковой ток двигателя:
[15, стр. 87] (12.1.2)
.
Находим сечение алюминиевых проводов S=2,5 мм2, допускающих токовую нагрузку 19 А, что больше 10 А [5; табл.2].
4. Проверяем выбранное сечение по потере напряжение:
[15, стр. 87] (12.1.3)
где γ=32
– удельная проводимость алюминия.
Тогда:
или в процентах:
5. Выбираем реверсивный магнитный пускатель тепловой защитой типа ПМЕ–222II величины. Предельная мощность включаемого электродвигателя при напряжении 380В равна 10 кВт, что больше 5 кВт [5; табл.3].
6. Расчетный ток плавкой вставки
[15, стр. 88] (12.1.4)
Тогда:
.
Принимаем стандартную вставку на 35 А.
Расчет сечения проводов, плавких вставок и подбор магнитных пускателей привода рабочего шнека.
Асинхронный двигатель имеет номинальную мощность Nн = 20 кВт, и число оборотов n=1460 об/мин, при напряжении Uн=380 В.
Определить сечение проводов, проложенных в трубе тип магнитного пускателя, выбрать плавкие вставки для защиты питающих проводов.
Длина питающей линии l =25 м.
Допускаемая потеря напряжения в лини равна 5%.
1. Зная Nн = 20 кВт и n=1460 об/мин, находим основные данные двигателя [5; табл.1]:
ηн=0,897
cos φн=0,89
2. Номинальный ток двигателя:
3. Пусковой ток двигателя:
Находим сечение алюминиевых проводов S=10 мм2, допускающих токовую нагрузку 47 А, что больше 38 А [5; табл.2]
4. Проверяем выбранное сечение по потере напряжение:
или в процентах:
.
5. Выбираем реверсивный магнитный пускатель тепловой защитой типа-ПА–422IV величины. Предельная мощность включаемого электродвигателя при напряжении 380В равна 28 кВт, что больше 20 кВт [5; табл.3].
6. Расчетный ток плавкой вставки
Принимаем стандартную вставку на 125 А.
Расчет сечения проводов, плавких вставок и подбор магнитных пускателей привода перемешивающих валов.
Асинхронный двигатель имеет номинальную мощность Nн = 3 кВт, и число оборотов n=760 об/мин, при напряжении Uн=380 В.
Определить сечение проводов, проложенных в трубе тип магнитного пускателя, выбрать плавкие вставки для защиты питающих проводов.
Длина питающей линии l =25 м.
Допускаемая потеря напряжения в лини равна 5%.
1. Зная Nн = 3 кВт и n=760 об/мин, находим основные данные двигателя [5; табл.1]:
ηн=0,815
cos φн=0,7
2. Номинальный ток двигателя:
3. Пусковой ток двигателя:
Находим сечение алюминиевых проводов S=2,5 мм2, допускающих токовую нагрузку 19 А, что больше 8 А [5; табл.2]
4. Проверяем выбранное сечение по потере напряжение:
или в процентах:
5. Выбираем реверсивный магнитный пускатель тепловой защитой типа ПМЕ–122I величины. Предельная мощность включаемого электродвигателя при напряжении 380В равна 4 кВт, что больше 3 кВт [5; табл.3].
6. Расчетный ток плавкой вставки:
Принимаем стандартную вставку на 25 А.
Расчет сечения проводов, плавких вставок и подбор магнитных пускателей привода разгрузочного шнека.
Асинхронный двигатель имеет номинальную мощность Nн = 3 кВт, и число оборотов n=960 об/мин, при напряжении Uн=380 В.
Определить сечение проводов, проложенных в трубе тип магнитного пускателя, выбрать плавкие вставки для защиты питающих проводов.
Длина питающей линии l =25 м.
Допускаемая потеря напряжения в лини равна 5%.
1. Зная Nн = 3 кВт и n=960 об/мин, находим основные данные двигателя [5; табл.1]:
ηн=0,83
cos φн=0,78
2. Номинальный ток двигателя:
3.Пусковой ток двигателя:
Находим сечение алюминиевых проводов S=2,5 мм2, допускающих токовую нагрузку 19 А, что больше 7 А [5; табл.2].
4. Проверяем выбранное сечение по потере напряжение:
или в процентах:
5. Выбираем реверсивный магнитный пускатель тепловой защитой типа ПМЕ–122I величины. Предельная мощность включаемого электродвигателя при напряжении 380В равна 4 кВт, что больше 3 кВт [5; табл.3].
6. Расчетный ток плавкой вставки:
Принимаем стандартную вставку на 20 А.
13. Монтаж машины
13.1 Общие сведения о монтаже
С завода оборудование в упакованном виде на станции отправления грузят на транспорт, после чего ответственность за сохранность его несет транспортная организация (чаще – железная дорога).
При получении оборудования на станции назначения заказчик принимает его: проверяет количество мест – ящиков и состояние упаковки. Оборудование, отправленное без упаковки, осматривают в целом, а также проверяют состояние отдельных узлов и деталей. Если установлены недостача мест или повреждений упаковки, заказчик с участием представителя транспортной организации составляет коммерческий акт, на основании которого немедленно после принятия груза предъявляют рекламацию. Под рекламацией понимают требования об установлении недостатков оставленной продукции или о снижении цены, а также возмещении убытков.
Оборудование со станции на монтажную площадку доставляет заказчик. После доставки производят наружный осмотр ящиков с частичной распаковкой, проверяя при этом комплектность поставки, наличии и полноту технической документации, отсутствие повреждений, наличие заглушек, ответных фланцев, сохранность окраски и т.д. При полной комплектности поставки и отсутствии повреждений оборудование снова упаковывают. Результат осмотра оформляют актом.
В случае обнаружения дефектов или некомплектности составляют акт, на основании которого предъявляют рекламацию заводу-изготовителю (поставщику). Завод-изготовитель устраняет дефекты и заменяет детали, вышедшие из строя по вине завода в течение гарантийного срока, считая со дня отгрузки оборудования. Рекламации принимаются только при условии выполнения потребителем требований, изложенных в заводском руководстве (инструкции) по монтажу и эксплуатации. Рекламация может быть предъявлена в пределах сроков, определенных условиями поставки грузов. В некоторых случаях вызывают представителя поставщика для решения вопроса о способе устранения заводских дефектов (допоставка, замена) с определением конкретных сроков. Заводские дефекты устраняют безвозмездно за счет поставщика. Дефекты, возникшие при транспортировке, устраняют за счет транспортных организаций.
Условия хранения оборудования должны соответствовать указаниям заводов-изготовителей. Для хранения используют открытые площадки (металлоконструкции, цистерны), общие или индивидуальные навесы, закрытые неутепленные склады (сепараторы без электродвигателей, насосы, компрессоры), закрытые утепленные склады (фасовочные автоматы, щиты управления).
При длительном хранении не реже 1 раза в год производят контрольный осмотр оборудования, в некоторых случаях ревизию и переконсервацию (снятие старой смазки, чистка и нанесение новой смазки). Эти работы входят в обязанность заказчика.
Оборудование в монтаж принимают на приобъектном складе. В приемке участвуют представитель технадзора заказчика, представитель монтажной, а иногда шефмонтажной организации. Оборудование распаковывают, оставляя при необходимости салазки, осматривают без разборки на узлы и детали, при этом сверяют наличие оборудования, запасных частей и инструмента с упаковочной ведомостью или заводской спецификацией. Кроме того, проверяют наличие пробок, заглушек, ответных
фланцев, а также отсутствие видимых дефектов (трещины, поломки, раковины и т.д.). Приемку оформляют актом, а в необходимых случаях – предъявлением рекламации поставщику. Дефекты устраняет завод-изготовитель или заказчик (изготовление фланцев, болтов и т.д.).
Предмонтажную ревизию (пересмотр) оборудования производят при хранении его свыше 9 месяцев силами и средствами заказчика. До начала ревизии тщательно изучают техническую документацию заводов-изготовителей. Затем разбирают оборудование, заменяют поврежденные детали и узлы и устраняют замеченные дефекты. Сборку производят в последовательности, обратной разборке. При необходимости заменяют смазку подшипников. Оборудование, поступающее в опломбированной таре, не ревизуют.
Импортное оборудование принимают в монтаж в основном в том же порядке, что и отечественное. Однако упаковку вскрывают в присутствии представителя (эксперта) Бюро товарных экспертиз, которое входит в состав Всесоюзной Торговой Палаты. Результат вскрытия оформляется актом экспертизы. В случае обнаружения недостачи или повреждений акт направляют Всесоюзному объединению (например, «Технопромимпорт»), которое предъявляет рекламацию соответствующему экспортному объединению.
После получения импортного оборудования заказчик обязан представлять соответствующему импортному объединению следующую документацию: акт осмотра оборудования, сообщение о сроках начала монтажа, акт о дефектах оборудования, акт испытания и окончательной приемки оборудования, информацию о качестве оборудования в течение гарантийного срока. Ее представляют в сроки, указанные в договоре. За несоблюдение их к заказчику применяют штрафные санкции.
В акте о дефектах оборудования указывают его наименование. При недостаче отдельных деталей это отмечают в спецификациях или упаковочных листах. Уценку указывают в процентах от номинальной стоимости оборудования. В некоторых случаях к акту прикладывают фотографии или эскизы деталей, анализы (незаинтересованной) лаборатории, заключения экспертизы.
13.2 Расчет фундамента
Исходные данные для расчета фундамента:
-
масса машины с сырьем
;
-
расстояние между осями фундаментных болтов a=4125мм и b=2410мм;
-
высота наземной части фундамента Н1=100мм;
-
глубина заложения Н2=500мм;
-
нормативное давление на грунт II категории Рн=200кПа;
-
коэффициент уменьшения
;
-
удельный вес бетона
.-
Определяем площадь подошвы фундамента:
-
[7, стр. 137] (13.2.1)
где
– припуск подошвы;
;
-
Определяем объем фундамента:
[7, стр. 137] (13.2.2)
где Н – общая высота фундамента, м;
Н=0,1+0,5=0,6м
3. Определяем вес фундамента:
4. Определяем фактическое давление на грунт:
[7, стр. 137] (13.2.4)
Тогда:
Следовательно, фундамент с принятыми размерами спроектирован правильно.
13.3 Технологическая схема монтажа машины
14. Общие сведения об эксплуатации
К работе на агрегате допускаются лица, изучившие его устройство и приемы работы, прошедшие инструктаж по обслуживанию и технике безопасности.
Пуск агрегата производят в следующей последовательности:
-
устанавливают тележку с сырьем в захват подъемника;
-
включают подъемник и выгружают сырье из тележки в бункер измельчителя;
-
включают измельчитель и начинают измельчать мясо;
-
включают подъемник, опускают тележку и перекатывают ее под разгрузочный патрубок;
-
по мере заполнения дежи измельченным мясом включают лопастные валы мешалок и разгрузочный шнек на перемешивание;
-
по окончании замеса шнек переключают на разгрузку, направление вращения лопастных валов должно быть навстречу друг другу, что обеспечит постоянную загрузку разгрузочного шнека.
В процессе работы необходимо следить за своевременной загрузкой бункера измельчителя, не допуская работы режущего механизма без сырья, что может повлечь поломку ножей и повышенный износ решеток.
Запрещается в момент подъема тележки находиться под грузом, вводить руки в зону перемешивающих валов и в дежу, работать на агрегате при открытых или снятых дверцах машины, при нарушении или отсутствии заземления, эксплуатировать агрегат при неработающих блокировочных устройствах.
После окончания работы необходимо произвести санитарную обработку агрегата в соответствии с «Правилами техники безопасности и производственной санитарии для мясной промышленности».
15. Экономическая часть
15.1 Расчет капитальных и текущих затрат при внедрении нового оборудования
Расчет экономической эффективности начинается с расчета капитальных затрат. Капитальные затраты – это единовременные затраты на внедрение нового мероприятия.
[11, стр. 159] (15.1.1)
где Кз – капитальные затраты на внедрение новой техники, руб.; С – стоимость нового оборудования по цене его приобретения, руб.; Зд – затраты на доставку оборудования по соответствующим тарифам, руб.; Зм – затраты на монтажные работы, руб.
Если внедрение нового оборудования требует расширение и переустройство зданий, то к капитальным затратам прибавляют стоимость строительных работ по соответствующим нормам и расценкам.
При замене действующего оборудования новым, капитальные затраты определяются по формуле:
[11, стр. 159] (15.1.2)
где Кз – капитальные затраты на замену действующего оборудования новым, руб.; Ос – остаточная стоимость заменяемой техники, руб.; Здем – затраты на демонтаж, руб.; Вр – выручка от реализации заменяемой техники, руб.
При наличии нескольких вариантов новой техники для выбора более эффективной из них рассчитывают сравнительную экономическую эффективность вариантов. Для этого по каждому варианту определяют приведенные затраты по формуле:
[12, стр. 208] (15.1.3)
где Зпр – приведенные затраты, руб.; Сi – себестоимость единицы продукции по каждому варианту, руб.; Ен – нормативный коэффициент эффективности использования капитальных затрат, Ен =0,15; Кyi – удельные капитальные затраты по каждому варианту, руб.
Для выявления преимущества новой техники по сравнению с действующей или другими вариантами рассчитывают себестоимость единицы продукции по всем статьям затрат или только по тем, которые изменяются.
Расчет капитальных и текущих затрат при сравнении двух вариантов однотипного оборудования ведется с использованием исходных данных, приведенных в таблице 15.1.1
Таблица 15.1.1 Исходные данные
| Наименование показателя | Наименование и марка оборудования | |
| Агрегат Р3-ФХТ для измельчения и посола мяса | Посолочный агрегат Я2-ФРЛ | |
| 1. Паспортная часовая производительность, кг/ч 2. Время эффективной работы оборудования за смену, час 3. Режим работы предприятия (число рабочих смен в год) 4.Суммарная мощность электродвигателей, кВт 5. Габаритные размеры, мм - длина - ширина - высота 6. Число рабочих обслуживающих оборудование, чел. 7. Разряд рабочего 8. Часовая тарифная ставка по разряду, руб. 9. Стоимость оборудования, руб. | 2000 7,5 500 29,7 3580 3100 3112 2 5 2744,00 43000000 | 3500 7,5 500 38,2 4325 2610 3112 2 5 2744,00 56000000 |
Для выполнения расчетов экономической эффективности внедрения производства новой техники использованы нормативные и справочные данные, приведенные в таблице 15.1.2/
Таблица 15.1.2 Нормативные и справочные данные
Наименование показателя | Единица измерения | Значение показателя |
| 1. Стоимость 1 кВт электроэнергии 2. Стоимость 1 кв. м производственной площади 3. Расходы на доставку 4. Расходы на монтаж 5. Размер премии рабочего 6. Доплаты и дополнительная заработная плата 7. Отчисления в органы социального страхования 9. Отчисления в фонд обязательного страхования 10. Норма амортизации - оборудования - зданий 11. Расходы на содержание и текущий ремонт - оборудования - зданий 12. Расходы на обтирочные и смазочные материалы 13. Расходы на охрану труда и технику безопасности 14. Расходы по обслуживанию производства и управлению ремонтным хозяйством | руб. руб. % % % % % % % % % % % % % | 228 402000 15 10 30 30 35 0,8 15,2 1,2 5,5 4,4 2 3 110 |
Определение годового объема производства продукции
Годовой объем производства продукции определяется по формуле:
[12, стр. 64] (15.1.4)
где Вг – годовой объем продукции, т; Пчас – паспортная часовая производительность оборудования, т/ч; tэф – время эффективной работы оборудования за смену, час; Р – количество рабочих смен в год.
Годовой объем производства продукции по сравниваемым вариантам техники равен:
2·7,5·500=7500т
3,5·7,5·500=13125т
Определение балансовой стоимости оборудования и удельных капитальных затрат
Балансовая стоимость оборудования определяется по формуле (15.1.1) и включает в себя стоимость оборудования, расходы на доставку и монтажные работы.
Определяем затраты на доставку оборудования:
430000000·0,15= 6450000 руб.
56000000·0,15= 8400000 руб.
Определяем затраты на монтажные работы по вариантам оборудования:
руб.
руб.
Определяем балансовую стоимость оборудования:
53750000 руб.
70000000 руб.
Удельные капитальные затраты – это затраты на единицу продукции которые рассчитываются по формуле:
[11, стр. 160] (15.1.5)
где Куд – удельные капитальные затраты, руб.; Кб – балансовая стоимость оборудования, руб.; Вг – годовой объем продукции, т.
руб.
руб.
Определение заработной платы рабочих обслуживающих оборудование
Тарифный фонд заработной платы рабочих обслуживающих оборудование определяется по формуле:
[11, стр. 121] (15.1.6)
где Зт – тарифная заработная плата, руб.; Чраб – численность рабочих обслуживающих оборудование, чел; Тчас – часовая тарифная ставка по разряду, руб.; Фэф – фонд рабочего времени одного рабочего в год, чел.-час; Вг – годовой объем продукции, т.
Фонд рабочего времени одного рабочего на 2009 год принимаем в размере 2033 часа.
Определяем тарифный фонд заработной платы рабочих обслуживающих оборудование по сравниваемым вариантам:
руб.
руб.
Определяем премиальный фонд заработной платы рабочих обслуживающих оборудование:
руб.
руб.
Определяем основную заработную плату, которая включает в себя тарифный фонд и премию:
2975,23+892,57=3867,8 руб.
руб.
Доплаты и дополнительную заработную плату принимаем условно в размере 30% от основной заработной платы:
руб.
руб.
Общий фонд заработной платы рабочих составляет:
руб.
руб.
Определение отчислений в органы социального страхования и другие внебюджетные фонды
Согласно налоговому законодательству РБ установлены следующие ставки
обязательных отчислений: в органы социального страхования – 35 %, в фонд обязательного страхования – 0,8 % от расходов на оплату труда рабочих.
Определяем сумму отчислений в органы социального страхования:
руб.
руб.
Определяем сумму отчислений на обязательное страхование:
5088,14·0,008=40,70 руб.
2873,22·0,008=22,98 руб.
Общая сумма отчислений во внебюджетные фонды по сравниваемым вариантам оборудования составляет:
1780,84+40,70=1821,54 руб.
1005,62+22,98=1028,60 руб.
Расчет энергетических затрат
К энергетическим затратам относят затраты на все виды топливно-энергетических ресурсов потребляемых для производства продукции. Потребность и стоимость электроэнергии на единицу продукции определяются по суммарной мощности установленных электродвигателей, действующих тарифов на электроэнергию и паспортной производительности оборудования.
На единицу продукции стоимость потребляемой электроэнергии определяется по формуле:
[11, стр. 121] (15.1.7)
где Зэл – затраты на электроэнергию; Мэл – суммарная мощность электродвигателей, кВт; Ки.м – коэффициент использования мощности электродвигателей, Ки.м = 0,8; Сэл – стоимость 1 кВт электроэнергии по действующему тарифу, руб.; Пчас – паспортная часовая производительность оборудования, т/час.
Определяем затраты на обтирочные и смазочные материалы по сравниваемым вариантам техники:
руб.
руб.
Определяем затраты на электроэнергию по формуле (15.1.7) по сравниваемым вариантам техники:
руб.
руб.
Расчет амортизационных отчислений оборудования и зданий
Амортизационные отчисления оборудования и зданий определяются по установленным нормам амортизации и стоимости основных фондов предприятий.
Размер ежегодных амортизационных отчислений оборудования, зданий и сооружений определяется по формуле:
[5, стр. 74] (15.1.8)
где АО – сумма ежегодных амортизационных отчислений, руб.; Ф – стоимость основных фондов, руб.; На – норма амортизационных отчислений, %.
Определяем размер ежегодных амортизационных отчислений по сравниваемым вариантам оборудования:
руб.
руб.
Сумма амортизационных отчислений на единицу продукции рассчитывается путем деления годовой суммы отчислений на годовой объем продукции.
Результаты расчета амортизационных отчислений сводим в таблицу 15.1.3.
Таблица 15.1.3 Амортизационные отчисления оборудования
| Марка оборудования | Балансовая стоимость оборудования, руб. | Норма амортизации оборудования, % | Сумма амортизации, руб. | |
| на весь выпуск продукции | на единицу продукции | |||
| 1.Агрегат Р3-ФХТ для измельчения и посола мяса 2. Посолочный агрегат Я2-ФРЛ | 53750000 70000000 | 15,2 15,2 | 8170000 10640000 | 1089,33 810,67 |
Размер ежегодных амортизационных отчислений зданий и сооружений определяется по формуле:
[11, стр. 161] (15.1.9)
где Спл – стоимость производственной площади, занимаемой оборудованием, руб.; На – норма амортизации зданий, %.
Определяем стоимость производственной площади занимаемой оборудованием:
3,58·3,1·402000=4461396 руб.
4,325·2,61·402000=4537876,5 руб.
Результаты расчета амортизационных отчислений зданий сводим в таблицу 15.1.4
Таблица 15.1.4 Амортизационные отчисления зданий
| Марка оборудования | Стоимость производственной площади, руб. | Норма амортизации зданий, % | Сумма амортизации, руб. | |
| на весь выпуск продукции | на единицу продукции | |||
| 1. Агрегат Р3-ФХТ для измельчения и посола мяса 2. Посолочный агрегат Я2-ФРЛ | 4461396 4537876,5 | 1,2 1,2 | 53536,75 544545,51 | 7,14 4,15 |
Расчет затрат на содержание и текущий ремонт оборудования изданий
Затраты на содержание и текущий ремонт оборудования и зданий определяется исходя из стоимости и установленных норм.
Определяем расходы на содержание и текущий ремонт оборудования на единицу продукции по сравниваемым вариантам техники:
руб.
руб.
Определяем расходы на содержание и текущий ремонт зданий на единицу продукции по сравниваемым вариантам техники:
руб.
руб.
Расчет затрат на охрану труда и технику безопасности
Затраты на охрану труда и технику безопасности рассчитываются по установленной норме от расходов на оплату труда рабочих обслуживающих оборудование.
Определяем затраты на охрану труда и технику безопасности по двум вариантам оборудования:
5088,14·0,03=152,64 руб.
2873,22·0,03=86,19 руб.
Расчет затрат по обслуживанию производства и управлению ремонтным хозяйством
Затраты по обслуживанию производства и управлению ремонтным хозяйством принимаем в размере 110% от расходов на оплату труда рабочих, обслуживающих оборудование.
Определяем сумму затрат по обслуживанию производства и управлению ремонтным хозяйством по двум вариантам оборудования:
5088,14·1,1=5596,95 руб.
2873,22·1,1=3160,54 руб.
Рассчитав все затраты на эксплуатацию оборудования сводим их в таблицу 15.1.5 расположенную ниже:
Таблица 15.1.5 Эксплуатационные затраты оборудования
| Статья затрат | Сумма затрат, руб. | |
| Агрегат Р3-ФХТ для измельчения и посола мяса | Посолочный агрегат Я2-ФРЛ | |
| 1. Расходы на оплату рабочим, обслуживающим оборудование 2. Отчисления в органы социального страхования 3. Энергетические затраты (электроэнергия) 4. Амортизация основных фондов - оборудования - зданий 5. Расходы на содержание и текущий ремонт - оборудования - зданий 6. Расходы на обтирочные и смазочные материалы 7. Расходы на охрану труда и технику безопасности 8. Расходы по обслуживанию производства и управлению ремонтным хозяйством | 5088,14 1821,24 2708,64 1089,33 7,14 394,17 26,17 143,33 152,64 5596,95 | 2873,22 1028,60 1548,37 810,67 4,15 293,33 15,21 106,67 86,19 3160,54 |
| Итого | 17027,75 | 9926,95 |
15.2 Расчет срока окупаемости и коэффициента использования капитальных затрат
Рассчитав эксплуатационные затраты по двум вариантам оборудования, видно, что затраты при эксплуатации посолочного агрегата Я2-ФРЛ меньше, чем на агрегате
Р3-ФХТ для измельчения и посола мяса.
Экономия полученная от снижения затрат в течении года с момента внедрения более экономичной марки оборудования, называется условно-годовой экономией.
Условно-годовая экономия определяется по формуле:
[11, стр. 162] (15.2.1)
где Эу.г – условно-годовая экономия, руб.; Сд и Сп – эксплуатационные затраты на единицу продукции до и после внедрения нового оборудования, руб.; Вг.п – годовой выпуск продукции после внедрения, тонн.
Определяем условно-годовую экономию от внедрения в производство:
руб.
Сопоставив затраты на внедрение нового оборудования с возможной экономией можно определить срок окупаемости капитальных затрат на внедрение.
Срок окупаемости внедрения в производство новой техники определяется по формуле:
[11, стр. 163] (15.2.2)
где Ток – срок окупаемости капитальных затрат, года; Кз – капитальные затраты на внедрение в производство нового оборудования, руб.; Эу.г – условно-годовая экономия от внедрения, руб.
Определяем срок окупаемости внедрения в производство посолочного агрегата Я2-ФРЛ:
Величина, обратная сроку окупаемости, называется коэффициентом эффективности использования капитальных затрат, который показывает размер экономии с одного рубля капитальных затрат на внедрение оборудования.
Расчетный коэффициент эффективности использования капитальных затрат определяется по формуле:
[11, стр. 164] (15.2.3)
где Ер – коэффициент эффективности использования капитальных затрат, года; Ток – срок окупаемости капитальных затрат, года; Эу.г – условно-годовая экономия от внедрения, руб.; Кз – капитальные затраты на внедрение в производство нового оборудования, руб.
Определяем расчетный коэффициент эффективности использования капитальных затрат:
15.3 Расчет экономического эффекта от внедрения более экономичной марки оборудования
Годовой экономический эффект от внедрения более экономичной марки оборудования определяем по формуле:
[11, стр. 165] (15.3.1)
где Эф – экономический эффект от внедрения в производство новой техники, руб.; Сд и Сп – эксплуатационные затраты на единицу продукции до и после внедрения, руб.; Ер – нормативный коэффициент эффективности использования капитальных затрат; Куд, Куп – удельные капитальные затраты до и после внедрения нового оборудования, руб.
Определяем расчетный экономический эффект от внедрения:
руб.
Рассчитав показатели экономической эффективности по сравниваемым маркам оборудования, можно сделать вывод о том, что внедрение посолочного агрегата Я2-ФРЛ экономически целесообразно, так как эта марка имеет лучшие технико-экономические показатели.
Технико-экономические показатели по сравниваемым вариантам техники сводим в таблицу 15.3.1.
Таблица 15.3.1 Технико-экономические показатели оборудования
| Наименование показателя | Значения показателя по вариантам техники | |
| Агрегат Р3-ФХТ для измельчения и посола мяса | Посолочный агрегат Я2-ФРЛ | |
| 1. Паспортная часовая производительность, т/час 2. Капитальные затраты, руб. 3. Удельные капитальные затраты, руб. 4. Эксплуатационные затраты на единицу продукции, руб. 5. Срок окупаемости капитальных затрат, лет 6. Расчетный экономический эффект, руб. | 2000 53750000 7166,67 17027,75 | 3500 70000000 5333,33 9926,95 0,75 124479363,8 |
;
;
.














