125292 (593096), страница 8
Текст из файла (страница 8)
Таблица 3.5
| НАИМЕНОВАНИЕ ИЗДЕЛИЙ | Кол-во, шт. |
| Электропечь индукционная ИСТ-0,4/032 | 1 |
| Тиристорный преобразователь ТПЧ-320 | 1 |
| Шкаф управления (с конденсаторной батареей) | 1 |
| Станция охлаждения | 1 |
| Дистанционный пульт управления | 1 |
| Гидронапорная станция | 1 |
| ЗИП | 1 |
| Техническая документация | 1 |
| Авторский надзор за проведением монтажных и наладочных работ | + |
Индукционный плавильный комплекс ИСТ-0,4/0,32 является надежным в своем классе устройств.
Надежная работа комплекса гарантируется многоступенчатой системой защиты комплекса от возможных внешних воздействий на уровне отдельных устройств и всего комплекса в целом.
ИНДУКЦИОННАЯ ПЛАВИЛЬНАЯ ПЕЧЬ предназначена для плавки, перегрева и выдержки цветных и черных металлов.
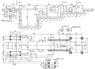
Рис.3.1 Габаритные, установочные размеры и рекомендуемое размещение комплектующего оборудования электропечи.1 - электропечь индукционная ИСТ-0,4/0,32; 2 - шкаф управления; 3 - токопровод; 4 - гидропривод; 5 - тиристорный преобразователь частоты.
Рис.3.2 Схема фундамента установки индукционной печи.
3.1.2 Расчет мостовых кранов по отделениям
Расчетное количество мостовых кранов для плавильного и шихтового пролетов определяется по формулам:
где: аж - количество крано-часов на 1тонну жидкого металла (0,2-0,3);
аш - количество крано-часов на 1тонну шихтовых материалов (0,1-0,2);
Кв - коэффициент выполнения краном вспомогательных работ (1,15);
Ки - коэффициент использования крана (0,8)
;
.
Принимаем для шихтового пролета число кранов равное двум, а для плавильного пролета три.
Прочее технологическое оборудование принимается исходя из нормативов.
3.1.3 Потребное количество разливочных ковшей
Для конвейерного производства кроме емкости ковша необходимо также выполнять расчет числа ковшей или заливочных устройств, которые должны обеспечить заливку форм на непрерывно движущемся конвейере.
В первую очередь определяют полное время τф, затрачиваемое на заливку одной литейной формы, по уравнению
τф= τзал+60ι/υв + τп-з,
где τзал - время заливки формы, с; 60ι/υв - время, необходимое на возврат ковша в исходное положение для заливки следующей формы, с; ι - расстояние между чашами двух форм, м; υв - скорость возврата тележки с ковшом, м/мин; τп-з - время подготовительно-заключительное (включающее опускание и поднятие ковша при заливке), принимается равным 10 … 1 с.
Пример расчета. Производительность автоматической формовочной линии (АФЛ) составляет 240 форм/ч. Для определения скорости возврата тележки с ковшом необходимо определить скорость конвейера υк, принимая следующие допущения. Определим производительность АФЛ в минуту - 240-60=4 формы/мин. Если расстояние ι между чашами соседних форм для АФЛ с опоками размером 640*450 мм принять равным 1 м, то скорость конвейера составит υк = 4 м/мин. Чтобы осуществить возврат тележки с ковшом в исходное положение, скорость возврата тележки υв должна превышать скорость конвейера υк, т.е. υв = κυк. Если принять, что коэффициент κ = 1,5, то υв = 1,5 υк = 1,5*4=6 м/мин. Примем τзал =15 с, τп-з = 10 с и определим по приведенному в тексте уравнению время на заливку одной формы, с:
τф = 15+60*1/6+10=35
Время цикла линии исходя из производительности 240 форм/ч равно τц = 3600/240=15 с. Следовательно, для обеспечения производительности линии необходимое число заливочных ковшей (устройств) должно составить τф/ τц= 35/15=2,33. Округляя это значение в сторону больших чисел, получим, что заданную производительность АФЛ обеспечат три ковша (или устройства).
Потребное количество стендовых (раздаточных) и разливочных ковшей определяется по формуле:
;
где Праб, Прем, Пзап - количество ковшей, находящихся соответственно в работе, ремонте, запасе.
Для стендовых ковшей Праб соответствует количеству плавильных печей; Прем, принимается равным Праб, Пзап берется в размере 50% - 100% от Праб.
принимаем 3 ковша. Количество ковшей находящихся в работе и ремонте:
,
,
где tсм - продолжительность рабочей смены, 8ч;
tраб - время стойкости ковша, 8ч;
tрем - время ремонта ковша, 8ч;
,
.
Количество ковшей в запасе 2шт. Пк. с. принимаем 8ковшей.
Характеристика технологического и подъемно-транспортного оборудования.
Таблица 3.6.
| Наименование оборудования | Количество единиц | Мощность электродвигателя кВт | Цена оборудования, тыс. руб. | ||
| На единицу | Всего | единицы | всего | ||
| 1. Технологическое оборудование: | |||||
| Индукционная печь ИСТ-2,5/1,6 м4 1.1.2Индукционная печь ИСТ-0,4/0,32 | 3 1 | 50 20 | 150 20 | 18000 15000 | 54000 15000 |
| 1.2 Печь для отжига ферросплавов | 2 | 10 | 20 | 300 | 600 |
| 1.3 Стенд для подогрева шихты | 1 | 100 | 100 | ||
| 1.4 Стенд для сушки и подогрева ковшей | 3 | 80 | 240 | ||
| 1.5 Стенд набора сводов | 1 | 60 | 60 | ||
| 1.6 Стенд для сушки стопоров | 1 | 60 | 60 | ||
| 1.7 Стенд для разливки металла | 2 | 150 | 300 | ||
| 1.8 Установка для приготовления футеровочной массы | 1 | 30 | 30 | ||
| 1.9 Установка для грануляции шлака | 1 | 10 | 10 | 40 | 40 |
| 1.10 Электросушилка 1.11 Весы для легирующих добавок | 3 3 | 50 30 | 100 90 | ||
| 1.12 Бегуны для футеровочной массы | 2 | 40 | 80 | ||
| Итого | 180 | 70700 | |||
| 2. Подъемно-транспортное оборудование: | |||||
| 2.1 Краны шихтового пролета | 2 | 30 | 60 | 40 | 80 |
| 2.2 Краны плавильного пролета | 3 | 65 | 130 | 70 | 210 |
| 2.3 Тележка для подачи шихты | 1 | 20 | 20 | ||
| 2.4 Контейнер для добавок и флюсов | 3 | 20 | 60 | ||
| Итого | 190 | 370 | |||
| Всего | 370 | 71070 | |||
3.1 4 Расчет плавильного участка
3.1.4.1 Расчет участка подготовки шихтовых материалов
При проектировании складов формовочных и шихтовых материалов следует руководствоваться следующими положениями. Расчет площадей и оборудования для приемки, хранения и транспортировки шихтовых, формовочных и огнеупорных материалов выполняется на основе потребностей плавильного и смесеприготовительного отделения в основных материалах на годовой выпуск.
Расход вспомогательных материалов на годовой выпуск заносят в сводную ведомость.
В проекте кроме складов шихтовых и формовочных материалов необходимо предусмотреть также склады или площади моделей (модельных плит с моделями), опок, стержней, отливок.
Необходимо дать характеристику организации цехового складского хозяйства, в том числе состава складов, их размещения, способа разгрузки, укладки и хранения материалов. При наличии на заводе двух и более литейных цехов следует проектировать базисные склады. Расположение базисных складов по отношению к литейным цехам должно обеспечить рациональные грузопотоки материалов. При этом возможно размещение складов формовочных и шихтовых материалов с участками их подготовки как в одном здании, так и в отдельных зданиях. Для подачи сухого песка в литейные цехи рекомендуется использовать пневмотранспорт или систему ленточных конвейеров; порошкообразных материалов - пневмотранспорт, а шихтовых материалов, кокса и флюсов в специальных контейнерах - автотранспорт.
Такое решение позволяет исключить железнодорожные вводы в шихтовые отделения, сократить их площадь и разрывы между цехами. Обеспечивает чистоту и порядок в цехах, но при этом увеличивается число грузоперевалок в связи с загрузкой контейнера на базисном складе. Для машиностроительных заводов с одним литейным цехом склады формовочных и шихтовых материалов проектируют при цехе. В этих случаях для подачи материалов к местам потребления используют внутрицеховой транспорт.
Общую площадь шихтового двора (пролета) определяю по формуле
Fскл = Fтех + Fзакр + Fэ + Fпу,
где Fтех - площадь технологических участков склада, включая площадь
под оборудование, проходами и железнодорожными вводами, м2;
Fзакр - площадь закромов, м2;
Fэ - площадь, занятая внутренними эстакадами и местами для разгрузки материалов, м2;
Fпу - площадь, занятая устройствами для подачи материалов в производство, м2.
Расчет площади закромов складов шихтовых материалов ведется по формуле
Fзш = 1,1 (f1 + f2 + f3 + … + fn),
где Fзш - площадь закромов складов шихтовых материалов, м2;















