125252 (593080), страница 3
Текст из файла (страница 3)
- повышение напряжения сетей приводит к уменьшению рабочих токов и токов короткого замыкания;
- секционирование сетей исключает параллельную работу источников и линий, а следовательно, уменьшает токи короткого замыкания;
- раздельная работа трансформаторов на шинах вторичного напряжения ГПП, РП, ТП увеличивает сопротивление короткозамкнутой цепи, следовательно, уменьшает токи короткого замыкания;
- применение реакторов, включаемых последовательно в цепь при мощности трансформатора более 25МВА;
- применение трансформаторов с расщепленной обмоткой начиная с мощности трансформатора 25МВА.
Расчет токов короткого замыкания будем вести в относительных единицах.
По схеме электрических присоединений составляем расчетную схему и схему замещения:
Рисунок 2.2 - Расчетная схема
Рисунок 2.3 - Схема замещения
Задаемся базисной мощностью Sб =10 МВА
Определяем сопротивления всех элементов схемы.
Сопротивление воздушной линии
, (2.27)
где Х0 - индуктивное сопротивление одного километра воздуш-
ной линии, Ом/км;
l - длина воздушной линии, км;
Sб - базисная мощность, МВА;
Uб - базисное напряжение, кВ.
Определяем сопротивление первой воздушной линии:
Определяем сопротивление второй линии:
Сопротивление трансформатора
находится по формуле
, (2.28)
где Sном - номинальная мощность трансформатора, МВА;
Uкз - напряжение короткого замыкания, %.
Определяем токи короткого замыкания в точках К1 и К2
Точка К1
, (2.29)
где Iбк1 - базисный ток точки К1 , кА;
- сопротивление в точке К1 .
(2.30)
(2.31)
Точка К2
(2.32)
Определяем ударные токи в заданных точках
Точка К1
, (2.33)
где
- ударный коэффициент, равный 1,8.
Точка К2
Определяем мощность короткого замыкания в точках К1 и К2
Точка К1
(2.34)
Точка К2
2.7 Расчет и выбор питающей линии
Подстанция «Бурлы» получает питание от двух воздушных линий напряжением 35 кВ. Линии выполнены из сталеалюминевых проводов, которые имеют большую механическую прочность, чем обычные провода. Сердечник таких проводов выполняется из одной или несколько свитых стальных оцинкованных проволок. Алюминиевые проволоки, покрывающие стальной сердечник одним, двумя, или тремя повивами, являются токоведущей частью провода. Электропроводность стального сердечника мала, и поэтому не учитывается. Сталеалюминевые провода изготавливают следующих марок:
- АС, имеющие отношение сечений алюминия и стали 5,5-6;
- АСО (облегченной конструкции), имеющие отношение стали и алюминия 7,5-8;
- АСУ (усиленной конструкции), имеющие отношение алюминия и стали около 4,5.
В данном дипломном проекте применяются провода марки АС.
Площадь сечения проводов питающих линий сначала определяется по условиям экономической выгоды - плотности тока (экономический расчет), а затем проверяется по нагреву, потере напряжения, по тепловой устойчивости действию токов короткого замыкания, на отсутствие короны (электрический расчет).
Определяем номинальный ток Iном ,А, на стороне 35 кВ по формуле
, (2.35)
где Sном.т - номинальная мощность трансформатора, кВА;
Uном - номинальное напряжение, кВ.
Определяем экономически выгодное сечение провода Sэк , мм2, по формуле
, (2.36)
где jэк - экономическая плотность тока, А/мм2.
Экономическая плотность тока для данного случая jэк=1 А/мм2 [6, с.85, таб. 2.26]
Из условия S>Sэк выбираем провод АС-70 [8, с.428, таб.7.35].
Проводим проверку выбранного сечения провода по нагреву током нормального режима
, (2.37)
где kпопр - поправочный коэффициент; для воздушной линии
kпопр=1
Iдоп=265 А для данного сечения провода, т.е 265 А>66,06 А, что удовлетворяет условию проверки.
Проводим проверку по нагреву током послеаварийного режима с учетом пропускной способности по условию
Кпер·Iдоп ≥ 2Iдл, (2.38)
где Кпер - коэффициент перегрузки, Кпер=1,3-1,35 для ВЛЭП.
,
что удовлетворяет условию проверки
Проверка на отсутствие короны.
Наибольшая напряженность поля Е0 , кВ/см, у поверхности провода, соответствующая появлению общей короны, определяется по формуле
(2.39)
где m - коэффициент негладкости многопроволочных проводов
линии, равный 0,82;
R0 - радиус проводов, см;
- относительная плотность воздуха, =1,04-1,05.
Согласно ПУЭ Emax=28 кВ/см. Чтобы провод не коронировал, необходимо: Emax ≥ E0.
Таким образом, 28 кВ/см > 25,08 кВ/см, т.е. провод коронировать не будет.
Проверка проводов на потерю напряжения, которая в ВЛЭП допускается до 10%.
Потеря напряжения
, В, определяется по формуле
, (2.40)
где l - длина воздушной линии, км;
R0 - активное сопротивление воздушной линии, Ом/км;
X0 - индуктивное сопротивление воздушной линии, Ом/км.
Сопротивления линии R0=0,428 Ом/км, X0=0,432 Ом/км [8, с. 432, таб. 7.38]
Потеря напряжения для первой ВЛ с длиной 10 км
Выразим потерю в процентах
(2.41)
,
что допустимо.
Потеря напряжения для второй ВЛ с длиной 25 км по (2.39)
Выразим потерю в процентах по (2.40)
,
что допустимо.
Проверка на устойчивость токам КЗ
, (2.42)
где Iк - величина тока КЗ в данной точке, А;
tпр - приведенное время, с;
С - коэффициент, соответствующий разности выделенной
теплоты в проводнике после и до короткого замыкания.
Коэффициент С для алюминиевых проводов С=90 [8, с.18, таб.1.15].
В случае, когда выполняется условие Sminном , провод устойчив к действию токов КЗ.
В нашем случае 31,67 мм2<70 мм2.Значит, провод устойчив к действию токов КЗ.
Таким образом, в данном дипломном проекте выбираем провод марки АС-70.
2.8 Расчет и выбор распределительных сетей
Распределительные сети напряжением 10 кВ на подстанции выполнены следующим образом: имеется две секции шин, от которых запитываются комплектные распределительные устройства. От комплектных распределительных устройств передача электроэнергии к потребителям осуществляется кабелем.
Выбираем шины
Определяем ток на стороне 10 кВ по (2.34)
Предполагаем к установке шины алюминиевые 25x3 с допустимым током 265А [8, с.395, таб.7.3].
Определяем силу F, кГ, действующую на среднюю фазу, при протекании по ней ударного тока КЗ
, (2.43)
где
- ударный ток, кА;
l - расстояние между изоляторами в пролёте, см;
а - расстояние между токоведущими частями, см;
Определяем момент сопротивления шин W, см3, при укладке их плашмя
, (2.44)
где b - толщина шин, см;
h - ширина шин, см.
Определяем изгибающий момент
действующий на шину
(2.45)
Определяем расчетное напряжение
в металле шин
(2.46)
Сравниваем расчетное напряжение с допустимым
, (2.47)
где
- допустимое напряжение; для алюминиевых шин
=700 кГ/см 2.
3600 кГ/см 2
700 кГ/см 2
Следовательно, шины динамически не устойчивы.
Учитывая, что
=700 кГ/см 2, найдем момент сопротивления шин
Выбираем шины алюминиевые 50x6 мм2 с допустимым током 740А, так как их момент сопротивления равен
Тогда напряжение в металле шин будет не превышать допустимого
480 кГ/см 2 < 700 кГ/см 2
Выбираем кабели для каждого фидера
Фидер №1
Ток фидера составляет Iном=45,43 А
Экономическая плотность тока для данного случая jэк=1,2 А/мм2 [6, с.85, таб. 2.26]
Определяем экономически выгодное сечение провода Sэк , мм2, по формуле (2.35)
Из условия S>Sэк выбираем кабель ААБ-10-3х50 [8, с.401, таб.7.10] с допустимым током Iдоп=140А.
Проводим проверку выбранного сечения кабеля по нагреву током нормального режима
допустимая наибольшая температура для данного вида кабеля tдоп=60 оС
, (2.48)
где tо - начальная температура прокладки кабеля,
;
tдоп - допустимая температура нагрева для данного вида
кабеля,
; в нашем случае tдоп=60 оС;
Iдоп - допустимый ток для данного вида кабеля, А.
Температура нагрева кабеля токами нормального режима не превышает допустимой.
Проверка кабеля на потерю напряжения (в КЛЭП допускается до 5%) по (2.39). Так как в кабельных линиях активное сопротивление больше реактивного, то последним можно пренебречь.
Сопротивление линии R0=0,62 Ом/км [8, с. 421, таб. 7.28]
Выразим потерю в процентах по (2.40)
,
что допустимо.
Проверка на устойчивость токам КЗ по (2.41)
Коэффициент С для кабелей с алюминиевыми жилами 10кВ С=70 [8, с.18, таб.1.15]
В случае, когда выполняется условие Sminном , кабель устойчив к действию токов КЗ.
В нашем случае 14,9 мм2<50 мм2.Значит, кабель устойчив к действию токов КЗ.
Таким образом, выбираем кабель ААБ-10-3х50
Выбор кабелей для остальных фидеров проводим аналогично и результаты расчетов заносим в таблицу 2.3
Таблица 2.3 - Результаты расчетов и выбора кабелей
| Номер фидера | Марка кабеля | Длина кабеля, км | Потеря напряжения, % | Температура нагрева tнагр ,0С | Проверка на устойчивость токам КЗ |
| 1 | ААБ-10-3х50 | 4,2 | 1,9 | 19,74 | Устойчив |
| 2 | ААБ-10-3х50 | 3,8 | 1,6 | 19,09 | Устойчив |
| 7 | ААБ-10-3х35 | 1,5 | 0,89 | 20,5 | Устойчив |
| 10 | ААБ-10-3х35 | 3,2 | 1,6 | 19,09 | Устойчив |
| 14 | ААБ-10-3х35 | 4,8 | 3 | 21,1 | Устойчив |
| 15 | ААБ-10-3х25 | 1,3 | 0,81 | 20 | Устойчив |
2.9 Выбор высоковольтного электрооборудования с проверкой на устойчивость к токам короткого замыкания
На стороне 35 кВ трансформаторной подстанции «Бурлы» установлено следующее оборудование: силовой выключатель, трансформаторы тока и напряжения, разъединители.
На стороне 10 кВ подстанции установлены: силовые выключатели, трансформаторы тока и напряжения. Оборудование 10кВ размещено в ячейках КРУН.
Все высоковольтное оборудование выбирается в соответствии с вычислительными максимальными расчетными величинами (токами, напряжениями, мощностями отключения) для нормального режима и режима короткого замыкания.
Выбираем оборудование на 35кВ
Выбираем разъединитель
Таблица 2.4 - Табличные и расчетные данные для выбора разъединителя
| РАСЧЕТНЫЕ ДАННЫЕ | ТАБЛИЧНЫЕ ДАННЫЕ |
| Uном=35кВ | Uном=35кВ |
|
| Iном=1000А |
|
|
|
|
|
|
Выбираем разъединитель РНДЗ-2-35/1000 [8, с.260, таб.260].
Выбираем выключатель
Таблица 2.5 - Табличные и расчетные данные для выбора выключателя
| РАСЧЕТНЫЕ ДАННЫЕ | ТАБЛИЧНЫЕ ДАННЫЕ |
| Uном=35кВ | Uном=35кВ |
|
| Iном=630А |
|
|
|
|
|
|
| Iк=7,62кА | Iоткл=12,5кА |
|
|
|
Выбираем выключатель ВБГЭ-35-12,5/630 [9].
Выбираем трансформатор напряжения
Выясним, какие приборы подключаются на первичное напряжение силового трансформатора 35/10кВ: на первичной стороне подключаются счетчики активной и реактивной энергии [6, с.321, таб.9.1].
Потребляемая мощность счетчика активной энергии Sпр=8 ВА, реактивной энергии - Sпр=12 ВА.
Так как ко вторичной стороне трансформатора напряжения подключаются счетчики, то выбираем класс точности 0,5.
Выбираем трансформатор напряжения по условию
Выбираем трансформатор напряжения типа НОМ-35-66 [8, с.326, таб.5.13].
Выбираем трансформатор тока
Таблица 2.6 - Табличные и расчетные данные для выбора трансформатора тока
| РАСЧЕТНЫЕ ДАННЫЕ | ТАБЛИЧНЫЕ ДАННЫЕ |
| Uном=35кВ | Uном=35кВ |
|
| Iном=100А |
|
|
|
|
|
|
Выбираем трансформатор тока типа ТВ-35-100/5 [8, с.310, таб.5.10].
Выбираем оборудование на 10кВ
Выбираем ячейку КРУН
Таблица 2.7 - Табличные и расчетные данные для выбора ячейки КРУН
| РАСЧЕТНЫЕ ДАННЫЕ | ТАБЛИЧНЫЕ ДАННЫЕ |
| Uном=10кВ | Uном=10кВ |
|
| Iном=630А |
|
|
|
|
|
|
| Iк=4,67кА | Iоткл=12,5кА |
|
|
|
Выбираем ячейку К59 [9]
Выбираем выключатель
Таблица 2.8 - Табличные и расчетные данные для выбора выключателя
| РАСЧЕТНЫЕ ДАННЫЕ | ТАБЛИЧНЫЕ ДАННЫЕ |
| Uном=10кВ | Uном=10кВ |
|
| Iном=800А |
|
|
|
|
|
|
| Iк=4,67кА | Iоткл=20кА |
|
|
|
Выбираем выключатель ВВ/ТЕL-10-20/800 [9].
Достоинством выключателя ВВ/ТЕL является:
- простая конструкция привода и высокая надёжность в работе;
- большой коммутационный и механический ресурсы;
- малые габариты;
- возможность работы в любом пространственном положении;
- удобство установки во все типы КРУ и КСО;
- малое потребление тока при включении и отключении (10 и 1,5 А);
- возможность управления по цепям постоянного и переменного оперативного тока;
- защищенность основных узлов от дуговых и механических воздействий;
- низкая трудоёмкость производства;
- умеренная цена.
Выбираем трансформатор тока
Таблица 2.9 - Табличные и расчетные данные для выбора трансформатора тока
| РАСЧЕТНЫЕ ДАННЫЕ | ТАБЛИЧНЫЕ ДАННЫЕ |
| Uном=10кВ | Uном=10кВ |
|
| Iном=300А |
|
|
|
|
|
|
Выбираем трансформатор тока типа ТОЛ-10-300/5 [8, с.294, таб.5.9]
Выбираем трансформатор напряжения
Выясним, какие приборы подключаются на вторичное напряжение силового трансформатора 35/10кВ: на вторичной стороне подключаются счетчики активной и реактивной энергии. [4, с.321, таб.9.1]
Потребляемая мощность счетчика активной энергии Sпр=8 ВА, реактивной энергии - Sпр=12 ВА.
Так как ко вторичной стороне трансформатора напряжения подключаются счетчики, то выбираем класс точности 0,5.
Выбираем трансформатор напряжения по условию
Выбираем трансформатор напряжения типа НАМИ-10 [8, с.326, таб.5.13].
Выбираем изоляторы
Выбираем изолятор по условию
Выбираем изоляторы типа ОНШ-10-5 [8, с.282, таб.5.7].
Для защиты от перенапряжений применяем ограничители перенапряжений типа ОПН-35 на высокой стороне и ОПН-10 на низкой стороне.
2.10 Релейная защита
В сетях электроснабжения для защиты линий, трансформаторов, двигателей, преобразовательных агрегатов применяют релейную защиту, которая является основным видом электрической автоматики.
Релейной защитой называют специальные защитные устройства, выполняемые при помощи реле и других аппаратов и предназначенные для отключения выключателем в установках напряжением выше 1 кВ или автоматическим выключателем в установках напряжением до 1 кВ повреждённого элемента системы электроснабжения, если данное повреждение представляет собой непосредственную опасность для этой системы, или воздействующие на сигнализацию, если опасность отсутствует.
К релейной защите применяют следующие основные требования:
а) избирательность (селективность) действия, то есть способность релейной защиты отключать только повреждённый участок электрической цепи;
б) быстродействие, то есть способность защиты отключать повреждённый участок электрической цепи за наименьшее возможное время; в случае необходимости ускорения действия защиты допускается её неизбирательная работа с последующим действием АПВ и АВР;
в) надёжность действия, то есть правильная и безотказная работа релейной защиты при всех повреждениях и ненормальных режимах работы элементов, которая обеспечивается применением наименьшего числа устройств с наиболее простыми схемами, наименьшим количеством реле, цепей и контактов;
г) чувствительность, то есть способность защиты отключать участки электрической цепи, которые она защищает, в самом начале их повреждения; в случае необходимости релейная защита должна действовать при повреждениях на смежных участках.
При проектировании релейной защиты учитывают наиболее вероятные повреждения и режимы работы элементов системы электроснабжения.
В данном дипломном проекте рассмотрена релейная защита силового трансформатора. Силовой трансформатор имеет следующие виды защит:
- дифференциальная защита с действием на отключение ввода 35 кВ и ввода 10 кВ;
- двухступенчатая газовая защита трансформатора (I ступень с действием на сигнал; II ступень с действием на отключение трансформатора);
- максимально-токовая защита с действием на отключение ввода 35 кВ;
- максимально-токовая защита с действием на отключение ввода 35 кВ.
Принимаем для защиты трансформатора от токов короткого замыкания МТЗ на стороне низшего и высшего напряжения и газовую защиту от внутренних повреждений. Дополнительной защитой является дифференциальная защита.
Номинальный ток на стороне ВН Iном=66,06А, на стороне НН Iном=231,2А. На стороне ВН установлен трансформатор тока ТВ-35-100/5
, на стороне НН - ТОЛ-10-300/5
. Трансформаторы тока соединены в неполную звезду
.
Принимаем для МТЗ реле типа РТ-40/20 и реле времени типа ЭВ-122 с уставками 0,25-3,5 с.
Определяем ток срабатывания МТЗ Iср.защ , А, по формуле
, (2.49)
где kнад - коэффициент надёжности; kнад =1,1-1,25;
kс - коэффициент схемы, определяемый схемой соединения
трансформаторов тока; kс =1;
kв - коэффициент возврата; kв =0,8-0,85;
kт.т - коэффициент трансформации; kт.т =60.
Принимаем для уставки реле РТ-40/20 ток срабатывания 5-10А при последовательном соединении катушек.
Определяем коэффициент чувствительности защиты
при двухфазном КЗ на стороне НН трансформатора
, (2.50)
где
- ток короткого замыкания после трансформатора, А;
- ток срабатывания реле РТ-40/20, А;
, что выше допустимого
Определяем ток срабатывания МТЗ Iср.р , А, устанавливаемой со стороны питания трансформатора, по формуле
(2.51)
Определяем коэффициент чувствительности МТЗ при двухфазном КЗ по формуле
, (2.52)
где
- ток короткого замыкания до трансформатора, А.
, что выше допустимого
При указанных в расчете токах срабатывания и чувствительности МТЗ при коротких замыканиях будет отключать одновременно трансформатор на сторонах высокого и низкого напряжения.
Для защиты от внутренних повреждений устанавливаем газовое реле типа BF/80Q с действием на отключение при внутренних повреждениях.
2.11 Автоматика электроснабжения
Устройства автоматизации (АПВ, АВР, АЧР и др.) осуществляют автоматическое управление схемой электроснабжения предприятия в нормальном и аварийном режимах. Применение автоматизации позволяет обеспечить длительное нормальное функционирование СЭС, в кратчайший срок ликвидировать аварию, обеспечить высокую надёжность электроснабжения промышленных потребителей и простоту схем, сократить расходы на обслуживание, обнаруживать повреждённые участки с наименьшими затратами труда, повысить качество электроэнергии и экономичность работы электроустановок.
Благодаря устройствам автоматизации стало возможным применение подстанций с упрощёнными схемами коммутации.
На подстанциях нашли наибольшее распространение следующие устройства автоматизации: АВР - автоматическое включение резерва, АПВ - автоматическое повторное включение, АЧР - автоматическая частотная разгрузка, АРТ - автоматическая разгрузка по току.
Подстанции работают, как правило, по схеме с односторонним электроснабжением потребителей. Такой режим позволяет снизить токи короткого замыкания сети, применять более дешёвую коммутационную аппаратуру, сократить или полностью исключить обслуживающий персонал подстанций. Однако раздельная работа по сравнению с их параллельной работой обеспечивает меньшую надёжность электроснабжения, что и вызывает необходимость установки устройств автоматики (АУ).
В сетях электроснабжения с раздельным питанием потребителей первой категории от двух подстанций широко применяются устройства АВР, которые повышают надёжность электроснабжения и сокращают время простоя электрооборудования.
По назначению устройства АВР разделяются на АВР линий, трансформаторов, электродвигателей, секционных выключателей на подстанциях. Все устройства АВР должны удовлетворять следующим основным требованиям: время действия должно быть минимально возможным; все выключатели, оборудованные АВР, должны иметь постоянный контроль исправности цепи включения; действие АВР должно быть однократным, чтобы не допускать дополнительных включений на не устранившиеся короткое замыкание; действие АВР должно быть обязательным при любой причине исчезновения напряжения на шинах подстанций, исключая отключение цепей с целью проведения ремонтов, осмотров и т. п.
В данном дипломном проекте автоматическое управление схемой осуществляется с помощью автоматического включения резерва секционного выключателя. Устройство АВР-10 кВ работает следующим образом: при исчезновении напряжения на одной из секций шин 10 кВ и наличии на другой, схема АВР-10 кВ отключает обесточенный ввод 10 кВ и включает секционный выключатель 10 кВ.
2.12 Учет и экономия электроэнергии
Расчетным учетом электроэнергии называется учет выработанной, а так же отпущенной потребителям электроэнергии для денежного расчета за нее. Счетчики, устанавливаемые для расчетного учета, называется расчетными счетчиками.
Техническим учетом электроэнергии называется учет для контроля расхода электроэнергии электростанций, подстанций, предприятий, зданий, квартир и т.д.. Счетчики устанавливаются для технического учета, называются контрольными счетчиками.
При определении активной энергии, необходимо учитывать энергию: выработанную генераторами электростанций; потребленной на собственные нужды электростанций и подстанций; выданную электростанциями в распределительные сети; переданную в другие энергосистемы или полученную от них; отпущенную потребителям и подлежащую к оплате.
Кроме того, необходимо контролировать соблюдение потребителями заданных им режимов потребления и баланса электроэнергии и проведения хозрасчета.
Расчетные счетчики активной электроэнергии на подстанции энергосистемы должны устанавливаться:
- для каждой отходящей линии электропередачи, принадлежащей потребителям;
- для межсистемных линий электропередачи - по два счетчика со сторонами, учитывающих полученную и отпущенную электроэнергию;
- на трансформаторах собственных нужд;
- для линий хозяйственных нужд или посторонних потребителей (поселок и т.д.), присоединенных к шинам собственных нужд.
Расчетные счетчики активной электронергии на подстанциях потребителей должны устанавливаться:
- на вводе (приемном конце) линии электропередачи в подстанцию;
- на стороне ВН трансформаторов при наличии электрической связи с другой подстанцией энергосистемы;
- на границе раздела основного потребителя и субабонента.
Учет реактивной электроэнергии должен обеспечивать возможность определения количества реактивной электроэнергии, полученной потребителем от электроснабжающей организации или переданной ей, только в том случае, если по этим данным производятся расчеты или контроль соблюдения заданного режима работы компенсирующих устройств.
Счетчики реактивной электроэнергии должны устанавливаться:
- на тех элементах схемы, на которых установлены счетчики активной энергии для потребителей, рассчитывающихся за электроэнергию с учетом разрешенной реактивной мощности;
- на присоединениях источников реактивной мощности потребителей, если по ним производится расчет за электроэнергию выданную энергосистеме.
Основными источниками экономии электроэнергии являются: внедрение рациональных технологических режимов на базе достижений науки и техники; улучшение работы энергетического и технологического оборудования; внедрение новой техники и прогрессивных норм расхода электроэнергии.
На подстанции «Бурлы» 35/10 кВ установлены счетчики электроэнергии типа «Меркурий 230 ART2-00». Счетчики расположены в релейном отсеке ячеек КРУ 10 кВ и подключены через трансформаторы тока и трансформаторы напряжения.
Эти счетчики предназначены для измерения и учета активной и реактивной энергии в трёх- или четырёхпроводных цепях переменного тока, номинальной частоты 50 Гц. Класс точности счетчиков 0,5. Значение электроэнергии индицируется на жидкокристаллическом индикаторе, находящемся на передней панели счетчика. Обмен информацией со счетчиком происходит через интерфейс связи «САN» или модем «GSM». Счетчик может эксплуатироваться автономно или в автоматизированной системе сбора данных о потребляемой электроэнергии.
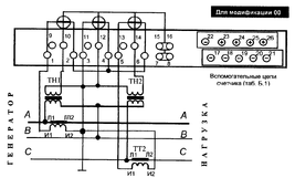
Рисунок 2.4 - Схема подключения счетчика к трехфазной трехпроводной сети с помощью трех трансформаторов напряжения и двух трансформаторов тока
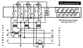
Рисунок 2.5 - Схема подключения счетчика к трехфазной трехпроводной сети с помощью двух трансформаторов напряжения и двух трансформаторов тока
2.13 Молниезащита
На изоляцию электрооборудования действуют перенапряжения от грозовых разрядов, которые являются внешними перенапряжениями. В электрическом отношении удар молнией можно считать источником тока, так как он представляет собой электрический разряд между облаком и землёй или между облаками. В облаках накапливается мощные разряды восходящих воздушных потоков и интенсивной конденсации в них водяных паров. По мере концентрации зарядов увеличивается напряжённость электрического поля, и когда она достигает критического значения (20-25 кВ/см) в зависимости от высоты облака над землёй происходит грозовой разряд.
Молния может разрядиться через сопротивление электроустановки или ударить вблизи защищаемого объекта. В этом случае возникает индуцированное перенапряжение, от которого также должна быть предусмотрена защита. В частности на воздушных линиях 35 кВ, выполняемых с помощью железобетонных и металлических опор, в районах с частыми и сильными грозами должны предусматриваться молниезащитные тросы и разрядники.
Открытые токопроводы 6-10 кВ также должны быть защищены от прямых ударов молнии с помощью отдельно стоящих молниеотводов на расстоянии не менее 5 м от токопровода или с помощью тросов, подвешенных на отдельных опорах токопроводов. Заземление молниеприёмных устройств выполняется обособленными заземлителями, не имеющими соединения с заземляющими контурами опор токопровода. На шинах подстанции, к которым подключены токопроводы, устанавливаются вентильные разрядники.
Молниеотвод состоит из четырёх конструктивных элементов: молниеприёмника, несущей конструкции; токопровода; заземлителя. Молниеприёмник непосредственно воспринимает прямой удар молнии, который по токопроводу уходит на землю. Заземлитель служит для снижения потенциала элементов молниеотвода. Несущая конструкция может быть выполнина в виде деревянной, металлической или железобетонной опоры. По типу приёмников токопроводы бывают стержневые и тросовые, представляющие собой горизонтально подвешенные провода, соединенные токопроводом с заземлителями.
Тросовые молниеотводы применяют для защиты токопроводов и гибких связей ОРУ подстанции, а также для защиты воздушных линий длиной 1-3 км на подходе к подстанции.
Здания электростанций и подстанций относятся к объектам первой категории по устройству молниезащиты. Для объектов первой категории защитная зона относится к типу А.
Габариты подстанции: длина А=35 м, ширина В=30 м, высота h=4,5 м. Принимаем исполнение защиты двумя отдельно стоящими металлическими молниеотводами стержневого типа высотой 20 м, расстояние между молниеотводами L=32 м.
По формулам для двойного стержневого молниеотвода определяем параметры молниезащиты.
Определяем высоту вершины конуса h0 ,м, стержневого молниеотвода
, (2.53)
где h - полная высота стержневого молниеотвода, м.
Определяем высоту средней части hc , м, двойного стержневого молниеотвода
, (2.54)
где L - расстояние между двумя стержневыми молниеотводами.
Находим радиус защиты на высоте защищаемого сооружения rх , м,
, (2.55)
где hх - высота защищаемого сооружения, м.
Рассчитываем радиус защиты на уровне земли r0 , м,
(2.56)
Определяем радиус средней части зоны двойного стержневого молниеотвода на высоте защищаемого объекта rсх , м,
(2.57)
Радиус средней части зоны двойного стержневого молниеотвода на уровне земли в данном случае равен rс =r0 =21,2 м.
Определяем высоту стержневого молниеприемника hм , м,
(2.58)
Находим активную высоту молниеотвода hа ,м,
(2.59)
Рассчитываем угол защиты
, град, (между вертикалью и образующей)
(2.60)
В масштабе изображаем зону защиты (Рисунок 2.6)
Рисунок 2.6 - Зона защиты двойного стержневого молниеотвода
Определяем габаритные размеры защищаемого объекта в зоне молниезащиты.
Ширина В=30 м, высота h=4,5 м.
Находим угол
, град,
(2.61)
Определяем максимально возможную длину объекта Аmax , м, при которой он находится в зоне молниезащиты
(2.62)
Таким образом, А<Аmax (35 м<41,36 м) и все остальные параметры молниезащиты подходят для данных габаритов подстанции, значит, объект находится в зоне молниезащиты.
Изображаем в масштабе подстанцию в зоне молниезащиты (Рисунок 2.7).
Рисунок 2.7 - Зона защиты двойного стержневого молниеотвода и защищаемый объект
Следовательно, в данном дипломном проекте применяем для молниезащиты два стержневых молниеотвода высотой 20 м.
2.14 Расчёт заземляющих устройств
Заземление - преднамеренное гальваническое соединение металлических частей электроустановки с заземляющим устройством.
Защитное заземление - заземление частей электроустановки с целью обеспечения электробезопасности.
Заземляющее устройство - совокупность заземлителя и заземляющих проводников.
Заземлителем называют металлический проводник или группу проводников, находящихся в соприкосновении с землей. Различают естественные и искусственные заземлители.
Естественные заземлители - различные конструкции и устройства, которые по своим свойствам могут одновременно выполнять функции заземлителей: водопроводные и другие металлические трубопроводы (кроме трубопроводов горючих или взрывчатых жидкостей и газов, а также трубопроводов, покрытых изоляцией от коррозии), металлические и железобетонные конструкции зданий и сооружений, имеющие надежное соединение с землей.
Под искусственными заземлителями понимают закладываемые в землю металлические электроды, специально предназначенные для устройства заземлений. В качестве искусственных заземлителей применяют: для вертикального погружения в землю стальные стержни диаметром 12-16 мм, угловую сталь с толщиной стенки не менее 4 мм или стальные трубы (некондиционные) с толщиной стенки не менее 3,5 мм; для горизонтальной укладки - стальные полосы толщиной не менее 4 мм или круглую сталь диаметром 6мм.
Заземляющие проводники служат для присоединения частей электроустановки с заземлителем.
В зависимости от расположения заземлителей относительно заземляющего электрического оборудования различают выносное и контурное заземление.
При выносном заземлители размещают в стороне от заземляющего оборудования и в этом случае корпуса оборудования находятся вне зоне растекания токов в землю.
При контурном (применяется обычно в ОРУ) заземлители располагают вокруг заземляющего оборудования, вблизи от него.
В зависимости от напряжения, на которое рассчитывается заземление и вида присоединения нейтрали сопротивление заземляющего устройства может быть:
а) не более 4 Ом в электроустановках напряжением до 1000 В с изолированной нейтралью;
б) не более 2; 4; 8 Ом в электроустановках напряжением, равным 660; 380; 220 В с глухозаземлённой нейтралью;
в) не более 0,5 Ом в электроустановках напряжением выше 1000 В с глухозаземлённой нейтралью;
г) в электроустановках напряжением выше 1000 В с изолированной нейтралью сопротивление Rз , Ом, должно удовлетворять условию:
, (2.63)
где Uз =250 В, если заземляющее устройство используется
только для установок напряжением выше 1000 В;
Uз =125 В, если заземляющее устройство одновременно ис-
пользуется и для установок напряжением до 1000 В;
Iз - расчетный ток замыкания на землю, А.
Расчет заземляющих устройств сводится к расчету заземлителя.
В качестве заземлителя выбираем в дипломном проекте прутковые электроды. Выбираем грунт - глина.
Коэффициент повышения сопротивления для глины
[6, с.260, таб.7.3].
Рассчитываем удельное сопротивление грунта
, Ом-м,
, (2.64)
где
- измеренное значение удельного сопротивления грун-
та, Ом-м; для глины
[6, с.257];
- коэффициент повышения удельного сопротивления; для
глины
[6, с.260, таб.7.3].
Находим сопротивление одиночного заземлиеля R0 , Ом,
(2.65)
Определяем ток однофазного короткого замыкания на землю Iз ,А,
(2.66)
где U - номинальное напряжение, кВ;
lв - протяженность воздушных линий, км;
lк - протяженность воздушных линий, км..
Определяем сопротивление заземляющего устройства Rз , Ом, при условии, что оно является общим для напряжений 35кВ, 10кВ и 0,4кВ по (2.63)
Выбираем Rз=4Ом согласно ПУЭ для напряжения 0,4кВ.
Находим число n, шт, электродов
, (2.67)
где
- коэффициент экранирования;
[4, с.257, таб.7,1]
Таким образом, заземляющее устройство состоит из пяти прутковых электродов.
2.15 Спецификация на электрооборудование и материалы
Таблица 2.11 - Спецификация на электрооборудование и материалы
| Номер обор | Наименование | Тип | Кол-во |
| 1 | Силовой трансформатор | ТМН 4000/35 | 2 |
| 2 | Трансформатор тока 35 кВ | ТВ-35-100/5 | 4 |
| 3 | Разъединитель 35 кВ | РНДЗ-2-35/1000 | 4 |
| 4 | Трансформатор напряжения 35 кВ | НОМ-35-66 | 2 |
| 5 | Вакуумный выключатель 35 кВ | ВБГЭ-35-12,5/630 | 2 |
| 6 | ОПН 35кВ | ОПН-35 | 2 |
| 7 | Провод воздушный | АС-70, l=10+25 км | 1 |
| 8 | Вакуумный выключатель 10 кВ | ВВ/ТЕL-10-20/800 | 11 |
| 9 | Трансформатор тока 10 кВ | ТОЛ-10 | 11 |
| 10 | Трансформатор напряжения 10 кВ | НАМИ-10 | 2 |
| 11 | Кабель силовой | ААБ-10-3х50, l=4,2км | 6 |
| 12 | Шины алюминиевые | 50х6, l=15 м | 2 |
| 13 | Изоляторы | ОНШ-10-5 | 30 |
| 14 | Конденсаторная установка | УКЛ-6/10-750 | 2 |
| 15 | Предохранитель 10кВ | ПКТН - 10 | 4 |
| 16 | ОПН 10 кВ | ОПН-10 | 4 |
СПИСОК ИСПОЛЬЗУЕМОЙ ЛИТЕРАТУРЫ
1 Н.А. Афанасьев, М.А. Юсипов. Система технического обслуживания и ремонта оборудования энергохозяйств промышленных предприятий. М., Энергоатомиздат, 1989.
2 К.И. Дорошев. Комплектные распределительные устройства 6-35 кВ. М., Энергоиздат, 1982.
3 А.Ф. Зюзин, Н.З. Поконов, М.В. Антонов. Монтаж, эксплуатация и ремонт электрооборудования промышленных предприятий и установок. М., Высшая школа, 1986.
4 Л.Л. Коновалова, Л.Д. Рожкова. Электроснабжение промышленных предприятий и установок. М., Энергоатомиздат, 1989.
5 Е.А. Конюхова. Электроснабжение объектов. М., Высшая школа, 2001.
6 Б.Ю. Липкин. Электроснабжение промышленных предприятий и установок. М., Высшая школа, 1990.
7 Б.Г. Меньшов. Электрооборудование нефтяной промышленности. М., Недра, 1990.
8 Б.Н. Неклепаев. Электрическая часть электростанций и подстанций. М., Энергоатомиздат, 1989.
9 Прайс-листы заводов-изготовителей.
10 А.А. Фёдоров. Справочник по электроснабжению и электрооборудованию, том1. М., Энергоатомиздат, 1986.
11 А.А. Фёдоров, Л.Е. Старкова. Учебное пособие для курсового и дипломного проектирования по электроснабжению промышленных предприятий. М., Энергоатомиздат, 1986.
70>50>41>
















