125066 (593066), страница 5
Текст из файла (страница 5)
Электромагнитная часть представляет из себя передаточную функцию от напряжения статора к току статора:
(2.21)
где Rсуммарное сопротивление двигателя определяется по формуле:
(2.22)
здесь Rф2 активное сопротивление выходного фильтра на выходе АИН, Ом;
R1 активное сопротивление обмотки статора, Ом;
R2 приведенное активное сопротивление обмотки ротора, Ом;
k2 коэффициент электромагнитной связи ротора.
Взаимная индуктивность асинхронного двигателя определится:
(2.23)
Индуктивность рассеяния статора:
(2.24)
Полная индуктивность фазы статора:
(2.25)
Индуктивность рассеяния ротора:
(2.26)
Полная индуктивность фазы ротора:
(2.27)
Индуктивность рассеяния асинхронного двигателя:
(2.28)
или по приближенной формуле
(2.29)
В дальнейших расчетах L 0,0071 Гн.
Коэффициент электромагнитной связи ротора определяется по формуле:
(2.30)
Численное значение суммарного сопротивления двигателя определится:
Электромагнитная постоянная времени асинхронного двигателя определяется по формуле:
(2.31)
Электромагнитный момент двигателя формируется на основании уравнения:
(2.32)
где рп число пар полюсов обмотки статора, рп=2.
Механическая часть асинхронного двигателя представляется интегрирующим звеном с передаточной функцией:
Структурная схема силовой части системы ПЧ –АД смоделирована в программе Simulink. Вид модели представлен на рисунке 2.2.
Рис. 2.2 Структурная схема электропривода в числовом виде
Рис. 2.3 Схема исследования по задающему воздействию
Момент статической нагрузки Мс=26,7 Н·м соответствует номинальному моменту двигателя, который определятся:
(2.33)
Рис. 2.4Переходная характеристика по задающему воздействию
Переходная характеристика характеризует силовую часть электропривода как апериодическое звено с коэффициентом усиления K=21,9.Время переходного процесса в системе равно tпп.зад=0,415 с.
Рис. 2.5 Частотные характеристики по задающему воздействию
Частотные характеристики показывают, что система является статической, так как наклон низкочастотной части ЛАХЧ нулевой.
Система:
обладает достаточным быстродействием, частота среза ср=190 рад/с;
устойчива с запасом по фазе 59,8 и запасом по амплитуде 16,8 дБ.
Исследование влияния возмущения – статической нагрузки на силовую часть системы ПЧ – АД осуществляется в соответствии со схемой, изображенной на рисунке 2.4.6. Отличие от схемы, изображенной на рисунке 2.4.3 состоит в местах расположения контрольных точек Input и Output .
Результаты исследования системы представлены на рисунках 2.7 и 2.8.
Рис. 2.6 Схема исследования по возмущающему воздействию
Рис. 2.7 Переходная характеристика по возмущающему воздействию
Система ПЧ-АД обладает низким быстродействием (время переходного
процесса tпп.возм=0,412 с). Время переходного процесса скорости при единичном скачке задающего сигнала (tпп.зад=0,415 с) почти не отличается от времени переходного процесса при наличии возмущения. Причем низкое быстродействие системы связано с достаточно большим моментом инерции. Поэтому и коэффициент усиления в системе низкий.
(2.34)
Рис. 2.8 Частотные характеристики по возмущающему воздействию
3. Специальная часть проекта
3.1 Особенности ПЧ основанных на IGBT-транзисторах
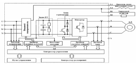
Преобразователь построен по принципу двухзвенного преобразования энергии с промежуточным звеном постоянного тока и автономным инвертором напряжения. Функциональная схема преобразователя представлен на рисунке 3.1.
Рис. 3.1 Функциональная схема преобразователя
Силовая часть преобразователя включает в себя трехфазный мостовой выпрямитель (входной выпрямитель), звено постоянного тока (звено ПТ), трехфазный мостовой инвертор (инвертор) и блок торможения. Входной выпрямитель включает в себя цепь предварительного заряда емкостей звена постоянного тока, обеспечивающую ограничение тока заряда и плавное нарастание напряжения на конденсаторах. В преобразователях мощностью 5,5-37кВт входной выпрямитель является неуправляемым, при этом отключение звена постоянного тока преобразователя осуществляется с помощью встроенного электромагнитного реле. В преобразователях мощностью 45-90кВт входной выпрямитель является полууправляемым и выполняет функцию отключения звена постоянного тока преобразователя.
Звено постоянного тока представляет собой емкостной фильтр, служащий источником постоянного напряжения для инвертора. Для уменьшения пульсаций тока в звене постоянного тока и снижения гармонических составляющих тока как в обмотках двигателя, так и потребляемого из сети рекомендуется использование внешнего дросселя постоянного тока, подключаемого к клеммам L1 и L2 преобразователя. При отсутствии дросселя постоянного тока клеммы L1 и L2 соединяются перемычкой, поставляемой в комплекте с преобразователем.
Инвертор, построенный на IGBT-транзисторах, преобразует напряжение звена постоянного тока в переменное напряжение заданной частоты и амплитуды. Блок торможения представляет собой встроенный ключ управления внешним тормозным резистором, подключаемым к клеммам В1 и В2 преобразователя и предназначен для реализации режима динамического торможения двигателя (при необходимости реализации высоких темпов торможения).
Драйверы силовых ключей входного выпрямителя и инвертора обеспечивают управление соответственно тиристорами и затворами IGBT, формируют сигналы защит, а также осуществляют гальваническую развязку силовых и управляющих цепей. В преобразователях мощностью 5,5-37кВт драйвера силовых ключей входного выпрямителя отсутствуют.
Система датчиков преобразователя включает в себя датчики напряжения на входе и в звене постоянного тока преобразователя, датчики выходного тока, а также датчик температуры силовой части преобразователя. Источник питания обеспечивает формирование питающих напряжений, необходимых для работы преобразователя. Также имеется гальванически развязанный канал питания 24В (250мА) для питания внешних устройств, подключаемых к интерфейсному модулю. Контроллер управления управляет согласованной работой всех модулей преобразователя и реализует большинство защитных и сервисных функций. Контроллер расширений включает в себя набор средств взаимодействия с внешними управляющими устройствами. В состав контроллера расширений входят:
• 3 аналоговых выхода (4.20мА) с индивидуальной гальванической развязкой, предназначенные для мониторинга параметров электропривода. Функциональное назначение каждого выхода может быть определено пользователем.
• 2 аналоговых входа (0.20мА или 0.10В) с индивидуальной гальванической развязкой, один из которых предназначен для подключения задатчика уставки и датчика технологического параметра;
• 8 дискретных входов типа "сухой контакт" с групповой гальванической развязкой, для приема управляющих сигналов от устройств автоматики. Функциональное назначение каждого дискретного входа может быть определено пользователем.
• 3 релейных выхода (~250VAC, 3A или 30VDC, 3A), имеющие нормально замкнутые и нормально разомкнутые контакты. Функциональное назначение выходов:
- работа/останов;
- авария/нет аварии;
- включение дополнительного двигателя.
• встроенные источники питания с общей гальванической развязкой:
- 10В (50мА) для подключения потенциометра формирования сигнала задатчика технологического параметра;
- 24В (250мА) для питания датчика технологического параметра или внешних устройств пользователя.
• драйвер интерфейса RS-485 с гальванической развязкой и поддержкой протокола ModBus, предназначенный для подключения пульта дистанционного управления или внешних управляющих контроллеров. Встроенный (местный) пульт управления позволяет выполнять процедуры просмотра, редактирования параметров преобразователя, управления и контроля режимов работы электропривода.
Электромагнитная совместимость (ЭМС).
Преобразователь соответствует требованиям к помехоэмиссии по ГОСТ Р 51317.6.4 и устойчив к электромагнитным помехам по ГОСТ Р 51317.6.2.
Работа преобразователя сопровождается генерацией электрических сигналов с широким спектром частот, что может привести к появлению электромагнитных помех. Распространяться эти помехи могут как по силовым кабелям, подключенным к преобразователю, так и непосредственным излучением в окружающее пространство. Работа вентилей входного выпрямителя вызывает появление негармонического тока потребления, что может привести к ухудшению качественных показателей электрической энергии в точке подключения преобразователя к питающей сети. Это объясняется, во-первых, скачкообразным изменением параметров цепи во время коммутационных процессов в вентильной группе, во-вторых – изменением величины тока нагрузки и связанным с этим падением напряжения на индуктивном сопротивлении сети в коммутационном интервале. Работа силовых элементов преобразователя в ключевых режимах с короткими фронтами импульсов напряжения и тока с частотой следования до нескольких килогерц может сопровождаться появлением индустриальных радиопомех. Приобретенный Вами преобразователь соответствует требованиям к помехоэмиссии и устойчив к электромагнитным помехам. Однако на практике все же возможны ситуации, когда необходимо принимать дополнительные меры в целях минимизации влияния помех, генерируемых преобразователем на работу различного рода оборудования, или наоборот, защищать от помех сам преобразователь. При решении этих задач рекомендуется использовать приведенные ниже общие меры по подавлению помех:
• Не прокладывайте питающие сетевые кабели и кабели подключения двигателя параллельно друг другу или в непосредственной близости друг от друга.
• По возможности используйте экранированные силовые кабели или используйте кабели, проложенные внутри заземленной металлической трубы, которая будет служить для них экраном.
• Максимальная длина кабеля для прямого подключения двигателя к преобразователю не должна превышать 30 метров. При подключении к одному преобразователю нескольких двигателей учитывается суммарная длина кабелей.
• Корпус преобразователя и двигатель необходимо заземлять в одной точке. Для заземления необходимо использовать винты заземления, находящиеся сбоку преобразователя.
• Для линий управляющих сигналов или для подключения датчиков используйте экранированную витую пару. Экран таких кабелей должен быть обязательно заземлен.
• Установить устройство для подавления импульсных помех в оборудовании, расположенном вблизи от преобразователя.
Улучшение электромагнитной совместимости.
Для улучшения электромагнитной совместимости к преобразователю может подключаться следующее дополнительное оборудование:
• сетевой дроссель;
















