125016 (593056), страница 4
Текст из файла (страница 4)
Рисунок 6 - Схема ключа выбора режима ПВ1-10
Таблица 15 - Техническая характеристика переключателя ПВ1-10
| Параметры прибора | Величина прибора |
| Напряжение питания, В | 220 |
| Частота, Гц | 50 |
| Номинальный то контактов, А | 6 |
| Число коммутированных цепей, шт. | 4-2 |
| Фиксация коммутируемых цепей число независимых | 10º-120º |
| Коммутируемых цепей | 1-4 |
3.3.3 Блок ручного управления БРУ-22
Блок ручного управления рассчитан на перемещения в автоматизированных системах управлениях техническими процессами и предназначен для переключения цепей управления исполнительными устройствами, индикации положения цепей управления.
Таблица 16 - Техническая характеристика БРУ-22
| Параметры прибора | Величина прибора | |
| Напряжение питания, В | 220 | |
| Параметры прибора | Величина прибора | |
| Частота, Гц | 50 | |
| Температура окружающей среды, ºС | +5-+50 | |
| Влажность, % | 30-80 | |
| Потребляемая мощность, ВА | 2,5 | |
| Масса, кг | 0,5 | |
3.3.4 Указатель положения регулирующего органа
Дистанционный указатель положения ДУП предназначен для передачи на щит оператора сведений о положение регулирующего органа в системе регулирования. Показания измерительного прибора ИП, включенного в измерительную диагональ моста соответствуют положению выходного вала исполнительного механизма в процентах от полного угла поворота вала.
Рисунок 7 - Принципиальная электрическая схема ДУП
Таблица 17 - Техническая характеристика ДУП
| Параметры прибора | Величина прибора |
| Напряжение питания, В | 220 |
| Частота, Гц | 50 |
| Потребляемая мощность, ВА | 23 |
| Температура окружающей среды, ºС | +5-+50 |
| Быстродействие, С | 3 |
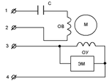
3.3.5 Пускатель бесконтактный реверсивный
Пускатель бесконтактный реверсивный типа ПБР-2 Предназначен для управления асинхронным однофазным конденсаторным электродвигателем, который используется в качестве приводов исполнительном механизме типа МЭО-63/25-0,63.
Рисунок 8 - Принципиальная электрическая схема пускателя ПБР-2
Пускатель может управляться не только пассивными, но и активными сигналами с помощью дополнительных тиристорных ключей, срабатывание которых происходит при подаче управляющего напряжения. Кроме того, пускатель специальный выход для управления электромагнитным тормозом МЭО-63/25-0,63.
Таблица 18 - Техническая характеристика пускателя ПБР-2
| Параметры прибора | Величина прибора |
| Напряжение питания, В | 220 |
| Частота, Гц | 50 |
| Потребляемая мощность, ВА | 88 |
| Температура окружающей среды, ºС | +5-+50 |
| Токовый сигнал, mА | 5 |
| Габариты, мм | 240х90х196 |
| Быстродействие, С | 10 |
3.3.6 Регулирующий орган
В качестве регулирующего органа используется односедельный клапан прямого действия.
Рисунок 9 - Регулирующий орган
Таблица 19 - Техническая характеристика клапана
| Параметры прибора | Величина прибора |
| Тип клапана | VFGS 2 |
| Диаметр трубы, мм | 15-125 |
| Среда воздействия | пар |
| Максимальная температура, ºС | 350 |
| Условное давление, кгс/см² | 40 |
| Масса, кг | 60 |
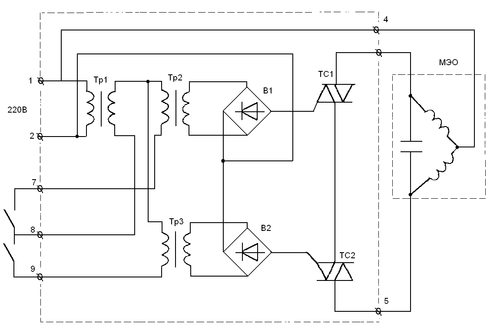
3.3.7 Исполнительный механизм
Для перемещения регулирующего органа применяется электрический однооборотный исполнительный механизм типа МЭО-63/25-0,63
Рисунок 10 - Схема исполнительного механизма
3.4 Описание работы схем автоматического контроля и регулирования
3.4.1 Контроль давления острого пара
Для контроля давления острого пара используется тензопреобразователь Сапфир 22 М-ДИ (поз. 1а), унифицированный сигнал от тензопреобразователя поступает на вторичный прибор КСУ-1 (поз. 1в), где и регистрируется.
3.4.2 Контроль температуры острого пара
Для контроля температуры острого пара используется термоэлектрический преобразователь ТХА (поз. 2а), сигнал с термопреобразователя поступает на вторичный прибор КСП-2 (поз. 2б), где контролируется и регистрируется.
3.4.3 Регулирование давления редуцированного пара
Для измерения давления редуцированного пара используется тензопреобразователь Сапфир 22 М-ДИ (поз.4а), выходящий токовый сигнал поступает на электронный регулятор РЕМИКОНТ Р-130 (поз.4б), где сравнивается с сигналом задания. Сигнал задаётся с помощью клавиатуры (поз. 4г) и мыши (поз. 4д ) и фиксируется на мониторе (поз. 4в). В регуляторе происходит сравнение сигналов, в случае отклонения от заданного параметра, с регулятора поступает сигнал, через ключ выбора режима ручного или автоматического (поз.3г), на тиристорный пускатель (поз. 3в), который включает исполнительный механизм (поз. 3б), приводящий в действие регулирующий клапан (поз. 3а), который действует до тех пор пока температура не станет равным заданному значению. Положение регулирующего органа показывает дистанционный указатель положения ДУП (поз.3д).
3.4.4 Регулирование температуры редуцированного пара
Для измерения температуры редуцированного пара используется термопара ТХК (поз.5а), выходящий сигнал поступает на электронный регулятор РЕМИКОНТ Р-130 (поз. 4б), где сравнивается с сигналом задания. Сигнал задаётся с помощью клавиатуры (поз. 4г) и мыши (поз. 4д) и фиксируется на мониторе (поз. 4в). В регуляторе происходит сравнение сигналов, в случае отклонения от заданного параметра, с регулятора поступает сигнал, через ключ выбора режима ручного или автоматического (поз. 6г), на тиристорный пускатель (поз.6в), который включает исполнительный механизм (поз. 6б ), приводящий в действие регулирующий клапан (поз. 6а ), который действует до тех пор пока давление не станет равным заданному значению. Положение регулирующего органа показывает дистанционный указатель положения ДУП (поз. 6д).
3.4.5 Контроль давления редуцированного пара
Для контроля давления редуцированного пара используется тензопреобразователь Сапфир 22 М-ДИ (поз. 7а) унифицированный сигнал от тензопреобразователя поступает на вторичный прибор КСУ-1 (поз. 7б), где контролируется и регистрируется.
3.4.6 Контроль расхода редуцированного пара
Для контроля расхода редуцированного пара в качестве первичного преобразователя используется сужающее устройство диафрагма камерная ДК-100 (поз. 8а), разность давлений по импульсным трубкам подаётся на дифманометр – расходомер ДМ 3583М (поз. 8б), где происходит преобразование разности давления в электрический сигнал, который поступает на вторичный прибор КСД-1 (поз. 8в), где контролируется и регистрируется.
3.4.7 Контроль температуры редуцированного пара
Для контроля температуры редуцированного пара используется термоэлектрический преобразователь ТХК (поз. 9а), сигнал с термопреобразователя поступает на вторичный прибор КСП-2 (поз. 9б), где контролируется и регистрируется.
3.5 Выполнение кабельных (импульсных) трасс
При эксплуатации силовых кабельных линий должно производится техническое обслуживание и ремонт, направление на обеспечение их надёжной работы. Для каждой кабельной линии при вводе в эксплуатацию должны быть установлены наибольшие допустимые токовые нагрузки. Нагрузки должны быть определены по участку трасс с наихудшими тепловыми условиями, если длина не менее 10 метров. Повышение этих нагрузок допускается на основе тепловых испытаний при условии, что нагрев жил не будет превышать допустимый государственными стандартами и техническими условиями. При этом нагрев кабелей должен проверятся на участках трасс с наихудшими условиями охлаждения. В кабельных сооружениях должен быть организован систематический контроль за тепловым режимом работы кабелей, температурой воздуха и работой вентиляционных устройств.
Температура воздуха внутри кабельных трасс туннелей, каналов и шахт в летнее время должна быть выше температуры наружного воздуха не более 10оС.
При сдаче в эксплуатацию кабельных линий на напряжение свыше 1000 В кроме документации, предусмотренной СНиП и отраслевыми правилами приёмки, должны быть оформлены и переданы энергопредприятию:
чертёж профиля кабельной линии в местах пересечения с дорогами и другими коммуникациями для кабельных линий на напряжение 35 кВ и для особо сложных трасс кабельных линий на напряжение 6-10 кВ;
акты состояния кабелей на барабанах и в случае необходимости протоколы разборки и осмотра образцов;
кабельный журнал;
инвентарная опись всех элементов кабельной линии;
акты строительных и скрытых работ с указанием пересечений и сближений кабелей со всеми подземными коммуникациями;
акты на монтаж кабельных муфт;
















