200923 (593042), страница 2
Текст из файла (страница 2)
Буровой насос УНБ-600 горизонтальный, поршневой, двухцилиндровый, двойного действия, состоит из гидравлической и приводной части, смонтированных на общей раме.
2.3.1 Гидравлическая часть насоса УНБ-600
Гидравлическая часть насоса УНБ-600 состоит из следующих основных узлов: двух литых стальных гидравлических коробок, соединенных между собой снизу приемной коробкой, а сверху корпусом блока пневмокомпенсаторов.
На приемной коробке установлен всасывающий воздушный колпак. Приемная коробка насоса соединяет всасывающую трубу со всасывающими клапанами (рис. 2.3, 2.4 и 2.5 ).
Рис. 2.3 Клапан насоса УНБ-600 в сборе:
1 - втулка; 2 – пружина; 3 – тарелка клапана; 4 – седло в сборе
Рис 2.4 Седло насоса УНБ-600 в сборе:
1 – уплотнение клапана; 2 – кольцо пружинное; 3 – кольцо; 4 – кольцо наружное; 5 – седло; 6 – направляющая; 7 – втулка
Рис 2.5 Тарелка клапана насоса УНБ-600
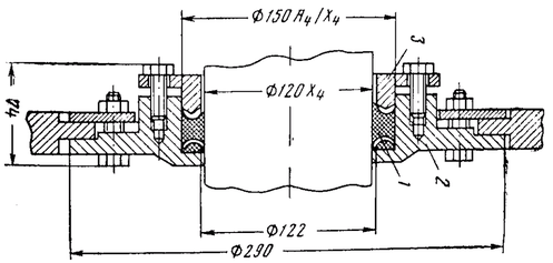
Внутри гидравлических коробок устанавливаются сменные цилиндрические втулки (рис. 2.6, 2.7), внутренний диаметр которых выбирается в зависимости от требуемого давления и подачи насоса. Наружные размеры всех втулок одинаковы. С целью повышения сроков службы втулок внутренняя поверхность их подвергается термической обработке. Уплотнение цилиндровых втулок насоса УНБ-600 (рис. 2.6) производится путем установки между буртиком цилиндровой втулки 1 и стаканом 4 двух комбинированных уплотнений 2, разделенных стальным кольцом 3. Кольцо имеет по наружному и внутреннему диаметрам проточки с отверстиями. В случае износа уплотнения через специальное отверстие А в гидравлической коробке раствор должен вытекать наружу, что и явится сигналом о неисправности уплотнения цилиндровой втулки.
Закрепление цилиндровых втулок производится с помощью стакана 5 и крышки 7 подтягиванием гаек 8.
Рис 2.6 Уплотнение цилиндровых втулок насоса УНБ-600
Цилиндровая крышка 7 уплотняется при помощи самоуплотняющихся манжет 6 и 9. Подтяжка уплотнения 2 цилиндровой втулки производится с помощью болта 10.
Рис 2.7 Цилиндровая втулка насоса УНБ-600
В цилиндровых втулках перемещаются поршни (рис. 2.8). Поршень 13 (см. рис. 2.6) состоит из сердечника с конической расточкой и привулканизированных к нему двух резиновых манжет. Поршень насажен на конический хвостовик штока 14 и крепится к нему с помощью гайки 12 и контргайки 11.
Рис 2.8 Поршень П 170-7 (ГОСТ 11267-65) насоса УНБ-600
1 – сердечник; 2 – уплотнение
Шток (рис. 2.9) соединен с надставкой штока (рис. 2.10), резьбовый конец которого ввернут в корпус ползуна. При вращении эксцентрикового вала насоса УНБ-600 через шатуны, ползуны и штоки поршни получают возвратно-поступательное движение.
Для увеличения износостойкости штоков их рабочая поверхность закаливается на высокую твердость.
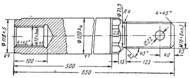
Рис 2.9 Шток поршня насоса УНБ-600
Рис 2.10 Шток ползуна насоса УНБ-600
Уплотнение (рис. 2.11, 2.12) состоит из корпуса 4, направляющей втулки 6, упорного резинового кольца 5, четырех уплотнительных резиновых колец 5, упорного кольца 11 и второй направляющей втулки.
Рис 2.11 Уплотнение штока насоса УНБ-600
Направляющие втулки и опорное кольцо изготавливаются из капролита. Упорное кольцо 11 поджимается при помощи втулки 7 через фланец 9.
Рис 2.12 Комплект уплотнителей штока насоса УНБ-600
1 – втулка; 2 – упорное кольцо; 3 – манжета уплотнения штока; 4- опорное кольцо
Подтяжка уплотнения производится при неработающем насосе с помощью гаек 10 и шпилек 8.
Для увеличения долговечности уплотнения штока осуществляется смазка и охлаждение штоков жидким маслом. Масло подается на штоки насосом Г11-22. Привод насоса осуществляется от трансмиссионного вала.
Рис 2.13 Уплотнение штока ползуна
Герметизация соединения гидравлической коробки с корпусом 4 осуществляется самоуплотняющейся манжетой 1 и резиновым кольцом 2.
Для того чтобы предотвратить попадание глинистого раствора в приводную часть насоса, создано специальное уплотнительное устройство (рис. 2.13). Глинистый раствор может быть внесен в приводную часть надставкой штока, поэтому отмеченное уплотнение сальникового типа. Манжеты 1, расположенные в корпусе сальника 2, поджимаются фланцем 3. Манжеты обжимают надставку штока и не дают возможность вносить глинистый раствор в приводную часть. Фланец 3 поджимается при остановке насоса. Поджатие осуществляется с тем, чтобы устранить попадание глинистого раствора, чрезмерная затяжка не требуется, так как при этом преждевременно выходят из строя манжеты.
2.3.2 Приводная часть насоса УНБ-600
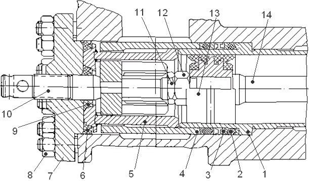
Приводная часть насоса УНБ-600 состоит из узлов коренного вала (рис. 2.14.), трансмиссионного вала (рис. 2.15. ) и шатунного механизма (рис. 2.16.), установленных в литой чугунной станине.
Коренной вал (см. рис. 2.14.) выполнен в виде сварнолитной конструкции. Он состоит из двух эксцентриков 2, зубчатого венца 1 и вала 3. Зубчатый венец 1 напрессован на эксцентрики 2. Вал установлен на четырех конических подшипниках 4. Подшипники помещены в станках 6. Регулировка подшипников производится при помощи прокладок 5. Смазка подшипников осуществляется пружинными тавотницами.
Рис 2.14. Узел коренного вала
Эксцентрики коренного вала смещены относительно друг друга на угол 90° и имеют эксцентриситет 200 мм. На эксцентрики 2 посажены по два конических рукоподшипника 7. Эксцентриситет обеспечивает ход поршня в 400 мм. Подшипники вала смазываются тем же маслом масляной ванны, находящейся в картере корпуса, что и зубчатое зацепление, разбрызгиванием от зубчатой пары. Трансмиссионный вал приводит во вращение коренной вал при помощи косозубой шестерни 5 (см. рис. 2.15). Шестерня выполнена заодно с валом, который установлен на двухрядных сферических роликовых подшипниках 4, помещенных в стакан 3. С помощью резинового кольца 2 уплотняется крышка стакана подшипников. Специальное уплотнение 6 предотвращает вытекание смазки из подшипников.
Рис 2.15 Трансмиссионный вал
Консистентная смазка подается в подшипники пружинными тавотницами 1. Плавающий подшипник А, имеет тепловой зазор для расширения. Оба конца трансмиссионного вала сделаны одинаковыми, что позволяет монтировать насос с правым и левым расположением привода. Свободный конец вала защищается кожухом. Шкив крепится на конце вала шпонками и двумя стяжными болтами.
Места смазки обозначены на рис. 2.14 и 2.15 римскими цифрами.
Рис 2.16. Ползун
На рис. 2.16 показан поперечный разрез ползуна по кольцу шатуна. Ведущие головки шатунов установлены на конических роликоподшипниках, которые в свою очередь насажены на эксцентрики. Малые головки шатунов 3 (рис. 2.16) соединены с ползуном 1 при помощи цилиндрических пальцев 2 и подшипников скольжения 5.
Смазка подшипников 5 производится через отверстие в малой головке шатуна. К этим отверстиям масло подводится из масляной камеры, которая крепится к корпусу станины над. ползуном. Корпус ползуна 1 изготовляется из стали (ст. 35Л). Сменной деталью ползуна является накладка 4, изготовляемая из чугуна.
Направляющие накладки корпуса ползуна смазываются маслом, которое подается самотеком из камеры. Масло в эту камеру попадает путем разбрызгивания от зубчатой передачи. Осмотр зубчатого зацепления и заливка масла в ванну производятся через специальный лоток. Для контроля уровня масла имеется маслоуказатель, для слива масла — специальные резьбовые отверстия диаметром 75 мм. Для подогрева масла в зимнее время в ванну станины может быть вмонтирован подогреватель. Станина насоса крепится к его раме восемью болтами. Для удобства транспортировки рама насоса выполнена в виде салазок.
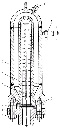
Блок пневмокомпенсатора насоса УНБ-600 (рис. 2.17) тупикового типа предназначен для снижения величины колебаний давления в напорном трубопроводе. Он состоит из корпуса 5, на котором: установлены три воздушных колпака 3 с разделителем. Объем воздушной части каждого колпака 17 дм3. Воздушные колпаки имеют приспособление 2 для контроля давления газа в колпаках и предохранительный клапан 4.
Рис 2.17 Блок пневмокомпенсатора насоса УНБ-600
Воздушный колпак (рис. 2.18) состоит из перфорированной трубы и резинового баллона. Корпус колпака, опираясь на фланец перфорированной трубы, крепится шпильками к фланцу корпуса блока пневмокомпенсатора. В результате затяжки гаек обжимается фланец резинового баллона и тем самым герметизируется полость между баллоном и колпаком. Для выпуска сжатого воздуха или газа в верхней части колпаков имеются пробки 13.
Рис. 2.18 Пневмокомпенсатор (воздушный колпак) с разделителем
1 - гайка; 2 – фланец корпуса блока воздушных колпаков; 3 - шпилька; 4 – перфорированная труба; 5 – резиновый баллон; 6 – корпус колпака; 7 - пробка; 8 - вентиль; 9 - уплотнение
Каждый корпус колпака имеет вентиль 1, к которому подсоединяется приспособление для контроля давления газа в газовой полости колпаков. При помощи этого же приспособления происходит заполнение колпаков газом. Снимается колпачок 6, и на резьбовой конец патрубка наворачивается накидная гайка шланга высокого давления 7, второй конец которого присоединяется к баллону со сжатым газом. До заполнения газом пневмокомпенсатора отвинчивают пробку 13 и заливают в газовую полость колпаков по 100 - 150 см³ воды. Наличие воды обеспечивает более надежную герметизацию в газовой полости колпаков.
К корпусу блока пневмокомпенсатора крепится предохранительный клапан, проходное отверстие в котором закрыто мембраной изготавливается из латуни марки-Л62М. Толщина ее равна
мм. На мембрану 8 опирается сменное кольцо 9 и прижимается к ней при помощи трубы 10 и гайки 12.
Герметичность соединения мембраны с фланцем осуществляется за счет резинового кольца 11. Завод-изготовитель поставляет комплект сменных колец 9, которые отличаются размерами внутреннего диаметра. Каждой сменной цилиндровой втулке, а значит и рабочему давлению, соответствует определенное сменное кольцо 9. Кольца маркированы. Маркировка указывает рабочее давление. С повышением давления глинистого раствора сверх допустимого мембрана 8 срезается по контуру внутреннего диаметра кольца. При этом глинистый раствор сливается при помощи трубы 10 в емкость.
Буровой насос УНБ-600, по сравнению с ранее выпускаемым насосом У8-4, имеет ряд оригинальных усовершенствований. В опоры коренного вала и большой головки шатуна введены регулируемые подшипники, что обеспечивает бесшумную работу механизмов.
Упорная резьба перенесена на съемный фланец гидрокоробки, что позволяет успешно ремонтировать насос в промысловых условиях. Более рациональная конструкция уплотнения колпаков способствует удлинению срока их службы. Конструктивные улучшения внесены также в предохранительный клапан и пневмокомпенсатор. Все эти усовершенствования повысили надежность и долговечность насоса УНБ-600. Высокое рабочее давление и широкий диапазон сменных цилиндровых втулок позволяют использовать насос УНБ-600 на режимах, обеспечивающих большую скорость бурения.
















