124283 (592902), страница 2
Текст из файла (страница 2)
Исходя из требований предъявляемых к электроприводам механизмов ЭКГ – 4,6 необходимо применять двигатели постоянного тока, работающие по системе «Г-Д». Следовательно, одновременно с выбором двигателей непосредственно выбираются генераторы постоянного тока.
В качестве приводного двигателя для экскаватора ЭКГ – 4,6 целесообразно использовать высоковольтный асинхронный двигатель с короткозамкнутым ротором.
Для привода вспомогательных механизмов применятся низковольтные асинхронные двигатели с короткозамкнутым ротором. Тип выбираемого двигателя определяет его расчетную мощность и требуемой частоты вращения. Данные выбранного двигателя приведенные в таблице.
Таблица 1. Технические данные двигателей
| Машина | Рр кВт | Рн кВт | Uн В | Cos φa | Iя | Частота вращения, об/мин | |
| Наименование | Тип | ||||||
| 1 | 2 | 3 | 4 | 5 | 6 | 7 | 8 |
| Генератор: | |||||||
| подъема | ПЭМ-2000 | - | 192 | 451 | - | 425 | 1480 |
| поворота-хода | ПЭМ-1000 | - | 90 | 610 | - | 200 | 1480 |
| напора | ПЭМ-400 | - | 42 | 375 | - | 112 | 1480 |
| возбудитель | МП-542–1/2 | - | 12 | 115 | - | 104 | 1480 |
| Двигатель: | |||||||
| приводной | АЭ-113–4 | 214 | 250 | 6000 | - | 59 | 1480 |
| подъема | ДПЭ-82 | 159 | 174 | 460 | - | 410 | 740 |
| поворота | ДПВ-52 | 45 | 55 | 305 | - | 220 | 1200 |
| напора | ДПЭ-52 | 48 | 54 | 395 | - | 150 | 1200 |
| хода | ДПЭ-52 | - | 54 | 395 | - | 150 | 1200 |
| открывания днища | ДПЭ-12 | - | 3,6 | 110 | - | 42 | 1430 |
2.6 Выбор передвижного приключательного пункта
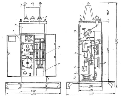
Для подключения экскаватора, а также защиты от падения напряжения в сети, короткого замыкания и однофазного замыкания используется передвижная приключательный пункт, выполняемый КРУ тип ЯКНО-6ЭП.
Рис. 7 Комплектное распределительное устройство ЯКНО-6ЭП: 1 – опорно-штыревые изоляторы; 2 – изоляторы проходки; 3 – предохранители; 4 – трансформатор напряжения; 5 – привод; 6 – корпус ячейки; 7 – рама; 8 – разъединитель; 9 – масляный выключатель; 10 – привод пружинный; 11 – трансформатор тока; 12 – трансформатор тока нулевой последовательности; 13 – салазки
Выбор КРУ на 6 кВ для защиты сетевого двигателя экскаватора от токов короткого замыкания которое одновременно могло служить и приключательным пунктом экскаватора. Выбрать также ток установки максимальной защиты КРУ. Выдержка времени защиты tзащ=0. Данные для выбора КРУ и его токовой защиты: приводной двигатель – асинхронный трехфазного тока с коротко замкнутым ротором АЭ-113–4. Мощность 250 кВт, напряжение 60006 мощностью 30 кВ·А, напряжением 6000220 В.
При нормальной работе экскаватора ток в высоковольтном кабеле будет
А
По номинальным параметрам предварительно выбираем КРУ типа ЯКНО-6ЭР с ручным приводом ПРБА-113 на ток Iном =50 А, Uн = 6 кВ с Iамп = 51 кА, Iоткл = 20 кА, Sоткл = 150 000 кВ·А.
Параметры ЯКНО-6ЭР Расчетные величины
UКРУ = 6 кВ Uр = 6 кВ
IКРУ = 50 А Iр = 32 А
Iоткл =20 кА I0,1 = Iк.з. = 3,92 кА
Sоткл =150000 кВ·А S0,1 = S к.з. = 42 720 кВ·А
Таким образом, принятый приключательный пункт ЯКНО-6ЭР на ток Iн =50 А устойчив по отношению к токам короткого замыкания.
Определяем требуемый ток установки максимальных токовых реле мгновенного действия РТМ-1, встроенных в привод ПРБА-113 приключательного пункта ЯКНО-6ЭР.
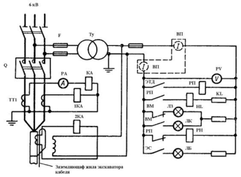
2.7 Выбор коммутационного оборудования и кабелей
Выбор коммутационного оборудования производиться в соответствии с электрической схемой ЯКНО.
Рис. 8 электрическая схема ЯКНО
Условия выбора:
Uн≥Uуст
Iн ≥ Iрасч
IР = 32 А
Выбираем выключатель масляный типа ВМП
Uн=10 кВ
Iн=630 А и разрядник типа РВЗ-6 пл.тар = ЧТС ×Тэф×ЧСП, тенге
где ЧТС – часовая тарифная ставка
Тэф – эффективный фонд рабочего времени одного рабочего в год часов
ЧСП – списочная численность рабочих З100%; тенге
Пр=пл = Зпл = 2258136+451627+1016518+285840=4012121 тенге
Расчет дополнительного фонда заработной платы
ДФЗП = × число отпускных дней × ЧСП, тенге
ДФЗП = × 30 × 3 = 286967 тенге
Расчет годового фонда заработной платы
Год.ФЗпл + Доп.ФЗпл =4012121+286967=4299088 тенге
2.8 Расчет амортизационных отчислений
Основные фонды ТОО «Казахдорстрой» – это один из важных элементов факторов производства, необходимые для организации процесса производства.
Амортизация – это процесс переноса стоимости основных фондов на себестоимость продукции. Амортизация отражает стоимость износа основных фондов. Амортизация начисляется по нормам амортизации с использованием первоначальной или текущей стоимости основных фондов.
Сумма амортизаций рассчитывается по формуле:
SA=пс×На100%=7708800 тенге
Таблица 4. Амортизационные оборудования выемочно-погрузочного участка
| Наименование оборудывания | Количество единиц | Балансовая стоимость, тенге | Норма амортизации | Сумма амортизации | |||
| единицы | всего | ||||||
| Экскаватор ЭКГ – 4,6 | 1 | 52800000 | 52800000 | 14,6 | 7708800 | ||
| Итого | 1 | 52800000 | 52800000 | 14,6 | 7708800 | ||
Расчет амортизационных отчисленний на здание для отдыха рабочих
Здание кирпичное размерами 5×10 м, балансовая стоймость которого 200000 тг.
Норма амортизации 2,1%.
Таблица 5. Амортизация здания для отдыха рабочих
| Наименование оборудывания | Количество единиц | Стоимость единицы оборудывания | Стоимость оборудывания всего | Норма амортизации | Сумма амортизации |
| Здание кирпичное для обслуживание персонала | 1 | 200000 | 200000 | 2,1 | 4200 |
| Итого | 1 | – | – | 2,1 | 4200 |
2.9 Смета затрат на эксплуатацию и содержание оборудования
При эксплуатации дробильного завода происходит расход материалов. Их стоимость и нормы расходов сводим в таблицу.
Таблица 6. Расчет стоимости материалов
| Наименование материала | Единица измерения | Норма расхода за месяц | Норма расхода за год | Цена за единицу продукции, тг. | Сумма расхода за год, тг. |
| Масла, смазки и обтирочные материалы | Кг/т | 0,0375 | 168,192 | 84000 | 14128128 |
| итого | - | - | - | - | 14128128 |
ТОО «Казахдорстрой» является одним из крупнейших потребителей электроэнергии. Расход электроэнергии рассчитывается по формуле
W=Pуст ×Тдн × nчас 0,93×0,91=4720028 кВт×ч
Рассчитываем стоимость электроэнергии по формуле:
С =тариф за 1кВт×ч×W, тенге
С = 7,19×4720028=33937003 тенге
Таблица 7. Смета затрат на эксплуатацию и содержание оборудования
| Наименование статей | Общая стоимость оборудования, тг. | Размер отчислений, % | Сумма, тг. |
| Эксплуатация оборудования; | 17600000 | 1,5 | 264000 |
| Текущий ремонт; | 17600000 | 20 | 3520000 |
| Износ малоценного оборудования и инструмента; | 17600000 | 0,5 | 88000 |
| Итого | – | – | 3872000 |
| Прочие расходы | – | 5 | 193600 |
| Всего | – | – | 4065600 |
Смета затрат на эксплуатацию и содержания оборудования рассчитывается для сведения ее в смету накладных расходов.
Накладные расходы – это условно постоянные расходы независящие от объёмов производства.
Таблица 8. Смета накладных расходов
| Статьи затрат | Источник расчета | Сумма, тг |
| Расходы по охрана труда | 10% от годового фонда зарплаты | 1166276 |
| Эксплуатация и содержание оборудование | Таблица 7 | 40645600 |
| Прочие расходы | 10% от итого | 523187 |
| Всего | – | 5755063 |
Таблица 9. Смета суммарных затрат
| Статьи затрат | Сумма, тг. |
| Стоимость материала | 14128128 |
| Стоимость электроэнергии | 33937003 |
| Основная заработная плата рабочего | 10884269 |
| Дополнительная заработная плата рабочего | 778497 |
| Начисление на заработную плату | 2332553 |
| Амортизация оборудования | 7708800 |
| Амортизация здания | 4200 |
| Накладные расходы | 5755063 |
| Итого | 75528513 |
Исходя из сметы суммарных затрат, рассчитываем стоимость затраты на одну тонну добычи полезного ископаемого.















