124281 (592901), страница 5
Текст из файла (страница 5)
, (4.2)
где
- стоимость 1 кВтч потерь энергии к.з.
Так как > 0,1, то мощность трансформаторов выбирается по перегрузочной способности.
На графике выделим типовую часть из условия Sпик > Sср и определим коэффициент начальной нагрузки Кз и коэффициент перегрузки Кп' по формулам:
(4.3)
, (4.4)
где вместо
принимаем среднее значение мощности
.
Полученное значение
меньше, чем 0,9 Кmax = 1,3, поэтому принимаем
= 1,3 и корректируем продолжительность перегрузки по формуле:
(4.5)
Расчет показывает, что уточненные значения Н незначительно отличается от определенного Н’ по графику, поэтому в дальнейшем будем считать, что Н=14.
По полученным значениям
= 0,59 и Н= 14 по графику [5] определяем допустимое значение перегрузки Кп = 1,05.
Определим номинальную мощность трансформатора в соответствии с формулой:
кВА (4.6)
На основании выполненного расчета принимаем к рассмотрению два варианта трансформаторов: вариант 1 – трансформаторы номинальной мощностью 16000 кВА, вариант 2 – с номинальной мощностью25000 кВА.
Проверим возможность перегрузки намеченных трансформаторов при выходе из строя одного из них.
Вариант 1. При отключении одного трансформатора мощностью 16000 кВА оставшийся в работе трансформатор сможет пропустить мощность, равную 1,4 SH = 1,416000 = 22400 кВА, т.е. 76% всей потребляемой районом мощности.
Коэффициент 1,4 учитывает допустимую предельную перегрузку трансформатора в аварийном режиме.
Вариант 2. При отключении одного трансформатора мощностью 25000 кВА оставшийся в работе может пропускать мощность, равную 1,4 SHТ2 = 1,425000 = 35000 кВА, т.е. всю потребляемую районом мощность.
5 Расчет токов короткого замыкания
5.1 Расчет токов короткого замыкания в электроустановках
выше 1000 В
Питание потребителей осуществляется от системы бесконечной мощности.
Расчет выполнен в базисных единицах. Принимаем за базисные единицы номинальную мощность трансформатора районной подстанции
МВА и Иб=115 кВ.
Находим базисный ток:
кА (5.1)
Составляем схему замещения и нумеруем ее элементы в порядке их расположения от системы бесконечной мощности в направлении к точкам к.з.
Определяем в соответствии с таблицей сопротивления элементов схемы замещения в базисных единицах.
Трансформатор Т1
(5.2)
(5.3)
линия ВЛ-110
(5.4)
где
- протяженность линии, км.
К расчету токов к.з.
| | SC = ∞ Xc = 0 220 кВ 125 МВА 220/110 Pк = 315 кВт Ur = 11% 115 кВ ВЛ ry= 0, 26 Ом/км xy = 0,4 Ом/км К1 115 кВ 25 МВА 110/10 Pк = 120 кВт Ur = 10,5% К2 10,5 кВ КЛ ry= 0,320 Ом/км xy = 0,08 Ом/км К3 10,5 кВ 1,6 МВА Pк = 18 кВт Ur = 5,5% | | К1 К2 К3 | |
Рисунок 1 – Расчетная схема | Рисунок 2 – Схема замещения | |||
(5.5)
где xуд – удельное реактивоное сопротивление на 1 км длины линии Ом/км;
- активное сопротивление на 1 км длины линии, определяемое как
(5.6)
где
- удельная проводимость проводов, принимаемое равным 32 м/Оммм2 по справочным данным;
- сечение проводов, равное 120 мм2. Тогда
Ом/км
Суммарное сопротивление для точки К1
Т.к.
, активное сопротивление не учитывается.
Таким образом
кА (5.7)
Ударный ток в рассматриваемой точке составит
кА, (5.8)
где
- ударный коэффициент.
Для точки короткого замыкания
принимаем Uб=10,5 кВ, Sб=125 МВА
кА
С учетом влияния сопротивления нагрузки xнагр = 1,2 суммарное сопротивление до точки К2 составит:
(5.9)
(5.10)
кА (5.11)
кА
МВА (5.12)
Для точки короткого замыкания расчетные точки достаточно взять на шинах ГПП (точка К2), т.к. протяженность линии незначительна (l = 0,84 км).
Для расчета заземлания ГПП (К1) необходимо определить ток однородного к.з. в точке К1. Для этого составляем схему нулевой последовательности до точки К1, в которую войдет лишь линия 110 кВ своим индуктивным сопротивлением. Сопротивление нулевой последовательности линии определяется из соотношения
[7]. Отсюда
= 3
, где
Ом,
= 32 = 6 Ом.
Сопротивление трансформатора 125 МВА в именованных единицах равно
Ом (5.13)
Ом.
Результирующее сопротивление схем обратной и прямой последовательности равны
=
=14 Ом
Ток однофазного к.з. в точке К1 составит:
кА (5.14)
5.2 Расчет токов короткого замыкания в электроустановках до 100
В элеватора
Расчет токов к.з. в сети напряжением 0,4 кВ выполняем в именованных единицах. Все элементы сети на стороне ВН трансформатора рассматриваются как источник неограниченной мощности. Работа трансформаторов предприятия раздельная. Сопротивление элементов схемы высшего напряжения до трансформатора предприятия в именованных единицах составляет
Ом,
= 0,07 Ом.
Приводим сопротивление ситемы электроснабжения к напряжению 0,4 кВ
мОм (5.15)
мОм (5.16)
Определяем сопротивление трансформаторов предприятия
мОм (5.17)
мОм (5.20)
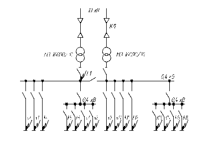
Рассчитаем ток к.з. в точке К1 (рисунок 2) на вводе низшего напряжения ТП.
Суммарное реактивное сопротивление равно
мОм (5.21)
Суммарное сопротивление активное (кроме сопротивлений элементов системы электроснабжения высшего напряжения и трансформатора ТП) должно учитывать переходные сопротивления контактов. Для этой цели в расчет вводим добавочное сопротивление, которое на шинах подстанции составит 15 мОм.
мОм (5.22)
Ток в точке К1 равен:
кА (5.23)
Ударный ток в точке К1
кА (5.24)
Аналогично рассчитываем ток к.з. в других точках цеховой сети, при этом учитываем сопротивление контактов. Результаты расчетов приведены в таблице 5.1.
Таблица 5.1 – Расчетные значения токов к.з. в низковольтной сети
| Точка | x, мОм | rдоб, мОм | r, мОм | IК, кА | iуд, кА |
| К2 | 13,22 | 20 | 70,23 | 3,23 | 4,56 |
| К3 | 13,22 | 20 | 70,23 | 3,23 | 4,56 |
| К4 | 13,22 | 20 | 70,23 | 3,23 | 4,56 |
| К5 | 13,22 | 20 | 70,23 | 3,23 | 4,56 |
| К6 | 9,72 | 25 | 98,83 | 2,32 | 3,28 |
| К7 | 8,58 | 25 | 71,33 | 3,21 | 4,53 |
| К8 | 9,11 | 25 | 67,83 | 3,38 | 4,76 |
| К9 | 5,71 | 25 | 42,83 | 5,35 | 7,5 |
| К10 | 13,22 | 20 | 70,23 | 3,23 | 4,56 |
| К11 | 13,22 | 20 | 70,23 | 3,23 | 4,56 |
| К12 | 10,21 | 25 | 75,53 | 3,03 | 4,28 |
| К13 | 13,11 | 20 | 69,73 | 3,24 | 4,57 |
| К14 | 13,22 | 25 | 116,83 | 1,96 | 2,77 |
| К15 | 8,9 | 25 | 53,94 | 4,23 | 5,96 |
К расчету току к.з.
Рисунок 3
6 Выбор и проверка оборудования
6.1 Выбор высоковольтных кабелей для распределительной
сети напряжением 10 кВ
Передачу электроэнергии от источника до приемного пункта осуществляем кабельными линиями. Сечение жил кабелей выбираем по техническим и экономическим условиям.
Начальное условие – соответствие выбранного номинального питающего напряжения 10 кВ напряжению устанавливаемого оборудования, в данном случае кабельных линий.















