123844 (592869)
Текст из файла
Содержание
Введение
1. Описание котельной
1.1 Краткое описание котельной
1.2 Описание тепловой схемы существующей котельной
2. Расчет тепловых процессов в котельной
3. Расчет тепловой схемы котельной
4. Тепловой расчет парового котла ДЕ-25-14ГМ
4.1 Исходные данные для расчёта
4.2 Определение присосов воздуха и коэффициентов избытка воздуха по газоходам
4.3 Расчёт объёмов воздуха и продуктов сгорания
4.4 Расчёт энтальпий воздуха и продуктов сгорания
4.5 Расчёт потерь теплоты, КПД и расхода топлива
4.6 Тепловой расчёт топки
4.7 Расчёт первого конвективного пучка
4.8 Расчёт второго конвективного пучка
4.9 Расчёт водяного экономайзера
4.10 Определение невязки теплового баланса
5. Аэродинамический расчет парового котла ДЕ-25-14ГМ
Введение
Теплоснабжение является одной из основных задач энергетики. На теплоснабжение народного хозяйства и населения расходуется около 1/3 всех используемых в Украине первичных топливно-энергетических ресурсов. Одной из важнейших задач ускорения научно-технического прогресса является внедрение новых конструкторских и технологических разработок, надёжных и эффективных, обеспечивающих существенное повышение производительности труда, экономию материальных ресурсов, охрану окружающей среды. Необходимо обновление производства, в первую очередь за счёт замены малоэффективного оборудования прогрессивным, высокопроизводительным; усовершенствование тепловых схем котельных и повышение эффективности их работы за счёт более полного использования теплоты. Развитие промышленности и широкое жилищно-коммунальное строительство вызывают непрерывный рост потребления тепловой энергии. Одновременно идёт процесс концентрации этой нагрузки в крупных городах и промышленных районах, что создаёт предпосылки для дальнейшего развития различных схем теплофикации.
1. Описание котельной
1.1 Краткое описание котельной
Котельная установка предназначена для производственных целей и оборудована паровым котлом типа ДЕ-25-14ГМ. Максимальная паропроизводительность котельной
(т/ч). Конденсат возвращается в количестве 80% при температуре 70оС. Давление пара, необходимое потребителю, равно 7ат. Обычно потребность в паре для технологических потребителей составляет: летом
(т/ч), в зимнее время – до 8 т/ч. Т.е., как в летнее время, так и в зимнее обычно работает один котёл. Второй котёл находится в резерве. Котел оборудованы непрерывной продувкой, принимаемой равной 5%. Потери на собственные нужды котельной составляют 5% общего расхода вырабатываемого пара.
1.2 Описание тепловой схемы существующей котельной
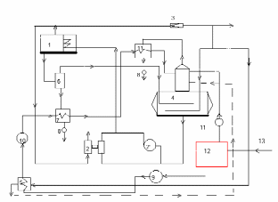
Насыщенный пар из котла 1 с давлением
атм поступает в общую паровую магистраль котельной, из которой часть пара отбирается на привод резервного парового поршневого насоса 2. К основным производственным потребителям пар направляется с давлением 7ат после прохода через редуктор 3. С этим же давлением пар используется для нагрева питательной воды в деаэраторе 4 и исходной воды в пароводонагревателе 5. Возврат конденсата по линии 13 от потребителей осуществляется в конденсатный бак 12, откуда он при помощи конденсатных насосов 11 подаётся в деаэратор. В него поступает также предварительно обработанная водопроводная вода, восполняющая потери конденсата, а также конденсат от пароводонагревателя 5. Для уменьшения потерь тепла с продувочной водой устанавливается сепаратор непрерывной продувки 6. В сепараторе за счёт снижения давления с 7 до 1,7атм частично выделяется пар вторичного вскипания, который направляется в деаэратор, а остаточная продувочная вода охлаждается до 40Сo в водоводяном теплообменнике 7, после чего сбрасывается в барботёр 8, а затем в дренаж. Исходная водопроводная вода с температурой 5Сo, подаваемая насосом 9, нагревается в теплообменнике 5 до 25Сo, затем проходит химическую водоочистку 10 и теплообменник 7, в котором нагревается до 36Сo. После этого исходная вода проходит через охладитель выпара 11, дополнительно нагреваясь до 39Сo, и лишь затем попадает в деаэратор. В головке деаэратора смешиваются три потока при средней их температуре 80Сo.
Добавочная вода и конденсат в деаэраторе подогреваются до 104Сo как острым паром
, так и паром, полученным в сепараторе непрерывной продувки. Из бака-деаэратора питательным насосом 2 (2’) вода нагнетается в водяные экономайзеры котлов. Обычно для питания используются центробежные насосы 2', а паровые поршневые 2 являются резервными. Тепловая схема котельной приведена на рис.1.1.
Рисунок 1.1. Принципиальная тепловая схема котельной.
2. Расчёт тепловых процессов в котельной
Паропроизводительность котельной «брутто» составляет
(т/ч).
Общее количество возвращаемого в котельную конденсата
(т/ч).
Расход воды на продувку
(т/ч).
Количество пара, выделяемое в сепараторе непрерывной продувки
(т/ч).
Где
и
– энтальпия воды соответственно при 14 ат и 1,7 ат, в ккал/кг;
– энтальпия насыщенного пара при 1,7 ат, ккал/кг;
– значение коэффициента, учитывающего потери тепла.
Количество воды непрерывной продувки, сливаемое в канализацию
(т/ч).
Количество воды, добавляемое для питания котлов
(т/ч).
Количество воды, подвергаемое химической водоподготовке, с учётом собственных нужд (gхим=10%)
(т/ч).
Количество питательной воды, поступающей из деаэратора, с учётом непрерывной продувки
(т/ч).
Расход выпара из деаэратора
(т/ч).
Где
т/т – удельный расход выпара в т на 1т деаэрируемой воды (по данным ЦКТИ).
Расход пара для подогрева исходной воды в теплообменнике 5
(т/ч).
Где
и
– энтальпия исходной воды при входе и выходе из теплообменника 5 (численно равные их температурам), ккал/кг;
и
– энтальпия насыщенного греющего пара и воды при давлении пара 7 ат, ккал/кг.
Количество конденсата из теплообменника 5, возвращаемое в деаэратор принимаем количество возвращаемого конденсата численно равным расходу пара, т.е.:
(т/ч). А энтальпию конденсата берём при давлении 7 ат:
ккал/кг.
Энтальпия химически очищенной воды (численно равная её температуре) после её нагрева в теплообменнике 7
(ккал/кг).
Где i”7 и i’7 – энтальпия воды при выходе и входе в теплообменние 7, ккал/кг;
i’1,7- энтальпия продувочной воды при давлении 1,7 ат, ккал/кг.
i’др- энтальпия сбрасываемой в барботёр воды (принимаемая численно равной температуре 40Сo).
Энтальпия химически очищенной воды после её нагрева в охладителе выпара (теплообменник 11)
ккал/кг.
Где
и
– энтальпия воды при выходе и входе в теплообменник 11 (численно равные их температурам);
i’1,2 и i”1,2 – энтальпия пара и конденсата при давлении 1,2 ат.
Средняя энтальпия (численно равная средней температуре) потоков воды, вошедших в деаэратор
(ккал/кг)
(С
)
Расход пара на подогрев питательной воды в деаэраторе (по пару 7 ат)
(т/ч).
Где
– энтальпия греющего пара при 7 ат, ккал/кг;
– энтальпия питательной воды в деаэраторе при давлении 1,2 ат;
– средняя энтальпия водяных потоков, поступающих в деаэратор.
Количество пара, расходуемое на собственные нужды котельной
(т/ч).
Количество пара, выдаваемое потребителю
(т/ч).
или в % это составит
%.
3. Расчёт тепловой схемы котельной
Исходные данные для расчёта тепловой схемы котельной с паровым котлом, работающей на закрытую систему теплоснабжения.
| ||||||||||
| Физическая величина | Обозначение | Обоснование |
| |||||||
| Максимально-зимнего | Наиболее холодного месяца | Летнего | ||||||||
| 1 | 2 | 3 | 4 | 5 | 6 | |||||
| Расход пара на технологические нужды (давление 0,6 МПа, температура 180оС), т/ч |
| Задан | 15 | 15 | 10 | |||||
| Расход теплоты на нужды отопления и вентиляции, МВт |
| Задан | 9 | - | - | |||||
| Расход теплоты на ГВС, МВт |
| Задан | 1,8 | 1,8 | 1,5 | |||||
| Расчётная температура наружного воздуха для г. Кременчуга, Сo -при расчёте системы отопления -при расчёте системы вентиляции |
| Задан | -29 | -20 | ||||||
|
| Задан | -20 | - | - | ||||||
| Возврат конденсата технологическими потребителями, % |
| Задан | 80 | 80 | 80 | |||||
| Энтальпия пара при давлении 0,6 МПа, (после РУ), кДж/кг |
| Табл. водяных паров | 2815 | 2815 | 2815 | |||||
| Температура питательной воды, Сo |
| Задана | 104 | 104 | 104 | |||||
| Энтальпия питательной воды, кДж/кг |
| Табл. Водяных паров | 436 | 436 | 436 | |||||
| Непрерывная продувка котла, % | pпр | Принята | 3 | 3 | 3 | |||||
| Энтальпия котловой воды, кДж/кг | iк.в. | Табл. Водяных паров | 829 | 829 | 829 | |||||
| Степень сухости пара | X | Принята | 0,98 | 0,98 | 0,98 | |||||
| Энтальпия пара на выходе из расширителя непрерывной продувки, кДж/кг | iрасш | Табл. водяных паров | 2691 | 2691 | 2691 | |||||
| Температура подпиточной воды, Сo | tподп | Принята | 70 | 70 | 70 | |||||
| Энтальпия подпиточной воды, кДж/кг | iподп | Табл. водяных паров | 336 | 336 | 336 | |||||
| Температура конденсата, возвращаемого от потребителей, Сo | tк | Задана | 80 | 80 | 80 | |||||
| Энтальпия конденсата, возвращаемого от потребителей, кДж/кг | iк | Табл. водяных паров | 336 | 336 | 336 | |||||
| Температура воды после охладителя непрерывной продувки, Сo | tпр | Принята | 50 | 50 | 50 | |||||
| Энтальпия конденсата при давлении 0,6 МПа, кДж/кг | iроук | Табл. водяных паров | 669 | 669 | 669 | |||||
| Температура сырой воды, Сo | tс.в. | Принята | 5 | 5 | 15 | |||||
| Температура химически очищенной воды перед охладителем деаэрированной воды, Сo | tх.о.в. | Принята | 20 | 20 | 20 | |||||
-
Расчёт тепловой схемы котельной ведётся для трёх наиболее характерных режимов работы:
А. Максимально зимний режим;
Характеристики
Тип файла документ
Документы такого типа открываются такими программами, как Microsoft Office Word на компьютерах Windows, Apple Pages на компьютерах Mac, Open Office - бесплатная альтернатива на различных платформах, в том числе Linux. Наиболее простым и современным решением будут Google документы, так как открываются онлайн без скачивания прямо в браузере на любой платформе. Существуют российские качественные аналоги, например от Яндекса.
Будьте внимательны на мобильных устройствах, так как там используются упрощённый функционал даже в официальном приложении от Microsoft, поэтому для просмотра скачивайте PDF-версию. А если нужно редактировать файл, то используйте оригинальный файл.
Файлы такого типа обычно разбиты на страницы, а текст может быть форматированным (жирный, курсив, выбор шрифта, таблицы и т.п.), а также в него можно добавлять изображения. Формат идеально подходит для рефератов, докладов и РПЗ курсовых проектов, которые необходимо распечатать. Кстати перед печатью также сохраняйте файл в PDF, так как принтер может начудить со шрифтами.















