123328 (592793), страница 2
Текст из файла (страница 2)
При использовании канатов важно обеспечить не только достаточную их прочность, но и надежное соединение с элементами конструкции подъемника.
Стальные канаты должны рассчитываться на статическое разрывное усилие
Р=>
, (1.4)
где Р – разрывное усилие каната, принимаемое по таблицам ГОСТ или результатам испытания каната на разрыв, кН; К – коэффициент запаса принимаемый по таблице 6 ПУБЭЛ в зависимости от типа канатоведущего органа, назначения и скорости кабины [1]; S – расчетное статическое натяжение ветви каната, кН.
Величина расчетного натяжения ветви канатной подвески должна определяться по следующим зависимостям: для канатов подвески кабины.
(1.5)
для канатов подвески противовеса
(1.6)
где Q – грузоподъемность кабины, кН; QК – масса кабины, кН; QП – масса противовеса, кН; QТК– масса тяговых канатов от точки схода с КВШ до подвески, кН; QН – масса натяжного устройства уравновешивающих канатов, кН; m – число параллельных ветвей канатов; Uп – кратность полиспаста; где DK = 0,08 м – диаметр катков; RP = 0,2 коэффициент – сопротивления передвижению от трения ребер о направляющие; f = 0,02 коэффициент трения качения ходовых колес о направляющие; μ = 0,01 коэффициент трения в цапфах катка; r = 0,025 радиус цапф;
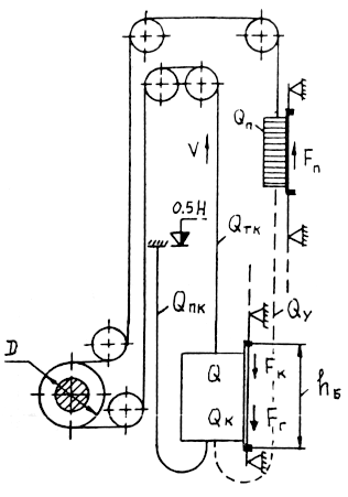
рис.3. Расчетная схема строительного подъемника
Масса тяговых канатов определяется по формуле
(1.7)
где
– приближенное значение массы 1 метра тягового каната, кг/м (принимается 0,4-0,5 кг/м),
м.
Минимальное число канатов регламентируется данными таблицы 5 ПУБЭЛ в зависимости от типа подъемника и вида канатоведущего органа лебедки [1].
При грузоподъемности 500 – 1000 кг – от 4 до 6 канатов.
Неуравновешенная часть тяговых канатов при скорости кабины не более 1,4 м/с уравновешивается овальнозвенчатыми цепями, которые не требуют установки натяжного устройства. В этом случае, в формуле (1.6) принимается значение Qн=0.
Р = 8,88 х 12 = 106,6 кН.
По полученному статическому разрывному усилию выбираем типоразмер каната. ЛК-Р 1764 ГОСТ 2688-80:
Sраз = 108кН; dК = 14мм; qТК = 0,728кг/м.
В пассажирских подъемниках применяется прямая подвеска.
По расчетному значению разрывной нагрузки Р и таблицам ГОСТ определяется необходимый диаметр каната, так, чтобы табличное значение разрывной нагрузки было равно или больше расчетной величины.
После выбора типа и определения диаметра каната производится проверка фактической величины коэффициента запаса прочности каната подвески кабины или противовеса.
,(1.8)
где РТ – табличное значение разрывной нагрузки выбранного каната, кН, Qтк = m * qткф * (3-4м) – фактическое значение массы каната от точки схода с КВШ до подвески кабины (противовеса).кг;
– фактическое значение массы 1 метра тягового каната выбранного каната, кг/м.
Правильному выбору каната должно соответствовать условие
(1.9)
12,15 ≥ 12.
Если условие прочности (1.9) не выполняется, следует выбрать канат с большим значением удельной прочности или увеличить число параллельных ветвей.
Надежность и долговечность канатов подъемника определяются не только его прочностными характеристиками.
Для обеспечения долговечности каната важно обеспечить минимальное число их перегибов на отклоняющих блоках и допустимое по ПУБЭЛ соотношение между диаметром каната и огибаемого канатом цилиндрического тела (КВШ, отклоняющий блок). В связи с этим, диаметр КВШ и отклоняющих блоков следует определять с учетом условия долговечности
, (1.10)
где D, d – диаметр огибаемого цилиндрического тела и каната, соответственно, м.; Е – коэффициент допустимого соотношения диаметров регламентируемый данными таблицы 3 и 4 ПУБЭЛ в пределах от 30 до 45 для тяговых канатов и от 18 до 35 для канатов вспомогательных устройств [1].
D = 14 х 40 = 560 мм.
1.3 Расчет канатоведущего шкива
В конструкции механизмов подъема подъемников с канатной подвеской кабины (противовеса) канатоведущие шкивы используются для преобразования вращательного движения выходного вала механизма привода в поступательное перемещение кабины (противовеса).
В зависимости от кинематической схемы подъемника применяются также отклоняющие блоки.
Применение КВШ в подъемниковых лебедках позволяет существенно повысить безопасность пассажиров, практически исключая опасность обрыва канатов, так как кабина может быть подвешена на нескольких параллельных ветвях канатов, а высота переподъема ограничивается проскальзыванием канатов из-за посадки противовеса на буфер.
Независимость параметров лебедки с КВШ от высоты подъема открывает широкие возможности унификации лебедок с соответствующими технико-экономическими преимуществами.
Внешняя нагрузка КВШ, определяемая разностью натяжения канатов подвески кабины и противовеса, уравновешивается действием сил сцепления канатов с ободом. Эти силы зависят от угла обхвата шкива канатами и формы профиля поперечного сечения канавок [10. стр.36].
Для обеспечения работы КВШ без проскальзывания канатов применяются канавки специального профиля (рис. 4).
Канатоведущие шкивы и отклоняющие блоки изготавливаются из чугунного или стального литья. Отливка в зоне обода должна иметь достаточно высокую твердость и однородную структуру.
Расстояние между канавками обода КВШ зависит от диаметра каната
, (1.11)
Ширина обода КВШ определяется числом параллельных ветвей канатов
, (1.12)
где t, d – шаг канавок и диаметр каната, мм; m - число параллельных ветвей канатов; z – число обхватов канатами КВШ.
Рис.4. Профиль поперечного сечения канавки обода КВШ клиновая с подрезом, δ – угол подреза (угол клина)
мм
мм
Диаметр КВШ определяется в зависимости от кинематической схемы подъемника и условия долговечности.
После выбора редуктора лебедки производится уточнение диаметра барабана (КВШ) по кинематическому условию, гарантирующему обеспечение номинальной скорости движения кабины с погрешностью не превышающей 15%.
, м, (1.13)
где Vр – рабочая скорость кабины, равная номинальной или отличающейся на 15 %, м/с; Uр – табличное значение передаточного числа редуктора лебедки;
– номинальное значение частоты вращения вала двигателя, об/мин.
В конструкции отклоняющих блоков, не предназначенных для передачи тягового усилия канатам, применяется полукруглая канавка, обеспечивающая минимальную величину контактных давлений, что способствует увеличению долговечности канатов.
В КВШ используется канавка клиновые с подрезом.
Наибольшую силу сцепления обеспечивают канавки клинового профиля, однако, их существенным недостатком является зависимость силы сцепления от степени износа опорной поверхности.
В результате износа клиновая канавка преобразуется в полукруглую с подрезом с заметно меньшей силой сцепления.
Расчетное обоснование характеристик профиля поперечного сечения канавок КВШ производится по аналитическим зависимостям, полученным на основе рассмотрения особенности взаимодействия растяжимых канатов с ободом шкива.
Приведенное значение коэффициента трения между тяговым канатом и поверхностью ручья КВШ определяется свойством контактирующих материалов и геометрическими характеристиками профиля ручья. От величины этого коэффициента в определяющей степени зависит тяговая способность канатоведущего шкива.
1.4 Расчет натяжения канатов подвески в рабочих и испытательных режимах
Рис. 5. Расчетная схема подъемника с нижним машинным
помещением
а) б)
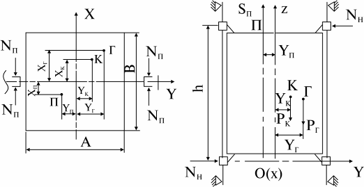
Рис. 6. Схемы к расчету опорных реакций башмаков кабины:
а) схема горизонтальной проекции кабины;
б) схема вертикальной проекции кабины.
Рассмотрим расчет сопротивлений более подробно с учетом расчетных схем, приведенных на рис. 6. Приняты следующие обозначения:; А, В - ширина и глубина кабины, м; h - расстояние между башмаками по вертикали, м; П - обозначение точка подвески кабины; Хп, Yп - продольное и поперечное смещение точки подвески кабины относительно центра пола, м; S - натяжение тяговых канатов, кН; К - положение центра масс кабины; Г - положение центра масс расчетного груза; Хв, Yв - продольное и поперечное смещение центра масс кабины относительно центра пола, м; Хг, Yг - продольное и поперечное смещение центра масс расчетного груза, м; Nп, Nн - нормальные реакции в зоне контакта башмаков с направляющими, которые действуют перпендикулярно и параллельно плоскости направляющих; Рк, Рг - сила тяжести кабины и груза, соответственно, кН.
Силы нормального давления, действующие на башмаки в плоскости направляющих и в перпендикулярном к ним направлении, определим из уравнений равновесия кабины:
∑Мх = 0, ∑Мy = 0, (1.14)
Из уравнений равновесия определим соответствующие нормальные реакции
, (1.15)
, (1.16)
где Рг = Qр*10-2 – величина силы тяжести массы расчетного груза, кН (для пассажирского подъемника Qр=0.5*Qс, где Qс грузоподъемность из условия свободного заполнения кабины; Рк - сила тяжести массы кабины, кН; Хп, Yп - координаты смещения точки подвески кабины принимаются по конструктивным соображениям от 0,03 до 0,1 м; Хв, Yв - величина продольного и поперечного смещения центра масс кабины, зависящая от конструкции дверей кабины и может приниматься в пределах от 0,02 до 0,1 м; Хг,=В/6, Yг=А/6 - определяются в предположении, что расчетный груз равномерно распределен по треугольной площадке, составляющей 50 % площади пола кабины, отделенной диагональю прямоугольного контура [10. стр.64].
Нормальные давления для кабины без груза
(1.17)
(1.18)
Нормальные давления для расчетного груза без учета массы кабины
(1.19)
(1.20)
Сопротивление движению кабины без груза: при башмаках скольжения
(1.21)
где ωр=0,04-0,06 - коэффициент сопротивления движению роликовых башмаков; РР ≤0,01, кН – сила предварительного прижатия ролика к направляющей.
Сила сопротивления движению расчетного груза
- при роликовых башмаках
(1.22)
Сила сопротивления движению противовеса
- при роликовых башмаках
(1.23)
1.4.1 Расчет натяжения канатов подвески кабины Sк и противовеса Sп в рабочих и испытательных режимах
Рассмотрим подъемник с нижним машинным помещением(рис. 6).















