123026 (592747), страница 6
Текст из файла (страница 6)
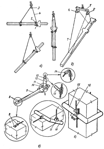
Рис.7-- Строповка колонны:
а - захватными скобами, б - универсальной траверсой,
в, г - приспособлениями для монтажа колонн; 1, 2, 8, 14 - скобы,
3 - блочная подвеска 4, 9, 12, 16 -стропы, 5, 13 — траверсы,
6 — однорольные блоки, 7 - канат, 10, 15 -обоймы, 11 - проушина.
элементов из горизонтального положения в вертикальное (в частности — колонн) такелажнику не приходится подниматься на верх для расстроповки.
Если поднимаемая колонна должна быть после установки расчалена, перед подъемом к колонне прикрепляют расчалки. Балки или стропильные фермы устанавливают на колонну с временных приставных лестниц.
Приспособление применяют для монтажа колонн как одноэтажных, так и многоэтажных зданий. Одним из условий применения данных грузоподъемных приспособлений является отсутствие выше обоймы выступающих деталей.
Длину стропов выбирают в зависимости от длины поднимаемых элементов. Строп можно внизу крепить к скобе или к любой выступающей детали, способной выдержать вес поднимаемого элемента.
После установки колонны в вертикальное положение на фундамент и ее закрепления такелажник с земли открепляет строп от колонны и обойма, принимая горизонтальное положение (за счет противовеса, вставленного внутри трубы обоймы, равного массе стропа и расположенного в противоположной стороне от крепления стропа), снимается с колонны.
Это приспособление применяют в тех случаях, когда колонна расположена на земле плашмя и поднимается в плоскости наименьшей жесткости. Если колонна располагается в горизонтальном положении на ребре, то используют приспособление, представленное на рисунке. Как и в предыдущем примере, перед, подъемом обойму надевают на колонну. Вместо двух облегченных стропов в данном случае применяют один строп, который крепят вверху к траверсе и скобе.
На обойме есть вваренные щеки, между которыми проходит строп. Между щеками вварены овальные прокладки—одна постоянная вверху и вторая перемещающаяся внизу. Нижняя подвижная прокладка оснащена болтами, которые прижимают облегченный строп к обойме и. препятствуют перемещению стропа в процессе подъема. За счет овальности прокладок строп в обойме не перетирается и находится постоянно в необходимом положении. Размеры обоймы должны быть немного больше размеров поднимаемых элементов для того, чтобы после расстроповки обойма, оснащенная стропами, свободно поднималась вверх и соскальзывала с колонны. Если описанных приспособлений нет, применяют полуавтоматические захваты или траверсы.
Колонны поднимают двумя способами: поворотом вокруг ее нижнего конца, лежащего на земле, или способом скольжения. В первом случае стрела крана перемещается по мере подъема колонны, а нижний конец колонны, поворачиваясь, остается на одном месте. Во втором случае стрела крана не перемещается, а низ колонны скользит по земле. Под низ подкладывают катки или тележки.
3.6.2 Техника безопасности при монтаже колонн.
Такелажные работы при монтаже строительных конструкций в большинстве случаев приходится выполнять на большой высоте. Поэтому каждый такелажник должен знать правила техники безопасности.
К работе по монтажу строительных конструкций допускаются лишь рабочие, прослушавшие вводный (общий) инструктаж на рабочем месте о правилах безопасного выполнения конкретной работы. Проведение инструктажа оформляют в журнале соответствующей записью, которая подтверждается подписями рабочего, получившего инструктаж, и лица, проводившего инструктаж.
Такелажники, выполняющие работу на высоте, к которой предъявляются повышенные требования по технике безопасности, должны пройти обучение по утвержденной программе, сдать экзамены по технике безопасности и иметь соответствующее удостоверение. До прохождения обучения их к самостоятельной работе не допускают.
В сроки, установленные Министерством здравоохранения, такелажники проходят предварительный и периодический медицинские осмотры.
К верхолазным и другим особо опасным строительно-монтажным работам допускаются лица не моложе 18 лет. Верхолазными считаются все работы, которые выполняются на высоте более 5 м от поверхности грунта, перекрытия или рабочего настила, над которым производятся работы с временных монтажных приспособлений или непосредственно с элементов конструкций оборудования, машин и механизмов при их установке, монтаже и ремонте. При этом рабочий должен быть в предохранительном поясе.
Администрация монтажного участка обязана все монтажные приспособления, подъемные механизмы и вспомогательные приспособления до пуска в работу подвергнуть техническому освидетельствованию.
Каждый такелажник должен знать правила знаковой сигнализации (табл. 1), применяемой при перемещении грузов кранами.
Во время подачи знаковой сигнализации место, с которого подаются сигналы, должно быть хорошо освещено. При недостаточном освещении места работы, а также при сильном снегопаде или тумане и в других случаях, когда машинист крана плохо различает сигналы стропальщика, работы по подъему или перемещению грузов следует прекратить.
3.7 Безопасные приемы работы при выполнении ремонта.
Указание мер безопасности
1. К обслуживанию грохота могут быть допущены только лица, выдержавшие испытания в объеме техминимума, по технике безопасности и прошедшие инструктаж.
2. Для избежания нарушения правил техники безопасности необходимо:
— обеспечить в помещении для грохота надлежащую общую вентиляцию и отсос пыли;
— очищать сетку деревянными шуровочными приспособлениями и деревянными молотками только после остановки грохота;
— соблюдать при монтаже, опробовании и эксплуатации грохота «Правила технической эксплуатации электроустановок потребителей» и «Правила техники безопасности при эксплуатации электроустановок»;
— заземлить раму стальной проволокой диаметром не менее 5 мм, приварив один конец проволоки к раме, а другой подсоединив к заземляющему контуру цеха;
— заземлить электродвигатель с помощью заземляющей жилы силового кабеля;
— смазывать подшипники только во время полной остановки грохота;
— вести постоянный контроль за грохотом.
3. Запрещается:
— производить какие бы то ни было работы на грохоте, поднятом на стропах;
— включать грохот без ограждения;
— регулировать, смазывать или ремонтировать грохот на ходу;
— включать электродвигатель грохота без заземления и при неисправных злектропусковых устройствах;
— устанавливать на движущихся частях грохота дополнительные детали или сборочные единицы, загрузочные или разгрузочные лотки, кожухи и т. п., так как это может привести к нежелательному изменению режима работы грохота — уменьшению амплитуды колебаний, поломкам;
— подавать материал на грохот с высоты более 0,5 м, так как это увеличит интенсивность износа сит и деталей грохота;
— допускать просыпание материала через борта короба — это может вызвать заштыбовку зазоров между подвижными частями и неподвижными конструкциями;
— оставлять работающий грохот без надзора.
4. Питающие и приемные устройства должны удовлетворять следующим требованиям:
— питающие устройства, подводящие материал, должны равномерно распределять его по всей ширине короба и подавать на грохот по ходу движения;
— загрузка грохота должна производиться через равномерные промежутки времени так, чтобы подаваемый материал не скапливался в загрузочной части короба;
— конструкция загрузочного устройства должна исключать возможность образования столба подаваемого на сито - грохота материала;
— загрузочные устройства должны быть сблокированы с пусковым устройством грохота таким образом, чтобы при включении первым включался грохот, а при выключении первым выключалось загрузочное устройство.
4. Раздел.
Охрана труда
4.1 Общее положение по охране труда для слесаря- ремонтника.
Охрана труда это система законодательных актов и законов. Соответствующих им экономических механических и санитарно – технических норм, направленное на сохранение жизни и здоровья работающих на предприятиях.
Задача охраны труда – свести к минимуму производственный травматизм и профессиональные заболевания.
Производственный травматизм – это состояние нетрудоспособности в результате производительной деятельности (в рабочее время на рабочем месте или на территории предприятия).
Профессиональные заболевания – это болезни, вызванные условиями труда (пыль, шум, освещённость, влажность).
Вредные производственные факторы – это факторы, которые приводят к профессиональным заболеваниям.
Опасные производственные факторы – приводят к производственным факторам (электрический ток, колюще – режущий инструмент, вращающиеся части станков).
Структура органов охраны труда представлена на рисунке № 8
Рис.8-- Структура органов охраны труда
4.1.1 Вредные и опасные производственные факторы на рабочем месте, способы их устранения.
Вредные производственные факторы представлены в таблице № 6.
Вредные производственные факторы.
Таблица № 6.
| Вредные производственные факторы | |||
| Химические | Физические | Биологические | Психофизиологические |
| - токсическая пыль; - химические газы; - химические выбросы; | - пыль; - шум; - освещённость; - вибрации; - излучение; - температура; - влажность; - давление; | - бактерии; - вирусы; - микроорганизмы; | - нервные перегрузки; - стрессы; - монотонность труда; |
Характеристика видов вредных производственных факторов.
-
Микроклимат
t = 18 – 25 oC (для цехов 14 – 16 oC)
W = 40 – 60 %
давление = 760 мм ртутного столба
2. Освещённость – это распределение светового потока по рабочей зоне.
Правила освещённости:
- Наличие двух источников света – естественного и искусственного;
- Равномерность освещения;
- Отсутствие мигания и ярких вспышек.
Измеряется освещённость люксметром, норматив до 30 люкс/м2
3. Шум – это смешение звуков разной частоты и силы, которые присутствуют на рабочем месте.
Звуковая шкала:
- до 20 дБ – уровень шепота;
- до 40 дБ – уровень разговорной речи;
- до 85 дБ – уровень производственного шума;
- до 130 дБ – уровень непереносимого шума;
- до 180 дБ – уровень «утомления метала».
Измеряется шумометром.
-
Вибрации – это колебания различных волновых процессов, которые происходят при определённых физических нагрузках.
Признаки вибрационной болезни:
- частые головные боли, головокружения, обмороки.
- ушные и носовые кровотечения, нервные стрессы;
- отклонения от прямо - хождения, нервные типы;
- инсульт, инфаркт, парализация организма.
5. Производственная пыль – это взвешенные в воздухе твёрдые частицы, которые образуются в воздухе из отходов производства или в процессе труда.
Измеряется двумя показателями ПДК и ПДН.
ПДК – предельно допустимые концентрации.
ПДН - предельно допустимые нормы.
-
Излучение - бывает электромагнитным, ионизирующим, радиоактивным, лазерным и т.д.
Источники излучений:
- силовые подстанции;
- компьютеры и телевизоры;
- атомные электростанции;
- медицинская техника;
- лазерные установки.
Общие требования к организации рабочего места слесаря
Одним из основных элементов организации рабочего места является его планировка, при выполнении которой учитывают требования научной организации труда к расположению рабочего места по отношению к другим рабочим местам в мастерской, расположению оборудования, местоположению рабочего и оснастки, размещению инструментов, приспособлений (порядок на рабочем месте).















