123026 (592747), страница 3
Текст из файла (страница 3)
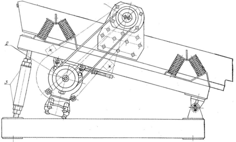
Грохот представляет собой конструкцию, объединяющую в себе: привод, состоящий из электродвигателя со шкивом и клиноременной передачи с ограждением, короб в сборе с ситом, инерционным вибратором, пружинами, поворотную раму, винтовой механизм и опорную раму.
Короб грохота установлен наклонно на четырех пружинных опорах, каждая из которых состоит из двух пружин, расположенных под углом одна к другой. Такое расположение пружин способствует быстрому гашению колебаний при резонансе, возникающем при включении и выключении грохота. Короб совершает колебательные движения под действием центробежной силы инерции, возникающей при вращении дебалансного вала инерционного вибратора. Траектория движения каждой точки короба находится в вертикальной плоскости и представляет собой замкнутую, близкую к окружности в центре и к эллипсу на концах короба. Круговые колебания короба и его наклонное к горизонту положение обеспечивают транспортирование поступающего угля по ситу одновременно с просеиванием. Просеивающийся уголь попадает на дно короба и совершает аналогичные перемещения.
Таким образом, при работе грохота происходит разделение грохотимого материала по крупности на два класса.
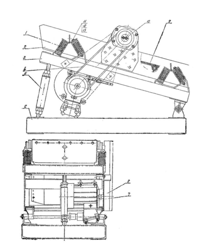
Рис.4--Грохот вибрационный ГВ-06.
1 – пружина ГВ – 06.002; 2 – короб ГВ - 06.060;
3 – рама поворотная ГВ - 06.050; 4 – клиноременная передача;
5 – винтовой механизм; 6 – рама; 7 – электродвигатель;
8 – ограждение ГВ – 06.080; 9 – сито ГВ – 06.100;
10 – инерционный вибратор; 11 – болт М12х150;
12 – гайка; 13 – шайба 12
3.1.4 Устройство и работа составных частей изделия
Короб является основной частью грохота и предназначен для рассортировки по крупности грохотимого материала. Он представляет собой сварно-клепанную конструкцию, состоящую из двух боковых стенок с накладными щеками для крепления вибратора, задней стенки, труб.
Внутри короба вдоль стенок приварены полосы. Они опираются на трубы и служат опорами для сита. На трубы надеты резиновые кольца.
Короб, установленный наклонно, колеблется под действием центробежной силы, возникающей от вращения, дебалансного вала инерционного вибратора.
Инерционный вибратор состоит из дебалансного вала, вращающегося на роликоподшипниках, заключенных в корпусы, уплотнений подшипниковых узлов, приводного шкива, клиноременной передачи и крепежных деталей.
Поворотная рама представляет собой сварную конструкцию из швеллеров и угольников. К нижней ее части крепится электродвигатель, а к верхней — четыре пружинные опоры. Раму устанавливают под углом к горизонту посредством винтового механизма.
Опорная рама представляет собой сварную конструкцию из швеллеров. На ней крепятся поворотная рама и винтовой механизм, при помощи которого устанавливается необходимый угол наклона поворотной рамы.
Электродвигатель через клиноременную передачу сообщает вращение валу вибратора. Электродвигатель закреплен на поворотной раме.
Сито состоит из сетки, захватов и полос, скрепленных болтами. Оно обеспечивает просеивание поступающего материала и его транспортирование.
Сетку сита крепят захватами за связи - балки и за уголок откидной скобы. Скоба состоит из уголка, приваренного к трубам, в которых имеется ось с насаженными на него резиновыми кольцами. Эти кольца обеспечивают необходимое натяжение сита без помощи вспомогательных средств. Дополнительного подтягивания раз натянутого сита не требуется. Это увеличивает срок службы сита и улучшает качество рассева.
3.2 Правила эксплуатации, основные неисправности и их устранение.
Возможные неисправности и методы их устранения грохота вибрационного ГВ-06представлены в таблице №2.
Возможные неисправности и методы их устранения грохота вибрационного ГВ-06.
Таблица №2.
| Наименование неисправности, внешнее проявление и дополнительные признаки | Метод устранения | |
| 1. Перекос пружин | Неправильно выставлены пружины | Выставить пружины |
| 2. Дребезжание поддона | Недостаточно затянуты гайки | Подтянуть гайки |
| 3. Нагрев подшипниковых узлов | Чрезмерное наполнение корпуса подшипника смазкой Применены не соответствующие данным условиям марки смазки Отсутствие смазки в подшипнике Смазка не поступает вследствие засорения смазочных отверстий и каналов Попадание в подшипники пыли | Убрать лишнюю смазку Убрать старую смазку. При помощи шприца ввести смазку 1 —13 жировую ГОСТ 1631-61 Заполнить подшипник смазкой Прочистить смазочные отверстия и каналы Разобрать подшипниковый узел, промыть подшипники, заполнить смазкой |
| 4. Шум в подшипниках и повышение их температуры | Повреждение рабочих поверхностей подшипника Загрязнение подшипника твердыми частицами; загрязнение пространства между лабиринтными кольцами | Заменить подшипник Удалить старую смазку, промыть подшипники бензином и заполнить новой смазкой |
| 5. Грохот замедляет движение, т. е. уменьшается число оборотов приводного вала вибратора. При этом амплитуда колебаний короба увеличивается Недостаточное натяжение сита | Ослабло натяжение приводных ремней Потеря жесткости резиновыми кольцами | Натянуть ремни, отодвинув электродвигатель при помощи натяжного устройства Заменить резиновые кольца |
3.2.1 Порядок установки
1. Подготовьте горизонтальную площадку. Отклонение от горизонтального расположения площадки не должно превышать 1 градуса
2. Установите грохот на площадку таким образом, чтобы со всех сторон было свободное пространство не менее 1м.
3. Закрепите грохот фундаментными болтами.
4. Снимите болты и шайбы.
5. Подсоедините электродвигатель к сети гибким кабелем.
6. Проверьте надежность крепления ограждения.
3.2.2 Подготовка к работе
1. Перед пуском проверьте:
— наличие смазки в подшипниках;
— работу вентиляционных установок;
— затяжку всех гаек и болтов;
— натяжение сети и установку пружинных опор.
2. Проверьте электропитание грохота и в течение одного часа проследите за его работой без нагрузки.
3. Во время работы не должно наблюдаться дребезжания, ударов короба о поворотную раму.
3.2.3 Порядок работы
1. Основным рабочим режимом грохота считается следующий:
— число оборотов двигателя - 1410 об/мин;
— равномерная подача материала по всей ширине короба грохота;
— правильная регулировка угла наклона короба;
2. Соблюдайте при пуске грохота следующую очередность операций:
— очистите сито;
— включите электродвигатель грохота;
— включите подачу материала.
3. Смену сита производите в следующем порядке:
Рис.6--Демонтаж сита
1 – Стенка задняя ГВ – 06.063; 2 – защелка ГВ – 06. 070;
3 – сито ГВ – 06.100; «а» - отверстие; «б» - отверстие
— вставьте ломик в отверстие стенки короба;
— отожмите сито вниз;
— поворачивайте защелку вокруг оси;
— отпустите сито, снимите.
4. Натяжение сита производите в обратном порядке (отверстие служит для подъема защелки).
3.3 Технологическая последовательность технического обслуживания.
Техническое обслуживание
1. Рекомендуемая система планово-предупредительных ремонтов предусматривает выполнение следующих видов работ:
— ежесуточная проверка правильной эксплуатации и технического состояния (П); ремонтные осмотры (РО)
— плановые ремонты — текущие ремонты (Т); капитальные ремонты (К).
2. Ежесуточная проверка правильной эксплуатации и технического состояния осуществляется лицами надзора и специалистами младшего звена (механиками, сменными мастерами и т. д.), а также ремонтными слесарями и электрослесарями. Остальные виды обслуживания производят ремонтные бригады.
3. Ремонт грохота, смазку подшипников, натяжение ремней можно производить только во время полной остановки грохота.
Виды, периодичность и порядок технического обслуживания
Таблица№3
| Вид технического обслуживания | Периодичность | Содержание работ |
| Проверка правильной эксплуатации | Ежесуточно | Проверить нагрев подшипников по нагреву корпуса. Проверить натяжение ремней. Проверить подсоединение заземления грохота |
| Ремонтный осмотр | 1 раз в месяц | Заменить смазку подшипников. Проверить надежность болтовых соединений Проверить надежность крепления ограждения клиноременной передачи. |
| Текущий ремонт | 1 раз в месяц | Произвести работы ремонтного осмотра. Проверить пружинные опоры. Заменить изношенные резиновые кольца. |
4. Капитальный ремонт рекомендуется производить один раз в три года.
5. Названные периодичность и порядок технического обслуживания и ремонтов грохота могут быть изменены с учетом особенностей условий его эксплуатации.
6. При сборке составных частей грохота детали должны быть тщательно очищены от грязи.
7. Запрещается производить посадку деталей ударами молотка.
8. Подшипники перед соединением с валом по напряженным посадкам необходимо нагревать в масле до температуры 80—90°С.
9. Смазка грохота производится согласно таблице ( таблица №4) смазки изделия и рисунку №5.
3.3.1 Правила хранения.
1. Грохот должен храниться под навесом на прокладках, предохраняющих его от соприкосновения с землей, от заливания водой. Способ установки грохота на прокладках должен предохранять его от деформаций и повреждений.
2. Неокрашенные обработанные поверхности составных частей грохота законсервированы согласно ГОСТ 9.014-78. для жестких условий (ОЖ) сроком на 3 года, а запасные части — сроком на 5 лет.
3. Если срок хранения превышает сроки консервации, указанные в разделе «Правила хранения», произвести переконсервацию согласно ГОСТ 9.014-78.
Таблица смазки.
Таблица № 4.
| Наименование и обозначение изделия (механизма), номера позиций на иллюстрированной схеме смазки | Наименование смазочных материалов и № стандарта (технических условий) на них для эксплуатации | Количество точек смазки | Способ нанесения смазочных материалов | Периодичность проверки и замены смазки | Примечание | ||
| При температуре до минус 40°С | При температуре до плюс 40°С | Для длительного хранения | |||||
| Подшипник вибратора 1 Подшипник электро-двигателя 2 | Смазка 1 — 13 жировая ГОСТ 1631 -61 | Смазка К-17 ГОСТ 10877-61 | 2 | Шприцем | 2 раза в месяц | 170 г. на точку См. паспорт электродвигателя ВАС – 21 - 4 | |















