122841 (592716), страница 4
Текст из файла (страница 4)
Хлебопекарные свойства муки зависят от качества и количества клейковины, которая в партиях зерна колеблется от 20 до 28% и качеством не ниже второй группы. Такое зерно принадлежит ко второму классу, оно обеспечивает выработку муки, удовлетворяющей по этому показателю требованиям стандарта. Повышенное содержание примесей в зерновой массе снижает качество вырабатываемой муки. Примеси могут сделать муку не пригодной для употребления. Наличие примесей, особенно трудноотделимых, приводит к необходимости сложной и многоступенчатой очистки зерна. В данных партиях процент сорной и зерновой примеси не превышает пределов допустимой нормы. Для проросшего зерна характерна повышенная активность ферментов. Зерно имеет низкое качество. Из сильно проросшего зерна хлеб получается глинистым и липким. В зерне, поступающим на переработку, должно быть не более 3% проросших зерен. В нашем случае максимальное количество зерен не превышает 2%, такой процент не повлияет на качество готовой продукции. При измельчении стекловидное зерно превращается в крупки, которые перед дальнейшим размолом сортируются по добротности. Благодаря этому получают большие выходы лучших сортов муки, состоящих практически из центральной части эндосперма. Зерно мягкой пшеницы делят на три группы стекловидности: высоко стекловидные – более 60%; средне стекловидные – 40-60%; низко стекловидное (мучнистое) менее 40%. На данном предприятии зерно со стекловидностью от 48 до 43% и оно считается средне стекловидным. Зараженность клещами допускается 1 степени.
Таблица 7 Показатели качества зерна,поступившего на ЗАО «Балаково-мука» (средние показатели из 6 партий)
| Наименование показателя | стандартные | фактические | ||
| натура | 750 | 755 | ||
| Влажность,% | 13,5 | 13,4 | ||
| Качество клейковины усл. ед. | 25 | 25 | ||
| Клейковина,% | Не ниже второй группы | 75-первая группа | ||
| Сорная примесь, % | Не более 2 | 0,7 | ||
| Зерновая примесь, % | Не более 5 | 2,8 | ||
| Стекловидность, % | 50-60 мягкая пшеница | 45 | ||
| Количество проросших зерен, % | Не более 3 | 0,8 | ||
| Засоренность вредителями | Не допускается, кроме зараженности клещами не выше второй степени | Встречается зараженность клещами первой степени | ||
Анализ средних данных из 6 партий зерна показывает что зерно, поступающее на ЗАО «Балаково- мука» соответствует требованиям стандарта. На предприятии используют зерно разных типов и подтипов, старого и нового урожая, хорошего и пониженного качества. Разность качества зерна партий усложняет и снижает эффективность процесса его переработки, требует корректировки режимов работы технологических систем. Для обеспечения стабильной работы мельницы, увеличения выработки муки высоких сортов, улучшения ее качества и правильного использования имеющегося на предприятии зерна, смешивая зерно, составляют помольную партию. Смешивание позволяет правильно и равномерно использовать имеющееся зерно и партии зерна с пониженными технологическими свойствами. Кроме этого при смешивании проявляется смесительная ценность зерна, то есть способность его сделать качество смеси выше ее средне взвешенной величины. Порядок расчета помольной смеси из трех компонентов. Составим помольную партию зерна массой 25 тонн со средневзвешенным значением содержания клейковины 26% из трех компонентов: количество клейковины первой- 28% (Безостая1), второй- 26% (Саратовская Остеестая), третий- 20% (Прохоровка)
Таблица 8 Порядок расчета помольной смеси, состоящий из трех компонентов.
| Элементы расчета | Составная часть | ||
| первая | вторая | третья | |
| Содержание сырой клейковины, % | 28 | 26 | 20 |
| Отклонение по содержанию сырой клейковины от заданной помольной партии | |||
| При смешивании составных частей, %: первой и второй и | 26-28=2 | 26-24=2 | |
| третьей | 26-24=2 | ------- | 26-20 |
| Расчетное соотношение каждой части смеси | 6 | 2 | 2 |
| Сумма помольной смеси | 6+2+2 | ||
| Масса каждой части в помольной смеси | | | |
Расчет проводят только по одному показателю, подчиняющегося правилу смешивания (по стекловидности, выходу клейковины, зольности). Для проверки правильности расчета по показателю клейковины каждую составную часть выражаем в тонно-процентах. Затем составные части суммируем и делим на массу зерна заданной помольной партии. Тонно-процент: первой части 15
второй части
третьей части
всей помольной партии
Проверка правильности определения средневзвешенного содержания сырой клейковины .
Соотношение частей в помольной смеси составит: первая часть
,
вторая часть
третья часть
.
При составлении помольной смеси нередко предпочтение отдают методу, основанному на личном опыте технолога и его информации о качестве зерна. Несмотря на очевидную простоту, этот метод субъективен.
4. Г.Т.О Гидротермическая обработка зерна
В процессе подготовки зерна к размолу в муку стремятся придать ему свойства, которые в наибольшей степени способствуют получению нужных результатов. В зерне с естественной влажностью условиях стабильной относительной влажности и температуры среды, влажность оболочек, как правило, ниже, чем влажность эндосперма. При получении сортовой муки такое состояние зерна неблагоприятно для размола. Оптимальным состоянием является такое, при котором оболочки имеют более высокую влажность, чем эндосперм при определенной влажности зерна. Именно к такому состоянию зерна с учетом изменения структурно- механических свойств его составных частей приводит гидротермическая обработка. Таблица 9. Поглощение воды, % от массы зерна, при различной температуре воды (по Л.Е Айзиковичу).
| Продолжительность пребывания зерна в воде, с | Поглощение воды при температуре, градусы С. | Продолжительность пребывания зерна в воде, с | Поглощение воды при температуре, градусов С | ||
| 6 | 27 | 6 | 27 | ||
| До10 | 4,1 | 4,5 | 60 | 5,5 | 7,3 |
| 10 | 4.1 | 5,1 | 300 | 5,7 | 8,9 |
| 20 | 4,6 | 5,6 | 600 | 6,2 | 9,9 |
| 40 | 5,4 | 6,5 | |||
Гидротермическая обработка- средство направленного изменения структурно-механических свойств составных частей зерна. На предприятии ЗАО «Балаково-мука» основным способом влаготепловой обработки зерна является холодное кондиционирование. Оно включает в себя две операции: увлажнение зерна и его отволаживание (отлежку) в бункерах.
Зерно увлажняют холодной или подогретой водой. При контакте зерна с водой происходит скачкообразное приращение влаги на 3-5%,но,находясь в плодовой оболочке,влага может легко испариться. Более надежное ее удержание обеспечивается в процессе отволаживания при перемещении влаги в семенные оболочки и алейроновый слой и далее, внутрь эндосперм.
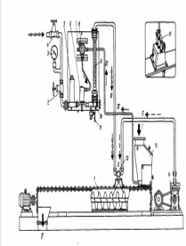
Технологическая схема увлажнительного аппарата А1-БАЗ
1-шнек,2-вентиль,3-манометр,4-редукционный клапан,5-фильтр,6-электромагнитный вентель,7-панель,8-распределительная коробка,9-ротометр,10- регулирующий вентель,11-спускной кран,12-форсунка А1-БАЗ,13- индикатор наличия зерна,14-компрессор,15- форсунка А1-БАЗ, I –исходное зерно, II –воздух,III-вода, IV-электрический ток, V-очищенное зерно.
В производственном помещении, где происходят не прерывный обмен влаги между воздухом и зерном, при выборе режимов гидротермической обработки учитывают параметры окружающей среды так, в летние месяцы сухой и горячий воздух, соприкасаясь с зерновой массой, подсушивает ее, нарушая баланс влаги. В этом случае применяют усиленное увлажнение, а время отвалаживания сокращают. В зимний период для усиления процессов влагопоглощения подогревают зерно перед увлажнением, а в моечную машину подают теплую воду. Продолжительность отвалаживания увеличивают. Оптимальное влажность зерна после кондиционирования определяется его структорно-механическими свойствами. Чем выше стекловидность, тем больше требуется увлажнение зерна по этому зерно по стекловидности делят на три группы – до 40%, от 40 до 60 и более 60%. На данном предприятии используется зерно со стекловидностью от 40 до 50 %. Режимы кондиционирования приведены в таблице. Таблица 10 Режимы кондиционирования пшеницы.
| Тип зерна | Влажность зерна, % | Продолжительность отволагивания, ч. |
| 1 | 15,0- 15,5 | 6- 12 |
| 2 | 14,5-15,0 | 6- 10 |
| 3 | 15,5- 16,0 | 6- 16 |
Непосредственно перед измельчением зерно дополнительно увлажняют на 0,3- 0,5% с доведением его влажности до рекомендуемой правилами. Продолжительность отволаживания на заключительном этапе кондиционирования 20-30 минут. За столь небольшое время влага не успевает проникнуть в эндосперм, остается в оболочках, что способствует еще большей их пластификации. Увлажняют зерно в специальном увлажнительном аппарате. Он представляет собой разновидность винтового конвейера – шнек, в котором зерно перемешивается с водой и транспортируется к выходу.
5. Схема технологического процесса
Совершенное технологическое оборудование и научно обоснованные принципы технологии позволяют осуществить эффективную переработку зерна на мини- мельнице ЗАО «Балаково- мука» в муку высокого качества. Технологический процесс работает в следующей последовательности: привод осуществляется от электрического двигателя. Предварительно очищенное зерно подают из элеватора на мукомольный завод цепными конвейерами 1 и загружают в силосы 2.Силосы оборудованы датчиками верхнего и нижнего уровней, которые связаны с центральным пунктом управления. Зерно из каждого силоса выпускают через самотечные трубы, снабженные электропневматическими регуляторами потока зерна 3. С помощью регуляторов и винтового конвейера 4 в соответствии с заданной рецептурой и производительностью формируют помольные партии зерна. Каждый поток зерна проходит магнитные сепараторы 5, подогреватель зерна 6 (в холодное время года) и весовой автоматический дозатор 7. Далее зерно подвергают многостадийной очистке от примесей. В зерноочистительном сепараторе 8 отделяют крупные, мелкие и легкие примеси. В камнеотделительной машине 9 выделяют минеральные примеси. Затем зерно очищается в дисковых триерах: куколеотборнике 10 и овсюгоотборниках 11, а также в магнитном сепараторе. Наружную поверхность зерна очищают в вертикальной обоечной машине12, а с помощью воздушного сепаратора 13 отделяют аспирационные относы.
Далее зерно через магнитный сепаратор попадает в машину мокрого шелушения 14, а после гидрообработки системой винтовых конвейеров 15 и 17 зерно распределяется по силосам 18 для отволаживания. После отволаживания зерно через регулятор расхода, винтовой конвейер 19 и магнитный аппарат поступает в обоечную машину 20 для обработки поверхности, а затем в воздушный сепаратор 21 для выделения легких примесей. Далее через магнитный аппарат его подают в увлажнительный аппарат 22 и бункер для для кратковременного отволаживания. Затем зерно взвешивают на автоматическом весовом дозаторе 24 и через магнитный аппарат направляют на измельчение в первую драную систему. В каждую драную систему входят вальцовые станки 25, рассевы драных систем 26, рассевы сортировочные 27 и ситовеечные машины 28. Сортирование продуктов измельчения драных систем осуществляют последовательно в два этапа с получением на первом этапе крупной и частично мелкой крупок, дунстов и муки. В ситовеечных машинах 28 обогащают крупки и дунсты 1, 2 и 3 драных систем и крупку шлифовального процесса. Обработке в шлифовальных вальцовых станках 29 подвергают крупную и среднюю крупку 1, 2 и 3 драных систем после ее обогащения в ситовых машинах 28. Верхние сходы с сит рассевов 3 и 4 драных систем направляют в бичевые вымольные машины 33, проход последних обрабатывают в центрифугах 34. В рассевах 30, 32 и 35 из продуктов измельчения высевают муку, которая поступает в винтовой конвейер 36. Из него муку подают в рассевы 37 на контроль, что бы обеспечить отделение посторонних частиц и требуемую крупность помола. Далее муку через магнитный аппарат и весовой дозатор 38 распределяют в функциональные силосы 39. Из них обеспечивается бестарный отпуск готовой муки, либо с помощью весовыбейного устройства 40, муку фасуют в мешки, которые конвейером 41 также передают на транспорт для отгрузки.















