25820-1 (590959), страница 5
Текст из файла (страница 5)
Т
(3.34)
огда уравнение (3.30) примет вид:
Проведём дальнейшие преобразования с целью определения координаты центра ведущего колеса по оси абсцисс.
(3.35)
В
(3.36)
полученном выражении (3.35) произведём подстановки:
(3.37)
(3.38)
О
(3.39)
чевидно, что выражение (3.35) имеет форму квадратного трёхчлена:
,
откуда:
(3.40)
Избыточный корень отсекается по условию физической осуществимости.
Аналогичным образом поступим при определении координаты центра ведущего колеса по оси абсцисс:
(3.41)
(3.42)
(3.43)
3.3.3 Определение координат шарниров упругих элементов колеса в любой момент времени
Для построения модели работы ведущего колеса с внутренним подрессориванием необходимо определить, какое положение в каждый момент времени занимает каждый из упругих элементов системы подрессоривания. колеса. Первым шагом на пути решения этой задачи является определение координат точек шарниров упругих элементов.
Исходные данные:
з
(3.44)
акон изменения профиля поверхности:
максимальное смещение зубчатого обода относительно оси вращения колеса:
(3.45)
закон изменения угла поворота колеса:
(3.46)
и
(3.47)
звестные конструктивные параметры упругого элемента:
,
(3.48)
;радиус ведущей ступицы:
(3.49)
р
(3.50)
адиус ведущего обода:
.
О
(3.51)
пределим координаты оси вращения колеса x0, y0:
(3.52)
.Тогда координаты точки шарнира К, принадлежащей ведущей ступице определятся, как
(3.53)
.Теперь можно определить координаты точки шарнира L, принадлежащей зубчатому ободу колеса:
(3.54)
По известным координатам двух точек шарнира и размерам прямоугольного треугольника, чью форму имеет упругий элемент, вычисляем координаты точки шарнира К, физически принадлежащей ведомой ступице. Для этого определим расстояние а между точками М и L (см. рисунок 3.5):
(3.55)
.
Рисунок 3.5 Определение координат точки шарнира М. Расчетная схема.
Далее определим величину угла , угла между прямой KL и осью ОХ’ и равному ему, как углу со взаимно перпендикулярными сторонами, углу между прямой KM и осью OY’:
(3.56)
Отсюда координаты точки шарнира М найдутся как:
(3.57)
Расчет данных параметров при помощи вычислительной техники позволит точно закоординировать положение любого из элементов ведущего колеса в процессе движения. Использование результатов данных расчетов делает возможной реализацию программного симулятора движения упругого колеса по неровной поверхности при помощи одноимённого пакета прикладного моделирования работы механизмов американской фирмы AEngiCAD.
4. Физическая осуществимость кинематической модели ведущего колеса с внутренним подрессориванием
4.1 Кинетостатический анализ работы ведущего колеса с внутренним подрессориванием.
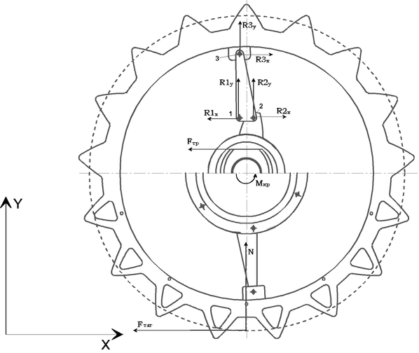
4.1.1 Расчетная схема
Расчетная схема для кинетостатического анализа приведена на рисунке 4.1.
Рисунок 3.5 Расчетная схема кинетостатического анализа.
Принятые допущения:
все тела абсолютно жесткие;
на обод воздействует только нижняя ветвь гусеницы с силой Fтр;
крутящий момент передаётся к любой точке обода колеса без потерь;
упругий элемент в данный момент времени не деформирован, то есть с его стороны на обод, ведущую и ведомые ступицы не действуют силы упругости;
центр вращения колеса, шарниры 1 и 3 всегда лежат на одной прямой;
сила трения линейно зависит от реакции опорной поверхности;
модуль реакции опорной поверхности равен силе тяжести машины, приходящейся на данный узел.
4.1.2 Определение неизвестных реакций в шарнирах упругого элемента
Запишем уравнения кинетостатики для данной системы:
(4.1)
О
(4.1)
сновываясь на приведённых выше допущениях, они примут вид:
(4.2)
(4.3)
где х — расстояние от поверхности трения до шарнира 1 (определяется из конструкции механизма).
Н
(4.4)
етрудно заметить, что в силу всё тех же допущений, часть составляющих реакций шарниров уже известна. Так
(4.5)
;
(4.6)
;
.
Тогда выражения (4.1) примут вид
(4.7)
(4.8)
(4.9)
П
(4.10)
роведя простейшие преобразования, получим следующие соотношения:
(4.11)
(4.12)
Данные зависимости выведены для крайнего вертикального положения колеса. Уравнения для определения реакций в общем случае не приводятся в данной работе ввиду их громоздкости.
Таким образом, подставляя в полученные соотношения данные, полученные при конструкторском анализе механизма, и передавая полученные данные в программу, работающую на компьютере, становится возможным получить статистику распределения реакций в шарнирах за один цикл, равный одному обороту колеса.
4.2 Расчет на изгиб пластинчатых упругих элементов, расположенных в плоскости, перпендикулярной оси ступицы
Вопрос расчета упругих элементов треугольной формы выходит далеко за рамки обычного курса сопротивления материалов и не решается стандартными методами. Безусловно, данная задача имеет приоритет в дальнейших исследованиях. Однако, повторюсь, это отдельный вопрос, требующий внимательного изучения с точки зрения теории упругости.
В данной работе производится оценочные расчеты в первом приближении, позволяющие сделать вывод о физической реализуемости предлагаемой конструкции.
Предположим, что пластинчатый упругий элемент имеет форму прямолинейного центрально сжатого стержня.
Данный стержень при определённой величине нагрузки может оказаться в опасном (критическом) состоянии безразличного равновесия. При этом прямолинейная форма оси стержня будет неустойчива, и стержень может «выпучиться». Нагрузка, при которой прямолинейная форма перестаёт быть формой устойчивого равновесия, называется критической. При критической нагрузке стержень переходит к новой, криволинейной форме равновесия, что связано с появлением качественно новых деформаций. Сжимающая сила вызывает дополнительные изгибающие моменты, линейная зависимость между нагрузками и деформациями нарушается; наблюдается сильное нарастание прогибов при малом увеличении сжимающей силы. Это явление называется продольным изгибом. Переход в критическое состояние, как правило, сопровождается потерей несущей способности стержня и называется потерей устойчивости. Для обеспечения устойчивости заданного деформированного состояния в конструкциях и сооружениях допускаются нагрузки, составляющие лишь часть критических. Отношение критической нагрузки к её допускаемой величине называется коэффициентом запаса устойчивости:
(4.13)
.Коэффициент ny зависит от материала стержня (рессоры). Его рекомендуемые величины находятся в пределах: для стальных стоек — 1,53; для деревянных — 2,53,5; для чугунных —4,55,5.
Допускаемая нагрузка при расчётах на устойчивость не должна превышать значения
(4.14)
.Ниже приводится методика расчета для определения критических (эйлеровых) сил центрально сжатых стержней. Эти формулы справедливы лишь при статистических нагрузках, вызывающих сжимающее напряжение ниже предела пропорциональности материала стержня п. Другими словами, применимость этих формул определяется условием:
(4.15)
,где кр — критическое напряжение;
F — площадь поперечного сечения;
Е — модуль продольной упругости материала;
— приведенная гибкость стержня при продольном изгибе;
imin — наименьший радиус инерции поперечного сечения;
— коэффициент приведённой длины;
l — длина стержня (рессоры).
В общем случае сжатого монолитного стержня (рессоры) критическая сила определяется как:
(4.16)
,где Jmin — наименьший из главных центральных моментов инерции сечения
l — полная длина стержня;
— коэффициент критической нагрузки.
Коэффициенты и зависят от способа закрепления торцовых и промежуточных сечений рессоры, характера её нагружения продольными силами, закона изменения сечения стержня по длине.
Для рессор постоянного сечения, нагруженных продольными силами, приложенными к их торцевым сечениям, коэффициент зависит только от условий закрепления концов рессоры. При сжатии рессоры с эксцентриситетом в пределах упругих деформаций наблюдается сложная нелинейная зависимость между напряжениями и сжимающей силой. Величина эксцентриситета е влияет на быстроту нарастания деформаций: чем больше эксцентриситет, те быстрее нарастают прогибы при увеличении сжимающей силы Р.
Рассмотрим рессору, шарнирно закреплённую на концах (см. рисунок 4.2).
Если сжимающие силы приложены на концах с эксцентриситетом е, прогиб посредине стержня приближенно равен:
(4.17)
, где
Рисунок 4.2 Рессора, шарнирно закреплённая на концах. Расчетная схема.
Если сжимающая сила Р стремится к эйлеровой критической силе,
, прогиб быстро возрастает. Если до загружения стержень (рессора) имела начальное искривление, которое приближенно можно считать синусоидой с одной полуволной и амплитудой f0, то при действии продольной силы Р дополнительный прогиб посредине будет равен:
(4.18)
В этом случае прогиб также неопределённо возрастает, если сжимающая сила приближается к критическому значению.
Исходя из сказанного выше, применительно к нашей задаче можно сказать, что критическая сила для конической консольной балки может быть вычислена по формуле (4.16) как
(4.19)
Дополнительный прогиб, связанный с начальным искривлением:
(4.20)
С
(4.21)
уммарный наибольший прогиб рессоры составит
Напряжения в крайних сжатых волокнах стойки от сжимающей силы Р и изгибающего момента Ру будет, согласно [22]:
















