100902 (590408), страница 10
Текст из файла (страница 10)
У 1998 році було почато взаємовигідне співробітництво між австрійською машино-будівною фірмою VOEST-ALPINE (VAI) і Ново-Краматорським машинобудівним заводом. У цьому ж році для реконструкції двухструмкової слябової МНЛЗ меткомбіната «EKO-STAHL» (Німеччина) було відвантажене устаткування масою 450 тонн, виготовлене НКМЗ по технічній документації VAI, а також устаткування стикосварочної машини. В обсяг першого етапу реконструкції МНЛЗ увійшла заміна морально застарілого і технічно зношеного устаткування зони виправлення, що включає 10 роликових сегментів, опорні рами для установки сегментів, напрямні рейки з допоміжними конструкціями для демонтажу сегментів, стенди для ремонту і настроювання сегментів. Роботи з контракту на виготовлення устаткування для реконструкції машин безупинного лиття заготівель метзавода в м. Донавіц були початі у квітні 1999 року. Загальна маса виготовленого і відвантаженого в обговорений термін устаткування: проміжні ковші, візки промковшей, пристрою для передача охолоджуваних заготівель, ланцюгові запали і пристрої для збирання скрапу склала 520 тонн. У серпні 1999 року на адресу меткомбнната «EKO-STAHL» було відвантажене устаткування разливочної дуги слябової МНЛЗ масою 210 тонн. У вересні того ж року на НКМЗ було виготовлене устаткування головної частини трубозварювального агрегату масою близько 40 тонн.
У лютому 2000 року на меткомбінат «EKO-STAHL» було відправлене устаткування розливочної дуги товстослябової МНЛЗ, виготовленої у серпні 1999 року. Також у лютому 2000 року для метзавода Harbor Works фірми «LTV Steel Company», штат Індіана, США по технічній документації фірми VAI було виготовлено і відвантажене устаткування розливочної дуги товстослябової МНЛЗ із механізмами хитання кристаллизатора масою 400 тони.
А вже у 2004 році для Новолипецького меткомбінату, Россія, НКМЗ було виготовлено комплект 633с‑115 СП, у який входили ролики неприводні, які далі будуть розглянуті більш детальніше.
Складові частини сегментів 7–11 629c‑629 СБ (NLS-CB‑28.40.10–1000/ZSZ‑000):
– рама верхня;
– рама нижня;
– пристрої швидкого роз'єднання з гідроциліндрами;
– гідроциліндри дня підняття рами верхньої;
– колони;
– ролики неприводні;
– ролики приводні;
– механізм настановний.
Рами верхня 630с‑973 СБ (NLS-CB‑28.40.10–1250/DLZ‑000), нижня 629с‑670 СБ (NLS-CB‑28.40.10–1200/DLZ‑000) являють собою зварену металоконструкцію, що зв'язана між собою колонами 633с‑508 (NLR-CB‑27.40.20–1101/DLZ‑000), 633с‑509 (NLR-CB – 27,40.20–1102/DLZ‑000).
На колонах змонтовані пристрої швидкого роз'єднання і траверзи з ковпаками. Ковпаки мають кронштейни, у яких вушком закріплене один кінець гидроциліндра підйому верхньої рами, інший кінець гідроциліндра кріпиться на верхній рамі.
У даному сегменті 7–11 наявні 2 приводних та 12 неприводних роликів.
Ролики неприводні 633с – 115 СБ (NLS-CB‑28.40.12–3000/ZSZ‑000). Горизонтальна дільниця сегменту 7–11 направлень струмка підтримує і транспортує ще рідинний внутрішнє зливок від зони правки до тих пір, доки зливок не затвердів повністю.
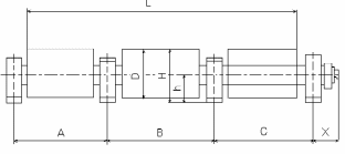
Ролики неприводні за допомогою опор підшипникових установлюються на опорні платики рам нижніх і верхніх. Схематичне зображення ролику неприводного приведемо на малюнку 7. Звіт про норми часу на виготовлення ролика неприводного МНЛЗ наведемо у Додатку А.
На минаючий багатоопорний вал насаджені ролики (оболонки роликів). Середні опори підшипникових вузлів змонтовані на валу через втулки. Крайні підшипникові вузли встановлюються безпосередньо на вал, в осьовому напрямку підшипникові вузли фіксуються за допомогою втулок розпірних, півкілець і гайки. Опори підшипникові оснащені сферичними дворядними підшипниками. Самоустановлювальні роликопідшипники захищаються від забруднення і улучення води радіальними ущільненнями, пластинчастими ущільненнями фірми FEY і ущільнюючим зазором, заповненим пластичним змащенням. Кожен підшипник постачений власним підведенням змащення. Через привалочну поверхню корпуса підшипника кришка корпуса підшипника прохолоджується зсередини. Вали мають центральні отвори для охолодження. Підключення засобів охолодження здійснюється за допомогою вертлюга. Підключення підведення змащення і води здійснюється автоматично через кільцеві ущільнення круглого перетину.
Малюнок 7 – Схематичне зображення ролику неприводного МНЛЗ
Основні розміри: діаметр ролика D (мм) 300±0,1, загальна довжина бочки L (мм) 1950.
Розміри A (мм) 612, B (мм) 680, C (мм) 777, Х(мм) 146, розміри вузла підшипника h (мм) 170±0,1, Н(мм) 298. Габаритні розміри (мм): довжина 2323,2, ширина 300, висота 320
Неприводний ролик служить для того, щоб підтримувати гарячий і холодний злиток, і направляти запал.
Конструкція має такі характеристики: на суцільний вал із шейками під підшипники насаджуються (оболонки роликів) – ролики. Самоустановлювальні роликопідшипники зажимаются дистанційними кільцями, роликами, розрізним кільцем, гайкою, що гальмується настановними гвинтами, і бічними кришками. Зовнішній підшипник виконується як фіксований.
Роликопідшипники захищені від забруднень і вологи радіальними ущільненнями, пластинчастими ущільненнями фірми FEY і зазором, заповненим пластичним змащенням. Пластичне змащення подається в підшипники через отвори в опорах, надходячи в них через роподільчий пристрій. Кожен підшипник повинний мати окрему лінію подачі змащення. Кришка корпуса підшипника прохолоджується зсередини. На валах по центрі мається отвір для охолодження. Приєднання охолодної рідини здійснюється через шарнірні вводььвертлюгв. Приєднання подачі змащення і води здійснюється автоматично через кільцеве ущільнення.
Неприводні ролики своїми опорами встановлюються на ранях сегмента та кріплюються в зоні підшипників.
Міцність корочки затверділого зливку, що виходить з кристалізатору, невелика, тому для попередження її випучування та розриву за кристалізатором встановлюється неприводна роликова проводка. Вона має продольні та поперечні ролики, що розташовані напроти чотирьох граней зливку. До неприводної роликової проводки висуваються значні вимоги, що випливають з частих проривів рідинного металу та необхідності точного розташування роликів по відношенню до технологічної вісі машини. Це насамперед простота конструкції, висока точність встановлення та можливість її регулювання, можливість швидкої заміни.
Застосовані у виконанні цього заказу були: ВГК, ВГТ (хромування, механообробка та зборка), ВГВ (наплавлення поверхні) та ВГМет (розробка техпроцесу на поковки).
Тому якщо розглядати мотиваційний механізм робітників, які застосовані у випуску роликів неприводних МНЛЗ, треба розглянути роботу кожного з цих відділів. Взагалі усі підрозділи та відділи заводу мають підлягати загальним положенням про приміювання та інші заохочувальні положення. Також, на будь-якому етапі робіт найголовнішим фактором мотивації повинна бути якість виконування операцій та строки і якість отримання кінцевого результату. Наприклад, для конструкторів таким мотиваційним ричагом може бути надання премій та почесних відміток за виконання раціоналізаторських пропозицій, удосконалення конструкцій машин та деталей, швидка та продуктивна робота з листами та документацією.
Що ж до основного етапу виготовлення будь-якої деталі, в тому числі і роликів неприводних МНЛЗ, то безпосереднім виконавцем робіт є верстатник. І саме на його роботу та оцінювання результатів його праці повинно бути звернуто особливу увагу.
3.3 Кореляційна залежність заробітної плати від виробітку робітників цеху
Парний кореляційний зв'язок – неповна, імовірністна залежність між показниками, один із яких є факторним, а іншій – результативним.
Необхідні умови застосування кореляційного аналізу.
1 Наявність досить великої кількості спостережень про розмір досліджуваних факторних і результативних показників (за поточний рік по сукупності однорідних об'єктів)
2 Досліджувані чинники повинні мати кількісний вимір і відображення в тих або інших джерелах інформації.
Застосування кореляційного аналізу дозволить вирішити наступні задачі.
– визначити зміну результативного показника під впливом факторного (в абсолютному вимірі) – це значить визначити на скільки одиниць зміниться розмір результативного показника при зміні факторного на одиницю;
– установити відносний ступінь залежності результативного показника від факторного.
Обгрунтування керування зв'язку робиться за допомогою зіставлення рівнобіжних рядів, угруповання даних і лінійних графіків.
Розміщення точок на графіку покаже, яка залежність утворилася між досліджуваними показниками: прямолінійна або просторова.
У нашому випадку залежність прямолінійна, вона характеризується рівнянням прямої:
Yx = a + bx (3.1)
де x – факторний показник;
Y – результативний показник;
a і b – параметри рівняння регресії, що потрібно відшукати.
У нашому аналізі основою виникнення кореляції є взаємозв'язок виробітку робітників і заробітної плати.
Y = заробітна плата, грн.
X = виробіток, н-год.
Дані для розрахунку кореляційної залежності фонду заробітної плати від виробітку робітників цеху візьмемо з таблиці 8. (Дані для таблиці були отримані з техніко-економічних показників цехів підприємства, наведених у Додатку Б).
Таблиця 8 – Заробітна плата і виробіток робочих цехів НКМЗ
| Середньомісячний виробіток на одного робітника | Середньомісячна заробітна плата одного робітника | |
Цех 1 | 34,18 | 458,2 |
| Цех 2 | 33,05 | 419,9 |
| Цех 3 | 38,92 | 520,4 |
| Цех 5 | 32,45 | 394,7 |
| Цех 9 | 41,53 | 566 |
| Редукторний | 28,56 | 330,6 |
Для побудови діаграми використовуємо майстер діаграм, вигляд діаграми – крапкова.
Нанесення моделі: щиглик правою кнопкою миші по точці діаграми, «додати лінію тренду», у параметрах – «додати рівняння тренду» і «додати R».
Малюнок 8 – Кореляційне поле залежності заробітньої плати від виробітку
Виходячи з даних діаграми, можна зробити висновок, що залежність лінійна.
Малюнок 9 – Співвідношення емпіричного і теоретичного значень заробітної плати
Наступним етапом аналізу є порівняння фактичного рівня зарплати із розрахунковим дозволяє оцінити результати роботи цеху. Для цього побудуємо поле кореляції, теоретичну й емпіричну лінії регресії (дивись малюнок 9).
Як бачимо, емпіричні і теоретичні значення дуже близькі, що говорить про відповідність обраної моделі.
Находження параметрів лінійної залежності – за методом найменших квадратів. Для цього виділяємо групу клітинок розміру 2 на 5, заходимо в майстер функцій, вибираємо категорії статистичні, Линейн. Потім вводимо адреси значень x, y. Для уявлення повної інформації про результати розрахунків використовуємо клавішу F2 і комбінацію клавіш Ctrl, Shift, Enter.
Параметри регресії, середні квадратичні відхилення, коефіцієнт детермінації, розрахункове значення критерію Фішера, число ступенів свободи знаходимо в таблиці 9.
Таблиця 9 – Розрахункові значення
| 18,091 | -180,9 |
| 1,1902 | 41,71 |
| 0,983 | 12,493 |
| 231,04 | 4 |
| 36058 | 624,28 |
Тобто a = -180,9; b = 18,09,
Рівняння зв'язку: Y = 18,09x – 180,9.
Якщо виробіток збільшиться на одиницю, то заробітна плата збільшитися на 18,09 грн.
Коефіцієнт детермінації: R2 = 0,98 – дуже близький до 1, виходить, модель адекватна.
Для того, щоб дослідити точність (надійність) рівняння зв’язку та правомірності його використання для практичної цілі, необхідно дати статистичну оцінку надійності показників зв’язку. Для цього використовується критерій Фішера (F – відношення).
Розрахункове значення критерію Фішера Fпр = 231 (дивись таблицю); число ступенів свободи k = 4.
Критичне значення критерію Фішера знаходимо за допомогою функції FРАСПОБР (0,05; 1; 4).















