93535 (590121), страница 6
Текст из файла (страница 6)
^
мых соединений и надлежащей маркировки.
Необходимо соблюсти меры для предотвращения повышения давления в дыхательном контуре выше допустимого 6кПа (60 см вод.ст.), что может привести к разрыву легких. Для этого можно использовать пружинный предохранительный клапан.
Во избежание несчастных случаев во время ИВЛ, особенно при длительной ИВЛ, должны быть предусмотрены световая и звуковая сигнализа-
»
ции в случаях: превышение температуры дыхательной смеси выше 41 °С, непредвиденного отключения напряжения питающей сети , разгерметизации дыхательного контура.
Электрическое питание аппарата должно осуществляться от сети переменного тока напряжением 220В с частотой 50Гц.
Аппарат ИВЛ должен быть надежным и удобным в эксплуатации и обеспечивать минимальные затраты времени, энергии и средств на ремонт.
При этом минимальная рабочая температура +10°С, максимальная рабочая температура +35 °С. Аппарат ИВЛ не работает на открытом воздухе и не подвергается воздействию атмосферных факторов.
3.2 Существующие методики проверки объемных показателей аппаратов искусственен вентиляции легких (ИВЛ)
Контроль объемных показателей — дыхательного объема Vt и минутной вентиляции VM занимает важное место в создании и производстве аппаратов ИВЛ. Методики проверки этих и других характеристик аппаратов должны быть адекватны условиям их применения обеспечивать необходимую точность и воспроизводимость результатов и по возможности не требовать использования сложного нестандартного оборудования. Далее будут рассмотрены только методики измерения Vt поскольку минутная вентиляция определяется как VM =Vm *f (f- частота вентиляции) или же делением Vt, суммированного за целое число дыхательных циклов, на их длительность.
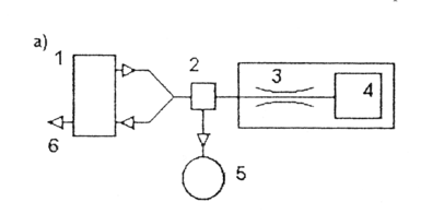
До последнего времени для определения применялась одна из методик по ранее разработанному стандарту [3] (рис. 1).
Преимущество схемы состоит в.том, что во время выдоха нереверсивный клапан _2 пропускает в спирометр 5 только тот газ, который действительно вентилирует модель легких, однако данный клапан должен работать достаточно четко и обладать низким сопротивлением. Принципиальный недостаток схемы — поступление в спирометр не только действительного дыхательного объема, но и части вышедшего из аппарата 1 объема, который был затрачен на повышение во время вдоха давления газа во всех эластичных и жестких частях дыхательного контура, соединенных с пациентом. На величину такой потери объема влияет растяжимость аппарата Сa, которая во время вдоха подключена параллельно Сп (рис. 7), и можно предположить, что эта потеря объема пропорциональна величине Сa Сn.
Хорошо известно, что значения Сп сильно зависят от антропометрических данных и состояния органов дыхания пациента, но для проверки аппаратов ИВЛ обычно используются следующие стандартизованные характеристики (табл. 1).
Значения Са определяются схемой и конструкцией аппарата, типом дыхательных шлангов, числом и видом включенных в дыхательный контур частей и т. п. В табл. 2 приведены частично измеренные нами и частично заимствованные из эксплуатационных документов данные о растяжимости Са некоторых аппаратов ИВЛ и их компонентов.
Рис.1. Схемы измерения дыхательного объёма VT
1- проверяемый аппарат; 2- неверсивный клапан; 3-сопротивление модели легких Rn ; 4- растяжимость модели легких Cn; 5- Измеритель объема;
6- выходное отверстие аппарата;
Изменения по ГОСТу Р ИСО 10651.1-99 и СТ МЭК 601-2-12:2001
Введенный в действие - новый стандарт [2] и стандарт [10] требуют, чтобы аппараты ИВЛ, исключая предназначенные для применения во время ингаляционной анестезии на дому и во время транспортирования, оснащались каналом измерения выдыхаемого дыхательного объема и (или) минутной вентиляции с погрешностью не более ± 20% от действительного значения для. объема свыше 100 мл:. Для контроля данного канала должна применяться методика с. использованием схемы, представленной на рис. 2.
Действительное значение дыхательного объема по данной методике определяется по формуле
VT = Cn* (Pmax – Pmin), (1)
где Сп — растяжимость модели легких; Рmax и Pmin — наибольшее и наименьшее значения давления в модели легких в дыхательном цикле.
Необходимость вычисления действительного объема, вентилирующего модель легких, в то время как через датчик 2, кроме этого объема, проходит еще и объем, затраченный на изменение во время вдоха давления в дыхательном контуре, требует особого внимания ко всем факторам, которые мо-гут влиять на калибровку канала. Другая особенность проверки по ГОСТу Р ИСО 10651.1—99 -оговоренные условия ее определения (табл. 3-е конкретизацией-по МЭК 601-2-12:2001) [4, 6].
Такая формулировка условий проверки требует контролировать погрешность измерения объема Vt только при одной комбинации характеристик легких пациентов данной возрастной группы к только на одной комбинации показателей вентиляции. Поэтому формально изготовитель аппаратов не отвечает за погрешность в любых других условиях. Кроме того, выбранные комбинации объема и частоты не являются типичными для данной возрастной группы пациентов. Видимо, эти требования следует рассматривать как минимально необходимые и стараться обеспечить предельную погрешность в достаточно широком диапазоне показателей вентиляции и характеристик органов дыхания пациентов данной возрастной группы. Приведенные особенности ГОСТа Р ИСО 10651.1—99 в
ыдвигают следующие задачи для выполнения новых требований:
1)обеспечить получение нужного номинала растяжимости модели легких и стабильность этого
показателя при ее эксплуатации с увеличением диапазона вводимых в модель объемов;
2) обеспечить настройку требуемых номиналов сопротивлений, их воспроизводимость при изготовлении и стабильность в процессе эксплуатации;
3) понять и количественно охарактеризовать воздействие растяжимости аппарата на действительные значения дыхательного объема;
4) оценить влияние других факторов на разницу между заданным и действительным объемом.
Аналогичное требование к этим аппаратам имеется в действующем ГОСТе Р МЭК 60601-2-13—2001.
Рис.3. Схема проверки погрешности измерения выдыхаемого объёма по новому стандарту: 1 – аппарат ИВЛ; 2 – проверяемый измеритель объёма; 3 – сопротивление; 4- модель легких; 5- датчик давления; 6 – регистратор давления; 7 – дыхательный контур
.Для выполнения требований вступившего в действие ГОСТа Р ИСО 10651.1—99 к точности измерения действительного дыхательного объема и к калибровке соответствующего канала аппарата ИВЛ рекомендуется:
1.В качестве действительного значения дыхательного объёма использовать объем, рассчитанный как произведение растяжимости модели лег-
ких и разности максимального и минимального давлений дыхательного цикла, измеренных внутри модели.
Для моделирования растяжимости легких пациента применять только пневматические модели легких, обеспечивая изотермические характери
стики колебаний давления в них и корректировку растяжимости в соответствии с атмосферным давлением в момент применения моделей.
Для обеспечения воспроизводимости и стабильности моделирования сопротивления дыхательных путей пациента использовать нелинейные
дроссели, изготовленные с необходимой точностью и откалиброванные на верхнем пределе диапазона скоростей газа для каждой возрастной группы пациентов.
Ввиду значительного влияния внутренней растяжимости аппарата ИВЛ на действительный дыхательный объем применять схемные и конструктивные приемы для всемерного снижения величины этой характеристики аппарата, указывать ее в эксплуатационной документации.
Дополнять режимы проверки погрешности измерения дыхательного объема, указанные в ГОСТе Р ИСО 10651.1—99, проверкой на несколь
ких других комбинациях установленных значений дыхательного объема и частоты вентиляции, а также при изменении на этих режимах растяжимости
и сопротивления модели легких в пределах, характерных для пациентов данной возрастной группы.
6. Учитывать, что внутреннее сопротивление ап
парата и его инерционные свойства могут снизить
положительное влияние задержки на вдохе на выравнивание давления в участках легких с различными постоянными времени, а также привести к появлению непреднамеренного внутреннего ПДКВ; вероятность и величина этого влияния возрастает при росте отношения Са/Сn, т. е. при вентиляции подростков и детей.
7. Высокочастотные выбросы, нередко фиксируемые на функциональных кривых давления и скорости газа, объясняются главным образом следствием инерционных свойств аппарата ИВЛ в момент резкого изменения величины и (или) направления движения газа и проявляются в виде высокочастотных затухающих колебаний, возникающих в момент резкого изменения состояния системы и моменты смены фаз дыхательного цикла (вдувание, пауза, выдох).
Перспективы развития аппаратов ИВЛ
Будут продолжать расширяться функциональные возможности аппаратов наиболее высокого класса. К режимам управляемой (во всех ее разновидностях), вспомогательной и периодической вентиляции и самостоятельного дыхания с постоянно положительным уровнем давления будут добавлены те новые режимы, показания к применению и реализация которых уже установлены и которые не требуют значительного технического усложнения, а именно, поддержки давления и вентиляции с двумя фазами положительного давления.
Будут продолжаться обеспечиваться работа аппаратов без подачи извне сжатого воздуха и использование сжатого кислорода только для оксигенации вдыхаемого воздуха. Для аппаратов наиболее высокого класса будет преимущественно использоваться более гибкая схема с управляемыми
клапанами в линиях вдоха и выдоха. В ней найдут применение электромагнитные устройства, позволяющие управлять не только временными характеристиками, но и расходом газа.
В более простых аппаратах, видимо, будет преимущественно применяться схема с управляемым электродвигателем и мехом, а также схема с накопительной емкостью. В этих моделях перспективно применение встроенного аккумулятора для обеспечения 20—30 мин работы аппарата после нарушения электропитания.
По-прежнему будет применяться микропроцессорное управление с использованием современной элементной базы и обеспечиваться разборность дыхательного контура. Еще большее
внимание будет уделено упрощению управления аппаратами, в том числе путем использования автоматической стабилизации заданных оператором характеристик.
Особенно быстро будет развиваться оснащение аппаратов встроенными и придаваемыми мониторами с измерением показателей давления и объемных характеристик ИВЛ и с сигнализацией
о выходе основных характеристик вентиляции из заданного диапазона. В аппаратах высокого класса, по-видимому, станет обязательным вывод информации, в том числе функциональных кривых
на экран.
3.2. Принцип работы аппарата по структурной схеме
Рассмотрим принцип работы аппарата по структурной схеме представленной на рисунке 3.1.
Аппарат состоит из рабочего блока, блока питания, блока управления и дополнительного оборудования (увлажнителя, блока дозиметров, отстойника конденсата ), которые, с помощью дыхательных шлангов, включаются в дыхательный контур.
Дыхательный контур аппарата нереверсивный, т.е. при выдохе смесь поступает через тройник пациента на клапан выдоха.
Так как при выдохе в дыхательном контуре смесь охлаждается, то предусмотрен отстойник для сбора конденсата.
Рабочий блок обеспечивает формирование газового потока и состоит из воздушного компрессора и системы газораспределительных электромагнитных клапанов (клапан вдоха и клапан выдоха). Для контроля текущего и среднего значения давления установлены два манометра, показывающие значения давления в тройнике пациента и среднее давление.
Для измерения среднего давления используется интегрирующая цепь, состоящая из пневмосопротивления и пневмоемкости.
Для предотвращения разрыва легких, в случае превышения давления дыхательной смеси выше допустимого предусмотрен предохранительный клапан, который, если давление выше допустимого, открывается и стравливает избыток давления.
В аппарате имеется возможность регулировать максимальное давление вдоха от 1 до 6 кПа.
Блок питания преобразует поступающий на него переменный ток напряжением 220В в требуемый для других устройств аппарата постоянный ток (напряжением 5, 9, 12, 27, 36 В ), а также осуществляет коммутационные функции электропитания.
Блок управления состоит из двух модулей:
-
процессорный модуль;
-
модуль индикации и клавиатуры.
Процессорный модуль обеспечивает управление режимами работы аппарата, а также осуществляет управление работой увлажнителя и системы аврийно-предупредительной сигнализации.
















