193234 (589031), страница 3
Текст из файла (страница 3)
4.1 РАЗРАБОТКА СТРУКТУРНОЙ СХЕМЫ УСТРОЙСТВА
Модуль реализован на базе цифрового микроконтроллера МС68НС711Е9 фирмы Motorola.Данный модуль выполняет следующие функции:
-
-ввод с клавиатуры требуемого значения времени ,вывод текущего значения времени на жидкокристаллический дисплей;
-
-регистрация текущего значения времени и контролируемого параметра в энергонезависимой памяти;
-
-выдачу сообщения об отклонении сигнала от заданного на ЖКИ и центральный компьютер;
-
-обмен информацией с центральным компьютером типа IBM PC ;
-
-регулирование контролируемого параметра во времени по заданному закону.
Проанализировав выполняемые функции выделим следующие структурные элементы:
-
силовая часть;
-
электрическая развязка;
-
управление уровнем выходного сигнала;
-
наборное поле;
-
сброс микроконтроллера при включении и снижении питания ниже уровня 0,5 В ;
-
датчик входного сигнала;
-
аналогово-цифровой преобразователь входного сигнала;
-
микроконтроллер;
-
ЦАП выходного сигнала для ЖКИ;
-
индикация;
-
преобразование уровней сигнала для связи с центральным компьютером.
Взаимосвязи между этими структурными элементами приведены в приложении .
4.2 ВЫБОР И ОБОСНОВАНИЕ ПРИМЕНЯЕМОЙ ЭЛЕМЕНТНОЙ БАЗЫ
Выбор элементной базы необходимо производить исходя из условий эксплуатации устройства. Таким образом, ко всем электрорадиоэлементам схемы, ко всем конструкционным материалам и изделиям предъявляются те же требования, что и ко всему устройству в целом.
Выбор ЭРЭ производится на основе требований к аппаратуре, в частности, кинематических, механических и других воздействий при анализе работы каждого ЭРЭ и каждого материала внутри блока, и условий работы каждого блока конструкции.
Выбор резисторов будем производить учитывая:
-
эксплуатационные факторы (интервал рабочих температур, относительную влажность окружающей среды, атмосферное давление и др.);
-
значение электрических параметров и их допустимое отклонение в процессе эксплуатации (номинальное сопротивление, допуск, и др.)
-
показатели надежности и долговечности;
-
конструкцию резисторов, способ монтажа, массу.
В целях повышения надежности и долговечности резисторов (и других ЭРЭ), во всех возможных случаях следует использовать их при менее жестких нагрузках и в облегченных режимах по сравнению с допустимыми.
Исходя из схемы электрической принципиальной, определяем, что постоянные резисторы должны обеспечивать номинальную мощность 0,0125 Вт. При этом используются резисторы сопротивлением 10 Ом.
Учитывая все эти характеристики (требования по габаритам и массе, требования в области кинематических и механических воздействий), можно сделать вывод, что перечисленным требованиям удовлетворяют постоянные непроволочные резисторы общего назначения типа МЛТ.
Резисторы этого типа имеют характеристики, приведенные в таблице 4.2.1.
Таблица 4.2.1 - Эксплуатационные характеристики резисторов типа МЛТ
| Характеристика | Значение |
| Диапазон номинальных сопротивлений при мощности 0,125 Вт | 10 ...100000 |
| Уровень собственных шумов , мкВ/В | 1,5 |
| Температура окружающей среды , оС | от -60 до +70 |
| Относительная влажность воздуха при температуре +35 оС, % | до 98 |
| Пониженное атмосферное давление, Па | до 133 |
| Предельное рабочее напряжение постоянного и переменного тока. В | 200 |
| Минимальная наработка, ч | 25000 |
| Срок сохраняемости, лет | 25 |
Эксплуатационная надежность конденсаторов, так же как и резисторов, во многом определяется правильным выбором их типа и возможного использования их в режимах, не превышающих допустимые.
Для правильного выбора типа конденсаторов необходимо, с учетом требований к устройству, принимать во внимание следующие факторы:
-
значение номинальных параметров и их допустимые изменения в процессе эксплуатации (номинальная емкость, допуск и др.);
-
эксплуатационные факторы;
-
показатели надежности и долговечности;
-
конструкцию конденсаторов, способы их монтажа, габариты и массу.
С учетом всех выше изложенных требований произведем выбор конденсаторов постоянной емкости.
В качестве таких конденсаторов выбираем конденсаторы типа КМ-6А.
Эксплуатационные характеристики конденсаторов этого типа приведены в таблице 4.2.2.
Таблица 4.2.2 -Эксплуатационные характеристики конденсаторов КМ-6а
| Характеристика | Значение |
| 1 | 2 |
| Температура окружающей среды, оС | От -60 до +85 |
| Относительная влажность воздуха , % | До 98 |
| Атмосферное давление, мм.тр.ст | 10-6 до 3атм. |
| Вибрационные нагрузки с ускорением в диапазоне 5 - 200 Гц | 10g |
| Многократные удары с ускорением | до 35g |
| Линейные нагрузки с ускорением , не более | 100g |
| Тангенс угла потерь, не более | 0,0012 |
| Минимальная наработка, ч | 15000 |
| Срок сохранения, лет | 12 |
Схема электрическая принципиальная содержит также и полярные конденсаторы. С учетом всех требований предъявляемых к ним выберем электролитические конденсаторы типа К50-29 .
Эксплуатационные характеристики конденсаторов этого типа приведены в таблице 4.2.3.
Таблица 4.2.3 - Эксплуатационные характеристики конденсаторов типа К50-29
| Характеристика | Значение |
| Температура окружающей среды, оС | от -20 до +70 |
| Относительная влажность воздуха, % | до 98 |
| Атмосферное давление, кПа | от 1,3 до 2942 |
| Вибрационные нагрузки с ускорением в диапазоне 1 - 600 Гц | до 10 g |
| Многократные удары с ускорением | до 15 g |
| Линейные нагрузки с ускорением | до 100 g |
| Допустимые отклонения емкости, % | от -20 до +80 |
| Минимальная наработка, ч | 5000 |
| Срок сохранения, лет | 5 |
В данном устройстве используются и интегральные микросхемы. При выборе типов микросхем будем учитывать совместимость их с динамическими параметрами MC69HC11E9 и в соответствии с функциональным назначением микросхем. С учетом этого можно выбрать следующие интегральные микросхемы: КР140УД12,МС145000,МС145407,МС34064,МС7805.
Приведем краткую характеристику Микроконроллера МС68НС711Е9.
Данное семейство микроконтроллеров является одним из наиболее распространенных в мире.Условные обозначения, которыми маркируются микроконтроллеры семейства, имеют вид:
Микроконтроллер содержит внутреннюю память программ (ППЗУ) емкостью 12 Кбайт, ОЗУ емкостью 512 байт. Модель имеют внутреннее ЭСППЗУ емкостью 512 байт.Микроконтроллер работает при напряжении питания Vn = 5 В, имеет максимальную тактовую частоту до Ft = 4 МГц. Потребляемая мощность составляет 150...300 мВт в диапазоне тактовых частот Ft = 2...4 МГц. В режиме ожидания мощность снижается в 2 раза, а в режиме останова не превышает 250 мкВт.
Рассмотрим особенности функционирования периферийных модулей, используемых в микроконтроллерах этого семейства.
Модель содержит 16-разрядный таймер, который имеет три входа фиксации 1C, четыре выхода совпадения ОС. Эти таймеры служат также для генерации периодических прерываний и контроля выполнения программы с помощью сторожевого устройства (watchdog). Кроме таймера микроконтроллер имеет также 8-разрядные счетчики импульсов.
Микроконтроллер содержит асинхронный и синхронный последовательные порты SCI, SPI, 8-разрядный АЦП, ,число аналоговых входов 8.
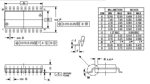
Внешний вид корпуса показан на рисунке 4.1
Рис.4.1 Корпус микроконтроллера МС68НС711Е9
Номинальные значения в мм
A 1.10
A1 0.64
A2 0.10
E1 12.00
E 10.00
D1 12.00
D 10.00
n1 16.00
n 64
c 0.15
B 0.22
L 0.30
R1 0.08
R2 0.14
alpha 10
beta 12
phi 3
L1 0.20
p 0.50
X 0.89
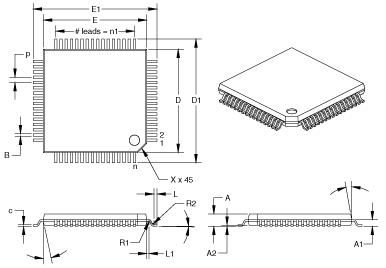
Микросхема МС145407 размещается в корпусе 751D-04.Вид корпуса показан на рисунке 4.2
Рис.4.2 Микросхема МС145407
4.3 РАЗРАБОТКА ПРИНЦИПИАЛЬНОЙ СХЕМЫ
Модуль реализован на базе цифрового микроконтроллера МС68НС711Е9 фирмы Motorola, выполнен в виде платы и размещается в корпусе. Модуль был разработан для задания и контроля продолжительности цикла технологического процесса .
Ядром модуля является процессор микроконтроллер МС68НС711Е9 . Микроконтроллер МС68НС711Е9 представляет собой микросхему МС68НС711Е9 (DD6). Схемотехническое изображение микросхемы представлено на рис.4.3.
входы РВ0/А8…РВ7/А15-oбращение к параллельному порту PORTB;
входы РС0/АD0…РC7/АD7-oбращение к параллельному порту PORTC;
входы РE0…РE7- oбращение к параллельному порту PORTE;
входы РA0/IC3…РA7/OC1 используются для обращения к регистрам таймера;
вход XIRQ –запрещает обслуживание внешнего прерывания;
Reset-сигнал начальной установки микроконтроллера;
Сигналы на входах MODA,MODB воспринимаются микроконтроллером в процессе начальной установки.В дальнейшем на вход MODA выдается сигнал LIR=0, позволяющий осуществить контроль за работой микроконтроллера в процессе отладки цифровой системы.
IRQ –задает значение внешнего сигнала запроса прерывания.Сигналы XTAL,EXTAL предназначены для задания частоты следования импульсов генератора тактовых импульсов.Импульсы поступают на выход Е микроконтроллера и синхронизируют работу других устройств системы.
Рис.4.3 ИМС МС68НС711Е9
Для контроля отклонения регулируемого параметра используется оптоэлектронная пара АОТ110А.Она представляет собой транзисторную оптопару средней мощности .Излучателем служит диодная структура на основе твердого раствора галий-алюминий-мышьяк; приемник-кремниевый составной фототранзистор.Выпускается в металлостеклянном корпусе.Вид корпуса и УГО показаны на рисунке 4.4.
Рис. 4.4 Оптопара АОТ110А
АОТ 110А имеет следующие параметры:
Электрические параметры при Токр=25С
-Входное напряжение при Iвх =25мА не более 2В;
-Выходное остаточное напряжение не более 1,5В;
-Ток утечки на выходе не более 100мкА;
-Входной ток номинальный 10мА;
-Время включения 1-50мкс;
-Время выключения 5-100мкс;
-Сопротивление изоляции не менее 10 ГОм;
Предельные эксплуатационные данные















