63707 (589014), страница 6
Текст из файла (страница 6)
Тепловая проводимость между элементом и платой определяем по формуле:
Вт/К
Проводимость между элементом и поверхностью корпуса:
Где
Вт/м2
К – коэффициент теплопередачи на поверхности корпуса, s = 0,0000012 м2 – площадь части поверхности, с которой происходит контакт.
Вт/К
Рассчитаем собственный перегрев элемента:
,
Где
Вт/К – тепловая проводимость между ПП и корпусом (для воздушной прослойки),
Вт – мощность, рассеиваемая элементом.
Проверим условие:
По приближенным оценкам
<
. В результате расчетов получили, что условие выполняется для самого слабого элемента, следовательно, система не нуждается в защите от тепловых воздействий, так как это условие и для других элементов.
Расчет на механические воздействия
Вся РЭА подвергается воздействию внешних механических нагрузок, которые передаются к каждой детали, входящей в конструкцию.
Причинами механических воздействий являются вибрации и удары при возможном падении с места установки и при работе механизмов имеющих контакт с плоскостью установки РЭС.
Механические воздействия приводят к поломкам и деформациям несущих конструкций, отслаиванию печатных проводников, обрывам проводов, паразитной модуляции сигналов и др. Наибольшее разрушительное воздействие на конструкции оказывают вибрации.
Целью расчета является определение действующих на элементы изделия перегрузок при действии вибрации и ударов, а также максимальных перемещений и определение защищенности от механических воздействий.
При расчете используются данные из таблиц «Геометрические размеры компонентов» и «Перечень компонентов». Рассчитаем цилиндрическую жесткость платы:
Где
– модуль упругости материала ПП (стеклотекстолит);
м – толщина печатной платы;
V=0,25 –коэффициент Пуассона.
Подсчитаем суммарную массу печатного узла.
Для этого вычислим массу ПП и массу установлены ПП элементов.
Масса ПП вычисляется исходя из того, что
(плотность ПП) равна 2400 кг/м3, а ее геометрические размеры LППхBППхHПП: 70х70х2 (мм). В этом случае объем ПП будет равен:
м3.
И соответственно масса ПП будет равна:
(кг)
Рассчитаем теперь суммарный вес элементов, установленных на ПП.
(кг).
Откуда,
(кг)
Рассчитаем частоту собственных колебаний платы с учетом того, что плотно крепится с трех сторон:
Где M=0,420 – суммарная масса ПУ.
Расчет на действие ускорения при вибрации
Определим коэффициент расстройки:
,
Где f=30 Гц – верхняя граница частотного диапазона из технического задания;
f0 – собственная частота ПП.
Определим коэффициент динамичности М1:
Полученное значение верно с точностью до 4-го знака после запятой.
Определим ускорение, воздействующее на плату:
АВОЗД=М1 ∙ АВХ=2,044 (g),
где АВХ – ускорение вибрации из ТЗ, АВХ =2g
Самым слабым в отношении вибрационных воздействий является конденсатор K52-10 (4,9g).
Проверим для него условие АВОЗД < АДОП:
2,044g<4,9g
Очевидно, что условие выполняется для самого слабого элемента. Следовательно, оно выполняется и для остальных элементов, и система не нуждается в дополнительной защите от воздействия вибрации, т.к. воздействующее ускорение на плату в 2 раза меньше допустимого.
Расчет на ударное воздействие проводить не имеет смысла по причине сформулированного технического задания, в котором говорится, что устройство является стационарным и непереносимым. Соответственно, подразумевается жесткое крепление на несущую поверхность (стена, пол, потолок здания), что исключает падения, но не исключает вибрации, расчет на которые приведен выше.
3.5.6 Расчет стоимости системы
Определим общую стоимость радиоэлементов центрального блока по таблице 4:
Таблица 4.
| Элемент | Ценна элементов, в руб. |
| Диод КД522 | 4 |
| Стабилитрон КС 147А | 2 |
| Конденсатор 10-17Б | 2,6 |
| Конденсатор 10-17Б | 2,6 |
| Конденсатор К50-20 | 9 |
| Конденсатор К52-10-1 | 5 |
| Резистор С2-33H(300ом) | 3,6 |
| Резистор С2-33H(1ком) | 0,3 |
| Кварцевый резонатор | 2,7 |
| HC-49SM |
|
| Микроконтроллер | 41 |
| Attiny 2313 |
|
| Разъем WF-2 | 5,6 |
| Разъем WF-4 | 1,5 |
| Разъем WF-6 | 2,3 |
| Стабилизатор LM7805 | 9,9 |
Сумма всех радиоэлементов на ПП составила 92,10 руб. Полностью собранный центральный блок выйдет не больше, чем на 150 руб. Цена мобильного телефона Siemens M35 900 руб. Два ИК-датчика, используемых в системе будут 400 руб. вместе, накладной магнитно-контактный датчик – 50 руб., температурный датчик – 300 руб. Считыватель ключей и ключ вместе выйдут на сумму 250 рублей. Следовательно, ориентировочная ценна всей системы 2050 руб. Только с телефоном – 1050 руб.
3.6 Выводы
В данном разделе бакалаврской работы была разработана конструкция устройства, GSM-сигнализации, были проведены расчеты на тепловое, механическое воздействие и экономические расчеты. В результате получили, что разработанная конструкция удовлетворяет требованиям по климатическому и механическому воздействию. А так же, разработанное устройство имеет весьма низкую себестоимость по сравнению с его аналогами.
4. Заключение
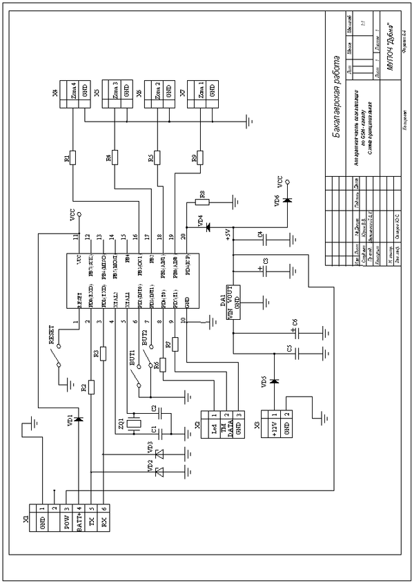
В результате данной бакалаврской работы была разработана аппаратная часть автоматизированной сигнализации, извещения которой осуществляются на основе сотовой связи. Приведено подробное описания работы системы, определен её состав (центральный блок, датчики, мобильный телефон, считыватель ключей) и основные параметры. Разработаны алгоритм работы системы, принципиальная схема устройства и выполнены конструкторские чертежи. При конструировании центрального блока проведены все необходимые расчеты. Подсчитаны затраты на создание данной системы (2050 руб.).
Разработанная сигнализация по GSM-каналу может быть усовершенствована более дорогими датчиками, мобильным телефоном, считывателем ключей, которые будут обладать большим количеством выполняемых функций и работающих в более жестких условиях эксплуатации.
Результат проделанной работы соответствует предъявленным требованиям в техническом задании.
На конкурентном рынке систем оповещения низкая цена и простота в эксплуатации разработанной GSM – сигнализации являются успешными условиями продажи и прогрессивного расширения рынка сбыта продукции.
5. Список литературы
1. «Микроконтроллеры семейства AVR фирмы ATMEL» - М.: ИП РадиоСофт, 2008, 176 стр.
2. www.polyset.ru
3. www.proline-rus.ru
4. www.opstorg.ru
5. www.kontest.ru
6. www.vanians.narod.ru
7. www.rightmark.org
8. www.strazh-gsm.ru
6. Приложение. Чертежи
















