63472 (588971), страница 2
Текст из файла (страница 2)
В стандарте GSM выбрана гауссовская частотная манипуляция с минимальным частотным сдвигом (GMSK). Обработка речи осуществляется в рамках принятой системы прерывистой передачи речи (DTX), которая обеспечивает включение передатчика только при наличии речевого сигнала и отключение передатчика в паузах и в конце разговора. В качестве речепреобразующего устройства выбран речевой кодек с регулярным импульсным возбуждением/долговременным предсказанием и линейным предикативным кодированием с предсказанием (RPE/LTR-LTP-кодек). Общая скорость преобразования речевого сигнала - 13 кбит/с. В стандарте GSM достигается высокая степень безопасности передачи сообщений; осуществляется шифрование сообщений по алгоритму шифрования с открытым ключом (RSA).
В целом система связи, действующая в стандарте GSM, рассчитана на ее использование в различных сферах. Она предоставляет пользователям широкий диапазон услуг и возможность применять разнообразное оборудование для передачи речевых сообщений и данных, вызывных и аварийных сигналов; подключаться к телефонным сетям общего пользования (PSTN), сетям передачи данных (PDN) и цифровым сетям с интеграцией служб (ISDN). Основные характеристики стандарта GSM представлены в таблице 1.
Таблица 1 - Основные характеристики стандарта GSM
| Частоты передачи подвижной станции приема базовой станции, МГц | 890-915 |
| Частоты приема подвижной станции и передачи базовой станции, МГц | 935-960 |
| Дуплексный разнос частот приема и передачи, МГц | 45 |
| Скорость передачи сообщений в радиоканале, кбит/с | 270, 833 |
| Скорость преобразования речевого кодека, кбит/с | 13 |
| Ширина полосы канала связи, кГц | 200 |
| Максимальное количество каналов связи | 124 |
| Максимальное количество каналов, организуемых в базовой станции | 16-20 |
| Вид модуляции | GMSK |
| Индекс модуляции | ВТ 0,3 |
| Ширина полосы предмодуляционного гауссовского фильтра, кГц | 81,2 |
| Количество скачков по частоте в секунду | 217 |
| Временное разнесение в интервалах ТDМА кадра (передача/прием) для подвижной станции | 2 |
| Вид речевого кодека | RPE/LTP |
| Максимальный радиус соты, км | до 35 |
| Схема организации каналов комбинированная TDMA/FDMA |
2.2 Структурная схема и состав оборудования сетей связи
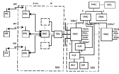
Функциональное построение и интерфейсы, принятые в стандарте GSM, иллюстрируются структурной схемой рис.1.1, на которой MSC (Mobile Switching Centre) - центр коммутации подвижной связи; BSS (Base Station System) - оборудование базовой станции; ОМС (Operations and Maintenance Centre) - центр управления и обслуживания; MS (Mobile Stations) - подвижные станции.
Функциональное сопряжение элементов системы осуществляется рядом интерфейсов. Все сетевые функциональные компоненты в стандарте GSM взаимодействуют в соответствии с системой сигнализации МККТТ SS N 7 (CCITT SS. N 7).
Рис. 1.1 – Структурная схема сотовой системы стандарта GSM
Центр коммутации подвижной связи обслуживает группу сот и обеспечивает все виды соединений, в которых нуждается в процессе работы подвижная станция. MSC аналогичен ISDN коммутационной станции и представляет собой интерфейс между фиксированными сетями (PSTN, PDN, ISDN и т.д.) и сетью подвижной связи. Он обеспечивает маршрутизацию вызовов и функции управления вызовами. Кроме выполнения функций обычной ISDN коммутационной станции, на MSC возлагаются функции коммутации радиоканалов. К ним относятся "эстафетная передача", в процессе которой достигается непрерывность связи при перемещении подвижной станции из соты в соту, и переключение рабочих каналов в соте при появлении помех или неисправностях.
Каждый MSC обеспечивает обслуживание подвижных абонентов, расположенных в пределах определенной географической зоны (например, Москва и область). MSC управляет процедурами установления вызова и маршрутизации. Для телефонной сети общего пользования (PSTN) MSC обеспечивает функции сигнализации по протоколу SS N 7, передачи вызова или другие виды интерфейсов в соответствии с требованиями конкретного проекта. MSC формирует данные, необходимые для выписки счетов за предоставленные сетью услуги связи, накапливает данные по состоявшимся разговорам и передает их в центр расчетов (биллинг-центр). MSC составляет также статистические данные, необходимые для контроля работы и оптимизации сети. MSC поддерживает также процедуры безопасности, применяемые для управления доступами к радиоканалам.
MSC не только участвует в управлении вызовами, но также управляет процедурами регистрации местоположения и передачи управления, кроме передачи управления в подсистеме базовых станций (BSS). Регистрация местоположения подвижных станций необходима для обеспечения доставки вызова перемещающимся подвижным абонентам от абонентов телефонной сети общего пользования или других подвижных абонентов. Процедура передачи вызова позволяет сохранять соединения и обеспечивать ведение разговора, когда подвижная станция перемещается из одной зоны обслуживания в другую. Передача вызовов в сотах, управляемых одним контроллером базовых станций (BSC), осуществляется этим BSC. Когда передача вызовов осуществляется между двумя сетями, управляемыми разными BSC, то первичное управление осуществляется в MSC. В стандарте GSM также предусмотрены процедуры передачи вызова между сетями (контроллерами), относящимися к разным MSC. Центр коммутации осуществляет постоянное слежение за подвижными станциями, используя регистры положения (HLR) и перемещения (VLR). В HLR хранится та часть информации о местоположении какой-либо подвижной станции, которая позволяет центру коммутации доставить вызов станции. Регистр HLR содержит международный идентификационный номер подвижного абонента (IMSI). Он используется для опознавания подвижной станции в центре аутентификации (AUC) (рис. 1.2, 1.3).
Рисунок 1.2. – Состав долговременных данных в HLR, VLR
Функциональное сопряжение элементов системы осуществляется рядом интерфейсов. Все сетевые функциональные компоненты в стандарте GSM взаимодействуют в соответствии с системой сигнализации МККТТ SS N 7 (CCITT SS. N 7).
Практически HLR представляет собой справочную базу данных о постоянно прописанных в сети абонентах. В ней содержатся опознавательные номера и адреса, а также параметры подлинности абонентов, состав услуг связи, специальная информация о маршрутизации. Ведется регистрация данных о роуминге (блуждании) абонента, включая данные о временном идентификационном номере подвижного абонента (TMSI) и соответствующем VLR.
К данным, содержащимся в HLR, имеют дистанционный доступ все MSC и VLR сети и, если в сети имеются несколько HLR, в базе данных содержится только одна запись об абоненте, поэтому каждый HLR представляет собой определенную часть общей базы данных сети об абонентах. Доступ к базе данных об абонентах осуществляется по номеру IMSI или MSISDN (номеру подвижного абонента в сети ISDN). К базе данных могут получить доступ MSC или VLR, относящиеся к другим сетям, в рамках обеспечения межсетевого роуминга абонентов.
Второе основное устройство, обеспечивающее контроль за передвижением подвижной станции из зоны в зону, - регистр перемещения VLR. С его помощью достигается функционирование подвижной станции за пределами зоны, контролируемой HLR. Когда в процессе перемещения подвижная станция переходит из зоны действия одного контроллера базовой станции BSC, объединяющего группу базовых станций, в зону действия другого BSC, она регистрируется новым BSC, и в VLR заносится информация о номере области связи, которая обеспечит доставку вызовов под состав временных данных, хранящихся в HLR и VLR (рис.1.3).
Практически HLR представляет собой справочную базу данных о постоянно прописанных в сети абонентах. В ней содержатся опознавательные номера и адреса, а также параметры подлинности абонентов, состав услуг связи, специальная информация о маршрутизации. Ведется регистрация данных о роуминге (блуждании) абонента, включая данные о временном идентификационном номере подвижного абонента (TMSI) и соответствующем VLR.
Рисунок 1.3 - Состав временных данных, хранящихся в HLR и VLR
К данным, содержащимся в HLR, имеют дистанционный доступ все MSC и VLR сети и, если в сети имеются несколько HLR, в базе данных содержится только одна запись об абоненте, поэтому каждый HLR представляет собой определенную часть общей базы данных сети об абонентах. Доступ к базе данных об абонентах осуществляется по номеру IMSI или MSISDN (номеру подвижного абонента в сети ISDN). К базе данных могут получить доступ MSC или VLR, относящиеся к другим сетям, в рамках обеспечения межсетевого роуминга абонентов.
Второе основное устройство, обеспечивающее контроль за передвижением подвижной станции из зоны в зону, - регистр перемещения VLR. С его помощью достигается функционирование подвижной станции за пределами зоны, контролируемой HLR. Когда в процессе перемещения подвижная станция переходит из зоны действия одного контроллера базовой станции BSC, объединяющего группу базовых станций, в зону действия другого BSC, она регистрируется новым BSC, и в VLR заносится информация о номере области связи, которая обеспечит доставку вызовов подвижной станции. Для сохранности данных, находящихся в HLR и VLR, в случае сбоев предусмотрена защита устройств памяти этих регистров. VLR содержит такие же данные, как и HLR, однако эти данные содержатся в VLR только до тех пор, пока абонент находится в зоне, контролируемой VLR.
В сети подвижной связи GSM соты группируются в географические зоны (LA), которым присваивается свой идентификационный номер (LAC). Каждый VLR содержит данные об абонентах в нескольких LA. Когда подвижный абонент перемещается из одной LA в другую, данные о его местоположении автоматически обновляются в VLR. Если старая и новая LA находятся под управлением различных VLR, то данные на старом VLR стираются после их копирования в новый VLR. Текущий адрес VLR абонента, содержащийся в HLR, также обновляется.
VLR обеспечивает также присвоение номера "блуждающей" подвижной станции (MSRN). Когда подвижная станция принимает входящий вызов, VLR выбирает его MSRN и передает его на MSC, который осуществляет маршрутизацию этого вызова к базовым станциям, находящимся рядом с подвижным абонентом.
VLR также распределяет номера передачи управления при передаче соединений от одного MSC к другому. Кроме того, VLR управляет распределением новых TMSI и передает их в HLR. Он также управляет процедурами установления подлинности во время обработки вызова. По решению оператора TMSI может периодически изменяться для усложнения процедуры идентификации абонентов. Доступ к базе данных VLR может обеспечиваться через IMSI, TMSI или MSRN. В целом VLR представляет собой локальную базу данных о подвижном абоненте для той зоны, где находится абонент, что позволяет исключить постоянные запросы в HLR и сократить время на обслуживание вызовов.
Для исключения несанкционированного использования ресурсов системы связи вводятся механизмы аутентификации - удостоверения подлинности абонента. Центр аутентификации состоит из нескольких блоков и формирует ключи и алгоритмы аутентификации. С его помощью проверяются полномочия абонента и осуществляется его доступ к сети связи. AUC принимает решения о параметрах процесса аутентификации и определяет ключи шифрования абонентских станций на основе базы данных, сосредоточенной в регистре идентификации оборудования (EIR - Equipment Identification Register).
Каждый подвижный абонент на время пользования системой связи получает стандартный модуль подлинности абонента (SIM), который содержит: международный идентификационный номер (IMSI), свой индивидуальный ключ аутентификации (Ki), алгоритм аутентификации (A3).
С помощью записанной в SIM информации в результате взаимного обмена данными между подвижной станцией и сетью осуществляется полный цикл аутентификации и разрешается доступ абонента к сети. Процедура проверки сетью подлинности абонента реализуется следующим образом. Сеть передает случайный номер (RAND) на подвижную станцию. На ней с помощью Ki и алгоритма аутентификации A3 определяется значение отклика (SRES), т.е.















