62927 (588860), страница 2
Текст из файла (страница 2)
В схеме присутствуют 3 различных схемы:
– Регулировка эквалайзера, громкости и баланса, а также усиление на 14 дБ. На входе которой выполнен индикатор перегрузки. Таких схем 6.
– Компрессор и шумоподавитель. 2 схемы (правый и левый)
– Индикатор выходного сигнала.
2.4 Описание принципиальной схемы
Описание привожу поблочно.
Описание блока входов.
Рисунок 2.6
Блок (рис 2.6) осуществляет регулировку эквалайзера, громкости и баланса. А так же осуществляет усиление сигнала на 14 дБ. Так же присутствуют индикаторы перегрузки, включение входа и баланса.
Рисунок 2.7.
Блок осуществлен на микросхеме CXA 1352, которая осуществляет эквализацию и усиление стерео сигнала.
Структурная схема микросхемы представлена на рисунке 2.7. Изображен один канал.
Как видно, сигнал усиливается на 14 дБ и проходит через 5-ти полосный эквалайзер, где осуществляется регулировка + 10 дБ каждой полосы. После этого сигнал проходит через регулировку громкости и проходит на выход. Остальные входы (F OUT и L OUT) мы не используем. Из 1-го выхода выходит сигнал просто усиленный со входа на 29 дб, не проходя через эквалайзер и регулировку громкости. 2-й – выход не проходя через регулировку громкости, напрямую от эквалайзера.
Все регулировки осуществляются подачей напряжения от 0 до питающего на определенный выводы микросхемы. Тем самым регулировка производится непосредственно в самой микросхеме, что обеспечивает минимальные помехи и наводки на сигнал.
Входной сигнал проходит через разъем «стереоджек» и регулировку чувствительности, выполненной на сдвоенном переменном резисторе. Это необходимо для приема сигнала от мощных источников. Сигнал амплитудой выше 1,5 В будет проходить через микросхему с искажениями, сильно большая амплитуда может повредить микросхему. Поэтому резистором чувствительности достигается номинальное значение входного напряжения микросхемы.
Далее сигнал следует через разделительные конденсаторы для каждого канала. Они разделяют по переменному току, и служат для нормальной работы микросхемы без влияния на неё подключенных приборов.
Регулировка осуществляется подачей напряжения от 0 до питающего. Это осуществлено с помощью переменных резисторов, которые работают как делители напряжения. В левом положении на микросхему подается 0, в правом, напряжение питания.
Для осуществления выключения входа используется переключатель, включенный после резистора регулировки громкости. Во включенном состоянии на микросхему подается напряжение с резистора, и загорается светодиод, показывающий включение входа. При выключенном состоянии на вывод микросхемы регулировки громкости подается «0», и индикатор включения входа тухнет, тем самым имитируя нулевую громкость, т.е. на выходе микросхемы сигнал не будет присутствовать.
Еще присутствует индикатор баланса. На 2-х резисторах выполнен делитель напряжения, и параллельно включено 2 светодиода с разным включением, и соединяется с резистором регулировки баланса. При среднем положении между выводами светодиода разность потенциала равна нулю и ни один светодиод не светится, при движении вправо появляется положительное напряжение и постепенно загорается правый диод, при движении ручки влево, загорается левый светодиод.
Баланс работает таким образом, при среднем положении (½ от питающего напряжения) оба канала работают без изменений, при повышении напряжения уменьшается громкость левого канала, правый остается без изменений и наоборот
Регулировка эквалайзера осуществлена без индикаторов 5-ю переменными резисторами. Регулируются такие полосы: 100 Гц, 400 Гц, 1 кГц, 4 кГц, 10 кГц. Амплитудно-частотная характеристика представлена на рисунке 2.8.
После микросхемы сигнал следует через разделительные конденсаторы, которые также разделяют по постоянному току и обеспечивают нормальную работу микросхемы без влияний последующих устройств.
Рисунок 2.8
Индикаторы превышения сигнала построены на 2-х диодах, транзисторе и диоде. Сделан один для 2-х каналов. Через диоды сигнал проходит на базу транзистора и при достижении определенного уровня транзистор открывается и загорается светодиод, тем самым показывая превышения сигнала, и что для качественного звука необходимо уменьшить амплитуду сигнала. Диоды применяются для того, чтобы сигналы не смешивались.
Так как регулировка громкости осуществляется на 2 канала одновременно, нет смысла делать 2 индикатора для каждого канала.
Далее сигнал проходит через резисторы, где он ослабляется и дальше происходит смешивание.
Остальные элементы служат для нормальной работы микросхемы.
Вход 2 и 3 осуществлены по такой же схеме.
Вход 4 и 5 моно, и сделаны на одном блоке как предыдущие.
Отличие лишь во входной и выходной цепях, это показано на рисунке 2.9.
В отличие от блока входа 1,2,3, здесь на каждый канал проходит сигнал с отдельного моно разъема, и отсутствует регулировка чувствительности.
Далее все регулировки ведутся также, но баланс регулируется так: в среднем положении оба входа, и 4-й и 5-й работают одинаково, при правом положении регулятора баланса ослабляется 4-й вход, при левом, 5-й. Регулятор громкости действует для обоих входов.
Рисунок 2.9
В выходной цепи вместо 2-х резисторов применяются 4. При с каждого канала сигнал поступает в оба канала смешанного сигнала, что обеспечивает на выходе присутствие обеих входов в обоих каналах (правом и левом), что и является признаком моно входов.
6-й и 7-й моно входа осуществлены также соответственно.
Такое малое отличие схем стерео и моно входов обеспечивает высокую технологичность. Можно сделать 5 одинаковых блоков на одной плате. И разница между моно и стерео будут лишь в схеме подключения к ней.
Рисунок 2.10
Смешивание сигналов.
Смеситель выполнен на резисторах номиналом 15 кОм, что обеспечивает номинальное подавление сигнала для подальшего усиления в выходном блоке. Схема представлена на рисунке 1.10.
Входа 1,2,3 смешиваются просто через резисторы соответственно в левый и правый каналы.
Входа 4,5,6,7 моно, и особенностью смешивания является то, что они выполнены на 2-х стерео блоках, и каждый вход через резисторы смешивается в оба канала (правый и левый).
Смешанный сигнал поступает на выходной блок.
Выходной блок такой же как и входной, в нем также осуществляется регулировка эквалайзера, баланса и громкости. Отличием является то, что отсутствует включатель, так как нет надобности его использовать, чтобы отключить сигнал на выходе, можно просто отключить сеть всего устройства. Также на входе отсутствует регулировка чувствительности. Смешанный сигнал напрямую проходит через разделительные микросхемы в микросхему. На выходе блока разделительные резисторы отсутствуют.
Схема выходного блока изображена на рисунке 2.11.
Рисунок 2.11
После выходного блока сигнал поступает на индикатор сигнала, выход, и каскад эффектов. Структурная схема представлена на рис 2.12.
Для возможности подключения к выходу устройства нескольких устройств, есть один стерео вход, и 2 моно (левый и правый). Величина сигнала наблюдается на стерео индикаторе, каждый канал которого состоит из 6-ти светодиодов, 1-й горит всегда, и индицирует питание от сети.
Рисунок 2.12
Сигнал еще проходит в блок компрессора, который состоит из 2-х одинаковых схем и служит для обработки левого и правого каналов. После блоков компрессора сигнал поступает на выходы, которых тоже 3 (1 стерео и 2 моно), что позволяет подключить несколько устройств к выходу.
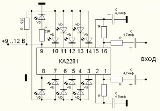
Блок индикации.
Служит для наблюдения за величиной выходного сигнала, чтобы не допустить превышения допустимого сигнала и не вывести из строя последующие чувствительные в перегрузкам устройства.
Схема индикатора представлена на рисунке 2.13.
Рисунок 2.13
С увеличением амплитуды сигнала загораются большее число светодиодов на шкале, первый горит постоянно. Шкала логарифмическая, что наиболее подходящая для слежения за звуковым сигналом. Последний светодиод загорается, когда амплитуда сигнала превышает нормальную.
Блок компрессора
Схема блока представлена на рисунке 2.14
Рисунок 2.14
Служит для улучшения звукового сигнала при звукозаписи для сужения динамического диапазона, ограничения и шумоподавления.
Имеются 4 регулировки для подбора максимально подходящих параметров работы, это: усиление, величина компрессии, крутизна ограничения, регулировка порога чувствительности.
Регулировкой усиления регулируется величина выходного сигнала.
Регулировкой компрессии регулируется отношение характеристики выхода ко входу, это можно наблюдать на рисунке 2.15
Рисунок 2.15
Этой регулировкой обеспечивается выравнивание амплитудной характеристики.
Регулировкой крутизны ограничения, регулируется угол ограничения сигнала после максимального участка компрессии.
Это делается для того, чтобы сигналы выше определенного уровня не перегружали последующие устройства, а сигнал как бы подавляется, этим самым сохраняя стабильную амплитуду не теряя качества сигнала. Регулировка ограничения показана на рис. 2.16.
Рисунок 2.16
Регулировкой порога чувствительности регулируется, насколько будут подавляться сигналы меньше порога подавления. Это необходимо для того, чтобы шумы, имеющие маленькую амплитуду, подавлялись. При звукозаписи это очень важно, в паузах, когда полезный сигнал отсутствует, присутствует шум, который записывается, и уменьшает качество записи. При использовании этого эффекта, когда сигнала нет, шум уменьшается, и его почти не слышно, когда же сигнал появляется, то микросхема снова «включается» и на фоне звука шум уже почти не ощущаем.
Структурная схема микросхемы эффектов показана на рис. 2.17.
Рисунок 2.17
Коэффициент усиления микросхемы равен отношению резистора R1 к R2. В моей схеме применяется коэффициент 1, так как на вход поступает сигнал, амплитуда которой подходит для последующих устройств, больше усиливать сигнал нет смысла.
Сигнал поступает на вход микросхемы через разделительный конденсатор. Проходит через операционный усилитель и через разделительный конденсатор вне микросхемы проходит на блок эффектов, который регулируется с помощью резисторов, подключенных в выводам микросхемы.
Такой эффект выравнивает сигнал по амплитуде, и на выходе получается качественный насыщенный сигнал одинаковой амплитуды, вне зависимости от амплитуды источника.
Выход с микросхемы поступает на выход устройства.
2.5 Выбор и обоснование элементной базы
Основными элементами есть 3 микросхемы: это 5-ти полосный стерео эквалайзер с усилением CXA1352, микросхема эффектов SSM 2166 и микросхема индикатора КА2281. Эти микросхемы импортные, и заменить на отечественные невозможно. В схеме подключения этих микросхем будем использовать резисторы типа С2–23, конденсаторы К50, и конденсаторы малой емкости К10.
Для индикации будем использовать светодиоды диаметром 3 мм.
Для регулирования параметров будем использовать миниатюрные переменные импортные резисторы для уменьшения габаритов и удобства регулирования
Для схем индикации превышения сигнала используем транзисторы типа КТ 361. Это маломощные транзисторы, идеально подходят для включения цепи со светодиодом, которая не потребляет много тока.
3. Разработка конструкции
3.1 Концепция построения конструкции
Конструкция микшерного пульта, проектируемого в данном дипломном проекте, представлена одной конструкторской единицей в форме параллелепипеда с наклонной передней панелью для лучшей видимости панели. Габаритные размеры 250х200х50.
Прибор представляет собой блок настольного типа. За основу построения взят функционально узловой метод компоновки.
Для сборки прибора используется как печатный так и навесной монтаж.
Монтаж элементов, что входят в состав функциональных узлов, выполнен печатным монтажом. Монтаж между узлами осуществляется навесным методом с помощью гибких проводов. Для облегчения процесса монтажа, большинство отверстий присоединения выведены по краям печатной платы, исключения составляют места, где было невозможно из-за миниатюризации делать отверстия по краям. Так как устройство работает в закрытом отапливаемом помещении, влагозащиты устройство не требует.
Корпус прибора состоит из двух основных частей, что значительно облегчает сборку, это основание и крышка (передняя панель), который изготовлены из полистирола. Корпус имеет горизонтальное рабочее положение. Почти все элементы крепятся к передней панели, исключение составляет только разъем и включатель питания, которые закрепляются на правой стенке основания.















