62913 (588856), страница 2
Текст из файла (страница 2)
Таблица 1.1 Характеристики конкурирующих устройств. [1,2]
| Параметры устройств | Скоростной поисковый приемник СКОРПИОН v.3 | Стрелочный индикатор поля СИРИУС | Детектор поля D-006 | Разрабатываемое устройство |
| Внешний вид |
|
|
| |
| Нижний предел - диапазона частот, МГц. | 30 | 20 | 50 | 0,1 |
| Верхний предел + диапазона частот, МГц. | 2000 | 2000 | 800 | 900 |
| Потребляемый ток, мА. - | 200 | 40 | 30 | 30 |
| Стоимость, грн. - | 5000 | 700 | 550 | 100 |
| Питание, В. - | 12 | 9 | 9 | 9 |
Проведем сравнительный анализ устройств. Для этого воспользуемся методом выбора по матрице параметров [4].
Оценку устройств будем проводить по параметрам приведенным в таблице 1.1.
Составляем матрицу параметров:
Параметры в матрице X должны быть приведении к такому виду, чтобы большему значению параметра соответствовало лучшее качество устройства. Параметры, не удовлетворяющие такому условию (нижний предел диапазона частот, потребляемый ток, стоимость, питание) пересчитываются по такой формуле:
, (1.1)
Пересчитав эти параметры, получаем матрицу Y:
После этого параметры матрицы Y нормируют по такой формуле:
, (1.2)
В результате нормирования получим матрицу A:
Для обобщенного анализа системы параметров вводят оценочную функцию:
, (1.3)
Где bj - весовой коэффициент и
. Причем, что все параметры равнозначны поэтому bj для всех параметров будет равным 0,2.
Определим оценочные функции используя формулу 1.3 и представим их в матричном виде):
По полученным значениям оценочной функции можно сказать, что разрабатываемое устройство лучше конкурентов так как ему соответствует минимальное значение оценочной функции.
2. Структурная схема
С
труктурная схема (рис 2.1) состоит из трех блоков:
В первом блоке должен приниматься и усиливаться высокочастотный сигнал. Для приема высокочастотного сигнала целесообразно применить антенну, а для его усиления необходимо использовать высокочастотный усилитель.
Во втором должен находится высокочастотный детектор, который срабатывает при поступлении высокого уровня сигнала; компаратор, для сравнения двух сигналов, а также генератор низкочастотных импульсов для формирования звукового сигнала.
Третий блок предназначен для вывода сигнала, получаемого со второго блока на наушник.
3. Функциональная схема
На основании анализа структурной схемы устройства можно составить функциональную схему:
3.1 Высокочастотный усилитель (ВУ)
Задачей ВУ является усиление сигнала поступающего на антенну, в диапазоне от 1 до 1000МГц. Поскольку диапазон частот достаточно широк, будем использовать широкополосный усилитель. Существует несколько усилителей данного типа: однокаскадные, двухкаскадные и трехкаскадные. В нашем случае целесообразно использовать однокаскадный широкополосный усилитель. У него простая конструкция и самая маленькая элементная база, что в свою очередь увеличит надежность прибора.
3.2 Высокочастотный детектор
Высокочастотный детектор должен определять сигнал поступающий на него. Если уровень сигнала поступившего на детектор достаточно высок, то он должен пропустить его. Для решения этой задачи можно использовать обычный полупроводниковый диод, либо диод Шотки. Отличительная, особенность диода Шотки по сравнению с полупроводниковыми диодами других типов - низкий уровень ВЧ шумов, поэтому в схеме будем использовать диод Шотки.
3.3 Компаратор
Задачей компаратора является сравнение двух сигналов. В нашем случае для сравнения подадим на него сигнал с антенны и сигнал с генератора прямоугольных импульсов (пункт 3.4). Компараторы делятся на цифровые и аналоговые. В схеме используем аналоговый компаратор (АК), потому что в схеме реализованы только аналоговые сигналы. АК в свою очередь можно реализовать:
на интегральной микросхеме операционного усилителя;
на специализированной микросхеме аналогового компаратора.
Выбираем первый вариант. Используем в схеме компаратор на операционном усилителе, это самый дешевый и простой способ.
3.4 Низкочастотный генератор прямоугольных импульсов
Предназначен для создания звукового сигнала, который реагировал бы на высокочастотное усиление. Существует несколько вариантов схемного выполнения генератора прямоугольных импульсов:
-
на дискретных элементах;
-
на логических элементах;
-
на интегральной микросхеме операционного усилителя (ИМС ОУ);
Для генерации звука используем ИМС ОУ. Поскольку компаратор (пункт 3.3) тоже собран на ОУ то целесообразно для этих целей использовать одну микросхему.
3.5 Низкочастотный усилитель
Используется для усиления низкочастотных импульсов подаваемых на наушник или аудиоколонки. Используем самый простой однокаскадный усилитель. Это увеличит надежность схемы и уменьшит стоимость.
4. Схема электрическая принципиальная
На основании анализа функциональной схемы составляем схему электрическую принципиальную (ДК43.418214.001Е3).
Схема состоит из пяти функционально связанных узлов:
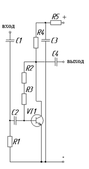
усилителя высоких частот (собранного на транзисторе VT1), рассчитанного на работу с источником сигнала до 50 Ом (рис 4.1).
Рис 4.1 Схема однокаскадного широкополосного усилителя [5]
детектора высоких частот или выпрямителя основаного на диоде Шотки VD1.
компаратора (на операционном усилители N1в составе микросхемы), перестраиваемого по частоте генератора прямоугольных импульсов низкой частоты (на операционном усилителе N3, N4, N5 в составе микросхемы DA1и транзисторе VT3).
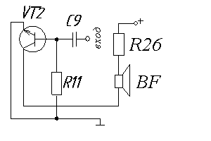
ключевого усилителя низкой частоты на транзисторе VT2 (рис.4.2).
Рис 4.2 Усилитель низкой частоты [5].
Сигнал снимается с антенны (WA), поступает на высокочастотный усилитель реализованный на транзисторе VT1. Если уровень сигнала высокий срабатывает детектор ВЧ излучений (открывается диод VD1) выполненный на диоде Шотки. Диод включает компаратор в микросхеме D1 которая отвечает за формирование НЧ импульсов останавливая при этом генератор НЧ импульсов.
Уровень сигнала, подаваемого на компаратор с детектора, регулируется подстроечным резистором R9, который позволяет принудительно снизить чувствительность устройства. Порог срабатывания компаратора изменяется переменным резистором R10, который устанавливает начальную частоту генерации генератора НЧ. Индикация работы устройства осуществляется светодиодом VD2.
К контактам X1 подключается телескопическая антенна, к контактам X2 и X5 - источник питания 9В, а к контактам X3 и X4 - наушники через соответствующий разъем. Наушники могут использоваться любые с сопротивлением более 30 Ом. При необходимости громкость можно изменить подбором резистора R26 (увеличение сопротивления приводит к уменьшению громкости).
5. Выбор компонентов для разработки схемы
Выбор компонентов является одной из самых важных процедур, так как именно от этого выбора будут зависеть многие параметры
сконструированного прибора. Элементную базу конструкции можно рассматривать с трех сторон:
со стороны разработчика (серия должна обеспечивать минимальную массу, объем, потребляемую мощность, максимальное быстродействие);
со стороны изготовителя (серия микросхем должна позволять автоматизацию сборки, сквозной контроль всех работоспособности всех уровней конструкции, допускать замену элементов на более новые, допускать усовершенствование конструкции несложным путем);
со стороны пользователя (простота обслуживания, ремонта, высокая надежность, качество, невысокая стоимость).
Оптимальным вариантом будет совместить эти стороны рассмотрения элементной базы таким образом, чтобы компоненты удовлетворяли, по возможности, всех сразу, то есть найти компромисс между разработчиком, изготовителем и пользователем изделия.
В качестве самого наглядного и эффективного метода выбора компонентов для построения схемы используют метод с использованием матрицы нормированных параметров. В ее основе лежит простая таблица наиболее важных и приоритетных параметров компонентов для конструируемого прибора.
5.1 Выбор ИМС операционного усилителя
Для начала выберем операционный усилитель, который подходят для конструкции разрабатываемого прибора. Это будут следующие ИМС:
К554СА1;
КМ597СА2;
LM324.
Оценку этих компонентов будем проводить по таким параметрам:
средний входной ток Iвх;
выходной ток Iвых;
коэффициент усиления Кv;
напряжение питания Uпит;
При помощи матрицы параметров выбираем какая микросхема больше подходит для разрабатываемого устройства.
Таблица 5.1.1 Параметры выбираемых микросхем [6-9]
| параметры | Iвх, мкА | Iвых, мА | Кv | Uпит, В |
| - | + | + | - | |
| К554СА1 | 75 | 0.5 | 75∙103 | 9 |
| КМ597СА2 | 10 | 5 | 150∙103 | 9 |
| LM324 | 0.05 | 20 | 25∙106 | 9 |
| b (коэфициент важности) | 0.25 | 0.25 | 0.25 | 0.25 |
Составляем матрицу параметров:
75 0.5 75∙103 9
Х = 10 5 150∙103 9
0.05 20 25∙106 9
Строим матрицу приведенных параметров, используя формулу (1.1):
















