62791 (588838), страница 2
Текст из файла (страница 2)
2.3 Нормирующий преобразователь
Учитывая выходные параметры первичного преобразователя, выбираем усилительный элемент.
Т.к. полезный сигнал будет поступать с большим синфазным сигналом, приблизительно равным напряжению питания тензорезисторного моста
, то необходимо, чтобы усилитель имел очень высокий уровень подавления синфазного сигнала.
Это соответствует
.
Значит, необходимо выбрать такой усилительный элемент, который обеспечивает ослабление синфазного сигнала минимум в
.
Коэффициент усиления должен быть таким, чтобы максимальный уровень полезного сигнала усиливался до опорного напряжения АЦП, что соответствовало бы максимальному коду. Опорное напряжение выбираем стандартное
. Тогда
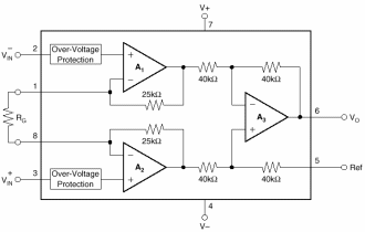
Тогда выбираем т.н. инструментальный операционный усилитель фирмы BURR BROWN INA128.
В инструментальных усилителях коэффициент усиления задается с помощью подключения внешнего сопротивления RG, значение которого высчитывается для INA128 по следующей формуле
, где
Тогда
, выбираем стандартное сопротивление
.
Полученный коэффициент усиления будет равен
.
Такое значение допускается, т.к. первичный преобразователь выбирался с запасом, т.е. уровень полезного сигнала на выходе тензорезисторного моста не будет достигать своего максимального значения
.
Это соответствует нагрузке на все 8 датчиков
.
При этом остается запас
.
2.3 Внутренняя структура инструментального усилителя INA128.
2.4 Аналого - цифровой преобразователь
Аналого - цифровой преобразователь (АЦП) выбирается исходя из ТЗ.
Нам необходимо взвешивать груз с максимальной весом
. При этом необходимо производить измерение с погрешностью 0.1%, что соответствует
.
Здесь
- пересчетное значение младшего значащего разряда - шаг квантования. Для того, чтобы покрыть весь диапазон с шагом, равным минимальному шагу квантования необходимо сделать
шагов.
Это соответствует
. Значит, сигнал необходимо оцифровывать с разрядностью 10. Это минимальное значение разрядности АЦП. В реальных условиях необходимо иметь запас. Поэтому выбираем разрядность АЦП - 12.
Частота дискретизации может быть любой, т.к. процесс измерения происходит в статике.
Выбираем АЦП фирмы BURR BROWN ADS7820.
Передача информации осуществляется в параллельном коде в микроконтроллер по управляющему сигналу с МК. Затем МК мультиплексирует входные сигналы и процесс повторяется.
После обработки всех линий, МК анализирует полученные данные. Причем в это время АЦП не выбран. Это означает, что его выходы находятся в высоко импедансном состоянии и при необходимости могут обслуживать другое устройство.
Рис. 2.4.1. Схема включения АЦП ADS7820.
Рис. 2.4.2. Внутренняя структура АЦП.
Для настройки данного АЦП на работу необходимо на выход BYTE подать сигнал низкого уровня. При этом на D0 ... D11 будет поступать код, соответствующий входному аналоговому преобразующему сигналу.
R
/C - Чтение/Преобразование. При перепаде из ноля в единицу (положительном фронте) на этом входе разрешается считывание кода с параллельного порта. При перепаде из единицы в ноль (отрицательном фронте) запуск преобразования аналогового сигнала в код.
C
S - Выбор кристалла. При логическом нуле на этом входе происходит активация АЦП. Вместе с R/C - запускает преобразование. При логической единице на этом входе происходит перевод всех линий параллельного порта в высокоимпедансное состояние.
B
USY - При запуске преобразования на этом выходе устанавливается логический ноль. Сброс нуля происходит, когда преобразование закончится.
П
редлагается подвести от вывода R/C АЦП линию к выводу INT0 и INT1 микроконтроллера через логическую схему.
2.5 Выбор мультиплексора
Согласно ТЗ, необходимо работать сразу с восемью аналоговыми сигналами. Для того, чтобы можно было оцифровывать все 8 сигналов одним АЦП необходимо использовать аналоговый мультиплексор. При этом нет требований к его быстродействию.
Необходимо, чтобы он мог пропускать напряжение до 2V.
Выбор канала должен осуществляться с помощью трех управляющих выводов, задающих номер канала. Этим будет заниматься микроконтроллер.
Выбираем мультиплексор фирмы BURR BROWN MPC508A.
Рис. 2.5.1. Внутренняя структура мультиплексора.
Рис. 2.5.2. Вариант схемы включения мультиплексор MPC508A.
2.6 Выбор микроконтроллера
В данном случае, согласно ТЗ, перед проектировщиком не ставится каких либо особых ограничений или требований. Т.к. процесс измерения веса происходит в статике, то нет необходимости в очень высоком быстродействии схемы. По этому не целесообразно проектировать данное устройство на DSP.
Одним из самых распространенных микроконтроллеров на сегодняшний день является МК семейства MCS-8051, первоначально разработанные фирмой INTEL.
INTEL MCS-8051 предназначен для построения контроллеров и микро-эвм различного назначения, отличающихся низкими аппаратными затратами при сохранении универсальности и быстродействия. Область применения MCS-8051 - от локальных систем автоматики до устройств управления бытовыми приборами.
Основными программно-доступными устройствами MCS-8051 являются:
1) 8-разрядный аккумулятор а;
2) 8-разрядный вспомогательный регистр в;
3) триггеры признаков результата: C (переноса), AC(вспомогательного переноса), OV (переполнения), P (четности);
4) триггеры выбора банка рабочих регистров RS0 и RS1;
5) триггер программно-управляемого флага F0;
6) 16-разрядный счетчик команд PC;
7) 16-разрядный регистр указателя данных DPTR;
8) 8-разрядный регистр указателя стека SP;
9) внутренняя память программ емкостью 4 кбайт, расширяемая внешними устройствами до 64 кбайт;
10) внутренняя память данных емкостью 128 байт, в которой размещается от одного до четырех банков рабочих регистров R0-R7, область стека и побитово адресуемая область памяти;
11) внешняя память данных емкостью до 64 кбайт;
12) два программируемых 16-разрядных таймера-счетчика;
13) программируемый двухнаправленный последовательный порт ввода-вывода и соответствующие устройства управления;
14) четыре 8-разрядных двухнаправленных параллельных порта ввода-вывода;
15) двухуровневая приоритетная система прерываний.
Предлагвется использовать микроконтроллер MCS-8051 следующим образом:
Порт Р0 и Р2 будут работать с данными, поступающими с АЦП.
Порт Р1 будет настраивать мультиплексор и АЦП.
Калибровка системы будет производиться по сигналу с компьютера.
Калибровка, также, будет осуществляться по прерыванию INT0.
С помощью RxD и TxD будет осуществляться связь с компьютером.
Рис. 2.6.1. Внутренняя структура микроконтроллера INTEL MCS-8051.
Рис. 2.6. Микроконтроллер INTEL MCS-8051
2.7 Передача информации через последовательный порт.
Рис. 2.7.
На рисунке 2.7. изображена электрическая принципиальная схема передачи информации от микроконтроллера в последовательный порт компьютера посредством комплексного преобразования напряжений с помощью драйвера последовательного интерфйса RS232A.
Главная функция устройства RS232A - согласование напряжения между устройствами. Дело в том, что напряжения логической единицы и нуля для микроконтроллера и компьютерного COM - порта различаются по уровням и полярности напряжений.
Табл.2.5.
| Логический Уровень | Уровень напряжения для МК | Уровень напряжения для COM |
| 0 | 0 ... 0.4 | +12V |
| 1 | 4.75 ... 5.25 | 12V |
Напряжение питания для RS232A - 5V.
Напряжение питания преобразовывается до уровня 12V. Затем в зависимости от того, какой логический уровень пришел на вход драйвера, ключи подключают к выходу напряжение необходимой полярности в соответствии с таблицей 2.7. Также, драйвер RS232A выполняет некоторые дополнительные функции - защищта от статического электричества, гальваническая развязка и т.д.
Следуя руководству по эксплуатации данного драйвера необходимо, чтобы номиналы всех конденсаторов С1 С4 были равны. Причем для RS232A С1 С4 равно 0.1 F.
Конденсатор Сst выбираем 10 F. Он служит для сглаживания случайных скачков напряжения питания RS232A.
2.8 Настройка контроллера на работу с последовательным портом
В данном микроконтроллере INTEL MCS-8051 есть специальные выводы RxD и TxD - линии, соответственно ввода и вывода информации, представленной в последовательном коде. Прием или передача информации программой осуществляется с помощью регистра SBUF.
Архитектура контроллера следующая. При передаче информации через последовательный порт в регистре SCON устанавливается флаг Т1,а при приеме информации - флаг R1. В регистре РCON находится бит SMOD, установка которого означает работу с удвоением частоты.
Для установки скорости передачи по последовательному порту необходимо записать в регистр счетчика TH1 и TL1 число N, определяемое по следующей формуле:
В этой формуле Fosc - частота резонатора (кварца)
SMOD - бит удвоения частоты
BR - Baud Rate, скорость передачи данных.
В нашем случае мы работаем без удвоения частоты, т.е. SMOD=0.
Частота резонатора Fosc = 8 MHz.
Скорость передачи данных BR = 300 Бод.
Формат посылки изображен на рисунке 2.8.
Рис. 2.8.
-
Программирование микроконтроллера
Программа для микроконтроллера состоит из трех основных блоков:
-
Предварительная установка. Запускается по RESET или при включении питания микроконтроллера.
-
Измерение веса (считывания кодов с АЦП, обрабатывающего последовательно 8 аналоговых каналов). Запускается по сигналу INT0, соответствующему сигналу готовности данных на выходе микросхемы аналого-цифрового преобразователя.
-
Вывод информации на компьютер. Запускается по вызову из подпрограмм измерения веса или обработки последовательного порта (по получению управляющего сигнала с компьютера).
-
Калибровка. Считывание кодов с АЦП, обрабатывающего последовательно 8 аналоговых каналов. Причем полученный код считается соответствующим нулевому весу. Данные значения будут вычитаться в последствии из кода, полученного при измерении веса вагона. Запускается по сигналу INT1, соответствующему сигналу готовности данных на выходе микросхемы аналого-цифрового преобразователя.
-
Блок-схема предустановок (настроек)
3.2 Блок-схема измерения веса















