62750 (588824), страница 3
Текст из файла (страница 3)
3) и, наконец, стоимости - транзисторы со слишком высокими показателями имеют бόльшую стоимость.
Выбираю транзистор 2Т368А. Его параметры приведены в приложении%.
3.6.2 Нахожу параметры усилительного каскада на промежуточной частоте
3.6.2.1 Сопротивление базы на высокой частоте:
,
где τ - постоянная цепи обратной связи;
СК - ёмкость коллекторного перехода.
3.6.2.2 Сопротивление эмиттерного перехода:
,
где I0Э - ток эмиттера в рабочей точке каскада, выбираю положение рабочей точки из условия обеспечения запаса на регулировку усиления в 6 раз: ток эмиттера в рабочей точке, равен 3мА=310-3А.
3.6.2.3 Коэффициент передачи по току в схеме с общей базой (ОБ):
,
где β - статический коэффициент передачи тока по схеме с ОЭ, β=h21Э0=50.
3.6.2.4 Сопротивление перехода база-эмиттер:
,
.
3.6.2.5 Статическая крутизна усиления:
,
.
3.6.2.6 Крутизна на высокой частоте:
,
Значение крутизны на высокой частоте осталось практически неизменным.
3.6.2.7 Входная проводимость:
,
где ω - угловая частота, ω=2πfПР.
3.6.2.8 Входная ёмкость:
,
.
3.6.2.9 Выходная ёмкость:
,
.
3.6.2.10 Выходная проводимость:
3.6.3 Коэффициент устойчивого усиления каскада на биполярном транзисторе, включенном по схеме ОЭ
,
,
что превышает требуемый коэффициент усиления.
3.6.4 Положение рабочей точки из условия обеспечения запаса на регулировку усиления в 6 раз
IЭ0=3мА=310-3А,
Y21 0=0,11,IБ0=0,06мА=60мкА,
IК0≈3мА=310-3А.
Напряжение база-эмиттер в рабочей точке UБЭ0≈0,7В.
Напряжение коллектор-эмиттер в рабочей точке UКЭ0=5В.
3.6.5 Резистор температурной стабилизации в цепи эмиттера
,
.
Выбираю резистор номиналом 820 Ом.
Напряжение на резисторе:
UЭ=IЭRЭ,
UЭ=310-3820=2,46В.
3.6.6 Сопротивления делителя базового смещения
,
,
где IД - ток делителя, IД=6 IБ0=60,0610-3=3,610-4А.
,
.
Принимаю значение резистора RД1 номиналом 20кОм по шкале Е24.
3.6.7 Сопротивление делителя базового смещения RД1 распределяю между двумя резисторами, один из которых подстроечный
Сопротивление подстроечного резистора выбираю из соображений обеспечения регулировки тока базы в диапазоне ±35%:
,
.
Принимаю значение резистора RД22 по шкале Е12 номиналом 6,8кОм.
Сопротивление постоянного резистора делителя:
RД21=RД2-0,5RД22,RД21=8780-0,56800=5380Ом.
Принимаю значение резистора RД21 номиналом 5,6кОм.
3.6.8 Входная проводимость усилителя
,
Входное сопротивление усилителя:
,
.
Расчёт коллекторной цепи транзистора будет выполнен после определения параметров нагрузки, которой является ограничитель усиления следующего каскада ЛУПЧ.
3.7 Расчёт ограничителя усиления (смотри рис. %)
3.7.1 Сопротивление резистора делителя RS найду по приближённой формуле из расчёта обеспечения тока через диоды порядка 0,5мА
,
где ЕИ - напряжение источника смещения, в данном случае источника питания;
UПОР - пороговое напряжение диодов, для кремниевых диодов UПОР≈0,7В;
Iдиод - ток через диоды ограничителя, Iдиод=510-4А.
3.7.2 Сопротивление нагрузочных сопротивлений делителя
,
.
Принимаю значение R=680Ом по шкале Е24.
3.7.3 Сопротивление нагрузки делителя с учётом входного сопротивления усилителя можно найти по формуле
R~
,
R~
.
3.7.4 Сопротивление резистора ограничителя Rf
Rf=R~(KЛ-1),
Rf=260(6,81-1) =1511Ом.
Выбираю номинал резистора Rf по шкале Е24 1,5кОм.
3.7.5 В процессе настройки ЛУПЧ напряжение ограничения усиления подвергается изменению
Разделяю сопротивление RS на два резистора, один из которых подстроечный. Он должен обеспечить регулировку напряжения ограничения в пределах ±20%.
Сопротивление подстроечного резистора:
RS2=0,4RS,
RS2=0,425400=10160Ом.
Выбираю номинал подстроечного резистора по шкале Е12 величиной 10кОм.
Сопротивление постоянного резистора:
RS1=RS-0,5 RS1,RS1=25400-0,5 10000=20400Ом.
Выбираю номинал резистора по шкале Е24 величиной 20кОм.
3.7.6 Входное сопротивление ограничителя в режиме усиления
,
.
Входное сопротивление ограничителя в режиме насыщения:
,
.
Среднее значение входного сопротивления ограничителя можно найти как среднее геометрическое двух значений сопротивлений:
,
.
3.8 Расчёт коллекторной цепи усилителя ЛУПЧ
3.8.1 Сопротивление коллекторной цепи по переменному току с учётом влияния входного сопротивления ограничителя усиления
,
.
3.8.2 Сопротивление резистора коллекторной нагрузки по переменному току
,
Принимаю значение Rк по шкале Е24 равным 75Ом.
3.8.3 Сопротивление резистора фильтра
,
.
Принимаю значение Rф по шкале Е24 равным 1,5кОм.
3.8.4 Ёмкость конденсатора в цепи эмиттера находится из соображения его малого реактивного сопротивления по сравнению с сопротивлением резистора цепи эмиттера
XCЭ< или Выбираю конденсатор по шкале Е24 номиналом 130пФ. Реактивное сопротивление конденсатора должно быть много меньше входного сопротивления следующего каскада. Ёмкость конденсаторов можно найти по формуле: Выбираю по шкале Е24 конденсатор СР1 номинальной ёмкостью 620пФ. Принимаю величину ёмкости Cф по шкале Е24 номиналом 1500пФ. Входная проводимость: g11ПР≈0,6g11С, где g11С - входная проводимость в режиме усиления на частоте сигнала, g11ПР≈0,62,8410-3=1,710-3См; крутизна преобразования: Y21ПР=0,25Y21П, Y21ПР=0,253,3310-3=8,3310-4См; выходная проводимость: g22ПР≈0,4g22,g22ПР≈0,4110-4=410-5См; проводимость обратной связи: Y12ПР≈0,15Y12П, где Y12П - проводимость обратной связи на промежуточной частоте, Y12ПР≈0,15(-5,6510-5) =8,510-6См; ёмкости затвор-исток, затвор-сток и сток-исток и выходная ёмкость остаются без изменений: СЗ-И=1,5пФ, СЗ-С=0,3пФ, СС-И=1,1пФ, С22И=1,4пФ. Напряжение затвор-исток в середине рабочего участка смесителя: UЗ-И 0=3В, ток стока в рабочей точке смесителя: IC 0=10мА. Ширина рабочего участка: 2ΔUЗ-И=6В, амплитуда гетеродина: UГЕТm=0,52ΔUЗ-И, UГЕТm=0,56=3В. Действующее значение напряжения гетеродина: где b - относительное изменение ёмкости, которое может быть равным 0,1…0,3; μ - коэффициент, учитывающий степень подверженности частотной характеристики фильтров влиянию вносимых ёмкостей, для схемы на двухконтурных фильтрах μ=0,8…1,0. где dK - конструктивное затухание контура, для частоты 30МГц dK=0,01,C11 - входная ёмкость каскада следующая за смесителем, C11=2пФ, C22 -выходная ёмкость полевого транзистора, C22=1,4пФ, g11 - входная проводимость каскада следующая за смесителем, g11=2,2510-3,g22ПР - выходная проводимость полевого транзистора при преобразовании. dЭК=0,01257,d'=0,047,d"=0,392. Очевидно, что dЭК Коэффициент включения контура в коллекторную цепь принимают равным единице (полное включение контура в цепь коллектора): m1=1. Коэффициент усиления не превышает значения устойчивого усиления: K01 Принимаю ёмкость первого контура СК1 равной 160пФ по шкале Е24. Принимаю ёмкость второго контура СК21 равной 180пФ по шкале Е24. Принимаю ёмкость второго контура СК22 равной 1200пФ по шкале Е24. где СК=СК2=СК2=160пФ. k=dЭК, k=0,01257. ССВ=kСК, ССВ=0,01257160=2,01пФ. Принимаю номинал ёмкости конденсатора связи по шкале Е24 равным 2пФ. Входная проводимость усилительного каскада с ОЗ: где g11C - входная проводимость по схеме ОИ на частоте сигнала, g22C. - выходная проводимость транзистора в схеме с ОИ. где IИ0 - ток истока в рабочей точке, IИ0≈IC0+UЗ-Иg11C=1010-3+32,8410-3=1,8510-2А=18,5мА. Сопротивление RИ принимаю номиналом 68Ом по шкале Е24. Напряжение на резисторе RИ: UИ=IИ0RИ, UИ=1,8510-268=1,26В. где IД - ток делителя, из соображений стабильности положения рабочей точки ток делителя выбирается много больше тока утечки затвора полевого транзистора. Для данного типа транзистора ток утечки затвора не превышает 4нА, однако для избежания проблем с выбором резисторов делителя со слишком большими номиналами, а также уменьшения влияния паразитных утечек тока, ток делителя можно принять равным 100мкА. Сопротивления резисторов RД1 и RД2 выбираю равными 36кОм и 43кОм соответственно. Принимаю значение сопротивления резистора фильтра 150Ом по шкале Е24. Принимаю номинал конденсатора фильтра по шкале Е24 равным 43пФ. XCИ< Или Выбираю конденсатор по шкале Е24 номиналом 1800пФ. Фильтр СВЧ выполняю на связанных разомкнутых полосковых линиях. Полосковые линии выполняются в виде рисунка печатной платы. Материалом подложки послужит стеклотекстолит, а проводниками полосок медная фольга. Выбираю в качестве материала печатной платы фольгированный с двух сторон стеклотекстолит матки СФ2-35-2,0 ГОСТ 10316-70. Его параметры: толщина подложки d=2мм; относительная диэлектрическая проницаемость материала подложки ε=6; толщина фольги Δ=35мкм, тангенс угла диэлектрических потерь tgδ=25010-5, на частоте 1ГГц. где LЗ - ослабление при расстройке ΔfЗ, LПРОП - ослабление на границе полосы пропускания при расстройке ΔfПРОП, обычно LПРОП=2 (или 3дБ). Число звеньев фильтра округляется до ближайшего большего целого: n=2. Замечу, что число элементарных фильтров на связанных полосках на единицу больше, то есть три. Затем, по таблице 3.4 [Ковалёв], для относительной полосы пропускания 2% найду коэффициенты qi, представляющие собой перепады характеристических сопротивлений ступенчатого перехода фильтра-прототипа: q1=q3=83,356,q2=3741,2. Ci=10lg(1+qi), C1=C3=10lg(1+83,356) =19,26дБ, C2=10lg(1+3741,2) =35,73дБ. Ci=10lg ki-2. Откуда коэффициент связи: Для уменьшения громоздкости вычислений результаты расчётов приведены в таблице 3.1 для d=2мм, ε=6 и ρ=75Ом. Таблица 3.1 b1=b3, мм s1=s3, мм b2, мм s2, мм 1,06 2,22 1,15 4,64 где λ - длина волны колебаний в воздухе, СКрi - краевая ёмкость резонатора.: Краевая ёмкость резонатора определяется по формуле: где Δ - толщина проводника резонатора, Δ=0,035мм. Результаты расчётов приведены в таблице 3.2 Таблица 3.2 СКР1=СКР3, пФ l1=l3, мм СКР2, пФ l2, мм 0,0512 37,80 0,0540 37,77 где ρ - волновое сопротивление подводящих линий. где k - номер ветви, отсчитываемой от входа фильтра, k=1…(n+1). Фильтр симметричный: g1=g3=1,g2=2. где QФ - нагруженная добротность всего фильтра на уровне трёх децибел, С учётом найденного нагруженные добротности колебательных систем: где QR - добротность резонатора про учёте только потерь в проводниках, QИЗЛ - добротность, определяемая потерями на излучение, tgδ - тангенс угла диэлектрических потерь, определяет потери в диэлектрике. Первые две добротности нахожу по графикам в работе [Ковалёв] в зависимости от размера d, волнового сопротивления ρ частоты f0 и относительной диэлектрической проницаемости ε: QR≈360,QИЗЛ>10000. Третий параметр дан в справочных данных на материал подложки: tgδ=25010-5. Собственное затухание резонатора фильтра: по напряжению: Так как напряжение питания достаточно большое, чтобы поделить его на два транзистора. Схема каскодного УРЧ изображена на рисунке. Второй транзистор нагружен на полосовой СВЧ фильтр. Питание стоковой цепи параллельное через катушку индуктивности. Индуктивное сопротивление катушки много больше входного сопротивления фильтра. Затвор первого транзистора защищён СВЧ двумя диодами типа КД922А. Тип диода выбран из расчёта малой барьерной ёмкости, которая составляет 0,4пФ при обратном напряжении 3В. где Roe - сопротивление фильтра СВЧ, KТРЧ - требуемое усиление УРЧ. Этому значению крутизны соответствует напряжение затвор-исток UЗ-И=0,8В и ток стока IC=1,5мА. где IИ0 - ток истока в рабочей точке, IИ0≈IC0 =1,510-3А. Сопротивление RИ принимаю номиналом 1600Ом по шкале Е24. Напряжение на резисторе RИ: UИ=IИ0RИ, UИ=1,510-31600=2,4В. где IД - ток делителя, из соображений стабильности положения рабочей точки ток делителя выбирается много больше тока утечки затвора полевого транзистора. Для данного типа транзистора ток утечки затвора не превышает 4нА, однако для избежания проблем с выбором резисторов делителя со слишком большими номиналами, а также уменьшения влияния паразитных утечек тока, ток делителя можно принять равным 100мкА. Сопротивления резисторов RД11 и RД12 выбираю 27кОм и 33кОм соответственно шкале Е24. Сопротивления резисторов RД21 и RД22 выбираю 47кОм и 75кОм соответственно по шкале Е24. Принимаю значение сопротивления резистора фильтра 1,8кОм по шкале Е24. где Goe - резонансная проводимость фильтра СВЧ, Goe=2,6710-4См. Принимаю номинал конденсатора фильтра по шкале Е24 равным 20пФ. Нахожу из соображений его малого реактивного сопротивления, по сравнению с входным сопротивлением транзистора на высокой частоте: Принимаю номинал конденсатора делителя по шкале Е24 равным 12пФ. XCИ< или Выбираю конденсатор по шкале Е24 номиналом 15пФ. Выбираю конденсатор по шкале Е24 номиналом 12пФ. Требуемый коэффициент усиления до ЛУПЧ был рассчитан ранее, он равен К=52,5. Коэффициенты усиления УРЧ, смесителя и коэффициенты передачи по напряжению входной цепи и полосового фильтра СВЧ известны из расчёта. Требуемый коэффициент усиления всего тракта УПЧ: где b - относительное изменение ёмкости, которое может быть равным 0,1…0,3; μ - коэффициент, учитывающий степень подверженности частотной характеристики фильтров влиянию вносимых ёмкостей, для схемы на двухконтурных фильтрах μ=0,8…1,0. где dK - конструктивное затухание контура, для частоты 30МГц dK=0,01,C11 и C22 - соответственно входная и выходная ёмкости усилительного прибора, g11 и g22 - входная и выходная проводимости усилительного прибора. Сравниваю расчётное значение затухания контуров с критическими значениями затухания: dЭК=0,01257,d'=0,0368,d"=0,348. Очевидно, что dЭК Коэффициент включения контура в коллекторную цепь принимают равным единице (полное включение контура в цепь коллектора): m1=1. Больше заданного - необходимо уменьшить коэффициент усиления до заданного значения КУПЧ=2,77. Сопротивление шунта: Принимаю сопротивление шунта равным 33кОм по шкале Е24. Принимаю ёмкость первого контура СК1 равной 120пФ по шкале Е24. Принимаю ёмкость второго контура СК21 равной 130пФ по шкале Е24. Принимаю ёмкость второго контура СК22 равной 1800пФ по шкале Е24. где СК=СК2=СК2=125пФ. k=dЭК, k=0,01257. ССВ=kСК, ССВ=0,01257125=2,01пФ. Принимаю номинал ёмкости конденсатора связи по шкале Е24 равным 2пФ. Приведу результаты расчёта: RД1=20кОм, RД21=5,6кОм, RД22=6,8кОм, RЭ=820Ом, СЭ=130пФ, СФ=1500пФ. Сопротивление резистора фильтра: Принимаю сопротивление резистора фильтра равным 1,5кОм по шкале Е24. где ΔfСК - частотная расстройка соседнего канала, 2ΔfТПЧ - полоса пропускания тракта промежуточной частоты на уровне 0,707. По таблице 17.11 [Буланов] нахожу, что коэффициент прямоугольности не хуже расчётного можно получит при применении трёх каскадов усилителей (в том числе один преобразователь частоты) на двухконтурных фильтрах. Коэффициент прямоугольности трёхкаскадного усилителя на двухконтурных фильтрах равен КП60=4,4, что меньше расчётного. где ψ(3) - значение функции из табл.17.11 [Буланов] для n=3, ψ(3) =1.
,
.3.8.5 Ёмкость разделительных конденсаторов СР1 и СР2 найду из соображения малого падения напряжения на них
,
,
,
3.8.6 Ёмкость конденсатора фильтра можно найти по приближённой формуле
,
.
4. Расчёт смесителя
4.1 Параметры полевого транзистора в режиме преобразования частоты
4.2 Найду устойчивый коэффициент усиления смесителя
,
.4.3 Положение рабочего участка смесителя выбираю на линейном участке зависимости крутизны транзистора от напряжения затвор-исток
,
.
4.4 Расчёт избирательной системы цепи стока
4.4.1 Коэффициент, учитывающий нестабильность формы частотной характеристики из-за влияния входных и выходных ёмкостей усилительного прибора
,
4.4.2 Определяю критические значения затухания контура
,
,
,
.4.4.3 Сравниваю полученное ранее при предварительном расчёте эквивалентное затухание контуров dЭК с найденными значениями критического затухания
4.4.4 Коэффициент включения в базовую цепь следующего транзистора
,
.
4.4.5 Эквивалентная ёмкость первого и второго контура
,
.4.4.6 Резонансный коэффициент усиления отдельного каскада
,
.4.4.7 Ёмкость первого контура
,
.4.4.8 Ёмкость второго контура СК21
,
.4.4.9 Ёмкость второго контура СК22
,
.4.4.10 Индуктивности контуров
,
.4.4.11 Коэффициент связи между контурами при критической связи
4.4.12 Ёмкость конденсатора внешнеемкостной связи
4.5 Найду требования к колебанию гетеродина
4.5.1 Нагрузкой транзистора является колебательный контур. Резонансная проводимость контура
,
.4.5.2 Колебания гетеродина подаются в цепь истока транзистора, следовательно, со стороны гетеродина транзистор включен по схеме с общим затвором (ОЗ)
,
.4.5.3 Мощность колебаний гетеродина
,
.4.6 Расчёт смесителя по постоянному току
4.6.1 Резистор температурной стабилизации в цепи истока
,
4.6.2 Сопротивления делителя смещения затвора
,
,
.4.6.3 Сопротивление резистора фильтра
,
.
4.6.4 Ёмкость конденсатора фильтра можно найти по приближённой формуле
,
.4.6.5 Ёмкость конденсатора в цепи истока находится из соображения его малого реактивного сопротивления по сравнению с сопротивлением резистора цепи истока
,
.
5. Расчёт полосового фильтра СВЧ
5.1 Для фильтра с максимально плоской характеристикой число звеньев можно найти по формуле [Воскресенский]
,
5.2 Найду отношение
.5.3 Величина переходных затуханий связанных звеньев
5.4 Амплитудный коэффициент связи имеет простую связь с величиной переходного затухания
,
,
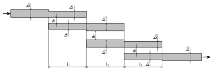
.5.5 Геометрические размеры полосок определяю по формулам [Ковалёв]
,
.
5.6 Длина полосок
,
,
5.7 Ширина подводящих полосок
,
5.8 Коэффициенты фильтра-прототипа
,
,
,
.5.9 Нагруженные добротности
,
,
.
,
.5.10 Найду собственное затухание резонатора фильтра
,
.5.11 Резонансная проводимость фильтра (по аналогии с полосовым фильтром сосредоточенной селекции)
,
.5.12 Активные потери на средней частоте фильтра
, дБ,
.5.13 Коэффициент передачи фильтра по мощности
,
,
,
.
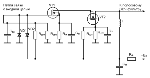
6. Расчёт усилителя радиочастоты
6.1 Выбираю последовательное включение транзисторов
6.2 Нахожу требуемую крутизну второго транзистора в рабочей точке
,
.6.3 Выбираю величину напряжения сток-исток равным UС-И=4В
6.4 Резистор температурной стабилизации в цепи истока
,
6.5 Сопротивления делителя смещения затвора первого затвора
,
,
.6.6 Сопротивления делителя смещения затвора второго транзистора
,
,
,
.
6.7 Сопротивление резистора фильтра
,
.6.8 Индуктивность цепи стока
,
.6.9 Ёмкость конденсатора фильтра можно найти по формуле
,
.
6.10 Ёмкость конденсатора, шунтирующего делитель смещения затвора
,
.6.11 Ёмкость конденсатора в цепи истока находится из соображения его малого реактивного сопротивления по сравнению с сопротивлением резистора цепи истока
,
.
6.12 Ёмкость конденсатора, шунтирующего делитель смещения затвора второго транзистора можно найти по формуле
,
.
7. Расчёт предварительного усилителя промежуточной частоты
7.1 В предварительном усилителе промежуточной частоты происходит усиление колебаний до величины необходимой для нормальной работы логарифмического УПЧ
,
.7.2 Усиление каждого каскада УПЧ из расчёта, что их два
,
.
7.3 Коэффициент, учитывающий нестабильность формы частотной характеристики из-за влияния входных и выходных ёмкостей усилительного прибора
,
.7.4 Определяю критические значения затухания контура
,
,
,
.7.5 Коэффициент включения в базовую цепь следующего транзистора
,
.7.6 Эквивалентная ёмкость первого и второго контура
,
.
7.7 Резонансный коэффициент усиления отдельного каскада
,
.7.8 Коэффициент включения в цепь следующего транзистора
,
.7.9 Контура необходимо зашунтировать, проводимость шунтов
,
,
.
7.10 Ёмкость первого контура
,
.7.11 Ёмкость второго контура СК21
,
.7.12 Ёмкость второго контура СК22
,
.7.13 Индуктивности контуров
,
.7.14 Коэффициент связи между контурами при критической связи
7.15 Ёмкость конденсатора внешнеёмкостной связи
7.16 Расчёт усилителя по постоянному току почти полностью совпадает с расчётом логарифмического УПЧ
,
.
8. Предварительный расчёт избирательной системы тракта промежуточной частоты (ТПЧ)
8.1 Коэффициент прямоугольности избирательной системы ТПЧ
,
8.2 Эквивалентное затухание контуров УПЧ
,















