62553 (588802), страница 4
Текст из файла (страница 4)
Дія екрана залежно від його взаємодії з полем завади може грунтуватися на одному з трьох принципів: відбиття від екрана, шунтування та поглинання екраном електромагнітних хвиль. Відповідні екрани називають відбивними (електромагнітними), шунтувальними (магнітостатичними) і поглинальними (електростатичними та електромагнітними).
Ефективність екранування S визначається відношенням напруг, струмів, напруженостей електричного та магнітного полів в області екранування при відсутності та наявності екрана:
.(3.8)
В техніці провідникового зв’язку ефективність екранування прийнято оцінювати в неперах:
(3.9)
В радіотехніці екранне затухання оцінюють в децибелах:
(3.10)
При цьому В=0,115А або А=8,7В.
3.6 Екранування електростатичного поля
Електростатичне екранування грунтується на замиканні електричного екрана (паразитної ємності ) на шину з нульовим потенціалом (корпусом, “землею”).
Розглянемо типовий випадок електростатичного наведення (рис. 3.7), тобто ємнісний зв'язок між джерелом А та приймачем В, та встановимо спосіб його зменшення.
а) б)
Рис. 3.7. Електростатичне наведення:
а) – фізична модель; б) – еквівалентна схема
Джерело завади А має постійну напругу чи напругу
, що повільно змінюється. У приймачі В в наслідок електромагнітної індукції наводяться заряди, і він набуває потенціалу
. Згідно розглянутому вище прикладу
(3.11)
або
.(3.12)
Згідно формули (3.12) для зменшення наведеної напруги
треба збільшити відношення ємностей
. Для цього треба або збільшити ємність
, або зменшити ємність
. Збільшення
означає збільшення вхідної ємності та ємності монтажу, а ці можливості дуже обмежені. Зменшення
можна здійснити шляхом збільшення відстані між джерелом А і приймачем В. Тому саме цей спосіб реалізують на практиці. Графік залежності
від
при сталих інших параметрах зображений на рис. 3.8.
Рис. 3.8. Залежність напруги наведення від ємності завад
Але збільшення відстані між джерелом і приймачем може привести до збільшення габаритів всього пристрою. Задачу зменшення напруги наведення можна здійснити з допомогою екрану.
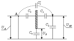
Спочатку розглянемо незаземлений екран в вигляді плоскої пластини та відповідну еквівалентну схему (рис. 3.9).
а) б)
Рис. 3.9. Дія плоского екрана:
а – фізична модель; б – еквівалентна схема.
Елементи
,
,
та
утворюють подвійний ємнісний дільник напруги. В першому наближенні приймаємо, що
. Для подвійного дільника, що утворює плоский незаземлений екран
. (3.13)
Дослідимо рівняння (3.13), враховуючи, що
та
. Розглянемо два часткові випадки та порівняємо
згідно формули (3.11).
Спочатку нехай екран достатньо віддалений від землі і знаходиться між джерелом А та приймачем В. Спробуємо екран наблизити до джерела А. Це призведе до того, що
стане на порядок більше
(
). Так як
, то
,(3.14)
бо це рівносильно умові
,
а
.
З умови (3.13) згідно (3.11) та (3.14) випливає, що
,
бо
. Отже при наближенні екрана до джерела завад навіть одержали, що
, тобто при наближенні екрана до джерела А наведена на приймачі В напруга
більша наведеної напруги
без екрана. Аналогічний висновок одержимо при зміщенні екрана до приймача В. В силу симетрії ємностей
та
зразу можна стверджувати, що знову одержимо
. Отже найменша наведена напруга буде при розташуванні плоского екрана рівно по середині між джерелом А та приймачем В.
Тепер нехай екран знаходиться по середині між джерелом А і приймачем В. При цьому екран будемо наближати до землі. Це означає, що
>>
. Тоді
При граничному переході
, що відповідає заземленню екрана, одержимо, що
. Але в цьому випадку треба враховувати
. Хоча значення
досить мале, але воно не дорівнює нулеві. Тоді при заземленому екрані
,
оскільки
.
Таким чином, найбільшого ефекту екранування можна досягти при заземленому екрані, коли ємності
та
закорочуються на землю, а ємність
зменшується до величини
(за рахунок збільшення довжини силових ліній електростатичного поля між точками А і В). Ефективність екранування
.
Екран, що погано з’єднаний з землею або має значну індуктивність з’єднуючого провідника (рис.3.10, б), різко знижує ефективність екранування.
Металева кришка (рис. 3.10, а) поліпшує ефективність екранування, хоча й не знаходиться між джерелом А і приймачем В, але при умові, якщо кришка щільно прилягає до корпусу. Тоді ємності
та
не зв’язують тіла А і В, а залишиться лише паразитна ємність
яка набагато менша паразитної ємності
. Якщо ж між кришкою і корпусом буде проміжок, то з’являється вплив
, і як наслідок, вплив ємностей
та
, які значно більші паразитної ємності. Така кришка погіршить ефективність екранування.
а)
б)
Рис. 3.10. Вплив характеру заземлення:
а – щільність прилягання металевої кришки,
б – індуктивність провідника з’єднання
При замкнутому електростатичному екрані паразитна ємність
і ефективність екранування
. В реальних конструкціях є отвори для доступу в середину екрана, і оцінити паразитну ємність можна лише експериментально. Якщо отвори і щілини екрана співрозмірні з довжиною електромагнітних хвиль, то через них може проникати електромагнітне поле. Тому отвори і щілини роблять достатньо малими.
Ефективність екранування електростатичного поля не залежить від товщини екрана та марки металу, з якого виготовлено екран. Тому часто електростатичні екрани виготовляють в вигляді тонкого шару металізованого діелектрика (нижньої сторони металокерамічного корпуса ІС, пластмасового каркаса екрана котушок індуктивності), що з’єднується з землею.
3.7 Магнітостатичне екранування
Магнітостатичне екранування застосовують для захисту від постійних та слабозмінних магнітних полів з частотою від 0 до 3000 Гц. Екран виготовляють із феромагнітних матеріалів (пермалой, сталь, ферит) з великою відносною магнітною проникністю
. Товщина екрана з металу складає 0,5...1,5 мм. При наявності такого екрана силові лінії магнітного поля Н проходять в основному по його стінках (рис. 3.11), які мають малий магнітний опір в порівняно з опором простору навколо екрана (ефект поглинання). Ефективність екранування таких полів залежить від магнітної проникності екрана і його товщини, а також від наявності стиків і швів, розміщених перпендикулярно до силових ліній магнітного поля. Цей вид екранування називається магнітним шунтуванням.
У випадку
ефективність екранування для циліндричного екрана (рис. 3.11, а):
, (3.15)
а для екрана у формі паралелепіпеда (рис. 3.11, б):
.(3.16)
а) б)
Рис.3.11. Схема дії низькочастотного екрану:
а – циліндрична форма; б – форма паралелепіпеда
У цілому ефективність магнітостатичних екранів невелика і практично однакова у всьому діапазоні частот. Так екран, виготовлений зі спеціального сплаву “Армко”, у якого
, при радіусі 0,4 м і товщині екрана 0,01 м забезпечує ефективність 31,5 дБ. Щоб забезпечити дуже високу ефективність екранування, використовують кратне екранування, розташовуючи один екран в середині іншого.
3.8 Електромагнітне екранування
Електромагнітне екранування застосовують на частотах більших 3000 Гц. Екрани виготовляють із немагнітних і феромагнітних матеріалів. Спрощено суть екранування зводиться до того, що під дією джерела електромагнітного поля на стороні екрана, що обернена до джерела, виникають заряди, а в його стінках-струми, які утворюють в зовнішньому просторі поля, що по напруженості близькі полю джерела, а по напрямку – протилежні йому (рис. 3.12). У результаті в середині екрана відбувається взаємна компенсація полів, а зовні його – витіснення зовнішнього поля полями вихрових струмів (ефект відбиття). Відбувається поглинання полів за рахунок втрат на виділення тепла при протіканні вихрових струмів по стінках екрану та на перемагнічування, якщо екран виконаний з феромагнітного матеріалу. Хоча сталь на високих частотах дає більший екрануючий ефект, ніж немагнітні матеріали, треба враховувати, що стальний екран може викликати значні втрати через свій питомий опір та гістерезис, що призводить до підвищення температури.
а) б) в)
Рис.3.12. Схема дії високочастотного екрана:
а – зовнішнє поле; б – поле вихрових струмів; в – сумарне поле
Щільність вихрових струмів у металевому екрані зменшується від поверхні в його глибину. Це зменшення тим більше, чим вища частота поля і чим більший питомий опір матеріалу екрана. На низьких частотах, коли товщина екрана менша глибини проникнення, поверхневий ефект можна не враховувати.
При виборі матеріалу і товщини екрана треба враховувати не тільки електричні властивості матеріалу, а й його механічну міцність, корозійну стійкість, зручність виготовлення, забезпечення надійного контакту з шиною нульового потенціалу, тепловідвід тощо.
У конструкціях екранів небажані щілини і отвори, інакше енергія, яка проникає в середину, викличе збудження струмів витоку на внутрішній стороні екрана.
3.9 Електромагнітна сумісність цифрових вузлів
Методи електромагнітної сумісності РЕЗ розповсюджуються на ЕОМ та цифрові технічні засоби обробки сигналів, які є не тільки джерелами завад, а й самі чутливі до сприйняття завад. Забезпечення внутрішньої електромагнітної сумісності стає все більш актуальним в зв’язку з неперервним зменшенням енергії сигналів та ростом взаємного впливу сигналів через збільшення щільності компонування та складності цифрових систем. На цифрові вузли можуть впливати і зовнішні завади, наприклад ті, що проникають по лініям живлення.
Необхідність забезпечення електромагнітної сумісності цифрових систем визначається такими основними факторами: складний характер дискретних імпульсних цифрових сигналів; дією непередбачених схемою паразитних еквівалентних електричних параметрів (розподілених індуктивностей, взаємних індуктивностей, ємностей, омічних опорів провідників друкованого монтажу і елементів несучих конструкцій); схемотехнічних особливостей цифрових інтегральних мікросхем; синхронного та асинхронного характеру процесів тощо.















