62529 (588800), страница 3
Текст из файла (страница 3)
Рисунок 4.2.2.2 – Зависимость резонансной частоты контура от напряжения на варикапе BB131
-
4.3 Регулировка выходного уровня
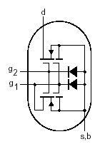
Рисунок 4.3.1 – Схема регулировки выходного уровня
На выходе каждого генератора установлены схемы регулировки выходного уровня (рис. 4.3.1). В зависимости от того какое напряжение (0…5 В) подать на базу (gate2) транзистора VT13, будет изменяться режим его работы-либо усиление, либо ослабление сигнала с генератора (база транзистора gate1). Это напряжение задаётся через цифро-аналоговый преобразователь DAC7513 микроконтроллером.
Рисунок 4.3.2 – схема транзистора BF904
Для отключения или включения схемы регулировки, когда работает другой генератор, используется вход «Switch», который так же, как и в схеме генератора, управляется микроконтроллером.
4.4 Фильтрация основной частоты
В выходном сигнале присутствуют побочные частоты, от которых необходимо избавиться. Следовательно, установим фильтры. Но так как частота сигнала изменяемая, то полосу пропускания фильтра необходимо менять в процессе работы. Это достигается путём изменения параметров элементов фильтра, то есть в схему фильтра следует включить варикапы с переменной ёмкостью (рис. 4.4.1 и 4.4.2).
Рис. 4.4.1 – Управляемый фильтр на диапазон 110–330 МГц
Рис. 4.4.2 – Управляемый фильтр на диапазон 330–1000 МГц
Регулировка полосы пропускания осуществляется по входу «Freq». На этот вход подаётся напряжение от 0 до 30 В, которое задаётся микроконтроллером через ЦАП и драйвер.
Далее при помощи ключа на микросхеме HMC545 производится выбор рабочего фильтра. Сигнал пропускается через усилители и фильтр для наилучшего качества. На выходе стоит аттенюатор для согласования с сетью.
5. Безопасность жизнедеятельности
В дипломном проекте разрабатывается техническое устройство, поэтому в данном разделе необходимо рассмотреть вопросы, связанные с охраной труда как на этапе производства, так и при проведении экспериментов.
-
5.1 Анализ опасных и вредных производственных факторов
В процессе изготовления спроектированной системы выполняются такие операции как сборка печатных плат (пайка, нанесение защитных покрытий) и их испытание. При проведении этих работ возникают опасные и вредные производственные факторы (ОВПФ).
Классификация опасных и вредных факторов
В соответствии с ГОСТ 12.0.003–80 «Классификация опасных и вредных производственных факторов», исходя из характера технологического процесса можно выделить следующие группы ОВПФ:
Физические:
– повышенная или пониженная температура воздуха рабочей зоны;
– повышенная или пониженная влажность воздуха;
– недостаточная освещенность рабочей зоны;
– опасный уровень напряжения;
– статическое электричество.
Психофизиологические:
-
ограниченная подвижность во время работы;
-
неправильная рабочая поза.
Химические:
-
– выделение паров следующих веществ: олова, свинца, канифоли, клея, растворителей.5.2 Характеристика воздействия выявленных ОВПФ на организм человека и окружающую среду
Рассмотрим характер воздействия и возможные пути проникновения в организм человека каждого из выявленных ОВПФ.
1. Микроклимат. Характеризуется температурой воздуха, относительной влажностью и скоростью движения воздуха. Повышенная температура воздуха рабочей зоны неблагоприятно действует на человека (быстрее наступает утомление, усталость, уменьшается производительность труда). При повышенной температуре возможен тепловой удар (при t = 40 – 41 0C). Пониженная влажность приводит к сухости в дыхательных путях и затрудняет дыхание.
Воздух влажностью 15 – 20% высушивает изоляцию проводов, через 3–4 года изоляция проводов растрескивается от пересыхания.
Скорость движения воздуха в среднем 0,15 м/с. При температуре воздуха до 36 0C поток ощущается как прохладный, свыше 37 0C – как теплый-горячий. Движение воздуха особенно опасно при воздействии по ночам и при сквозняках. Недостаточная скорость движения воздуха в местах выполнения технологических операций (пайки) может привести к отравлению организма человека парами и аэрозолями вредных веществ.
2. Подвижные части производственного оборудования могут стать причиной травмирования, как во время настройки и регулирования оборудования, так и во время непосредственной эксплуатации.
3. Электрический ток оказывает на организм термическое, биологическое, механическое, электролитическое воздействие. Это может привести к двум видам поражений: местным (электротравмам) и общим (электроударам). Электрический ток не может быть обнаружен органами чувств человека, что значительно усугубляет опасность поражения.
4. Статическое электричество, накопленное на теле человека способно не только испугать его, но и воспламенить паро-воздушные смеси, пыли и т.д.
5. Повышенная загазованность воздуха рабочей зоны парами и аэрозолями вредных веществ может возникнуть в случае неисправности вентиляции. Загазованность воздуха характерна при выполнении операций пайки – парами свинца, кадмия, олеиновой кислоты. Вследствие воздействия этого ОВПФ может произойти отравление.
6. Повышенная температура монтажного инструмента может стать причиной ожога при прикосновении к ним человека. Ожог можно получить в случае попадания припоя, горячего флюса и капель расплавленного металла на незащищенные части тела при выполнении операций пайки или сварки. При соприкосновении перегретых элементов и изделий с горючими веществами и материалами могут возникнуть возгорания и пожары.
7. Освещение. Слабое освещение при любых видах работ приводит к напряжению глаз, что при длительном воздействии может привести к ухудшению зрения.
8. Одной из операций в процессе сборки, настройки и регулировки электронных узлов является операция пайки посредством припоев. Припой содержит в своем составе свинец, поэтому процесс пайки сопровождается загрязнением среды, рабочих поверхностей, одежды и кожи рук. Это может привести к свинцовому отравлению организма и вызвать изменение в нервной системе, кровеносных сосудах. В процессе пайки применяются флюсы. Они могут оказывать токсическое воздействие на организм человека, что проявляется раздражением кожи. Вредные вещества, выделяющиеся при пайке, перечислены в таблице 5.2.1. (ГОСТ 12.1.005–88)
Таблица 5.2.1
| Вещество | Класс опасности | Агрегатное состояние |
| Свинец | Чрезвычайно опасный | Аэрозоль |
| Окись углерода | Мало опасный | Газ |
| Спирт гидролизный | Мало опасный | Пар |
Факторами производственной среды в процессе труда являются:
-
санитарно-гигиеническая обстановка, определяющая внешнюю среду в рабочей зоне, как результат воздействия применяемого оборудования, технологических процессов;
-
психофизические элементы, которые обусловлены самим процессом труда: рабочая поза, физическая нагрузка, нервно-психологическое напряжение;
-
эстетические элементы: оформление производственного помещения, оборудования, рабочего места, рабочего инструмента;
-
социально-психологические элементы, составляющие характеристику психологического климата;
Факторы производственной среды регулируются ГОСТ 12.3.002 – 75 ССБТ «Процессы производственные».
-
5.3 Сравнение фактических значений параметров с допустимыми
Чтобы обеспечить безопасность и безвредные условия труда, необходимо пронормировать каждый из ОВПФ и принять меры по соблюдению этих норм.
1. Микроклимат. Нормированные параметры микроклимата устанавливаются по СанПиН 2.2.4.548–96 «Гигиенические требования к микроклимату производственных помещений». Работы, связанные с наладкой и регулировкой узла на печатной плате, относятся к категории работ 1а. ГОСТ 12.1.005–88 предусматривает для этой категории следующие параметры микроклимата в зависимости от периода года, указанные в таблице 5.3.1.
Таблица 5.3.1
| Период года | Категория | Температура, 0С | Относительная влажность, % | Скорость воздуха, м/с | ||||||||
| Оптимальная | Допустимая на постоянных рабочих местах | Оптимальная | Допустимая на постоянных рабочих местах, не более | Оптимальная | Допустимая на постоянных рабочих местах | |||||||
| Холодный | 1а | 22–24 | 21–25 | 40–60 | 75 | 0,1 | <0,1 | |||||
| 1б | 21–23 | 20–24 | 40–60 | 75 | 0,1 | <0,2 | ||||||
| Теплый | 1а | 23–25 | 22–28 | 40–60 | 59 | 0,1 | 0,1–0,2 | |||||
| 1б | 22–24 | 21–28 | 40–60 | 60 | 0,2 | 0,1–0,3 | ||||||
Примечание: легкие физические работы разделяются на категорию 1а – энергозатраты до 120 ккал/ч (139 Вт) и категорию 1б – энергозатраты 121–150 ккал/ч (140–174 Вт).
2. Электрический ток. Предельно допустимые уровни напряжений прикосновения и токов устанавливаются по ГОСТ 12.1.038 – 82 (см. таблицу 5.3.2).
Таблица 5.3.2
| Род и частота тока | Напряжение прикосновения, В | Ток, мА | Время, мин/сут |
| Переменный (50 Гц) | 2 | 0,3 | 10 |
| Постоянный | 8 | 1,0 | 10 |
2. Электростатическое поле. Допустимые значения напряженности электростатического поля на рабочих местах согласно СанПиН 2.2.4.1191–03 приведены в таблице 5.3.3.
Таблица 5.3.3
| Напряженность электростатического поля, кВ/м | Допустимое время пребывания в поле, ч |
| >60 | без применения защитных средств работа не допускается |
| 60 | 1 |
| 20–60 |
|
| 20 | не регламентируется |
3. Нормирование вредных веществ осуществляется в соответствии с СанПиН 2.2.5.1313–03. Физико-химические и токсические характеристики приведены в таблице 5.3.5.
Таблица 5.3.5
| Вредные вещества | Величина ПДК в воздухе рабочей зоны, мг/М | Температурный предел, t 0С | Класс токсической опасности | |
| Воспламенение паров | Самовоспламенение | |||
| Спирт гидролизный (этанол) | 2000/1000 | 110 | 440 | 4 |
| Свинец и его органические соединения | – /0,05 | - | - | 1 |
| Окись углерода | 20/- | - | - | 4 |
| Бензин «Галоша» | 300/100 | 98 | 361 | 4 |
4. Освещение. Нормирование естественного и искусственного освещения осуществляется по СНиП 23–05–95 в зависимости от характеристики зрительной работы и объекта различения. Настроечные и регулировочные работы с объектом различения 0,5 – 1,0 мм относятся к работам средней точности, IV разряду зрительных работ. Нормированные значения освещенности при естественном, искусственном и совмещенном освещении приведены в таблице 5.3.6.
Таблица 5.3.6
| Характеристика работы | Наименьший размер объекта, мм | Контраст объекта с фоном | Искусственное освещение Освещенность, лк | Естественное освещение КЕО, % | Совмещенное освещение КЕО, % | |||
| при комби-нированном освещении | при общем освещении | при верхнем и боковом | при боковом | при верхнем или боковом | при боковом | |||
| Средней точности | 0,5–1,0 | малый, средний | 500 | 200 | 4 | 1,5 | 2,4 | 0,9 |
5.4 Производственная санитария
5.4.1 Микроклимат
По СанПиН 2.24.548–96 «Гигиенические требования к микроклимату производственных помещений» устанавливаются величины температуры, относительной влажности и скорости движения воздуха с учетом избытков явного тепла, тяжести выполняемой работы и периода года.
Категория тяжести выполняемой работы определяется расходом энергии организмом. Работа по изготовлению макета – это работа сидя, сопровождающаяся незначительными движениями, т.е. по всем признакам относится к категории 1а.
Для поддержания заданной температуры и влажности воздуха возможно применение бытового или промышленного кондиционера.
5.4.2 Вентиляция
Так как источники выделения вредных веществ фиксированные, то целесообразно устанавливать в этих местах местную вентиляцию. Устройства местной вытяжной вентиляции выполнены в виде местных отсосов. Вентиляционное оборудование оснащается автоматическим устройством СВК‑3М, сигнализирующим о прекращении работы вентиляционной установки.
Общеобменная вентиляция. Воздухообмен можно определить по формуле:
R =
, (5.4.2.1)
где N – число рабочих;
0>0>
















