49039 (588626), страница 3
Текст из файла (страница 3)
В настоящее время отечественная промышленность производит микросхемы серий К1533 (низкое быстродействие низкое потребление - SN74ALS) и К1531 (высокое быстродействие и большое потребление - SN74F).
В Европе производится трехвольтовый вариант ТТЛ микросхем - SN74ALB
2.5 Логика на комплементарных МОП транзисторах (КМДП)
Микросхемы на комплементарных транзисторах строятся на основе МОП транзисторов с n- и p-каналами. Один и тот же потенциал открывает транзистор с n-каналом и закрывает транзистор с p-каналом. При формировании логической единицы открыт верхний транзистор, а нижний закрыт. В результате ток через микросхему не протекает. При формировании логического нуля открыт нижний транзистор, а верхний закрыт. И в этом случае ток через микросхему не протекает. Простейший логический элемент - это инвертор. Его схема приведена на рисунке 1.
Рисунок 2.19. Принципиальная схема инвертора, выполненного на комплементарных МОП транзисторах
На этой схеме для упрощения понимания принципов работы микросхемы не показаны защитные и паразитные диоды. Особенностью микросхем на комплементарных МОП транзисторах является то, что в этих микросхемах в статическом режиме ток практически не потребляется. Потребление тока происходит только в момент переключения микросхемы из единичного состояния в нулевое и наоборот. Этим током производится перезаряд паразитной ёмкости нагрузки.
Схема логического элемента "И-НЕ" на КМОП микросхемах практически совпадает с упрощенной схемой "И" на ключах с электронным управлением, которую мы рассматривали ранее. Отличие заключается в том, что нагрузка подключается не к общему проводу схемы, а к источнику питания. Принципиальная схема элемента "2И-НЕ", выполненного на комплементарных МОП транзисторах приведена на рисунке 2.
Рисунок 2.20 Принципиальная схема элемента "2И-НЕ", выполненного на комплементарных МОП транзисторах
В этой схеме можно было бы применить в верхнем плече обыкновенный резистор, однако при формировании низкого уровня схема постоянно потребляла бы ток. Вместо этого, в качестве нагрузки используются p-МОП транзисторы. Эти транзисторы образуют активную нагрузку. Если на выходе требуется сформировать высокий потенциал, то транзисторы открываются, а если низкий - то закрываются.
В приведённой на рисунке 2 схеме ток от источника питания на выход микросхемы будет поступать через один из транзисторов, если хотя бы на одном из входов (или на обоих сразу) будет присутствовать низкий потенциал (уровень логического нуля). Если же на обоих входах будет присутствовать уровень логической единицы, то оба p-МОП транзистора будут закрыты и на выходе микросхемы сформируется низкий потенциал. В этой схеме, так же как и в схеме на рисунке 1, если транзисторы верхнего плеча будут открыты, то транзисторы нижнего плеча будут закрыты, поэтому в статическом состоянии ток микросхемой от источника питания потребляться не будет.
Условно-графическое изображение такого логического элемента показано на рисунке 3, а таблица истинности приведена в таблице 1. В таблице 1 входы обозначены как x1 и x2, а выход - F.
Рисунок 3. Условно-графическое изображение элемента "2И-НЕ"
Таблица 2.5 Таблица истинности схемы, выполняющей логическую функцию "2И-НЕ"
| x1 | x2 | F |
| 0 | 0 | 1 |
| 0 | 1 | 1 |
| 1 | 0 | 1 |
| 1 | 1 | 0 |
Логический элемент "ИЛИ-НЕ", выполненный на КМОП транзисторах, представляет собой параллельное соединение ключей с электронным управлением. Отличие от схемы "2ИЛИ", рассмотренной ранее, заключается в том, что нагрузка подключается не к общему проводу схемы, а к источнику питания. Вместо резистора в качестве нагрузки используются p-МОП транзисторы. Принципиальная схема элемента "2ИЛИ-НЕ", выполненного на комплементарных МОП транзисторах приведена на рисунке 4.
Рисунок 2.21. Принципиальная схема элемента "2ИЛИ-НЕ", выполненного на комплементарных МОП транзисторах
В схеме логического элемента "2ИЛИ-НЕ" в качестве нагрузки используются последовательно включенные p-МОП транзисторы. В ней ток от источника питания на выход микросхемы будет поступать только если все транзистора в верхнем плече будут открыты, т.е. если сразу на всех входах будет присутствовать низкий потенциал (уровень логического нуля). Если же хотя бы на одном из входов будет присутствовать уровень логической единицы, то верхнее плечо будет закрыто и ток от источника питания поступать на выход микросхемы не будет.
Таблица истинности, реализуемая этой схемой, приведена в таблице 2, а условно-графическое обозначение этих элементов приведено на рисунке 5.
Рисунок 2.22. Условно-графическое изображение элемента "2ИЛИ-НЕ"
Таблица 2.6 Таблица истинности схемы, выполняющей логическую функцию "2ИЛИ-НЕ"
| x1 | x2 | F |
| 0 | 0 | 1 |
| 0 | 1 | 0 |
| 1 | 0 | 0 |
| 1 | 1 | 0 |
В настоящее время именно КМОП микросхемы получили наибольшее развитие. Причём наблюдается постоянная тенденция к снижению напряжения питания. Первые серии микросхем такие как К1561 (иностранный аналог C4000В) обладали достаточно широким диапазоном изменения напряжения питания (3..18В). При этом при понижении напряжения питания у конкретной микросхемы понижается её предельная частота работы. В дальнейшем, по мере совершенствования технологии производства, появились улучшенные микросхемы с лучшими частотными свойствами и меньшим напряжением питания.
2.5.1 Особенности применения КМОП микросхем
Первой и основной особенностью КМОП микросхем является большое входное сопротивление этих микросхем. В результате на вход этой цифровой микросхемы может наводиться любое напряжение, в том числе и равное половине напряжения питания, и храниться на нём достаточно долго. При подаче на вход КМОП микросхемы половины питания открываются транзисторы как в верхнем, так и в нижнем плече выходного каскада микросхемы, в результате микросхема начинает потреблять недопустимо большой ток и может выйти из строя. Вывод: входы цифровых микросхем ни в коем случае нельзя оставлять неподключенными.
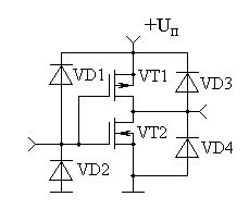
Второй особенностью КМОП микросхем является то, что они могут работать при отключенном питании. Однако работают они чаще всего неправильно. Эта особенность связана с конструкцией входного каскада КМОП микросхем. Полная схема КМОП инвертора приведена на рисунке 6.
Рисунок 2.23. Полная схема КМОП инвертора
Диоды VD1 и VD2 были введены для защиты входного каскада от пробоя статическим электричеством. В то же самое время при подаче на вход микросхемы высокого потенциала он через диод VD1 попадёт на шину питания микросхемы, и так как она потребляет достаточно малый ток, то микросхема начнёт работать. Однако в ряде случаев тока может не хватить. В результате микросхема может работать неправильно. Вывод: при неправильной работе микросхемы тщательно проверьте питание микросхемы, особенно выводы корпуса. При плохо пропаянном выводе отрицательного питания его потенциал будет отличаться от потенциала общего провода схемы.
Третья особенность КМОП микросхем связана с паразитными диодами VD3 и VD4, которые могут быть пробиты при неправильно подключенном источнике питания (микросхемы ТТЛ выдерживают кратковременную переполюсовку питания). Для защиты микросхем от переполюсовки питания следует в цепи питания предусмотреть защитный диод.
Четвёртая особенность КМОП микросхем - это протекание импульсного тока по цепи питания при переключении микросхемы из нулевого состояния в единичное и наоборот. В результате при переходе с ТТЛ микросхем на КМОП резко увеличивается уровень помех. В ряде случаев это важно и приходится отказываться от применения КМОП микросхем в пользу ТТЛ или BICMOS.
2.5.2 Логические уровни КМОП микросхем
Логические уровни КМОП микросхем существенно отличаются от логических уровней ТТЛ микросхем. При отсутствии тока нагрузки напряжение на выходе КМОП микросхемы совпадает с напряжением питания (логический уровень единицы) или с потенциалом общего провода (логический уровень нуля). При увеличении тока нагрузки напряжение логической единицы может уменьшается до 2,8В (Uп=15В) от напряжения питания. Допустимый уровень напряжения на выходе цифровой КМОП микросхемы (серия микросхем К561) при пятивольтовом питании показан на рисунке 7.
Рисунок 2.24 Уровни логических сигналов на выходе цифровых КМОП микросхем
Как уже говорилось ранее, напряжение на входе цифровой микросхемы по сравнению с выходом обычно допускается в больших пределах. Для КМОП микросхем договорились о 30% запасе. Границы уровней логического нуля и единицы для КМОП микросхем при пятивольтовом питании приведена на рисунке 8.
Рисунок 2.25 Уровни логических сигналов на входе цифровых КМОП микросхем
При уменьшении напряжения питания границы логического нуля и логической единицы можно определить точно так же (разделить напряжение питания на 3).
2.5.3 Семейства КМОП микросхем
Первые КМОП микросхемы не имели защитных диодов на входе, поэтому их монтаж представлял значительные трудности. Это семейство микросхем серии К172. Следующее улучшенное семейство микросхем серии К176 получило эти защитные диоды. Оно достаточно распространено и в настоящее время. Серия К1561 завершает развитие первого поколения КМОП микросхем. В этом семействе было достигнуто быстродействие на уровне 90нс и диапазон изменения напряжения питания 3..15В. Так как в настоящее время распространена иностранная аппаратура, то приведу иностранный аналог этих микросхем - C4000В.
Дальнейшим развитием КМОП микросхем стала серия SN74HC. Эти микросхемы отечественного аналога не имеют. Они обладают быстродействием 27нс и могут работать в диапазоне напряжений 2..6В. Они совпадают по цоколёвке и функциональному ряду с ТТЛ микросхемами, но не совместимы с ними по логическим уровням, поэтому одновременно были разработаны микросхемы серии SN74HCT (отечественный аналог - К1564), совместимые с ТТЛ микросхемами и по логическим уровням.
В это время наметился переход на трёхвольтовое питание. Для него были разработаны микросхемы SN74ALVC с временем задержки сигнала 5,5нс и диапазоном питания 1,65..3,6В. Эти же микросхемы способны работать и при 2,5 вольтовом питании. Время задержки сигнала при этом увеличивается до 9нс.
Наиболее перспективным семейством КМОП микросхем считается семейство SN74AUC с временем задержки сигнала 1,9нс и диапазоном питания 0,8..2,7В.
3. ИНФОРМАЦИОННО-СПРАВОЧНАЯ СИСТЕМА
3.1 Определение и классификация БД
База данных – это информационная модель предметной области, совокупность взаимосвязанных, хранящихся вместе данных при наличии такой минимальной избыточности, которая допускает их использование оптимальным образом для одного или нескольких приложений. Данные (файлы) хранятся во внешней памяти и используются в качестве входной информации для решения задач.
СУБД - это программа, с помощью которой реализуется централизованное управление данными, хранимыми в базе, доступ к ним, поддержка их в актуальном состоянии.
Системы управления базами данных можно классифицировать по способу установления связей между данными, характеру выполняемых ими функций, сфере применения, числу поддерживаемых моделей данных, характеру используемого языка общения с базой данных и другим параметрам.
Классификация СУБД:
-
по выполняемым функциям СУБД подразделяются на операционные и информационные;
-
по сфере применения СУБД подразделяются на универсальные и проблемно-ориентированные;
-
по используемому языку общения СУБД подразделяются на замкнутые, имеющие собственные самостоятельные языки общения пользователей с базами данных, и открытые, в которых для общения с базой данных используется язык программирования, расширенный операторами языка манипулирования данными;
-
по числу поддерживаемых уровней моделей данных СУБД подразделяются на одно-, двух-, трехуровневые системы;
-
по способу установления связей между данными различают реляционные, иерархические и сетевые базы данных;
-
по способу организации хранения данных и выполнения функций обработки базы данных подразделяются на централизованные и распределенные.
Системы централизованных баз данных с сетевым доступом предполагают две основные архитектуры – файл-сервер или клиент-сервер.
















