49039 (588626), страница 2
Текст из файла (страница 2)
В обозначение зарубежных КМОП (CMOS) микросхем обычно входит число 40 (CD4011B).
2.2 Условно-графическое изображение цифровых микросхем
Цифровая или микропроцессорная микросхема, ее элемент или компонент; цифровая микросборка, ее элемент или компонент обозначаются на принципиальных схемах условно-графическим обозначением в соответствии с ГОСТ2.743-91. Условно-графическое обозначение микросхемы имеет форму прямоугольника, к которому подводят линии выводов. Условно-графическое обозначение микросхемы может содержать три поля: основное и два дополнительных, которые располагают слева и справа от основного (рисунок 1). В первой строке основного поля условно-графическое обозначение помещают обозначение функции, выполняемой элементом. В последующих строках основного поля располагают информацию по ГОСТ 2.708.
Рисунок 2.4. Условно-графическое изображение цифровых микросхем
В дополнительных полях помещают информацию о назначениях выводов (метки выводов, указатели). Дополнительные поля на условно-графическом изображении цифровых микросхем могут отсутствовать. Входы на условно-графическом изображении цифровых микросхем располагают слева, а выходы - справа. Номера выводов микросхем помещают над линией вывода ближе к изображению микросхемы.
2.3 Диодно-транзисторная логика (ДТЛ)
Наиболее простой логический элемент получается при помощи диодов. Схема такого элемента приведена на рисунке 1.
Рисунок 2.5. Принципиальная схема логического элемента "2И", выполненного на диодах
В этой схеме при подаче нулевого потенциала на любой из входов (или на оба сразу) через резистор будет протекать ток и на его сопротивлении возникнет падение напряжения. В результате на выходе схемы единичный потенциал будет только если подать единичный потенциал сразу на оба входа микросхемы. То есть схема реализует функцию "2И".
Количество входов элемента "И" зависит от количества диодов. Если использовать два диода, то получится элемент "2И", если три диода - то "3И", если четыре диода, то "4И", и так далее. В микросхемах выпускается максимальный элемент "8И".
Приведенная схема обладает таким недостатком, как смещение логических уровней на выходе микросхемы. Напряжение нуля и напряжение единицы на выходе схемы выше входных уровней на 0.7 В. Это вызвано падением напряжения на входных диодах. Скомпенсировать это смещение уровней можно диодом, включенном на выходе схемы, как это показано на рисунке 2.
Рисунок 2.6 Принципиальная схема усовершенствованного логического элемента "2И", выполненного на диодах
В этой схеме логические уровни на входе и выходе схемы одинаковы. Более того, схема на рисунке 2 будет нечувствительна не только к входным напряжениям, большим напряжения питания схемы, но и к отрицательным входным напряжениям. Диоды выдерживают напряжение до сотен вольт. Поэтому такая схема до сих пор используется для защиты цифровых устройств от перегрузок по напряжению, возникающих, например, в цепях, выходящих за пределы устройства. Естественно, что для защиты одного входа достаточно одного диода на входе элемента. В результате получается только схема защиты без функции "И".
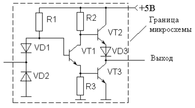
Однако новая схема не может каскадироваться, так как вырабатывает только вытекающий ток, а для следующего каскада требуется втекающий выходной ток схемы. Поэтому к схеме диодного логического элемента "И" обычно подключается двухтактный усилитель на биполярных транзисторах. Схема такого элемента приведена на рисунке 2.7.
Рисунок 2.7. Принципиальная схема базового элемента ДТЛ микросхемы
Усилитель, использованный в схеме на рисунке 3, позволяет вырабатывать как втекающий, так и вытекающий выходной ток. Тем не менее следует помнить, что это источник напряжения, и если не ограничить выходной ток микросхемы, то можно вывести ее из строя.
Приведенный на рисунке 3 логический элемент используется в таких современных сериях микросхем как 555, 533, 1531, 1533. В этих сериях микросхем для повышения быстродействия применяются транзисторы и диоды Шоттки.
Обратите внимание, что транзистор VT1 инвертирует сигнал на выходе элемента "И". То есть вместо логической 1 на выходе присутствует логический 0. И наоборот вместо логического нуля на выходе присутствует логическая единица, а схема в целом реализует функцию "2И-НЕ":
Условно-графическое изображение такого логического элемента показано на рисунке 4, а таблица истинности приведена в таблице 1.
Рисунок 2.8. Условно-графическое изображение элемента "2И-НЕ".
Таблица 2.1. Таблица истинности схемы, выполняющей логическую функцию "2И-НЕ"
| x1 | x2 | F |
| 0 | 0 | 1 |
| 0 | 1 | 1 |
| 1 | 0 | 1 |
| 1 | 1 | 0 |
На основе базового элемента строится и инвертор. В этом случае на входе используется только один диод. Схема ДТЛ инвертора приведена на рисунке 5.
Рисунок 2.9. Принципиальная схема инвертора ДТЛ микросхемы
В состав современных серий микросхем кроме элементов "И" входят логические элементы "ИЛИ" транзисторы VT2 соединяются параллельно в точках "а" и "б", показанных на рисунке 3, а выходной каскад используется один. Схема логического элемента "2ИЛИ-НЕ" приведена на рисунке 6.
Рисунок 2.10. Принципиальная схема логического элемента "2ИЛИ-НЕ" ДТЛ микросхемы
Схемы "ИЛИ-НЕ" в этих сериях микросхем имеет обозначение ЛЕ. Например схема К555ЛЕ1 содержит в одном корпусе четыре элемента "2ИЛИ-НЕ". Таблица истинности, реализуемая этой схемой, приведена в таблице 2, а условно-графическое изображение такого элемента показано на рисунке 7.
Рисунок 2.11. Условно-графическое изображение элемента "2ИЛИ-НЕ"
Таблица 2.2 Таблица истинности схемы, выполняющей логическую функцию "2ИЛИ-НЕ"
| x1 | x2 | F |
| 0 | 0 | 1 |
| 0 | 1 | 0 |
| 1 | 0 | 0 |
| 1 | 1 | 0 |
2.4 Транзисторно-транзисторная логика (ТТЛ)
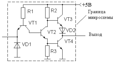
В ТТЛ схемах вместо параллельного соединения диодов используется многоэмиттерный транзистор. Физика работы этого элемента не отличается от работы диодного элемента "2И". Высокий потенциал на выходе многоэмиттерного транзистора получается только в том случае, когда на обоих входах элемента (эмиттерах транзистора) присутствует высокий потенциал (то есть нет эмиттерного тока). Принципиальная схема типового элемента ТТЛ микросхемы приведена на рисунке 1.
Рисунок 2.12. Принципиальная схема типового элемента ТТЛ микросхемы
Умощняющий усилитель, как и в диодно-транзисторном элементе, инвертирует сигнал на выходе схемы. По такой схеме выполнены базовые элементы микросхем серий 155, 131, 155 и 531. Схемы "И-НЕ" в этих сериях микросхем обычно имеет обозначение ЛА. Например, схема К531ЛА3 содержит в одном корпусе четыре элемента "2И-НЕ". Таблица истинности, реализуемая этой схемой, приведена в таблице 1, а условно-графическое обозначение этих элементов приведено на рисунке 2.
Рисунок 2.13 Условно-графическое изображение элемента "2И-НЕ"
Таблица 2.3. Таблица истинности схемы, выполняющей логическую функцию "2И-НЕ"
| x1 | x2 | F |
| 0 | 0 | 1 |
| 0 | 1 | 1 |
| 1 | 0 | 1 |
| 1 | 1 | 0 |
На основе базового элемента строится и инвертор. В этом случае на входе используется только один диод. Схема ТТЛ инвертора приведена на рисунке 3.
Рисунок 2.14. Принципиальная схема инвертора ТТЛ микросхемы
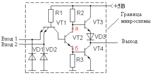
При необходимости объединения нескольких логических элементов "И" по схеме "ИЛИ" (или при реализации логических элементов "ИЛИ") транзисторы VT2 соединяются параллельно в точках "а" и "б", показанных на рисунке 8, а выходной каскад используется один. В результате быстродействие такого достаточно сложного элемента получается точно таким же как и у одиночного элемента "2И-НЕ". Принципиальная схема логического элемента "2И-2ИЛИ-НЕ" приведена на рисунке 4.
Рисунок 2.15. Принципиальная схема ТТЛ микросхемы "2И-2ИЛИ-НЕ"
Использование таких элементов будет показано позднее, а условно-графическое изображение элемента "2И-2ИЛИ-НЕ" приведено на рисунке 5. Такие элементы содержатся в цифровых микросхемах с обозначением ЛР.
Рисунок 2.16. Условно-графическое обозначение элемента "2И-2ИЛИ-НЕ" ТТЛ микросхем
Схемы "ИЛИ-НЕ" в ТТЛ сериях микросхем обычно имеет обозначение ЛЕ. Например схема К1531ЛЕ5 содержит в одном корпусе четыре элемента "2ИЛИ-НЕ".
Так как и в схемах ТТЛ и в схемах ДТЛ используется одинаковый выходной усилитель, то и уровни логических сигналов в этих схемах одинаковы. Поэтому часто говорят, что это ТТЛ микросхемы, не уточняя по какой схеме выполнен входной каскад этих микросхем. Более того! Появились КМОП микросхемы, совместимые с ТТЛ микросхемами по логическим уровням, например К1564 (иностранный аналог SN74HCT) или К1594 (иностранный аналог SN74АСT).
2.4.1 Логические уровни ТТЛ микросхем
В настоящее время применяются два вида ТТЛ микросхем - с пяти и и с трёхвольтовым питанием, но, независимо от напряжения питания микросхем, логические уровни нуля и единицы на выходе этих микросхем совпадают. Поэтому дополнительного согласования между ТТЛ микросхемами обычно не требуется. Допустимый уровень напряжения на выходе цифровой ТТЛ микросхемы показан на рисунке 6.
Рисунок 2.17. Уровни логических сигналов на выходе цифровых ТТЛ микросхем
Как уже говорилось ранее, напряжение на входе цифровой микросхемы по сравнению с выходом обычно допускается в больших пределах. Границы уровней логического нуля и единицы для ТТЛ микросхем приведена на рисунке 7.
Рисунок 2.18. Уровни логических сигналов на входе цифровых ТТЛ микросхем
2.4.2 Семейства ТТЛ микросхем
Первые ТТЛ микросхемы оказались на редкость удачным решением, поэтому их можно встретить в аппаратуре, работающей до сих пор. Это семейство микросхем серии К155. Стандартные ТТЛ микросхемы - это микросхемы, питающиеся от источника напряжения +5В. Зарубежные ТТЛ микросхемы получили название SN74. Конкретные микросхемы этой серии обозначаются цифровым номером микросхемы, следующим за названием серии. Например, в микросхеме SN74S00 содержится четыре логических элемента "2И-НЕ". Аналогичные микросхемы с расширенным температурным диапазоном получили название SN54 (отечественный вариант - серия микросхем К133).
Отечественные микросхемы, совместимые с SN74 выпускались в составе серий К134 (низкое быстродействие низкое потребление - SN74L), К155 (среднее быстродействие среднее потребление - SN74) и К131 (высокое быстродействие и большое потребление). Затем были выпущены микросхемы повышенного быстродействия с диодами Шоттки. В названии зарубежных микросхем в обозначении серии появилась буква S. Отечественные серии микросхем сменили цифру 1 на цифру 5. Выпускаются микросхемы серий К555 (низкое быстродействие низкое потребление - SN74LS) и К531 (высокое быстродействие и большое потребление - SN74S).
















