47272 (588473), страница 5
Текст из файла (страница 5)
Таблица 3. Редуцированная таблица
| УСЛОВИЯ | 1 | 2 | 3 | 4 | |
| C1 | isctrl(c) | Д | Н | Н | Н |
| C2 | I > max_lenght | - | Д | Н | Н |
| C3 | out_of_range(c) | - | - | Д | Н |
| ДЕЙСТВИЯ | |||||
| D1 | beep() | 1 | 1 | 1 | |
| D2 | return(ERROR) | 2 | 2 | 2 | |
| D3 | return(++i) | 2 | |||
| D4 | putchar(c) | 1 |
Отметим, что на основе таблицы решений легко осуществляется автоматическая кодогенерация. Для вышеприведенного примера соответствующий код может выглядеть следующим образом:
IF (isctrl(c)) {beep(); return(ERROR)}
ELSE {
IF (i>max_length) {beep(); return(ERROR)}
ELSE {
IF (out_of_range(c)) {beep(); return(ERROR)}
ELSE {putchar(c); return(++i)}
}
}
Построение ТР рекомендуется осуществлять по следующим шагам:
-
Идентифицировать все условия (или переменные) в спецификации. Идентифицировать все значения, которые каждая переменная может иметь.
-
Вычислить число комбинаций условий. Если все условия являются бинарными, то существует 2**N комбинаций N переменных.
-
Идентифицировать каждое из возможных действий, которые могут вызываться в спецификации.
-
Построить пустую таблицу, включающую все возможные условия и действия, а также номера комбинаций условий.
-
Выписать и занести в таблицу все возможные комбинации условий.
-
Редуцировать комбинации условий.
-
Проверить каждую комбинацию условий и идентифицировать соответствующие выполняемые действия.
-
Выделить комбинации условий, для которых спецификация не указывает список выполняемых действий.
-
Обсудить построенную таблицу.
Вариантом таблицы решений является дерево решений (ДР), позволяющее взглянуть на процесс условного выбора с позиции схемы. Дерево решений для вышерассмотренного примера приведено на рис. 3
Рисунок 3. Дерево решений
Обычно ДР используется при малом числе действий и когда не все комбинации условий возможны, а ТР – при большом числе действий и когда возможно большинство комбинаций условий.
Визуальные языки проектирования являются относительно новой, оригинальной методикой разработки спецификаций процесса. Они базируются на основных идеях структурного программирования и позволяют определять потоки управления с помощью специальных иерархически организованных схем.
Одним из наиболее известных подходов к визуальному проектированию спецификаций является подход с использованием FLOW-форм. Каждый символ FLOW-формы имеет вид прямоугольника и может быть вписан в любой внутренний прямоугольник любого другого символа. Символы помечаются с помощью предложений на естественном языке или с использованием математической нотации.
Символы FLOW-форм приведены на рис. 4. Каждый символ является блоком обработки. Каждый прямоугольник внутри любого символа также представляет собой блок обработки.
Рисунок 4. Символы FLOW-форм
На рис 5 приведен пример использования данного подхода при проектировании спецификации процесса, обеспечивающего упорядочивание определенным образом элементов массива и являющегося фрагментом алгоритма сортировки методом «поплавка».
Рисунок 5. Пример FLOW-формы
Рисунок 6. Диаграмма Насси-Шнейдермана
Дальнейшее развитие FLOW-формы получили в диаграммах Насси-Шнейдермана. На этих диаграммах символы последовательной обработки и цикла изображаются также, как и соответствующие символы FLOW-форм. В символах условного выбора и case-выбора собственно условие располагается в верхнем треугольнике, выбираемые варианты – на нижних сторонах треугольника, а блоки обработки – под выбираемыми вариантами. Диаграмма Насси-Шнейдермана для вышеприведенного примера изображена на рис. 6.
Спектр методов задания спецификаций процессов в соответствии с увеличением трудности их проектирования приведен на рис 7. Наиболее трудным методом задания СП являются языки программирования (C, COBOL, FORTRAN и др.). Сложность заключается в том, что языки программирования концентрируют внимание на деталях реализации, а потоки данных в DFD представляются абстрактно (их фактическая композиция определяется в словаре данных). Поэтому сложность – не в написании СП, а в их синхронизации и согласовании с DFD, поскольку при редактировании DFD, вообще говоря, должны корректироваться и спецификации процессов.
| Текстовое описание | Структурированный | таблица решений | дерево решений | Визуальный | язык |
Рисунок 7. Спектр методов задания спецификаций процессов
Перечислим некоторые положительные и отрицательные стороны рассмотренных методов задания СП.
Структурированный естественный язык применяется в случаях, когда детали СП известны не полностью. Он обеспечивает быстрое проектирование СП, прост в использовании, легко понимаем проектировщиками и программистами, а также конечным пользователем. К его недостаткам относятся отсутствие процедурных возможностей и неспособность к автоматической кодогенерации из-за наличия неоднозначностей.
Таблицы и деревья решений позволяют управлять сложными комбинациями условий и действий, обеспечивают визуальное (табличное и графическое, соответственно) представление СП и легко понимаемы конечным пользователем. Кроме этого, таблицы решений позволяют легко идентифицировать несущественности и бреши в СП. Главным недостатком методов является отсутствие процедурных возможностей.
Визуальные языки проектирования поддерживаются автоматической кодогенерацией, позволяют осуществлять декомпозицию СП. Их недостаток – трудность модификации СП при изменении деталей.
Приведем спецификации процессов пример банковской задачи с использованием структурированного естественного языка.
@Вход = Лимит Денег
@Вход = Запрос На Обслуживание
@Выход = Денежная Сумма
@Выход = Сообщение
@Выход = Требуемое Обслуживание
@Спецпроц 1.2 Получить Запрос На Обслуживание
Выполнить Выдать Сообщение Клиенту По Вводу Запроса На Обслуживание
Принять Запрос На Обслуживание
Обновить Данные Требуемое Обслуживание (А Именно,
Запрос Документации, Запрос Денег,
Запрос Баланса, Запрос На Операцию)
Если Был Сделан Запрос Денег
То Выполнить Запросить Денежную Сумму
Выдать Требуемую Денежную Сумму С Учетом Того,
Что Она Не Должно Превышать Лимит Денег
Конецесли
Дотехпорпока Запрашивается Продолжение Обслуживания
Или Не Все Обслуживание Было Выполнено
Конецвыполнить
@ Конец Спецификации Процесса
Подводя итог второй главы можно констатировать факт о широком выборе средств для проведения автоматизации на предприятии. Также остается неизменной важность выбора платформы реализации системной архитектуры.
Независимость слоев трехслойной системной архитектуры обеспечивает следующие основные преимущества:
-
улучшение базы данных – отделение базы данных от изменений в технологиях, а следовательно, поддержка согласованности и осмысленности данных в течении длительного периода времени;
-
гибкость интерфейсов пользователя – изменение интерфейсов без влияния на бизнес-процессы и наоборот;
-
разделение усилий коллектива разработчиков.
При автоматизации информационная модель (и база данных) рассматриваются как центральные понятия при анализе и проектировании;
функциональная модель (а следовательно, и правила бизнеса) является некоторым дополнением к информационной модели.
Таким образом, в центре современного проекта лежат две вещи – база данных и бизнес-процесс.
3. Экономическое обоснование необходимости автоматизации электронного предприятия
3.1 Оценка методов деятельности электронного предприятия
Среди большого числа методов оценки деятельности предприятий наибольшее распространение (по крайней мере в отечественных консалтинговых проектах) получили следующие два:
-
метод динамического функционального анализа на основе сетей Петри различного вида;
-
метод функционально-стоимостного анализа ABC.
Каждый из этих методов (и соответствующих поддерживающих инструментальных средств) регламентирует следующие основные этапы выполнения оценок:
-
построение статической функциональной модели (с использованием SADT или DFD-нотации);
-
расширение статической модели соответственно поведенческими или стоимостными характеристиками ее объектов;
-
сбор и ввод в модель необходимой фактической информации;
-
«исполнение» модели и получение соответствующих оценок.
-
Динамическое моделирование с использованием сетей Петри.
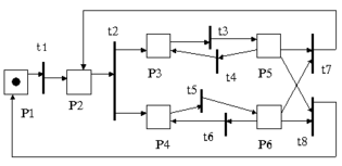
Сеть Петри представляет собой ориентированный граф с вершинами двух типов (позициями и переходами), в котором дугами могут соединяться только вершины различных типов. В позиции сети помещаются специальные маркеры («фишки»), перемещение которых и отображает динамику моделируемой системы. Изменение маркировки (движение маркеров) происходит в результате выполнения (срабатывания) перехода на основе соответствующего внешнего события. Точнее, переход срабатывает, если во всех его входных позициях имеются маркеры и происходит соответствующее переходу событие. При этом из каждой входной позиции срабатываемого перехода маркер удаляется, а в каждую выходную позицию – заносится.
Рисунок 8. Пример сети Петри
На рис. 8 приведен пример сети Петри с позициями P1-P6 и переходами t1-t8. Единственный маркер находится в позиции P1, все остальные позиции пусты. При срабатывании перехода t1 маркер переносится из позиции P1 в позицию P2, при срабатывании перехода t2 маркер переносится из позиции P2 в позиции P3 и P4 и т.д.
Фактически сеть Петри декомпозирует систему на активные (переходы) и пассивные (позиции – хранилища маркеров) элементы. Следует отметить, что рассмотренные ранее диаграммы переходов состояний являются вырожденными сетями Петри, а именно, сетями с одним типом вершин (переходами).
На практике обычно применяются более сложные и развитые сети Петри. Модификации, как правило, касаются следующих трех моментов:
-
введение иерархии (иерархические сети Петри);
-
определение различий в маркерах, каждый из которых имеет свои уникальные характеристики (цветные / раскрашенные сети Петри);
-
введение многоместных (содержащих несколько маркеров) позиций, как последовательных, так и параллельных (сети Петри с многоместными позициями).
Последнее вносит в работу сети специфику, характеризуемую правилами срабатывания переходов. Последовательная позиция соответствует дисциплине FIFO (first in – first out): входящий маркер ставится в конец очереди, выходящий берется из ее начала. Поэтому срабатывание перехода обуславливается характеристиками начального маркера – если эти характеристики являются неблагоприятными, то переход блокируется и функционирование сети прекращается. Из параллельной позиции может выйти любой из находящихся в ней маркеров, удовлетворяющий условию срабатывания перехода (при этом для избежания конфликтов маркерам присваиваются приоритеты).















