24842 (586511), страница 6
Текст из файла (страница 6)
тах= Ртах/ шт = 31323/2,44*10-4=110,3 мПа (25)
т1п= Рт1п/ шт = 15939,5/2,84*10-4=56,1 мПа (26)
а=(тах -т1п)/2= (110,3–56,1)/2=27,1 мПа (27)
пр=
=
= 54,7 Мпа (28)
Как видно из вычислений, приведенное напряжение, действующее в точке подвеса штанг равно 54,7 МПа.
Так как по предельно допустимым приведенным напряжениям для стеклопластика у нас нет значений, то воспользуемся минимальным значением предельно допускаемых приведенных напряжений для стали марки 40. В пользу стеклопластиковых штанг говорит также, что разрушающее напряжение при растяжении у них больше, чем у стальных: 760 МПа у стеклопластика и 610 МПа у стали.
пр=70мПа – приведенное напряжение для стали
Полученное пр=54,7 мПа свидетельствует о возможности использовать в качестве материала для штанг стеклопластик.
Для приведения эксперимента было подобранно 9 скважин. Для определения эффективности использования стеклопластиковых штанг скважины были оборудованы счетчиками активной и реактивной электрической мощности.
Ниже в таблице №14 приведены результаты расчетов.
Таблица. 14 Результаты анализа работы СПНШ
| Нагрузка на головку балансира кН | 1696 | 9288А | 15470 | 12428а | 26769 | 26504 | 16942 | 24356 | 26480 |
| Стеклопластик Стек+сталь Сталь Потр. мощн с учетом веса штанг, кВт Стеклопластик Стек+сталь Сталь Умень. веса% Умень. потребляемой мощности | 21,4 31,3 38,5 18,3 23,2 33 | 20,5 28,1 35,9 17,1 20,6 24,2 22 19 | 10,6 12,7 18,5 2,9 3,3 4,5 31 26 | 21,6 29,2 37,8 18,2 22,4 32,9 22,7 31,4 | 17,5 24,1 30,6 12,6 17,6 24,6 21 28 | 12,6 17,1 27,9 5,6 7 10,5 38 32 | 17,1 22,1 29,9 10,3 11,8 14,3 26,1 17,5 | 22,5 33,3 39,4 18,5 24,6 33,1 15,4 27 | 11,9 15,7 26,5 3,9 4.8 7,3 40 34 |
Сравнивая результаты можно сделать вывод, что нагрузка на головку балансира станка-качалки уменьшилась в среднем на 20–25% при условии комплектации колонны штанг из стеклопластика и стали.
3.6 Выбор оборудования для подачи реагента (ингибитора)
Существуют два основных способа подачи реагента в обрабатываемую систему: непрерывное (периодическое) дозирование и разовая обработка.
Наиболее эффективным способом является непрерывное дозирование, обеспечивающее постоянный контакт реагента с обрабатываемой системой и частично предупреждающее образование АСПО. Однако этот способ требует обвязки специального оборудования на устье каждой скважины (насос – дозатор, емкость для реагента, поршневой насос для смешения, манифольд и др.).
Реагент в затрубное пространство постоянно подается устьевыми дозаторами УДЭ и УДC конструкции НПО Союзнефтепромхим и СКТБ ВПО Союзнефтемашремонт.
УДЭ и УДC можно применять также для борьбы с солеотложением, коррозией оборудования нефтяных скважин и внутрискважинной деэмульсации нефти.
Электронасосная дозировочная установка УДЭ в зависимости от дозировочного насоса имеет четыре типоразмера: УДЭ 0,4/6,3; УДЭ 1/6,3; УДЭ 1,6/6,3; УДЭ 1,9/6,3. Установки комплектуются специальными дозировочными насосами: НД 0,4/6,3 К14В; НД 1/6,3 К14В; НД 1,6/6,3 К14В; НД 1,9/6,3 К14В. Они обеспечивают максимальные подачи реагента 0,4; 1; 1,6 и 1,9 л/ч при максимальном давлении нагнетания 6,3 МПа. Потребляемая мощность насоса 0,5 кВт, масса 32 кг.
Установка имеет бак на 450 л; габаритные размеры установки 1230х690х1530 мм, масса 220 кг, рабочая температура 223 – 318 К.
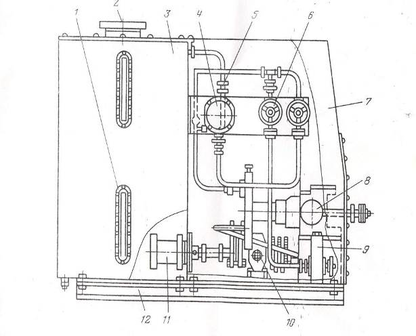
Принцип работы УДЭ заключается в следующем. Реагент из бака 5 через фильтр 6 по всасывающему трубопроводу 11 поступает в плунжерный насос – дозатор 13 и по нагнетательному трубопроводу 14 подается в затрубное пространство скважины. Подача регулируется изменением длины хода плунжера.
Наибольшее число установок эксплуатируется в ПО «Татнефть». Дозировочные установки изготавливаются Лениногорским заводом «Нефтеавтоматика», а дозировочные насосы – Свесским насосным заводом.
Рис. 4 Дозировочная установка УДЭ
1 – дозировочный блок, 2 – электроконтактный манометр, 3 – указатель уровня, 4 – заливная горловина, 5 – бак, 6 – фильтр, 7 – рама, 8 – сливной вентиль, 9, 10, 15 – вентили, 11 – всасывающий трубопровод, 12 – обратный клапан, 13 – электронасосный агрегат, 14 – нагнетательный трубопровод, 16 – кожух
Комплектная дозировочная установка УДС с приводом от станка – качалки располагается на СК. Её нагнетательный трубопровод присоединяется к затрубному пространству скважины, а рычаг дозировочного насоса посредством гибкой тяги к балансиру СК. Подача устанавливается регулятором длины хода плунжера насоса и изменением мест крепления тяги к рычагу насоса и к балансиру СК. Подача дозировочного насоса составляет 0,04–0.63 л/с; давление нагнетания 6,3 МПа; вместимость бака 250 л, габаритные размеры 1500 х 730 х 735 мм, масса 145 кг.
По сравнению с другими дозировочными установками УДС-1 обеспечивает большую точность регулирования подачи, имеет более простую конструкцию, она безопасна (снабжена предохранительным устройством и не питается электрическим током) и удобна в эксплуатации.
Рис. 5 Дозировочная установка УДС
1 – указатель уровня, 2 – горловина, 3 – бак, 4 – манометр, 5 – предохранительный клапан, 6 – вентиль, 7 – кожух, 8 – насос дозировочный, 9 – обратный клапан, 10 – трехходовой клапан, 11 – фильтр, 2 – рама
Периодическое дозирование может осуществляться при использовании перечисленного выше оборудования или с помощью специального устройства для ввода реагента под давлением, первый случай имеет те же недостатки что и непрерывное дозирование. Во втором случае затрубное пространство перекрывают задвижкой 3, открывают вентиль 6 для сброса газа из емкости 4, снимают заглушку 5, закрывают вентиль 6, заливают реагент в емкость 4, закрепляют заглушку и открывают задвижку 3; регент поступает в затрубное пространство.
Рис. 6 Принципиальная схема устройства ввода реагента в затрубное пространство по давлением: 1 – устьевая арматура, 2 – выкидная задвижка,
3 – задвижка затрубного пространства, 4 – резервуар для реагента, 5 – заглушка, 6 – вентиль.
При этом способе подачи реагента обслуживание упрощается, но снижается эффективность действия реагента.
4. Охрана труда и противопожарная защита
4.1 Охрана труда и техника безопасности
При эксплуатации скважин для удаления АСПО применяется паропередвижная установка, при её работе должны выполняться следующие правила безопасности:
– паропередвижная установка (ППУ) на скважине устанавливается от устья на расстоянии не менее 25 метров с наветренной стороны так чтобы обеспечивался обзор для машиниста ППУ;
– обвязка выполняется бесшовными стальными трубами, испытанными на пробное давление Рпр=1,5Рраб;
– при пропаривании арматуры скважин, оборудования и трубопроводов, в которых ожидается повышение давления необходимо установить обратный клапан (непосредственно у установки или на любом стыке магистральных труб);
– на арматуре скважины, подвергаемой пропарке, необходимо предусматривать специальный патрубок с вентилем или задвижкой для подсоединения паропроводов от ППУ;
– при пропарке арматуры скважины, оборудования и трубопроводов надо знать максимальное рабочее давление, допускаемое для данного типа арматуры и не превышать его;
– для подачи пара в насосно – компрессорные трубы, уложенные на мостках, паропровод должен быть оборудован специальным наконечником, который должен соединятся к трубе на резьбе или накидным приспособлением на муфту.
Концы труб должны быть уложены со стороны устья в одной плоскости;
– пропарку с использованием шланга с наконечником, закреплённым на деревянном держаке, производить только наружных поверхностей труб, шланг и другого технологического оборудования;
– подача пара в пропарочные трубы должна быть постепенной до выхода пара из противоположного конца трубы, во избежание появления пробок;
– пуск пара производить только по сигналу с места присоединения паропроводов и после удаления людей на безопасное расстояние;
– пропарка штанг от замазученности и парафина производится с помощью шланга с наконечником, которые закреплены на деревянном держаке длинной не менее 1,5 м;
– очистка и пропарка от замазученности станка – качалки машинист производит с помощью шланга с наконечником прикреплённых к деревянному держаку длинной не менее 2,5 метра. В случае невозможности пропарки балансира из-за высоты, то бригада КРС устанавливает стеллажи или подготавливает лестницу с которой производится пропарка оборудования находящееся на высоте.
При подъёме на высоту свыше 1,5 метра необходимо применять предохранительный пояс от падения;
– разработка паропроводов производится после снижения давления пара до атмосферного и охлаждения труб;
– замазученность и парафин оставшийся на территории скважин и баз необходимо убирать.
При использовании удаления АСПО химическими методами необходимо соблюдать особые меры предосторожности и технику безопасности.
Среди химических реагентов, используемых для борьбы с АСПО, имеются токсичные, взрывоопасные, с низкой температурой вспышки. Поэтому при работе с такими реагентами должны соблюдаться особые меры предосторожности.
На территории (или в помещении) для хранения и применения газового бензина запрещается обращаться с открытым огнем; искусственное освещение должно быть выполнено во взрывобезопасном исполнении.
Ремонтные работы на резервуарах, сосудах должны производиться инструментами, не дающими при ударе искру. Технологическое оборудование и коммуникации для транспортирования газового бензина должны быть заземлены.
Запрещается перекачивание газового бензина при помощи сжатого воздуха. Содержание паров газового бензина в воздухе рабочей зоны должно составлять не более 300 мг/м3.
При разливе бензина облитые части машины должны быть насухо протерты, а пролитый на пол или на землю бензин – засыпан песком. Последний необходимо собрать в отдельную тару и вывезти из территории или помещения. Указанные работы должны производиться в фильтрующем противогазе марки А (коробка коричневого цвета).
Сосуды, смесители, коммуникации, насосные агрегаты должны быть герметичны.
Помещение должно быть снабжено общеобменной механической вентиляцией согласно действующим нормам.
При работе с газовым бензином применяют индивидуальные средства защиты: противогаз и спецодежду.
Запрещается использовать газовый бензин для мытья рук и чистки одежды.
















