14552 (585498), страница 11
Текст из файла (страница 11)
Вона складається з корпуса 1, опорних роликів 2, сошника зернової сівалки 3, колони 4, де розташована система двигун-редуктор, хрестовини 5, ущільнювача ґрунтової маси 6. Установка дає можливість регулювати інтенсивність спрацювання дисків за рахунок таких параметрів: швидкість обертання сошника, різні за фазовим складом ґрунти, а також ступінь ущільнення ґрунту, який регулюється зміною положення ущільнювачів 6.
Принцип роботи установки: до корпусу 1 кріпиться колона 4, де розташована система двигун-редуктор, яка приводить в обертання хрестовину 5. Система живиться від мережі з напругою 220 В та частотою 50 Гц. На хрестовині закріплені два сошники зернової сівалки 3 із дисками. Через тертя абразивного грунту, який засипаний у жолоб корпуса 1, диски здійснюють поступальний рух. Таким чином диски обертаються та спрацьовуються в умовах, які наближені до польових. З метою уникнення утворення канавки у грунті від руху дисків, на хрестовині передбачені “розрихлювачі" ґрунту 6. Використовується двигун-редуктор постійного струму типу МП32-31,5-45 згідно ГОСТ 20721-75 з потужністю 5 кВт. Згідно технічних умов експлуатації зернових сівалок 7,18 їх робоча швидкість складає 8-10 км/год. Середнє напрацювання дисків сошників 29 повинно становити 1000 годин, що еквівалентно обробленій землі площею 2700 га.
Рис.3.12 Схема установки для стендових випробовувань відновлених дисків: 1 - корпус, 2 - опорні ролики, 3 - сошники зернової сівалки, 4 - колона, 5 - хрестовина, 6 - ущільнювач ґрунтової маси
З метою встановлення закономірності впливу параметрів та властивостей складу абразивного середовища на фізико-механічні властивості відновленого диска, випробовування проводилось з використанням різнотипного ґрунту. Диски випробовувались із лінійною швидкістю 10 км/год. Інтенсивність їх спрацювання визначалась за величиною діаметра диска, наявності короблення та тріщин в ділянках зварного з'єднання а також за деформацією диска.
Польові дослідження проводились з використанням 24-х рядкової зернової сівалки СЗ-3.6 під час весняного посіву зернових культур, на яку встановлювалась рівна кількість відремонтованих та нових дисків. Оскільки земельно-кліматичні умови, в яких працюють диски зернових сівалок, можуть істотно різнитися, випробовування проводились на 3-ох характерних типах ґрунту. Ці ґрунти можуть класифікуватись як темно-сірий опідзолений, опідзолений чорнозем, лучний середньо-суглинистий чорнозем.
Напрацювання дисків при експлуатації в трьох типах ґрунту, становило 275. .280 га. Швидкість руху зернової сівалки в усіх випадках - 10. .12 км/год. Після проходження кожних 20-22 га виконувався технічний контроль дисків. Визначали величину спрацювання поверхні шва та діаметра диска, наявність тріщин та жолоблень в зоні з'єднання.
Оскільки економічні критерії характеризують досконалість технологічного процесу та правильність вибору способу ремонту деталей, при розробленні технологічного процесу ремонту необхідно прагнути до максимального зниження затрат ручної праці, матеріалів, енергетичних ресурсів.
З цією метою в роботі для розрахунку собівартості технологічного процесу ремонту спрацьованих дисків сошника відновленням їх робочої поверхні за зовнішнім діаметром та визначення річного економічного ефекту від промислового впровадження такого методу здійснювалось згідно методик та підходів, що запропоновані в роботах 27,141-145.
Висновки
Виходячи із умов експлуатації дисків, для забезпечення необхідних фізико-механічних властивостей їх робочої ділянки з метою підвищення довговічності дисків запропоновано методику, яка передбачає вибір хімічного складу та геометричних розмірів зварного шва. Встановлено, що найоптимальнішим матеріалом для утворення зварного шва стійкого до абразивного зношення та ударних навантажень, що мають місце під час експлуатації диска, є порошковий дріт із високим вмістом марганцю.
Розроблено технологічний процес ремонту дисків сошника шляхом відновлення їх робочої поверхні за зовнішнім діаметром з використанням електродугового приварювання ремонтного кільця без застосування попереднього підігріву та кінцевої термічної обробки.
Спроектовано та виготовлено дослідне устаткування, яке забезпечує оптимальні умови для відпрацювання методик дослідження зносостійкості, деформаційного зміцнення, жорсткості та втомного руйнування відремонтованого диска. а також оцінки його експлуатаційних характеристик.
Для визначення величини та характеру розподілу залишкового напруженого стану в коловому з'єднанні при зварюванні сталі 65Г запропоновано сумісне застосування неруйнівного методу із розробленим експериментально-розрахунковим методом.
Розділ 4. Експериментальні дослідження довговічності відремонтованих дисків сошника
4.1 Зміцнення робочої ділянки відремонтованих дисків
Визначальний вплив на працездатність диска сошника зернової сівалки мають: хімічний склад зварного шва, який в значній мірі визначає структуру шва, його здатність до контактного і деформаційного зміцнення, релаксації залишкових зварювальних деформацій і напружень а також технологічну міцність 128,112,119; погонна енергія зварювання, від якої залежать: термічний цикл зварювання, геометричні параметри ділянок зварного з'єднання, характер та величина залишкових деформацій та напружень 48,56.
В роботі, з використанням методу математичного планування експерименту 52,117, вивчався вплив хімічного складу зварного шва та величини погонної енергії на якість зварного з'єднання у відремонтованому диску.
У якості факторів вибрано погонну енергію зварювання (Х1) та співвідношення вмісту легувальних елементів С і Mn у шві (Х2). Погонна енергія зварювання Х1 визначається співвідношенням
, (4.1)
де
=0,8 - ефективний ККД; ІЗВ - струм зварювання, А; UД - напруга дуги, В; VЗВ - швидкість зварювання, м/с.
За параметр оптимізації величина якого визначається значенням факторів, прийнято твердість поверхні шва після зміцнення Y.
Для одержання математичної моделі використано факторний експеримент, суть якого полягає у варіюванні факторів об'єкта досліджень (X1, X2) за певним планом. Число факторів експерименту m=2. Основний рівень та інтервали варіювання факторів встановлені на основі моделювання властивостей з'єднання (п.3.1). Аналіз можливих коливань факторів дозволив визначити межі їх варіювання, а також необхідність дослідження цих факторів на двох рівнях (n=2). Тоді повна кількість експериментів зварювання становить nm=22=4 139. Рівні факторів та інтервали їх варіювання представлені в таблиці 4.1
Таблиця 4.1
Рівні факторів та інтервали їх варіювання
| Показник | Фактор | |
| Погонна енергія, 105 Дж/м | Mn: C | |
| Основний рівень... ... ... ... ... ... ... ... ... ... ... ... .0 | 3,5 | 14. .15 |
| Інтервал варіювання... ... ... ... ... ... ... ... ... xi | 0,2 | 5 |
| Верхній рівень... ... ... ... ... ... ... ... ... ... ... ... ... +1 | 3,7 | 19.20 |
| Нижній рівень... ... ... ... ... ... ... ... ... ... ... ... ... - 1 | 3,3 | 10. .11 |
| Кодове позначення фактору | Х1 | Х2 |
У дослідженнях застосовувався дворівневий двохфакторний експеримент з лінійною моделлю першого порядку 52, яка охоплює все поле досліджень, при цьому виключається можливість повторення парних сполучень.
Лінійна модель представлена наступним чином:
(4.2)
де
- коефіцієнти лінійної моделі, які визначались на підставі результатів заміру твердості швів після їх зміцнення (табл.4.2).
Тоді лінійна модель набуває вигляд
(4.3)
Результати досліджень відрізняються на незначну величину через наявність факторів, які не піддаються визначенню (коливання напруги в мережі, нерівномірність подавання порошкового дроту через проковзування між роликами механізму подачі та ін). Ці похибки оцінювали з допомогою дисперсії відтворюваності. Середньоквадратичне відхилення при визначенні параметру оптимізації є допустимою. Перевірка адекватності лінійної моделі, виконана із застосуванням критерію Фішера 52, підтвердила гіпотезу про адекватність лінійної моделі.
Таблиця 4.2
Матриця планування експерименту
| Номер досліду | Погонна енергія, | Співвідношення вмісту легувальних елементів у металі шва Mn: C | Максимальна твердість на поверхні металу шва після його зміцнення, HV |
| 1 | 3,7 | 19.20 | 406 |
| 2 | 3,3 | 19.20 | 417 |
| 3 | 3,7 | 10. .11 | 382 |
| 4 | 3,3 | 10. .11 | 374 |
Металографічні дослідження структури ділянок з'єднання показали, що при застосуванні порошкових дротів із запропонованим хімічним складом (п.3.1) в зварному з'єднанні після повного охолодження деталі гарячі тріщини в шві та холодні в ЗТВ відсутні. Геометричні параметри ділянок зварного з'єднання відповідають значенням, які попередньо змодельовані в п.3.1
Встановлено, що твердість металу ділянок з'єднань, отриманих із застосуванням запропонованих порошкових дротів, істотно не відрізняється (рис.4.1). Метал шва має структуру пластично деформованого аустеніту (рис.4.2а) з твердістю HV180.200, про свідчить присутність чітко виражених площин ковзання (рис.4.2а). Така деформація зумовлена частковою релаксацією залишкових напружень, та вона не приводить до істотного зміцнення аустенітної структури 123,126,127. Присутність карбідних включень та гарячих тріщин в ньому не виявлено. В зоні сплавлення структура металу неоднорідна - вона аустенітна зі сторони шва та мартенситна зі сторони ЗТВ твердістю відповідно HV210 та HV655.
П
Н
знеміцнення
Рис.4.1 Розподіл твердості у металі зварного з'єднання сталі 65Г при зварюванні порошковими дротами
Зона термічного впливу складається із трьох ділянок - перегріву (П), нормалізації (Н) та відпуску (знеміцнення). В ділянці перегріву структура повністю мартенситна (рис.4.2б) з твердістю HV655. .740 (табл.4.3), а в ділянці нормалізації - троостито-мартенситна з твердістю HV450. .500 (рис.4.3, а). Між основним металом диска із трооститною структурою твердістю HV385. .400 (рис.4.3б) 8 праворуч, та зварним швом ліворуч, в ЗТВ знаходиться ділянка
Таблиця 4.3
Характеристики ділянок зварного з'єднання
| № | Ділянка | структура | HV | Розмір, мм |
| 1 | зварний шов | Аустеніт (A) | 185.200 | 1,9. .2,1 |
| 2 | ділянка сплавлення | Аустеніт+мартенсит (A+Mrt) | 210. .685 | 0,2. .0,4 |
| 3 | ділянка перегріву | Мартенсит (Mrt) | 665. .740 | 0,6. .0,8 |
| 4 | ділянка нормалізації | Троостит+мартенсит (T+Mrt) | 400. .580 | 3,2. .3,4 |
| 5 | основний метал | Троостит (T) | 385. .405 | --- |
| Знеміцнення із твердістю HV355. .360. Таке зниження твердості можна пояснити зменшенням дисперсності ферито-цементитної суміші 138.
|
| а |
|
|
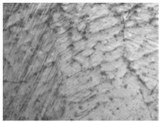
| б |
Рис.4.2 Мікроструктури металу ділянок зварного з’єднання сталі 65Г, ×400 а - метал шва (аустеніт), б - ЗТВ (мартенсит)
|
|
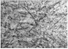
| а |
|
|
| б |
Рис.4.3 Мікроструктури металу ділянок зварного з’єднання, ×400 а - ЗТВ (мартенсито-троостит), б - основний метал (троостит)
















