4906 (585172), страница 6
Текст из файла (страница 6)
где Qав – вероятность взрыва единичного заряда Аммонита 6ЖВ, принимается равным 10-5;
Q(A)ст – статистическая вероятность развития аварии определяют по таблице 4.1
Таблица 4.1 - Статистические вероятности различных сценариев развития аварии
| Сценарий аварии | Вероятность |
| Безопасные расстояния меньше фактических, взрыв ящика с запасом Аммонита 6ЖВ не происходит | 0,774 |
| Безопасные расстояния превышают фактические, но взрыв ящика с взрывчатыми материалами не развивается | 0,164 |
| Безопасные расстояния превышают фактические, ящик с взрывчатыми материалами взрывается | 0,062 |
| Итого | 1 |
Вероятность взрыва ящика с запасом взрывчатых материалов с образованием воздушной ударной волны:
Qи.д = 10-5 0,164 = 0,16410-5 год -1
Вероятности развития аварии в остальных случаях принимают равными 0.
Из расчетов раздела 2 на расстоянии 3 м избыточное давление Р составляет 285,9 кПа; импульс i волны давления – 425,2 Па с;
Индивидуальный риск R, год-1, определяют по формуле
, (4.2)
где QП — условная вероятность поражения человека;
Q(A) — вероятность реализации аварий;
п — число ветвей логической схемы.
Условная вероятность поражения человека избыточным давлением, развиваемым при взрыве 35 кг Аммонита 6ЖВ QП и.д. определяется по таблице 4.2. Для чего в начале определяется "пробит"-функция Рr, которая рассчитывается по формуле:
Рr = 5 – 0,26ln(V), (4.3)
, (4.4)
= 6,47
Рr = 5 – 0,26ln(6,47) = 4,515
Тогда из таблицы 4.2 получаем, что условная вероятность поражения человека равна 30%.
Таблица 4.2 - Значения условной вероятности поражения человека в зависимости от Рr
| Условная вероятность поражения, % | Рr | |||||||||
| 0 | 1 | 2 | 3 | 4 | 5 | 6 | 7 | 8 | 9 | |
| 0 | - | 2,67 | 2,95 | 3,12 | 3,25 | 3,36 | 3,45 | 3,52 | 3,59 | 3,66 |
| 10 | 3,72 | 3,77 | 3,82 | 3,90 | 3,92 | 3,96 | 4,01 | 4,05 | 4,08 | 4,12 |
| 20 | 4,16 | 4,19 | 4,23 | 4,26 | 4,29 | 4,33 | 4,36 | 4,39 | 4,42 | 4,45 |
| 30 | 4,48 | 4,50 | 4,53 | 4,56 | 4,59 | 4,61 | 4,64 | 4,67 | 4,69 | 4,72 |
| 40 | 4,75 | 4,77 | 4,80 | 4,82 | 4,85 | 4,87 | 4,90 | 4,92 | 4,95 | 4,97 |
| 50 | 5,00 | 5,03 | 5,05 | 5,08 | 5,10 | 5,13 | 5,15 | 5,18 | 5,20 | 5,23 |
| 60 | 5,25 | 5,28 | 5,31 | 5,33 | 5,36 | 5,39 | 5,41 | 5,44 | 5,47 | 5,50 |
| 70 | 5,52 | 5,55 | 5,58 | 5,61 | 5,64 | 5,67 | 5,71 | 5,74 | 5,77 | 5,81 |
| 80 | 5,84 | 5,88 | 5,92 | 5,95 | 5,99 | 6,04 | 6,08 | 6,13 | 6,18 | 6,23 |
| 90 | 6,28 | 6,34 | 6,41 | 6,48 | 6,55 | 6,64 | 6,75 | 6,88 | 7,05 | 7,33 |
| – | 0,00 | 0,10 | 0,20 | 0,30 | 0,40 | 0,50 | 0,60 | 0,70 | 0,80 | 0,90 |
| 99 | 7,33 | 7,37 | 7,41 | 7,46 | 7,51 | 7,58 | 7,65 | 7,75 | 7,88 | 8,09 |
По формуле (4.2) определяем индивидуальный риск:
R = 0,16410-5 0,3 = 4,9210-7 год -1.
Из анализа расчетов следует, что индивидуальный риск равен 4,9210-7 год-1 и лежит в промежутке 10-8 год-1 < 4,9210-7 год-1 < 10-6 год-1, т.е. использование взрывчатых веществ может быть реализовано только после проведения возможных и достаточных мер для уменьшения взрывоопасности.
4.2 Метод оценки социального риска
Для вычисления социального риска территория вокруг эпицентра взрыва делится на две зоны поражения. Для каждой из зон определяется средняя условная вероятность поражения человека и среднее число людей, находящихся в данной зоне, рассчитывается ожидаемое число погибших N. В случае если при любом варианте развития аварийной ситуации N меньше 10 (в соответствии с ГОСТ Р 12.3.047-98 социальный риск допускается оценивать по поражению не менее 10 человек), социальный риск принимается равным 0 [20].
5. Молниезащита склада взрывчатых веществ ОАО "Бурибаевский гок"
В соответствии с Федеральным Законом "О защите населения и территории от ЧС природного и техногенного характера" для обеспечения безопасности на складе взрывчатых веществ необходимо спроектировать молниезащиту [21].
Цель данного раздела заключается в расчете основных характеристик двойного стержневого молниеотвода.
5.1 Методика проектирования зоны защиты двойного стержневого молниеотвода
Молниеотвод считается двойным, когда расстояние между стержневыми молниеприемниками L не превышает предельной величины Lmax. В противном случае оба молниеотвода рассматриваются как одиночные.
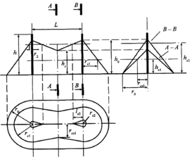
Конфигурация вертикальных и горизонтальных сечений стандартных зон защиты двойного стержневого молниеотвода (высотой h и расстоянием L между молниеотводами) представлена на рисунке 5.1.
Рисунок 5.1 – Зона защиты двойного стержневого молниеотвода
Построение внешних областей зон двойного молниеотвода (полуконусов с габаритами h0, r0) производится по формулам таблицы 5.1 для одиночных стержневых молниеотводов.
Таблица 5.1 - Расчет зоны защиты одиночного тросового молниеотвода
| Надежность защиты рз | Высота молниеотвода h, м | Высота конуса h0, м | Радиус конуса r0, м |
| 0,9 | От 0 до 150 | 0,87h | 1,5h |
| 0,99 | От 0 до 30 | 0,8h | 0,95h |
| От 30 до 100 | 0,8h | [0,95-7,1410-4(h-30)]h | |
| От 100 до 150 | 0,8h | [0,9-10-3(h-100)]h | |
| 0,999 | От 0 до 30 | 0,75h | 0,7h |
| От 30 до 100 | [0,75-4,2810-4(h-30)]h | [0,7-1,4310-3(h-30)]h | |
| От 100 до 150 | [0,72-10-3(h-100)]h | [0,6-10-3(h-100)]h |
Размеры внутренних областей определяются параметрами h0 и hc, первый из которых задает максимальную высоту зоны непосредственно у молниеотводов, а второй - минимальную высоту зоны посередине между молниеотводами. При расстоянии между молниеотводами L Lc граница зоны не имеет провеса (hc = h0). Для расстояний Lc L Lmax высота hc определяется по выражению:
(5.1)
Входящие в него предельные расстояния Lmax и Lc вычисляются по эмпирическим формулам табл. 3.6, пригодным для молниеотводов высотой до 150 м. При большей высоте молниеотводов следует пользоваться специальным программным обеспечением [16,26].
Таблица 5.2 - Расчет параметров зоны защиты двойного стержневого молниеотвода
| Надежность защиты Рз | Высота молниеотвода h, м | Lmax, м | L0, м |
| 0,9 | От 0 до 30 | 5,75h | 2,5h |
| От 30 до 100 | [5,75-3,5710-3(h-30)]h | 2,5h | |
| От 100 до 150 | 5,5h | 2,5h | |
| 0,99 | От 0 до 30 | 4,75h | 2,25h |
| От 30 до 100 | [4,75-3,5710-3(h-30)]h | [2,25-0,01007 (h-30)]h | |
| От 100 до 150 | 4,5h | 1,5h | |
| 0,999 | От 0 до 30 | 4,25h | 2,25h |
| От 30 до 100 | [4,25-3,5710-3(h-30)]h | [2,25-0,01007 (h-30)]h | |
| От 100 до 150 | 4,0h | 1,5h |
Размеры горизонтальных сечений зоны вычисляются по следующим формулам, общим для всех уровней надежности защиты:
максимальная полуширина зоны rх в горизонтальном сечении на высоте hx:
(5.2)















