182167 (584360)
Текст из файла
Содержание
Введение
Институциональные единицы в региональном инвестиционно-строительном комплексе
Вывод
Использованы источники
Введение
Тема контрольной работы "Институциональные единицы в региональном инвестиционно-строительном комплексе".
В работе предложено четыре критерия для выделения субъектов межотраслевых комплексов, сформирован инструментарий, который дает возможность описывать их структуру из институционных позиций, критерии обоснованы касательно к региональному инвестиционно - строительного комплексу.
Региональный инвестиционно-строительный комплекс (ИСК) определяется как региональная локализация субъектов инвестиционно-строительной деятельности, организовавшихся в сообщество участников, связанных едиными списком объектов, логистикой, инвестиционными и строительными ресурсами, а также едиными предметом и содержанием коммуникаций. Это определение методологически состоятельно, поскольку построено в рамках принятого в экономической теории понятия "межотраслевой комплекс"; приведенная формулировка отражает не только совокупность субъектов, ориентированных в своих хозяйственных процессах на конечный продукт и объединенных системными рисками, но и содержание хозяйственных процессов (инвестирования, строительства, эксплуатации и потребления), их продукт (объект недвижимости) и предметную сферу хозяйствования. Синтезированное определение построено на основе признаков, идентифицирующих экономическое явление и ограничивающих широту его толкования. Есть необходимость и в том, чтобы дополнить приведенное определение набором формализованных критериев, с учетом которых рассматривается принадлежность субъектов к региональному ИСК. Исследование институциональной структуры последнего позволило сформулировать четыре таких критерия, которые носят научно-теоретический характер, лишены ситуационной или временной составляющей и могут быть использованы для идентификации других региональных комплексов в условиях институциональной ориентированности хозяйственной системы региона. Предложены следующие критерии:
- компетенция — выраженная ключевая компетенция субъекта, специализация по виду деятельности, непосредственно связанному с единым технологическим процессом регионального ИСК;
- контракт — включение формируемой субъектом добавленной стоимости в цену конечной продукции регионального ИСК;
- институт - выраженная институциональность субъектов (наличие устойчивых социально-экономических взаимоотношений с другими субъектами регионального ИСК, однородность экономических мотивов).
Институциональные единицы в региональном инвестиционно-строительном комплексе
Раскроем системную целостность предложенных критериев, проявляемую в их взаимосвязи.
1. Обусловленность субъектов однородными системными рисками регионального ИСК является важнейшим признаком общности социально-экономической системы. Применительно к субъекту хозяйствования под риском понимается угроза наступления события, негативно оцениваемого для хозяйственных процессов организации. В описании структуры рисков системы предпринимательства выделяют макро- и микроэкономический уровни, часто интерпретируемые как внешние и внутренние по отношению к исследуемой социально-экономической системе (субъекту, отрасли, комплексу). Макроэкономические (внешние) риски (общегосударственных экономических кризисов, платежеспособного спроса, нарушения финансовой системы, инновационных субститутов и т. п.) рассматриваются как угроза всему укладу жизни общества во всех сферах экономической деятельности. Данный уровень рисков является системным по отношению ко всем субъектам хозяйственной деятельности во всех отраслях и комплексах, экономике в целом. Именно поэтому внешние риски нельзя рассматривать как системообразующие применительно к отрасли или региональному ИСК.
Системообразующими являются исключительно микроэкономические (внутренние) риски — специфические угрозы определенной социально-экономической деятельности. В каждой отрасли или комплексе присутствуют свои характерные угрозы в финансовой или технологической сфере. Именно они и рассматриваются как системообразующие по критерию "риск". Совокупность субъектов, успешность хозяйственной деятельности которых зависит от проявленности однородных технологических и финансовых рисков единого бизнес-процесса, можно охарактеризовать как отрасль или комплекс. Вопрос о структуре, содержании и методах оценки специфических для инвестиционно-строительной деятельности рисков многократно поднимался в научной литературе. Мы готовы согласиться с общим взглядом на явные системные риски инвестиционно-строительной сферы: это социальные проблемы земельного участка, невыполнение сроков работ, невосполнимая потеря качества строительно-монтажных работ, препятствия со стороны надзорных организаций, потеря ключевых исполнителей работ и др. Однако сегодня еще не предложена общая структура рисков инвестиционно-строительной деятельности, не развиты методы и подходы к их выявлению. Эти вопросы заслуживают самостоятельного научного исследования. А здесь мы, не отвлекаясь от темы, предлагаем наиболее общее методическое решение проблемы детерминирования субъектов, взаимосвязанных специфическими рисками регионального ИСК. Наш подход основан на построении сетевых диаграмм рисков, которые, в отличие от традиционного "дерева рисков", позволяют выявить не только критические угрозы, но и их происхождение. Критические угрозы понимаются как системные риски комплекса, а их источником являются субъекты ИСК, находящиеся в хозяйственном взаимодействии. Посмотрим, как данный принцип реализован относительно субъекта "технический заказчик — генеральный подрядчик". Первоначально применительно к выбранной группе субъектов регионального ИСК (в данном случае — совокупности функций технического заказчика и генерального подрядчика) детерминируется структура рисков.
Таблица 1. Структура рисков технического заказчика — генерального подрядчика
| Код | Риск | Категория риска |
| А.О | Неплатежеспособность потребителя | Финансовый |
| А.1 | Задержки с перечислением платежей | " |
| А.2 | Недостаточность оборотных средств | " |
| В.1 | Невозможность кредитования | " |
| СО | Неэффективность экономики субъекта | " |
| D.1 | Невозможность выполнения контракта | " |
| D.2 | Нарушение сроков работ | Технологический |
| ЕЛ | Нарушение сроков работ подрядчиками | " |
| Е.2 | Нарушение сроков поставки материалов | Логистический |
| Е.З | Нарушение сроков поставки конструкций | " |
| Е.4 | Невыполнение инженерных коммуникаций | Технологический |
| F.1 | Несогласование документации | Организационный |
| G.1 | Потеря ключевых исполнителей работ | " |
| J.1 | Отсутствие объекта в системе учета | " |
| J.2 | Отказ надзорного органа принять объект | Технологический |
| Н.1 | Проблемы с земельным участком | Социальный |
| 1.1 | Пересмотр сметы и договоров заказчиком | Финансовый |
| К.1 | Увеличение стоимости материалов | " |
| L.1 | Отказ потребителя принять объект | Организационный |
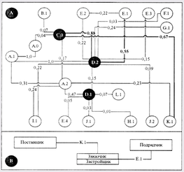
Детерминирование предлагается выполнять экспертным методом: руководители компании (эксперты) устанавливают наиболее значимые угрозы, ведущие к кризису хозяйственной деятельности субъекта. Кризис для субъекта предпринимательства вполне логично определить как проявление риска "неэффективность экономики субъекта" (см. в табл. 1), например, в виде отрицательных показателей рентабельности и чистой прибыли (формальная экономическая состоятельность юридического лица). На втором этапе исследователь совместно с экспертами строит граф взаимосвязи рисков, аналогичный представленному на рисунке 1 (А). Переход от графа к сети (сетевой диаграмме) реализуется через количественную оценку взаимосвязей. Такая оценка интерпретируется как вероятность наступления угрозы и отображается как вес ребра в сетевой диаграмме (А на рис. 1). В итоге получена сетевая диаграмма рисков относительно выбранного субъекта, в данном случае технического заказчика — генерального подрядчика (в одном лице); эта диаграмма рисков может использоваться самостоятельно для планирования системы менеджмента компании, формирования ключевых участков контроля бизнес-процесса и технологического процесса. В рамках нашей задачи сетевая диаграмма позволяет последовательно определить критические угрозы и их источники. Критические риски - это наиболее вероятные и обусловливающие кризис субъекта (С.О), который считается самым вероятным (ζ=0,88) в случае проявления ключевого для данного вида деятельности технологического риска D.2 - Нарушение сроков работ". В свою очередь, происхождение риска "D.2 определяется внешними по отношению к техническому заказчику - генеральному подрядчику рисками: "Е.1 - Нарушение сроков работ подрядчиками" (ζ=0,55) и "К. 1 - Увеличение стоимости материалов" (ζ=0,67). Именно данные риски определяются как системные в инвестиционно-строительной деятельности при исследовании позиций технического заказчика и генерального подрядчика. Соответственно, можно выяснить, какие компании (в рамках предложенного методического принципа - субъекты ИСК) служат источниками рисков и находятся в едином поле системных рисков. Очевидно, что в одном поле рисков с техническим заказчиком и генеральным подрядчиком находятся (В на рис. 1) поставщики материалов (сырья, конструктивных элементов и т. п.) и подрядчики. Последовательно построив сетевые диаграммы рисков для других участников регионального ИСК, можно отразить все поле критических рисков комплекса и их источники, то есть выделить субъектов регионального ИСК.
Рис. 1. Сетевая диаграмма рисков (А) технического заказчика – генерального подрядчика и структура субъектов ИСК, объединенных системными рисками (Экспертные оценки вероятности реализации угрозы установлены поданным 2009 г.)
Таким образом, предложенный методический подход позволяет выделить субъектов, находящихся в едином поле рисков, а риск служит научно обоснованным критерием принадлежности субъекта к региональному ИСК.
2.Критерий "компетенция" выражает отраслевую принадлежность субъекта, проявление его базовых хозяйственных функций в пределах технологического процесса регионального ИСК. Понятие ключевой (базисной) компетенции компании расценивается как одно из актуальных, когда обсуждается стратегическое позиционирование конкурентоспособности субъектов предпринимательства. Под ключевой компетенцией понимают осознанную и позиционированную (заявленную) специализацию по виду деятельности (продукту или услуге), локализованную по отношению к группе потребителей, основанную на объективных рыночных или технико-технологических преимуществах субъекта. Организация выделяет те виды деятельности, где факторы конкурентоспособности проявляются наиболее сильно; концентрируется на том виде деятельности, в рамках которого реализуются ее стратегические конкурентные преимущества, и позиционирует себя в рамках таковых.
Следует отметить, что существует понятийная и содержательная разница между специализацией и позиционированием ключевой компетенции субъекта. Специализация является объективным экономическим процессом на уровне отраслей (комплексов) и отражает эволюцию основного технологического процесса, а также его функциональных участников. Она исследуется, как правило, либо в научных контекстах, либо при стратегической оценке перспектив эволюции социально-экономической системы. Более того, специализация может реализовываться неосознанно со стороны субъектов. А позиционирование в пределах определенной ключевой компетенции выражает осознание субъектом специализации своей принадлежности к определенному технологическому процессу, комплексу. Различение позволяет понять причины включения компетенции в число критериев принадлежности субъекта к комплексу. Заявление о компетенции со стороны субъекта подразумевает, что он:
- осознает себя как часть комплекса, его единого технологического процесса;
- понимает свое место (роль, функцию, операции, виддеятельности) в технологическом процессе;
- готов разделить риски общего технологического процесса комплекса.
Важнейшей составляющей критерия "компетенция" является принадлежность основного вида деятельности к технологическому процессу комплекса. Вид деятельности, операции, реализуемые субъектом в пределах ключевой компетенции, должны быть составляющими детерминированного технологического процесса комплекса, а продукт деятельности субъекта — используемым в технологической (логистической) цепочке. Детерминированность основного технологического процесса является определяющим фактором для оценки принадлежности субъекта к комплексу по данному критерию. Такая оценка реализуется через сопоставление заявленной ключевой компетенции и соответствующего этапа в технологической цепочке. Для сопоставления мы предлагаем принять модель инвестиционно-строительного процесса, показанную на рисунке 2.
Рис. 2. Этапы инвестиционно-строительного процесса
3. Критерий "контракт" подразумевает оценку принадлежности субъекта к региональному ИСК по выраженности его экономического (финансового) поведения в основном технологическом процессе. Таким субъектом может быть:
Характеристики
Тип файла документ
Документы такого типа открываются такими программами, как Microsoft Office Word на компьютерах Windows, Apple Pages на компьютерах Mac, Open Office - бесплатная альтернатива на различных платформах, в том числе Linux. Наиболее простым и современным решением будут Google документы, так как открываются онлайн без скачивания прямо в браузере на любой платформе. Существуют российские качественные аналоги, например от Яндекса.
Будьте внимательны на мобильных устройствах, так как там используются упрощённый функционал даже в официальном приложении от Microsoft, поэтому для просмотра скачивайте PDF-версию. А если нужно редактировать файл, то используйте оригинальный файл.
Файлы такого типа обычно разбиты на страницы, а текст может быть форматированным (жирный, курсив, выбор шрифта, таблицы и т.п.), а также в него можно добавлять изображения. Формат идеально подходит для рефератов, докладов и РПЗ курсовых проектов, которые необходимо распечатать. Кстати перед печатью также сохраняйте файл в PDF, так как принтер может начудить со шрифтами.















