151711 (580628)
Текст из файла
-
Данные для расчета
| № варианта | Iн, мА | Uн, В | ΔUн+, В | ΔUн-, В | εвых | Кст мин | № рисунка схемы |
| 36 | 270 | 11 | 0 | 0 | 103 | 60 | 3 |
ЗАДАНИЕ
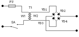
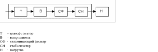
Провести полный расчет вторичного источника питания, структурная схема которого изображена на рси.1, по следующим данным:
-
Первичная сеть 220 В, 50 Гц с возможными отклонениями напряжения +5% и -15%.
-
В соответствии с указанным вариантом взять из таблицы
-
ток нагрузки Iн;
-
напряжение на нагрузке Uн с пределами регулирования ΔUн+ и ΔUн- или без регулирования;
-
допустимый коэффициент пульсации εвых;
-
минимальный коэффициент стабилизации напряжения Кст мин;
-
вариант схемы выпрямителя по номеру рисунка.
Рис.1. Структурная схема вторичного источника питания
-
ВЫБОР И РАСЧЕТ СТАБИЛИЗАТОРА НАПРЯЖЕНИЯ
Стабилизация среднего значения выходного напряжения вторичного источника питания производится c помощью стабилизатора напряжения. Выбор стабилизатора напряжения осуществляется исходя из следующих соображений. Если не нужно регулировать напряжение на нагрузке (не заданы ΔUн+ и ΔUн-) и ток в нагрузке не превышает 0,1А, то можно выбрать, как самый простой, параметрический стабилизатор напряжения, при условии, что он обеспечит заданный коэффициент стабилизации. В противном случае необходим компенсационный стабилизатор напряжения с обоснованием его выбора.
Так как ток нагрузки Iн больше 0,1А, необходим компенсационный стабилизатор напряжения.
РАСЧЕТ КСН
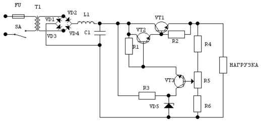
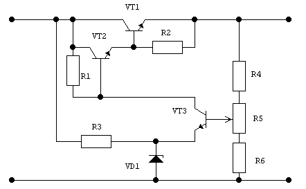
Рис.2 Схема стабилизатора.
-
Определим максимальный ток коллектора транзистора VT1
-
Определим значения выходного напряжения на нагрузке
минимальное:
максимальное:
-
Определим напряжение на входе КСН
минимальное:
где ориентировочно принимаем
;
номинальное
максимальное
-
Максимальное значение напряжение коллектор-эммитер и рассеиваемой мощности на транзисторе VT1 будут равны
-
В блоках питания применяются низкочастотные транзисторы. По найденным значениям
по справочнику выбираем транзистор n-p-n структуры и выписываем его параметры:
VT1: П701
| | , мА | , Вт | ,В | , мкА | |
| 40 | 500 | 10 | 20 | 7 | 0,1 |
-
Определяем максимальный ток базы транзистора VT1
-
Рассчитываем сопротивление резистора R2 и его мощность, где
В
Выбираем тип резистора и его параметры.
R2 = 4,7х106 Ом, Pr2 = 0,01 Вт.
-
Определяем максимальное значение напряжения коллектор-эммитер, тока коллектора и мощность транзистора VT2
,
,
,
.
-
По найденным значениям
по справочнику выбираем транзистор n-p-n структуры и выписываем его параметры:
VT2: П701А
| | , мА | , Вт | ,В | , мкА | |
| 60 | 500 | 10 | 20 | 7 | 0,1 |
Величину напряжения берем
.
-
Уточняем минимальное напряжение на РЭ
-
Определяем ток базы транзистора VT2
-
Принимаем ток коллектора транзистора VT3 равным
-
Определяем максимальное, минимальное и номинальное значения напряжения на коллектора VT3 относительно общего минуса
-
Рассчитываем сопротивление резистора R1 и его мощность
Выбираем резистор R1:
,
.
-
Вычисляем максимальный ток коллектора транзистора VT3
-
Напряжение стабилитрона VD1 выбираем в пределах 6…8 В, ноо при этом напряжение коллектор- эммитер транзистора VT3 должно быть не менее 3В, то есть
-
По найденному значению Uст и учитывая, что ток стабилизации VD1 не должен превышать максимально допустимый ток стабилитрона, то есть
Выбираем тип стабилитрона VD1 и выписываем его параметры
VD1: Д814А
|
| , мА | , мА | , Ом | ,В | , В |
| 8 | 40 | 3 | 6 | 7,5 | 8,5 |
-
Уточняем напряжение коллектор-эммитер транзистора VT3
-
Определяем мощность, рассеиваемую на коллекторе транзистора VT3
-
По найденным значениям
по справочнику выбираем транзистор n-p-n структуры и выписываем его параметры:
VT3: КТ306Г
|
| , мА | , Вт | ,В | , мкА | |
| 10 | 30 | 0,15 | 110 | 0,3 | 3 |
-
Вычисляем сопротивление резистора R3 и его мощность
Выбираем резистор R3:
,
.
-
Проверяем максимальный ток стабилитрона VD1
-
Рассчитываем ток базы транзистора VT3
-
Находим сопротивления резисторов делителя и их мощность. Для этого принимаем ток делителя
. Тогда полное сопротивление делителя
, а сопротивления резисторов делителя и их мощности найдем по формулам, приняв
В
Выбираем R4, R5, R6:
-
Определяем достигаемый коэффициент стабилизации
где
- коэффициент передачи по напряжению делителя;
- коэффициент усиления по напряжению УПТ на VT3;
.
-
Входные параметры КСН
входной ток КСН
входное напряжение КСН
входное сопротивление КСН
-
Оценим коэффициент полезного действия КСН при нормальной нагрузке
Ориентировочный расчет стабилизатора напряжения закончен.
-
ВЫБОР И РАСЧЕТ СГЛАЖИВАЮЩЕГО ФИЛЬТРА
Исходные данные:
- коэффициент пульсации на выходе СФ
- коэффициент пульсации на входе СФ
- сопротивление нагрузки фильтра
- напряжение нагрузки СФ
– ток нагрузки СФ
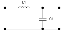
Рис.3 Схема Г-образного LC-фильтра.
-
Определяем необходимый коэффициент сглаживающего фильтра
-
Находим величину емкости конденсатора С1 из условия согласования фильтра с нагрузкой
. Принимаем
где
.
Выбираем конденсатор С1 с рабочим напряжением
:
-
Определяем величину индуктивности дросселя L1 по формуле
-
Проверяем расчет
а)
- условия согласования фильтра с нагрузкой;
б)
- условие допустимых габаритов.
-
РАСЧЕТ ВЫПРЯМИТЕЛЯ
Рис.4. Схема выпрямителя.
-
Постоянная составляющая напряжения на выходе выпрямителя- входе фильтра
где
.
-
Определяем среднее напряжение на входе выпрямителя – на вторичной обмотке трансформатора:
где
-
Определяем напряжение на вторичной обмотке трансформатора
-
амплитудное значение напряжения на вторичной обмотке трансформатора
-
действующее значение напряжения на вторичной обмотке трансформатора
-
Определим токи во вторичной обмотке трансформатора
-
постоянная составляющая тока на выходе выпрямителя Iв равна входному току СН
-
среднее и действующее значения тока во вторичной обмотке
,
-
амплитудное значение тока
-
максимальное обратно напряжение на диодах
и среднее значение тока через диоды
-
В соответствии со значениями
выбираем по справочнику тип выпрямительных диодов и выписываем их параметры:
2Д122АС:
|
| А | А | В |
|
| 0,3 | 1 |
-
РАСЧЕТ ТРАНСФОРМАТОРА
-
Требуемый коэффициент трансформации равен
-
Определяем число витков первичной обмотки
трансформатора исходя из намотки 6-8 витков на 1 В напряжения:
витков.
-
Определим число витков вторичной обмотки трансформатора
-
Находим действующее
и максимальное
значение тока в первичной цепи
Мощность тока в первичной цепи – мощность, потребляемую источником вторичного питания от сети переменного тока -
-
ВЫБОР ПРЕДОХРАНИТЕЛЯ И ВЫКЛЮЧАТЕЛЯ.
-
Определим расчетный ток срабатывания предохранителя
.
Выбираем предохранитель 0,1А.
-
Ток коммутации выключателя должен быть
.
Выбираем выключатель по току коммутации 0,1 А.
-
Графики напряжений на вторичной обмотке трансформатора, на выходе выпрямителя, на выходе сглаживающего фильтра и на нагрузке
-
Схема электрическая принципиальная вторичного источника питания
СПЕЦИФИКАЦИЯ Таблица1
Список использованной литературы
-
Полупроводниковые приборы: диоды, тиристоры, оптоэлектронные приборы. Справочник/ Под ред. Н.Н. Горюнова. -М.: Энегроиздат, 1983. – 744с.
-
Полупроводниковые приборы: транзисторы. Справочник/ Под ред. Н.Н. Горюнова. -М.: Энегроиздат, 1982. – 904с.
-
Ханзел Г.Е. Справочник по расчету фильтров. США, 1969. Пер. с англ., под ред. А.Е. Знаменского. М., «Сов. радио», 1974, 288с.
-
Полупроводниковые приборы. Диоды выпрямительные, стабилитроны, тиристоры: Справочник / Под ред. А.В. Голомедова. – М.:Радио и связь, 1988. – 528с.
Характеристики
Тип файла документ
Документы такого типа открываются такими программами, как Microsoft Office Word на компьютерах Windows, Apple Pages на компьютерах Mac, Open Office - бесплатная альтернатива на различных платформах, в том числе Linux. Наиболее простым и современным решением будут Google документы, так как открываются онлайн без скачивания прямо в браузере на любой платформе. Существуют российские качественные аналоги, например от Яндекса.
Будьте внимательны на мобильных устройствах, так как там используются упрощённый функционал даже в официальном приложении от Microsoft, поэтому для просмотра скачивайте PDF-версию. А если нужно редактировать файл, то используйте оригинальный файл.
Файлы такого типа обычно разбиты на страницы, а текст может быть форматированным (жирный, курсив, выбор шрифта, таблицы и т.п.), а также в него можно добавлять изображения. Формат идеально подходит для рефератов, докладов и РПЗ курсовых проектов, которые необходимо распечатать. Кстати перед печатью также сохраняйте файл в PDF, так как принтер может начудить со шрифтами.
по справочнику выбираем транзистор n-p-n структуры и выписываем его параметры:
, В
В
по справочнику выбираем транзистор n-p-n структуры и выписываем его параметры:
, В
по справочнику выбираем транзистор n-p-n структуры и выписываем его параметры:
. Тогда полное сопротивление делителя
, а сопротивления резисторов делителя и их мощности найдем по формулам, приняв
В
. Принимаем
и среднее значение тока через диоды
выбираем по справочнику тип выпрямительных диодов и выписываем их параметры:
В
400
трансформатора исходя из намотки 6-8 витков на 1 В напряжения:
и максимальное
значение тока в первичной цепи
.














