151484 (580594), страница 2
Текст из файла (страница 2)
Условия выбора:
для ПР
для двигателей
Условия выбора кабельных линий
Где
- ток срабатывания защиты
=1 – коэффициент защиты
Результаты расчёта сведём в таблицу 4.
Таблица 4
| Наименование электроприёмника | Рн,кВт | I,А | Номинальный ток выкл.,А | Номинальный ток расцепителя | Тип автоматического выключателя | Марка КЛ |
| Насос | 20 | 39 | 160 | 63 | А3714Б 63/315 | АВВГ3х25+1х10 (Iдоп= 75А) |
| Насос | 4,5 | 9,3 | 160 | 16 | А3714Б 16/80 | АВВГ 4х4 (Iдоп= 27А) |
| Токарный станок | 4,6 | 15 | 160 | 16 | А3714Б 16/80 | АВВГ 4х4 (Iдоп= 27А) |
| Ножницы | 7 | 23 | 160 | 25 | А3714Б 25/250 | АВВГ 4х6 (Iдоп= 35А) |
| Станок трубогибный | 7 | 23 | 160 | 25 | А3714Б 25/250 | АВВГ 4х6 (Iдоп= 35А) |
| Вентиляторы | 2,8 | 5,8 | 160 | 10 | А3714Б 10/50 | АВВГ 4х4 (Iдоп= 27А) |
| Электропечь | 45 | 79 | 160 | 80 | А3714Б 80/240 | АВВГ3х35+1х16 (Iдоп= 95А) |
| Трансформатор сварочный | 10 | 38 | 160 | 63 | А3714Б 63/315 | АВВГ3х25+1х10 (Iдоп= 75А) |
| Кран | 12 | 50 | 160 | 63 | А3714Б 63/315 | АВВГ3х25+1х10 (Iдоп= 75А) |
Рассчитаем уставки вводных автоматических выключателей в ПР.
Результаты расчёта сведём в таблицу 5.
Таблица 5
| №ПР | Iр,А | Ном. ток выкл.,А | Ном. ток расцепителя,А | Iуст.кз,А | Тип выключателя | Iдл.доп.КЛ | Марка КЛ |
| ПР1 | 86 | 400 | 160 | 480 | А3734С 160/480 | 2х140=280А | 2АВВГ3х70+1х35 |
| ПР2 | 81 | 400 | 160 | 480 | А3734С 160/480 | 2х140=280А | 2АВВГ3х70+1х35 |
| ПР3 | 40,6 | 400 | 160 | 480 | 26,8 А3734С 160/480 | 280А | 2АВВГ3х70+1х35 |
| ПР4 | 68,7 | 400 | 160 | 480 | 317 А3734С 160/480 | 280А | 2АВВГ3х70+1х35 |
Распределительные пункты ПР1, ПР3 и ПР2, ПР4 запитаем от щита подстанции шлейфом.
Фидерные автоматические выключатели серии АВМ-4С будем выбирать по сумме токов
и
Примем к установке автоматические выключатели с номинальными токами расцепителя
; с током уставки от перегрузки
;
с током уставки от КЗ
.
Выбранные автоматические выключатели АВМ 250/750 обеспечат селективность.
Кабельные линии, запитывающие распределительные пункты выбираем по условиям:
где
Выбранные автоматические выключатели проверим на отключающую способность однофазного тока КЗ:
где
- полное сопротивление трансформатора току замыкания (для ТМ 630/6)
- фазное напряжение
- полное сопротивление петли фаза-нуль кабельной линии.
,
где
- для кабеля 2АВВГ3х70+1х35
Условие проверки:
Автоматические выключатели будут срабатывать при однофазном коротком замыкании.
Выберем фидерные автоматические выключатели для двигателей мощностью 100кВт.
Номинальный ток двигателя:
Принимаем к установке АВМ-4С 250/1250.
Для запитки двигателя выбираем кабель 2АВВГ3х70+1х35 с
Выберем магнитные пускатели к электродвигателям.
Условия выбора:
Результаты расчёта сведём в таблицу 6.
Таблица 6
| Номинальная мощность,кВт | Iном,А | Iн.пуск,А | Тип пускателя (контактора) |
| 100 | 184 | 250 | КП-6032 |
| 45 | 79 | 110 | ПА-511 |
| 20 | 39 | 63 | ПА-411 |
| 12 | 50 | 63 | ПА-411 |
| 10 | 38 | 63 | ПА-411 |
| 7 | 23 | 25 | ПМЕ-211 |
| 4,5 | 9,3 | 25 | ПМЕ-211 |
| 4.6 | 15 | 25 | ПМЕ-211 |
| 2,8 | 5,8 | 10 | ПМЕ-111 |
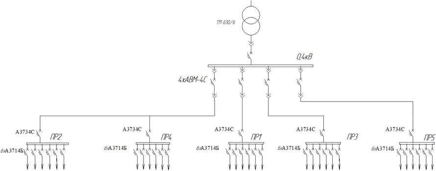
Рис 3. Схема электроснабжения
Задание 2
Определить необходимое число устанавливаемых в цехе трансформаторов и цеховых подстанций ТП, суммарную мощность конденсаторов БК на напряжение 380В и на каждой ТП со стороны 380В, если в цехе имеется распределительный пункт (РП) 10кВ, на каждую секцию шин РП 10кВ работают два синхронных двигателя СД по 3200кВт с частотой вращения 1000 об/мин, коэффициент загрузки СД 0,8.
Определить реактивную мощность от СД, которая будет передаваться в сеть 380В.
СД1: 2х1600кВт Q1=800кВАр
СД2: 6х3200кВт Q2=1600кВАр
Решение
Определяем минимальное число трансформаторов в цехе:
- трансформатора
где
- расчётная нагрузка цеха
- коэффициент загрузки
- Номинальная мощность трансформаторов; кВА
Оптимальное число трансформаторов
Определим наибольшую реактивную мощность, которую целесообразно передавать через трансформаторы в сеть с напряжением до 1кВ.
Суммарная мощность конденсаторов в сети до 1кВ можно определить так:
Мощность конденсаторов в сети до 1кВ для снижения потерь мощности в трансформаторах цеховых ТП определяется:
где
=0,48 – расчётный коэффициент
Принимаем ККУ мощностью 450кВАр
(
)
Определим суммарную реактивную мощность всех двигателей
СД с Р=3200кВт экономически целесообразно использовать как источник реактивной мощности
где
- коэффициент допустимой перегрузки СД, зависящий от его загрузки по активной мощности.
Экономически целесообразная реактивная мощность СД с Р=1600кВт принимается равной:
Суммарная располагаемая мощность всех СД
Суммарная реактивная нагрузка на шинах 10кВ:
где
Задача 3
Для подшипникового завода, генплан которого изображен на рис. 1, необходимо выполнить следующее:
а) определить расчетную нагрузку по цехам по методу коэффициента спроса и установленной мощности;
б) определить центр электрических нагрузок для цехов и завода; нанести картограмму электрических нагрузок на генплан завода;
в) указать место цеховых подстанций и главной понизительной подстанции (ГПП), считая, что источником питания завода является районная понизительная подстанция, расположенная сверху чертежа генплана.
Заданные величины представлены в табл. 1.
12
















