150615 (580466), страница 2
Текст из файла (страница 2)
Другий сигнал t2 з органа керування ОУ по температурі повітря надходить на сприймаючий орган В2( терморезистор реле-регулятори температури). Далі сигнал надходить на орган, що порівнює, З2, він же є й органом, що задає, ЗО2 (міст, утворений резисторами R1, R4, R5, R6, R7, R8, R9). З органа, що порівнює, сигнал надходить на перший підсилювальний орган УО4, потім на другий УО5, якими є транзисторні підсилювачі. Далі сигнал надходить на регулювальний орган РО (транзисторний регулятор). При позитивному сигналі через регулювальний орган, сигнал надходить на пристрій убудованого температурного захисту (УО1), при негативному - не проходить, і наступний ланцюжок залишається знеструмленої.
При позитивному сигналі ланцюжок замикається, і працюють обидві ланцюжки паралельно.
ОУ- водонагрівач
ИО- Тени
В1, З1, ЗО1- терморезистори
УО1- транзисторний підсилювач
УО2- реле ДО1
ЕЗ- реле часу
УО3- магнітний пускач
В2, З2, ЗО2- терморезистори
УО4, УО5- транзисторні підсилювачі
РО- транзисторний регулятор
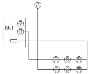
Рис.4. – Схема
3.1. Датчик температури води
2.1. Датчик температури води
2.3. Регулятор температури
2.4. Перемикач
2.5. Магнітний пускач
1. Термометр
Список літератури
1. Елементи й пристрої сільськогосподарської автоматики: Довідковий посібник / [Бохан Н.І., Дробищев Ю.В. і ін.]; Під ред. Н.І.Бохана. – К., 1983
2. Проектування систем автоматизації технологічних процесів: Довідковий посібник / [ А.С. Клюєв, Б.В. Глазов, А.Х. Дубровський, О.О.Клюєв]; Під ред. А.С. Клюєва. – К., 2003.
3. Пястолов А.А., Ерошенко Г.П. Експлуатація електроустаткування. – К., 1992
4. Бородін И.Ф. Технічні засоби автоматики. – К., 2004
5. Електротехнологія В.А. Карасенко, Е.М. Заящ, А.Н.Баран, В.С.Корько. – М., 1992
6. Таєв І.С. Електричні апарати автоматики й керування. Учебн. посібник для Вузов. – К., 2000
9. Бородін И.Ф., Рисс О.О. Автоматизація технологічних процесів. – К., 1998















