150518 (580455), страница 2
Текст из файла (страница 2)
Линейному Если ток через индуктивность линейно возрастает во времени, то напряжение на ней изменяется по закону:
Линейному Внутреннее сопротивление (Ri) идеального источника эдс равно:
Ri = 0
Внутреннее сопротивление (Ri) идеального источника тока равно:
Ri ∞
Между индуктивно связанными элементами связь:
магнитная.
Реальный индуктивно связанный элемент называется:
Трансформатор.
Основное назначение трансформатора:
Преобразование амплитуды напряжения переменного тока или напряжения.
Мгновенный ток через конденсатор с емкостным сопротивлением Xc=10 Ом при мгновенном значении напряжения на нем uC=20sin(ωt+φ) равен:
iC=2sin(ωt+φ - π/2).
Комплексная амплитуда тока через конденсатор с емкостным сопротивлением Xc=10 Ом при мгновенном значении напряжения на нем uC=20sin(ωt+φ) равна:
IC=2ejφ.
Мгновенное напряжение на катушкe индуктивности с индуктивным сопротивлением XL =10 Ом при токе через индуктивность iL=12sin(ωt+φ) равно:
2. uL=120sin(ωt + φ+ π/2)
Комплексная амплитуда напряжения на катушкe индуктивности с индуктивным сопротивлением XL =10 Ом при заданном токе через индуктивность iL=12sin(ωt+φ) равна:
2. uL=120ej(φ + π/2)
4. uL=120ej(φ - π/2).
Мгновенное напряжение на сопротивлении R =10 Ом при заданном токе i=12sin(ωt+φ).
1. u=120sin(ωt + φ)
Комплексная амплитуда напряжения на сопротивлении R =10 Ом при заданном токе i=15sin(ωt+φ) равна:
4. u=150ejφ.
Мгновенное напряжение на проводимости G =10 Cм при заданном токе i=12sin(ωt+φ) равно:
u=1,2sin(ωt + φ)
4. Электрические цепи при гармоническом воздействии в установившемся режиме
Основные свойства линейных цепей:
Принципа суперпозиции.
Независимыми называют узлы, которые:
отличаются одной ветвью.
Независимыми называются контура, которые:
отличаются одной ветвью.
Число независимых узлов определяется из соотношения:
NУ= у-1
Число независимых контуров определяется из соотношения:
Nк= в-у+1.
Показать запись закона Ома в комплексной форме.
Ům=Zİm.
Показать запись первого закона Кирхгофа в комплексной форме:
Показать запись второго закона Кирхгофа в комплексной форме:
На каком законе основан метод контурных токов.
2-ой закон Кирхгофа.
На каком законе основан метод узловых потенциалов.
1-ый закон Кирхгофа.
Записать уравнения по методу токов ветвей (рис.1.5):
| 1. |
| (Z1+Z2) I1+Z3 I2=u1 Z3I1+(Z2+Z3 +Z4) I2=0 |
Запишите первый закон Кирхгофа (для узла А на рис.1).
I2+I3-I4-I5=0
Запишите второй закон Кирхгофа (для контура J1 на рис.1).
I3R2+I4R3 =E.
Для элементов соединенных последовательно общим является:
Ток.
Для элементов соединенных параллельно общим является:
Напряжение.
Эквивалентное сопротивление трех параллельно соединенных резисторов с одинаковым сопротивлением, равным 3 Ома, равно:
3 Ом;
Эквивалентное сопротивление цепи, состоящей из двух резисторов соединенных параллельно к которым подключены три последовательно соединенных резисторов по 10 Ом каждый, равно:
35 Ом.
Общим для последовательного участка электрической цепи является:
ток Для расчета электрической цепи по методу контурных токов необходимо и достаточно составить уравнений:
N=NВ-NI
Для расчета электрической цепи методом токов ветвей необходимо и достаточно составить уравнений:
N=NВ-NI
Для расчета электрической цепи методом узловых потенциалов необходимо и достаточно составить уравнений:
1) N=NВ-NI; 2) N=Nу-1; 3) N=NВ-NI - Nу+1.
Прежде чем определить токи ветвей электрической цепи в методе контурных токов предварительно находят:
контурные токи;
Прежде чем определить токи ветвей электрической цепи в методе узловых потенциалов предварительно находят узловые потенциалы Метод расчета электрических цепей основанный на принципе суперпозиции называется:
метод наложения.
Входной сигнал электрической цепи называют:
Воздействие.
Выходной сигнал электрической цепи называют:
отклик или реакция
Под эквивалентными преобразованиями электрических цепей понимают:
Замену одной цепи другой, в которой напряжения и токи на интересующих участках цепи остаются неизменными;
Падение напряжения на участке цепи, содержащем два и более последовательно соединенных сопротивления, равно:
Сумме падений напряжений на каждом сопротивлений;
При последовательном соединении элементов суммарный ток через них равен:
Постоянной величине;
При параллельном соединении сопротивлений их суммарное сопротивление:
равно алгебраической сумме всех сопротивлений.
Задача анализа цепи состоит в отыскании:
откликов, по известным воздействиям и схеме цепи.
Обратная задача при анализе цепи состоит в отыскании:
воздействия по заданной схеме цепи и известному отклику.
Задача синтеза цепи состоит в отыскании:
схемы цепи и параметров ее элементов, по известным откликам и воздействиям.
5. Частотные характеристики и операторные функции электрических цепей
Откликом линейной цепи на гармоническое воздействие является:
Гармонический сигнал с той же амплитудой;
Комплексным параметром цепи называют:
Отношение комплексных амплитуд отклика к воздействию;
Двухполюсник представляет собой электрическую цепь, которая имеет:
только два вывода;
Четырехполюсник представляет собой электрическую цепь, которая имеет:
два вывода на входе и два на выходе.
Комплексное сопротивление двухполюсника есть…
Отношение комплексных амплитуд напряжению к току на двухполюснике;
Передаточными параметрами называют:
1. Коэффициенты передачи тока, напряжения, мощности и т.д. в прямом направлении (со входа на выход);
Входные параметры четырехполюсника характеризуют:
Они связывают значения тока и напряжения на входе четырехполюсника (входные сопротивление и проводимость);
Параметры прямой передачи сигнала характеризуют.
Передачу гармонического сигнала через четырехполюсник со входа на выход;
Выходные параметры характеризуют:
Они связывают значения тока короткого замыкания и напряжения холостого хода на выходе четырехполюсника (выходные сопротивление и проводимость);
Параметры обратной передачи сигнала характеризуют:
Передачу гармонического сигнала через четырехполюсник с выхода на вход;
Под согласованием четырехполюсника по мощности по входу и выходу?
1. Это режим когда от источника сигнала на вход усилителя и с выхода усилителя в нагрузку отдается наибольшая мощность;
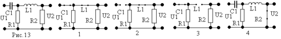
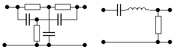
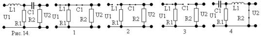
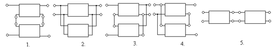
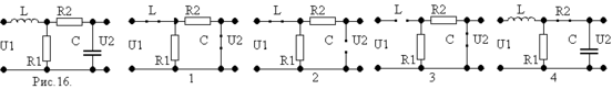
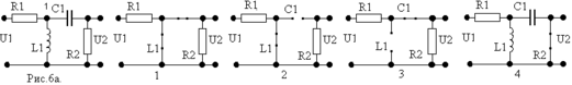
2. Это режим когда Rист >Rвх, Rвых 3. Это режим когда Rист Частотные характеристики цепи представляют собой: Зависимости параметров цепи от частоты гармонического сигнала. Амплитудно-частотная характеристика (АЧХ) комплексного параметра цепи это: Зависимость от частоты отношения гармонических амплитуд выходного и входного сигналов без учета начальных фаз; Годограф это: график комплексной функции, построенный в декартовой системе координат и представляющий собой геометрическое место точек, которые описывает конец вектора комплексной функции на комплексной плоскости при непрерывном изменении частоты от нуля до бесконечности. (АФХ); Годограф (АФХ) передаточной функции Ku(ω) = 1/(1 – jωRC) располагается на комплексной плоскости в четвертях: 1 Годограф (АФХ) передаточной функции Ku(ω) = 1 – jωRC располагается на комплексной плоскости в четвертях: 4 Годограф передаточной функции Ku(ω) = 1 + jωRC располагается на комплексной плоскости в четвертях: 1 Годограф (АФХ) передаточной функции Ku(ω) = 1/(1 + jωRC) располагается на комплексной плоскости в четвертях: 4 Комплексным параметром электрической цепи называют: Отношение комплексной амплитуды отклика к комплексной амплитуде воздействия. Частотной характеристикой электрической цепи называют: Отношение комплексной амплитуды отклика к комплексной амплитуде воздействия. Амплитудно-частотной характеристикой электрической цепи называют: Отношение амплитуды отклика к амплитуде гармонического воздействия, без учета начальных фаз. Фазово-частотной характеристикой электрической цепи называют: Зависимость от частоты сдвига по фазе между откликом и гармоническим воздействием. Амплитуды токов через реактивные элементы в последовательном колебательном контуре на резонансной частоте находятся в соотношении: 2. ImLImC.3. ImLImC. Амплитуды токов через реактивные элементы в параллельном колебательном контуре на резонансной частоте находятся в соотношении: ImL=ImC Амплитуды напряжений на реактивных элементах в последовательном колебательном контуре на резонансной частоте находятся в соотношении: UmL=UmC Число частотных характеристик электрической цепи: равно, числу параметров электрической цепи. Амплитуды напряжений на реактивных элементах в параллельном колебательном контуре на резонансной частоте находятся в соотношении: 2. UmLUmC.3. UmLUmC. Число параметров и частотных характеристик двухполюсника равно: два Число параметров и частотных характеристик четырехполюсника равно: двенадцать Фазовый сдвиг между напряжением и током на резонансной частоте на входе последовательного колебательного контура: =0 Характеристическое сопротивление колебательного контура показывает: 1. сопротивление источника сигнала. 2. сопротивление реактивного элемента на резонансной частоте. 3. сопротивление реактивного элемента на частоте воздействующего сигнала. 4. сопротивление резистивных потерь контура: Напряжение на реактивных элементах последовательного колебательного контура на резонансной частоте равно: Ux=Im Фазовый сдвиг между напряжением и током на резонансной частоте на входе параллельного колебательного контура: 1. =0.2. 0.3. 0. При подключении резистора параллельно с конденсатором последовательного колебательного контура его добротность: увеличится. При подключении резистора последовательно с элементами последовательного колебательного контура его добротность: уменьшится. При подключении резистора параллельно с конденсатором параллельного колебательного контура его добротность: уменьшится. Для максимальной добротности последовательного контура сопротивление источника сигнала Ri и сопротивление нагрузки Rн должны удовлетворять условиям: Ri=0, Rн→∞. Для максимальной добротности параллельного контура сопротивление источника сигнала Ri и сопротивление нагрузки Rн должны удовлетворять условиям: Ri=→∞, Rн→∞. Добротность Q, полоса пропускания S и резонансная частота f0 контура связаны соотношением: Q=f0/S Собственные колебания медленнее затухают в колебательном контуре: 1. Узкополостном. 2. Широкополостном. 3. Затухание не зависит от полосы пропускания колебания контура. Большей добротностью обладает колебательный контур: 1. узкополосный. 2. широкополосный. 4. их добротность одинакова. Сопротивление последовательного колебательного контура на резонансной частоте: резистивное, минимальной величины. Резонанс в последовательном колебательном контуре называется резонансом: напряжений Резонанс в параллельном колебательном контуре называется резонансом: токов Характер сопротивления последовательного контура на частоте меньше резонансной: емкостной. Характер сопротивления последовательного контура на частоте равной резонансной: резистивный. Сопротивления последовательного контура на частоте больше резонансной имеет характер: Индуктивный. Сопротивления параллельного контура на частоте меньше резонансной имеет характер: Индуктивный. Сопротивления параллельного контура на частоте больше резонансной имеет характер: Емкостное. Сопротивление параллельного контура на резонансной частоте: Резистивное, максимальной величины. Каково назначение колебательных контуров частотная избирательность. Избирательность колебательного контура определяется: полосой пропускания. В электротехнике под резонансом понимают не амплитудный, а фазовый потому что: Амплитуды напряжений на реактивных элементах достигают максимума на разных частотах. Под фазовым резонансом для цепи с комплексным сопротивлением Z=R+jX понимают: условие, при котором напряжение и ток находятся в одной фазе. Под термином амплитудный резонанс понимают: Резкое увеличение амплитуды тока или напряжения на резонансной частоте на элементах цепи по отношению к амплитуде на других частотах; В колебательном контуре обязательно присутствуют: конденсатор и катушка индуктивности. Термин "обобщенная расстройка колебательного контура" означает: а= (ωL – 1/(ωC)) /R ≈ Q2Δω/ω0. Термин "абсолютная расстройка колебательного контура" означает: Δω=ω – ω0. Термин "относительная расстройка колебательного контура" означает: δω=(ω – ω0) /ω0. . = Δω/ω0. Переходной процесс в электрической цепи связан: с изменением энергетического состояния энергоемких элементов. 2. Показать запись законов коммутации для реактивных элементов: IL(-0) = IL(+0),. Uc(-0) = Uc(+0). 3. Переходная характеристика электрической цепи это: Отклик на единичное ступенчатое воздействие. Колебательным контуром называется цепь: 1. в которой параметры элементов изменяются по гармоническому закону. 2. переходная характеристика которой, изменяется по гармоническому закону. 3. на которую воздействует гармонический сигнал. От чего зависит характер переходной характеристики (апериодический, колебательный, критический). 1. Добротности. 2. Резонансной частоты. 3 Операторная функции цепи К(р) связана с комплексной частотной характеристике К(jω) с помощью: Замены р на jω. Нарисовать схему замещения цепи (рис.3) при ω→0. 2 Нарисовать схему замещения цепи (рис.3) при ω→∞. 1 Нарисовать схему замещения цепи (рис.3) при ступенчатом входном сигнале когда t→∞. 2 Нарисовать схему замещения цепи (рис.3) при ступенчатом входном сигнале когда t→0. 1 На вход цепи (рис.3) воздействует гармоническое напряжение Ecosωt. Рассчитать амплитуду выходного напряжение при ω→∞: 0 На вход цепи (рис.3) воздействует гармоническое напряжение Ecosωt. Рассчитать амплитуду выходного напряжение при ω→0: E R2/(R1+R2) На вход цепи (рис.3) воздействует ступенчатое напряжение. Рассчитать выходное напряжение при t→0: 0 На вход цепи (рис.3) воздействует ступенчатое напряжение. Рассчитать вы ходное напряжение при t→∞: Нарисовать схему замещения цепи (Рис.6а) при ω→0: 2 Нарисовать схему замещения цепи (Рис.6а) при ω→∞: 3 Нарисовать схему замещения цепи (Рис.6а) при t→∞. 2 Нарисовать схему замещения цепи (Рис.6а) при t→0. 3 На вход цепи (Рис.6а) воздействует ступенчатое напряжение. Рассчитать выходное напряжение при t→0: E R1/(R1+R2) На вход цепи (Рис.6а) воздействует ступенчатое напряжение. Рассчитать выходное напряжение при t→∞: E R2/(R1+R2) На вход цепи (Рис.6а) воздействует гармоническое напряжение Ecosωt. Рассчитать амплитуду выходного напряжение при ω→0 E R2/(R1+R2) На вход цепи (Рис.6а) воздействует гармоническое напряжение Ecosωt. Рассчитать амплитуду выходного напряжение при ω→∞ E R1/(R1+R2) Нарисовать схему замещения цепи (рис.13) при ω→0. 2 Нарисовать схему замещения цепи (рис.13) при ω→∞. 3 Нарисовать схему замещения цепи (рис.13) при t→∞. 2 Нарисовать схему замещения цепи (рис.13) при t→0: 3 На вход цепи (рис.13) воздействует ступенчатое напряжение. Рассчитать выходное напряжение при t→0: E R1/(R1+R2) На вход цепи (рис.13) воздействует ступенчатое напряжение. Рассчитать выходное напряжение при t→∞: E R2/(R1+R2) На вход цепи (рис.13) воздействует гармоническое напряжение Ecosωt. Рассчитать амплитуду выходного напряжение при ω→0: E R2/(R1+R2) На вход цепи (рис.13) воздействует гармоническое напряжение Ecosωt. Рассчитать амплитуду выходного напряжение при ω→∞: E R1/(R1+R2) Нарисовать схему замещения цепи (рис.16) при ω→0. 2 Нарисовать схему замещения цепи (рис.16) при ω→∞. 3 Нарисовать схему замещения цепи (рис.16) при t→∞. 2 Нарисовать схему замещения цепи (рис.16) при t→0. 3 На вход цепи (рис.16) воздействует ступенчатое напряжение. Рассчитать выходное напряжение при t→0. E R1/(R1+R2) На вход цепи (рис.16) воздействует ступенчатое напряжение. Рассчитать вы ходное напряжение при t→∞. На вход цепи (рис.16) воздействует гармоническое напряжение Ecosωt. Рассчитать амплитуду выходного напряжение при ω→∞. E R1/(R1+R2) На вход цепи (рис.16) воздействует гармоническое напряжение Ecosωt. Рассчитать амплитуду выходного напряжение при ω→0 E R2/(R1+R2) Нарисовать схему замещения цепи (рис.14) при ω→0. 3 Нарисовать схему замещения цепи (рис.14) при ω→∞. 2 Нарисовать схему замещения цепи (рис.14) при t→∞. 3 Нарисовать схему замещения цепи (рис.14) при t→0. 2 На вход цепи (рис.14) воздействует ступенчатое напряжение. Рассчитать выходное напряжение при t→0. E R2/(R1+R2) На вход цепи (рис.14) воздействует ступенчатое напряжение. Рассчитать вы ходное напряжение при t→∞. E R1/(R1+R2) На вход цепи (рис.14) воздействует гармоническое напряжение Ecosωt. Рассчитать амплитуду выходного напряжение при ω→∞. E R2/(R1+R2) На вход цепи (рис.14) воздействует гармоническое напряжение Ecosωt. Рассчитать амплитуду выходного напряжение при ω→0 E R1/(R1+R2) Переходные процессы в линейных электрических цепях первого порядка описываются: нелинейными дифференциальными уравнениями первого порядка; Закон коммутации в электрической цепи с индуктивностью записываются в виде: 1) iL(0+) = iL(0-); Закон коммутации в электрической цепи с емкостью имеет следующий вид: uс(0+) = uс(0-) Переходный процесс установления тока в электрической цепи первого порядка описывается выражением 1) i=A1e P1 t + A2e P2 t; 2) i=iуст. + Ae P t +; 3) i= A1e P1 t Постоянная времени интегрирующей RC-цепи определяется выражением =RC Постоянная времени интегрирующей RL-цепи определяется выражением =L/R. Переходные процессы в линейных электрических цепях второго порядка описываются: н Операторный (операционный) метод анализа электрических цепей основан на: Преобразование Лапласа; Если для дифференцирующей RC-цепи длительность импульса много меньшей, чем постоянная времени цепи, то цепь называется: 1. Дифференцирующая цепь; 2. Укорачивающая цепь; 3. Разделительная цепь; 4. Интегрирующая цепь; Какой характер будет иметь дифференцирующая RC-цепь при длительности импульса много большей, чем постоянная времени цепи? а) Дифференцирующая цепь; в) Разделительная цепь Какой характер будет иметь дифференцирующая RC-цепь при длительности импульса больше (соизмеримой), чем постоянная времени цепи? Укорачивающая цепь Для анализа сигналов с бесконечно большой энергией обычно применяют: Преобразование Фурье При спектральном анализе электрических цепей и сигналов применяется: Преобразование Фурье Показать диаграмму напряжения на выходе RC-цепи (рис.7а), при подаче на вход последовательности прямоугольных импульсов напряжения: 4 Показать диаграмму тока в RC-цепи (рис.7а), при подаче на вход последовательности прямоугольных импульсов напряжения: 1.2.3.4. Показать диаграмму напряжения на выходе RC-цепи (рис.8а), при подаче на вход последовательности прямоугольных импульсов напряжения: 1.2.3.4. Показать диаграмму тока в RC-цепи (рис.8а), при подаче на вход последовательности прямоугольных импульсов напряжения: 1.2.3.4. Показать диаграмму напряжения на выходе RL-цепи (рис.11), при подаче на вход последовательности прямоугольных импульсов напряжения: 1.2.3.4. Показать диаграмму тока в RL-цепи (рис.11), при подаче на вход последовательности прямоугольных импульсов напряжения: 1.2.3.4. Показать диаграмму напряжения на выходе RL-цепи (рис.12), при подаче на вход последовательности прямоугольных импульсов напряжения: 1.2.3.4. Показать диаграмму тока в RL-цепи (рис.12), при подаче на вход последовательности прямоугольных импульсов напряжения: 1.2.3.4. Показать входной ток в цепи (Рис.10) при подаче на вход единичного ступенчатого напряжения. П 1.2.: 3.4. Показать отклик U2 цепи (Рис.10) при подаче на вход единичного ступенчатого напряжения. 1.2.3.4. П 1.2.3.4. П 1.2.3.4. Теория четырехполюсников позволяет проводить анализ цепи, если известны: воздействия и параметры четырехполюсника определенные в режиме холостого хода и или короткого замыкания; Основными уравнениями четырехполюсника называют уравнения, которые устанавливают связь, между: откликами и воздействиями; Основными параметрами четырехполюсника называют: коэффициенты, входящие в основные уравнения четырехполюсника; Число пар основных уравнений четырехполюсника: шесть Четырехполюсники называются пассивными, если они: не содержат источников сигнала. Четырехполюсники считают эквивалентными, если они: при замене одного другим не изменяют входных и выходных токов и напряжений. Четырехполюсники называются симметричными, если при перемене местами входных и выходных зажимов он будут функционировать так же, как и раньше; Четырехполюсники называются автономными если они: не содержат источников сигнала. Четырехполюсники называются неавтономными если они: содержат только зависимые источники сигнала. Максимальная амплитуда напряжения на нагрузке выделяется в режиме согласования: по напряжению Записать условие согласования источника сигнала с нагрузкой по критерию выделения в нагрузке максимальной мощности (Рис.6). Ri = Rн. З 1. Ri = Rн. 2. Ri < Rн. 3. Ri > Rн. 4. Ri << Rн. Записать условие согласования источника сигнала с нагрузкой по критерию получения на нагрузке максимальной мощности напряжения (рис.7). Ri = Rн. З Ri = Rн. Условие режима холостого хода четырехполюсника на выходе: I2=0. Условие режима холостого хода четырехполюсника на входе: I1=0. Условие режима короткого замыкания четырехполюсника на выходе: U2=0. Условие режима короткого замыкания четырехполюсника на входе U1=0. Показать Т-образную схему замещения: 1 Показать П-образную схему замещения: 2 Показать Г-образную схему замещения: 3 Показать последовательно-параллельное соединение четырехполюсников: 3 Показать последовательно-последовательное соединение четырехполюсников: 1 Показать параллельно-параллельное соединение четырехполюсников: 2 Показать параллельно-последовательное соединение четырехполюсников: 4 Показать каскадное соединение четырехполюсников: 5 Фильтры электрических сигнала предназначены для: Выделение сигналов в заданном диапазоне частот и подавление в остальном диапазоне. Передачу сигнала через фильтр характеризуют: коэффициентом передачи сигнала; Коэффициент передачи фильтра вида 10lgK дБ характеризует передачу сигнала по: напряжению Диапазон частот, в котором коэффициент передачи по напряжению и коэффициент затухания в идеальных фильтрах равны единице, называют: Полоса пропускания; Полосой пропускания для идеального фильтра называют диапазон частот в котором: Ku(ω) =1, αu(ω) =1. Полосой затухания для идеального фильтра называют диапазон частот в котором: Ku(ω) =0, αu(ω) =∞. Частота среза (граничная частота) фильтра это: Условная частота, разделяющая полосы пропускания и заграждения, на которой коэффициент пропускания составляет 0.707 от максимального значения; Скорость спада в полосе задержания фильтра определяется как: –20lgKu(fгр) /Ku(10fгр). Фильтры, которые выделяют низкочастотные составляющие сигнала, называются: ФНЧ Фильтры, которые выделяют сигнал только в определенном диапазоне частот, называются: ППФ; Фильтры, которые выделяют высокочастотные составляющие сигнала, называются: ФВЧ; Фильтры, которые подавляют сигналы в заданном диапазоне частот, называются: ПЗФ. Показать АЧХ ФНЧ (идеального). 1 Показать АЧХ ФНЧ (реального). 2 Показать АЧХ режекторного фильтра. 5 Показать АЧХ идеального ФВЧ. 3 Показать АЧХ реального ФВЧ. 4 Рассчитывается комплексный коэффициент передачи N-звенного фильтра, если звенья одинаковы, обладают комплексным коэффициентом передачи Ki(jω) и согласованы по напряжениям: 1. KN(jω) = 2. KN(jω) = 3. KN(jω) =F [Ki(jω)] Как рассчитывается комплексный коэффициент передачи N-звенного фильтра если звенья одинаковы, обладают комплексным коэффициентом передачи Ki(jω), но не согласованы по напряжениям. 1. KN(jω) = 2. KN(jω) = 3. KN(jω) =F [Ki(jω)] К какой группе фильтров относятся схемы, приведенные на рисунках: ФНЧ К какой группе фильтров относятся схемы, приведенные на рисунках: ФВЧ К какой группе фильтров относятся схемы, приведенные на рисунках: ПФ К какой группе фильтров относятся схемы, приведенные на рисунках: РФ Под термином "цепи с распределенными параметрами" понимают: 1. Цепи, геометрические размеры элементов которых соизмеримы или больше длины электромагнитной волны сигнала, проходящего по ним; 2. цепи, геометрические размеры отдельных элементов которых много меньшие длины электромагнитной волны сигнала, проходящего по ним; 3. цепи, в которых отдельные элементы могут выполнять ряд различных функций; 2. Под термином "цепи с сосредоточенными параметрами" понимают: 1. Цепи, геометрические размеры элементов которых соизмеримы или больше длины электромагнитной волны сигнала, проходящего по ним; 2. цепи, геометрические размеры отдельных элементов которых много меньшие длины электромагнитной волны сигнала, проходящего по ним; 3. цепи, в которых отдельные элементы могут выполнять ряд различных функций; 3. Волна от источника сигнала в бесконечной длинной линии распространяется в: 1. В обе стороны от источника; 2. в направлении перпендикулярном длинной линии; 3. в одну сторону от источника сигнала; Волна от источника сигнала в полубесконечной длинной линии распространяется в: 1. В обе стороны; 2. в направлении перпендикулярном длинной линии; 3. в одну сторону; Под термином "длинная линия" понимают: 1. линию связи, которую необходимо рассматривать как цепь с распределенными параметрами. 2. линию связи, которую необходимо рассматривать как цепь с сосредоточенными параметрами. 3. цепи, геометрические размеры отдельных элементов которых много меньшие длины электромагнитной волны сигнала, проходящего по ним; Длинную линию называют однородной если: 1. погонные параметры зависят от координаты х; 2. погонные параметры не зависят от координаты х; 3. погонные параметры зависят от времени; 4. погонные параметры не зависят от времени. Длинную линию называют неоднородной если: 1. погонные параметры зависят от координаты х; 2. погонные параметры не зависят от координаты х; 3. погонные параметры зависят от времени; 4. погонные параметры не зависят от времени. В длинной линии без потерь погонные параметрыe удовлетворяют условиям: 1. L0=G0=0, 2. C0=R0=0, 3. R0=G0=0, 4. R0 >0, G0. >0, В длинной линии с потерями погонные параметры удовлетворяют условиям: 1. L0=G0=0, 2. R0=G0=0, 3. R0 >0, G0. >0, 4. L0=C0=0. В бесконечной длинной линии возникает: 1. Две волны: падающая и отраженная; 2. Две волна: прямая и обратная; 3. Одна волна – падающая; 4. Одна волна – отраженная. В полубесконечной длинной линии возникает: 1. Две волны: падающая и отраженная; 2. Две волна: прямая и обратная; 3. Одна волна – падающая; 4. Одна волна – отраженная. В длинной линии конечной длины возникает: 1. Две волны: падающая и отраженная; 2. Две волна: прямая и обратная; 3. Одна волна – падающая; 4. Одна волна – отраженная. К волновым параметрам длинной линии относятся: 1. Погонные. 2. Волновое число, волновое сопротивление, коэффициент распространения. 3. Коэффициент бегущей волны и коэффициент стоячей волны. 4. Коэффициенты отражения К первичным параметрам длинной линии относятся: 1. Погонные. 2. Волновые. 3. Коэффициент бегущей волны и коэффициент стоячей волны. 4. Коэффициенты отражения. К вторичным параметрам длинной линии относятся: 1. Погонные. 2. Волновые. 3. Коэффициент бегущей волны и коэффициент стоячей волны. 4. Коэффициенты отражения. К погонным параметрам длинной линии относятся: 1. параметры, отнесенные к единице длины линии. 2. Волновые. 3. Коэффициент бегущей волны и коэффициент стоячей волны. 4. Коэффициенты отражения. Вследствие интерференции падающей и отраженной волн возникает: 1. Изменение частоты отраженной волны; 2. Узлы и пучности; 3. Изменение направления распространения отраженной волны. В полубесконечной длинной линии возникает режим: 1. бегущих волн; 2. отраженных волн; 3. поглощенных волн; 4. стоячих волн; В линии конечной длины при работе на согласованную нагрузку возникает режим: 1. бегущих волн; 2. Режим отраженных волн; 3. Режим поглощенных волн; 4. Режим стоячих волн; 6. Импульсные сигналы в линейных цепях
. Характеристического сопротивления.
елинейными дифференциальными уравнениями первого порядка;
оказать отклик U2 цепи (Рис.9) при подаче на вход единичного ступенчатого напряжения.
оказать ток в цепи (Рис.13) при подаче на вход единичного ступенчатого напряжения.
оказать выходное напряжения цепи (Рис.13) при подаче на вход единичного ступенчатого напряжения. 7. Основы теории четырехполюсников
аписать условие согласования источника сигнала с нагрузкой по критерию получения на нагрузке максимального напряжения (Рис.6).
аписать условие согласования источника сигнала с нагрузкой по критерию получения на нагрузке максимальной мощности (рис.7).
8. Фильтры электрических сигналов
.
.
.
.
9. Цепи с распределенными параметрами
















