150090 (580415), страница 3
Текст из файла (страница 3)
Конденсаторные батареи включают непосредственно в зажимы электродвигателей на групповом распределительном щите или на стороне низкого (высокого) напряжения трансформаторной подстанции по схеме "треугольник". Чтобы определить необходимую емкость конденсаторов для повышения коэффициента мощности установки от cos 1 = cos H до cos 2 > cos TP, следует пользоваться следующей формулой:
где С - электрическая емкость, Ф (Фарада); Р - средняя активная потребляемая мощность электродвигателя, Вт; Р = Рн электродвигателя; - угол сдвига фаз до компенсации; 2 - угол сдвига фаз после компенсации;
- угловая частота,
= 2πf; f- частота сети (принимаем равной 50 Гц); UФ - фазное напряжение, В.
Расчет. К сети переменного тока напряжением 380 В подключен электродвигатель мощностью 3 кВт, работающий с коэффициентом мощности cos 1 = 0,88. Требуется определить, какая нужна емкость батареи конденсаторов для повышения коэффициента мощности данного электродвигателя до cos 2 = 0,94.
Решение:
1 = 28021' tg1 = 0,54; 2 = 19°57' ; tg 2 = 0,363.
Тогда
Реактивная мощность конденсатора
кВАр.
ОПРЕДЕЛЕНИЕ РАСХОДА ЭЛЕКТРИЧЕСКОЙ ЭНЕРГИИ ЗА ОДИН МЕСЯЦ НЕПРЕРЫВНОЙ РАБОТЫ
Если все три счетчика соединены с трансформаторами тока, имеющими одинаковый коэффициент трансформаций К, то общий расход электроэнергии
Показания счетчиков на 1 января:
первого - 902 кВт/ч,
второго - 640 кВт/ч,
третьего - 890 кВт/ч.
Показания тех же счетчиков на 1 февраля:
первого - 932 кВт/ч,
второго - 690 кВт/ч,
третьего - 950 кВт/ч.
Счетчики подключены к трансформаторам тока ТCM-20/6 (прил. 15). Необходимо определить расход электроэнергии за январь.
Счетчики за истекший месяц зарегистрировали следующий расход электроэнергии:
1-й счетчик: 932 - 902 = 30 кВт/ч;
2-й счетчик: 690 -640 = 50 кВт/ч;
3-й счетчик: 950 -890 = 60 кВт/ч.
Подставив полученный расход электроэнергии в формулу, получим общий расход электроэнергии с учетом коэффициента трансформации К
= 140 • 20 / 6 = 140 • 10 = 466, 67 кВт/ч.
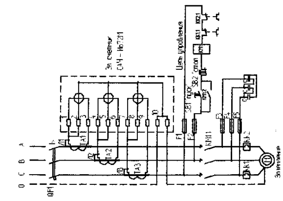
Рис. 2. Схема нереверсивного управления асинхронным электродвигателем с короткозамкнутым ротором: Р1 и Р2 - предохранители в цепи управления; РЗ, Р4, Р5 - предохранители в цепи батареи конденсаторов; рР1 - автоматический выключатель; ТА1, ТА2, ТАЗ; - измерительные трансформаторы тока; КМ - магнитный пускатель; КК1, КК2 - тепловые реле магнитного пускателя; М - асинхронный электродвигатель; С - батареи конденсаторов
















