148257 (580366), страница 2
Текст из файла (страница 2)
Н момент t4 блок БУ вырабатывает сигнал начальной установки, по которому запрещается работа устройств перегонного оборудования до захода следующего поезда в зону контроля напольных устройств.
Для связи обслуживающего персонала во время проведения ремонтно-профилактических работ между помещением для постового оборудования и помещением пункта регистрации данных организуется телефонная связь.
Временная диаграмма для заданного варианта представлена на рис 2.
Задача 2
Построить временную диаграмму работы устройства отметки прохода физических подвижных единиц аппаратуры ПОНАБ-3 с учетом неисправности одного из функциональных элементов (отсутствие сигнала на входе).
Номер прошедшего после локомотива 4-х осного вагона----- 2
Неисправный элемент схемы --------------------------------------- Т3
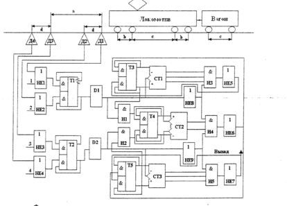
Устройство предназначено для выработки сигнала отметки прохода колес вагона или секции локомотива над датчиками Д1—Д4 независимо от количества осей в подвижной единице (до 14 осей). Устройство размещается в блоке отметчика вагонов стойки аппаратуры и включает логические схемы НЕ1— НЕ9 и И1—И5, триггеры Т1—Т5, схемы задержки времени D1— D2, трехразрядные реверсивные двоичные счетчики СТ1 и СТЗ и двухразрядный реверсивный двоичный счетчик СТ2 (рис. 3).
Рис 3.Функциональная схема устройства отметки прохода физических подвижных единиц
Принцип работы устройства основан на определении моментов времени, когда в зоне между датчиками Д1 и ДО находится группа осей одной тележки подвижной единицы и когда эта зона освобождается после прохода первой группы осей. Одним из условий распознавания физических подвижных единиц по этому принципу является симметричность расположения групп осей в каждой подвижной единице, т. е. количество осей в каждой тележке должно быть одинаковым. Это условие соблюдается для всех типов грузовых и пассажирских вагонов, для секций электровозов и тепловозов отечественного подвижного состава.
Согласно другому условию максимально возможное расстояние между двумя соседними осями в одной группе осей подвижных единиц b должно быть меньше минимально возможного расстояния между крайними внутренними осями с. Максимальное значение расстояния b равно для отечественного подвижного состава 3300 мм (локомотивов), а минимальное значение расстояния с — 3800 мм (двухосный крытый вагон).
Датчики прохода колес Д1 и ДО размещаются на расстоянии а, которое меньше минимально возможного расстояния Сmin и больше максимально возможного расстояния bmax подвижных единиц, т. е. должно соблюдаться условие
bmax < a < Сmin
В аппаратуре ПОНАБ-3 величина расстояния, а выбрана равной 3600 мм. Расстояние d между датчиками Д1, Д2 и ДЗ, Д4 равно 500 мм. Для работы устройства отметки прохода подвижных единиц важным является то, что расстояния между датчиками Д1—Д2 и ДЗ—Д4 не должно быть больше минимально возможного расстояния между соседними осями подвижных единиц.
Работа устройства поясняется временной диаграммой (рис 4).
При проходе колес подвижных единиц над датчиками Д1— Д4 двухполярные импульсные сигналы с датчиков Д1—Д2 поступают на входы схем НЕ1—НЕ2 первого формирователя сигналов, а с датчиков ДЗ—Д4 — на входы схем НЕЗ—НЕ4 второго формирователя. Каждый формирователь содержит триггер (Т1 или Т2) и схему задержки (D1 или D2). Когда колесная пара проходит датчик Д1 (ДЗ), схема НЕ1 (НЕЗ) по отрицательному сигналу с датчика вырабатывает импульс положительной полярности, который подается на единичный вход триггера Т1 (Т2). Триггер до этого момента был установлен в состояние «О» сигналом начальной установки (СНУ), а при поступлении сигнала с выхода схемы НЕ1 (НЕЗ) занял состояние «1» (момент t1 или t2 на временной диаграмме). При этом запускается схема задержки D1 (D2), которая вырабатывает отрицательный импульс длительностью около 5 мс.
При проходе этой же колесной пары над датчиком Д2 (Д4) положительный импульс с НЕ2 (НЕ4) подается на нулевой вход триггера Т1(Т2) и триггер опрокидывается в состояние «О». При проходе других колес над датчиками Д1—Д4 работа схемы повторяется. Таким образом, при проходе каждой колесной нары над Д1—Д2 на выходе схемы D1 формируется импульс в момент поступления сигнала сдатчика Д1, а при проходе колес над ДЗ—Д4 на выходе схемы D2 формируется импульс в момент поступления сигнала с датчика ДЗ. Такое построение схемы позволяет избежать подачи на вход устройства нескольких сигналов от датчика при проходе в его зоне одной колесной пары. Когда за счет наводки от импульсов тягового тока в рельсах, вибраций датчика при проходе колес на выходе его появляются сигналы помехи, которые по времени отстоят недалеко от сигналов, вырабатываемых датчиком, то триггер Т1 (Т2) опрокинется в единичное состояние только один раз, что приведет к подаче на устройство с выхода схемы Dl (D2) только одного импульса. Если сигналы помех с датчика Д1 (ДЗ) прекращаются до момента захода колеса в зону действия датчика Д2 (Д4), то сбоя в работе устройства не произойдет.
До момента захода поезда на участок контроля устройство отметки прохода физических подвижных единиц находится в исходном состоянии, так как на ряд его элементов подается сигнал СНУ. При этом триггеры ТЗ, Т4, Т5 и двоичные счетчики СТ1, СТ2, СТЗ установлены в нулевое состояние, счетчики открыты по входам сложения, а логические схемы совпадения на два входа И1 и И2 открыты по одним входам с нулевых выходов триггеров ТЗ и Т5 соответственно. Схемы ИЗ—И5 открыты по всем четырем входам сигналами с выходов счетчиков и схем НЕ8, НЕ9.
Рис 4 Временная диаграмма работы устройства отметки прохода физических подвижных единиц
При движении по участку контроля первой четырехосной подвижной единицы поезда (локомотива) состояние двоичных разрядов счетчиков после прохода колесных пар над датчиками Д1 и ДЗ приведено ниже.
Когда колесная пара проходит датчик Д1, сигнал с выхода схемы задержки времени D1 поступает на вход И1, НЕ8 и счетчик СТ1, который подсчитывает единицу. С первого разряда счетчика на вход схемы ИЗ подается нулевой потенциал, закрывающий ее по одному из входов. На время действия импульса схемы задержки времени (5 мс) ИЗ дополнительно закрывается и по входу, подключенному к выходу схемы НЕ8. За счет кратковременного закрытия одного из входов ИЗ, И4 или И5 с выходов НЕ8 и НЕ9 удается избежать выработки «ложных» сигналов при неодновременном опрокидывании триггеров счетчиков СТ1— СТЗ, т.е. когда сигналы разрешения поступают на все входы схемы ИЗ (И4 или И5), а в счетчике СТ1 (СТ2 или СТЗ) хранится число, отличное от нуля.
Сигнал от прохода первого колеса над датчиком Д1 поступает на вход схемы И1. Выходной сигнал с И1 подается на единичный вход триггера Т4 и на вход счетчика СТ2. Триггер опрокидывается в состояние «1», коммутирует счетчик СТ2 на сложение и счетчик подсчитывает также один импульс. Схема И4 закрывается по одному из входов со счетчика СТ2 и потенциал на выходе схемы НЕ6 изменяется с нулевого на отрицательный.
Когда над датчиком Д1 проходит вторая колесная пара подвижной единицы, счетчики СТ1 и СТ2 подсчитывают, еще по одному импульсу и хранят число два. Затем колесные пары первой группы осей проходят над датчиком ДЗ и сигналы со схемы D2 подаются на входы И2, НЕ9 и счетчик СТЗ. Счетчик СТЗ включен на сложение с триггера Т5 и подсчитывает импульсы при проходе каждого колеса над датчиком ДЗ. Схема И2 открыта по одному входу отрицательным напряжением с нулевого выхода Т5. При поступлении на другой вход схемы И2 сигнала с D2 (момент t2) на ее выходе появляется импульс длительностью 5 мс. По этому импульсу триггер Т4 опрокидывается в состояние «О», коммутирует счетчик СТ2 на вычитание и происходит вычитание единицы из числа, хранящегося в счетчике. При проходе второго колеса над датчиком ДЗ счетчик СТЗ подсчитывает еще единичный импульс, а счетчик СТ2 устанавливается в нулевое состояние. Таким образом, после прохода над датчиками Д1—ДЗ первой группы осей в счетчиках СТ1 и СТ2 хранится число осей, прошедших над датчиками Д1 и ДЗ соответственно, а счетчик СТ2 устанавливается в нулевое состояние, когда последняя колесная пара первой группы осей проходит датчик ДЗ.
В момент сбрасывания счетчика СТ2 в нулевое состояние (t3 на временной диаграмме) на всех четырех входах схемы И4 появляется отрицательное напряжение и потенциал на выходе этой схемы изменяется с нулевого на отрицательный, а на выходе схемы НЕ6 — с отрицательного на нулевой. Этот сигнал подается на единичные входы триггеров ТЗ и Т5 и триггеры опрокидываются в состояние «1», переключая счетчики СТ2 и СТЗ со сложения на вычитание. При этом схемы И1 и И2 закрываются по одним входам с триггеров ТЗ и Т5 и при проходе осей второй группы над датчиками Д1 и ДЗ импульсы на счетчик СТ2 не поступают.
При проходе третьего колеса подвижной единицы над датчиком Д1 импульс со схемы D1 поступает на вход счетчика СТ1 к производится вычитание единицы из числа, хранящегося в счетчике. Затем четвертое колесо проходит над датчиком Д1 и из счетчика СТ1 вычитается еще единица. В этот момент (t4 на временной диаграмме) счетчик СТ1 устанавливается в нулевое состояние и на выходе схемы НЕ5 появляется сигнал, по которому триггер ТЗ опрокидывается в состояние «О», коммутируя счетчик СТ1 на сложение и открывая вход схемы И1. С этого момента сигналы датчика Д1 от прохода первой группы осей второй подвижной единицы могут поступать на входы счетчиков СТ1 и СТ2. Такая ситуация возможна в том случае, когда расстояние между крайними осями двух соседних подвижных единиц меньше расстояния между датчиками Д1 и ДЗ,
Когда третья и четвертая колесные пары подвижной единицы проходят датчик ДЗ, последовательно вычитаются две единицы из счетчика СТЗ и счетчик сбрасывается в нулевое состояние момент t5). При этом по сигналу с НЕ7триггер Т5 опрокидывается в состояние «О», счетчик СТЗ переключается на сложение и открывается один вход схемы И2. Сигналы с датчика ДЗ от прохода колес второй подвижной единицы поступают на входы счетчиков СТ2 и СТЗ. Далее работа схемы повторяется.
Таким образом, t4 является моментом прохода четвертой колесной пары подвижной единицы над датчиком Д1, а t5 — соответственно моментом прохода этой же колесной пары над датчиком ДЗ. В аппаратуре ПОНАБ-3 выходной сигнал с устройства отметки прохода подвижных единиц снимается в момент времени t5, так как к этому времени уже закончена логическая обработка сигналов от букс третьей и четвертой колесных пар. Выходной сигнал с НЕ7 подается в блок управления, и по нему формируются импульсы длительностью 16 и 22 мс.
Емкость счетчиков СТ1 и СТЗ выбрана равной трем двоичным разрядам. Это позволяет накапливать до семи импульсов от прохода колесных пар одной группы осей, а следовательно, можно распознавать физические подвижные единицы с числом осей до 14 (многоосные транспортеры). Емкость счетчика СТ2 выбрана равной двум двоичным разрядам из условия, что между датчиками Д1 и ДЗ не может находиться более трех осей подвижной единицы. В режиме проверки исправности устройства сигналы от ПЗУ подаются на входы 1—4 схем НЕ1—НЕ4. По этим сигналам имитируется проход колес четырехосного вагона над датчиками Д1—Д4. В случае правильного функционирования устройства с выхода схемы НЕ7 выдается сигнал отметки прохода контрольного вагона.
Для данных заданных по варианту построим временную диаграмму.
Временная диаграмма представлена на рисунке 5
Временная диаграмма при проходе локомотива и первого вагона будет как на рис 4
При неисправности Т3 тригер не опрокинется в состояние 1 не переключит счетчики СТ1 И СТ3 со сложения на вычитание . Схемы И1 и И2 не закроются и при проходе осей второй группы над датчиками Д1,Д3 импульсы будут поступать на счетчик СТ2. Выходной сигнал с НЕ7 не подается в блок управления.
Рис 5. Временная диаграмма работы устройства отметки прохода физических подвижных единиц при неисправности Т3
Задача 3
Привести описание проверки и регулировки узлов и блоков аппаратуры ПОНАБ-3
Нуждающиеся проверке и регулировке узлов и блоков аппаратуры ПОНАБ-3--------- Устройства приемоусилительного тракта
Устройства приемоусилительного тракта предназначены для улавливания инфракрасной энергии излучения корпусов, букс, преобразования ее в электрические импульсные сигналы и усиления последних до требуемой величины. В состав ПОНАБ-3 включены два приемоусилительных тракта для правой и левой сторон поезда. Каждый приемоусилительный тракт включает в себя приемник инфракрасного излучения (иммерсионный терморезисторный болометр типа БП1-2), предварительный и оконечный усилители и источник питания болометра. Болометр, предварительный усилитель и источник питания болометра размещаются в приемной капсуле напольной камеры, а оконечный усилитель — в блоке усиления стойки аппаратуры.
Болометр БП1-2 совмещает приемник инфракрасного излучения (терморезисторные элементы) и приемную оптику. Принцип действия болометра основан на изменении электрического сопротивления терморезисторного элемента за счет падающего лучистого потока.
Линза болометра БП1-2 выполнена из германия, пропускающего инфракрасное излучение с длиной волны от 1,7 до 15 мкм. Линза впаяна в держатель, который крепится к основанию при помощи тугой посадки. Таким же образом крепится основание в цоколе. Держатель линзы, основание и цоколь установлены в цилиндрическом корпусе из ковара. Наружный диаметр корпуса 17,6 мм, а длина 28 мм. Торцы держателя линзы и цоколя соединяются с корпусом с помощью сварки, чем обеспечивается герметичность внутренней полости болометра.
















