147580 (580206), страница 2
Текст из файла (страница 2)
Рис. Электрическая схема соединений системы впрыска "L-Jetronic":
1 — разъем электронного блока управления, 2 — катушка зажигания, 3 — выключатель положения дроссельной заслонки, 4 — пусковая форсунка, 5 — реле пуска холодного двигателя (послестартовое реле), б — термореле, 7 — расходомер воздуха, 8 — датчик температуры поступающего воздуха, 9 — блок реле (питание системы впрыска и включение топливного насоса), 10 — топливный насос, 11 — аккумуляторная батарея, 12 — датчик температуры охлаждающей жидкости, 13—18 — рабочие форсунки (инжекторы), 19 — дополнительные резисторы, вариант без дополнительных резисторов показан штриховыми линиями ("LE-J"), 20 — главная точка соединения с "массой" (шпилька крепления впускного коллектора)
Перед соединением штепсельных разъемов проверьте состояние обеих частей штепселя и надежность фиксации сочленения разъема, убедитесь в наличии резинового уплотнителя и фиксирующей пружины;
разъедините разъем блока электронного управления впрыском 1, при электросварке кузова других узлов и деталей;
снимите электронный блок управления, если автомобиль будет подвергаться воздействию высоких температур (80°С и выше, например в;
сушильной камере при окраске кузова);
при измерении компрессии в цилиндрах двигателя отсоедините провода от форсунок, чтобы не допустить подачи топлива;
не проверяйте провода и их соединения контрольной лампой;
не вставляйте наконечники тестера в гнезда разъемов узлов системы впрыска, измерения разрешается производить на подводящих проводах, предварительно сняв защитный кожух разъема;
при проверке напряжения в цепях предварительно проверьте степень заряда аккумуляторной батареи;
при проверке тестером электрических характеристик приборов при соединении на "массу" отсоедините провода от аккумуляторной батареи.
Система впрыска "Mono-Jetronic"
"Mono-Jetronic" система впрыска управляемая электронным блоком управления. Система имеет одну на весь двигатель (греч. монос — один) магнитоэлектрическую форсунку, топливо, как и в системах "L-Jetronic", впрыскивается с интервалами.
Так как топливная форсунка расположена перед дроссельной заслонкой, практически на месте жиклера карбюратора, давление топлива в системе составляет всего около 1 кгс/см2. Регулятор давления системы расположен вблизи форсунки в центральном узле впрыска, где размещены также дроссельная заслонка, выключатель положения дроссельной заслонки, датчик температуры всасываемого воздуха.
Система "Mono-Jetronic", не имеет расходомера воздуха, поэтому соотношение масс воздуха и топлива здесь менее точное и определяется только положением дроссельной заслонки, температурой всасываемого воздуха и частотой вращения коленчатого вала.
Устройство, определяющее положение дроссельной заслонки, представляет собой в этой системе не выключатель с контактами (холостого хода, частичной нагрузки, полной нагрузки), а потенциометр, который информирует электронный блок управления о положении заслонки в данный момент времени.
Таким образом основное дозирование топлива, осуществляется, как отмечалось, по трем параметрам: положению дроссельной заслонки, температуре всасываемого воздуха и частоте вращения коленчатого вала двигателя. Корректировка позирования при холодном пуске и прогреве осуществляется электронным блоком управления по импульсам получаемым от датчиков температуры всасываемого воздуха, охлаждающей жидкости и потенциометра дроссельной заслонки. Последний корректирует дозировку и при полной нагрузке. Корректировка по токсичности отработавших газов идет по сигналам лямбда-зонда. Изменение дозирования происходит за счет увеличения или уменьшения времени впрыска при постоянном давлении топлива.
Электронный блок управления сглаживает колебания напряжения бортовой сети и осуществляет регулировку холостого хода. Регулировка холостого хода достигается вращением дроссельной заслонки специальным электродвигателем. При этом увеличивается или уменьшается количество воздуха в зависимости от отклонения мгновенного значения частоты вращения коленчатого вала от номинального значения, заложенного в память электронного блока управления. Блоком управления воспринимается и скорость вращения дроссельной заслонки. При режиме ускорения, рабочая смесь обогащается.
Система впрыска "Mono-Jetronic" может быть выполнена и в варианте, представленном на рис., с расходомером воздуха 1 и клапаном добавочного воздуха 4.
Рис. Схема системы впрыска "Mono-Jetronic":
1 — топливный бак, 2 — топливоподающий насос, 3 — топливный насос, 4 — топливный фильтр, 5 — узел центральной форсунки, 6 — регулятор холостого хода с шаговым электродвигателем, 7 — потенциометр дроссельной заслонки, 8 — лямбда-зонд, 9 — электронный блок управления впрыском, 10 — датчик температуры охлаждающей жидкости, 11 — прибор коммутирующий сигнал информации о частоте вращения коленчатого вала двигателя получаемый из системы зажигания, 12 — выключатель зажигания, 13 — аккумуляторная батарея, 14 — датчик-распределитель
Рис. Узел Центральной форсунки:
1 — регулятор давления топлива, 2 — датчик температуры всасываемого воздуха, 3 — электромагнитная форсунка, 4 — корпус форсунки и регулятора, 5 — корпус дроссельной заслонки, 6 — дроссельная заслонка
Рис. Схема системы впрыска "Mono-Jetronic":
1 — измеритель расхода воздуха, 2 — форсунка, 3 — блок электронного управления, 4 — клапан добавочного воздуха, 5 — датчик положения дроссельной заслонки (потенциометр), 6 — регулятор давления топлива в системе, 7 — топливный фильтр, 8 — топливный насос, 9 — датчик температуры охлаждающей жидкости
Объединенные системы впрыска и зажигания
Внедрение электроники в управление системами зажигания и питания привело к созданию объединенного или центрального электронного управления двигателем. Объединенное электронное устройство называют микроЭВМ, микропроцессор или контроллер.
У нас первые системы объединенного управления появились на карбюраторных автомобилях ВАЗ-2108, -2109 и назывались МСУД (микропроцессорная система управления двигателем). Системы эти выполняют довольно скромную задачу и предназначаются только для управления зажиганием (моментом и энергией искрообразования) и электромагнитным клапаном карбюратора.
Системы объединенного электронного управления впрыском (смесеобразованием) и зажиганием имеют следующие преимущества:
совмещение функций агрегатов и датчиков позволяет сократить их число;
процессы зажигания и смесеобразования оптимизируются совместно, при этом улучшаются характеристики крутящего момента, расхода топлива, состава отработавших газов, облегчается пуск и прогрев холодного двигателя;
открываются большие возможности для выполнения других функций: управление автоматической коробкой передач, противобуксовочной системой ведущих колес, антиблокировочной тормозной системой, кондиционером, противоугонным устройством и т.п.
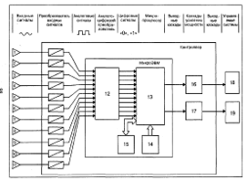
Прежде чем перейти к рассмотрению объединенной системы электронного управления обратим внимание на функциональную структуру этой системы и названия ее составных частей, (рис. 50).
В контроллер от датчиков поступают аналоговые сигналы 1—11, (см. рис. 50), (греч. аналогиа — соответствие, сходство, подобие). Или, другими словами, к контроллеру "подаются" не непосредственно температура, давление и т.д., а их электрический аналог — ток, с соответствующим образом изменяющимися параметрами (напряжение, сила).
В общем случае изменение токов и напряжений происходит непрерывно по тому или иному закону, например по синусоидальному. Интегральные схемы микропроцессоров ЭВМ характеризуются тем, что они работают в импульсном режиме и могут находиться только в одном из двух состояний — согласно используемой в современных ЭВМ двоичной системе счисления (только две цифры — ноль и единица). Поэтому сигналы датчиков сначала преобразуются в "более четкие" аналоговые сигналы, которые в свою очередь в аналого-цифровом преобразователе 12, (см. рис. 50), превращаются в цифровую информацию.
Рис. 50. Функциональная схема электронного управления двигателем входные сигналы:
1 — угловое положение коленчатого вала, 2 — частота вращения коленчатого вала двигателя, 3 — объем всасываемого воздуха, 4 — температура всасываемого воздуха, 5 — температура охлаждающей жидкости, 6 — напряжение аккумуляторной батареи, 7 — положение дроссельной заслонки, 8— информация о режиме пуска, 9 — жесткость сгорания, детонация, 10 — состояние двигателя, компрессия, 11 — лямбда-зонд. Элементы системы: 12 — аналого-цифровой преобразователь, 13 — микропроцессор, входные и выходные схемы, 14, 15 — постоянный и промежуточный блоки памяти, 16, 17 — каскады усиления, 18 — система питания, 19 — система зажигания
Микропроцессор 13 обрабатывает полученную информацию по программе заложенной в блоке памяти 14 с использованием блока оперативной памяти 15.
Выходные сигналы микроЭВМ не могут быть использованы для непосредственного управления зажиганием, форсунками, насосом в связи с их малой мощностью. Только после прохождения их через выходные каскады усиления 16, 17 они превращаются в команды (электрические сигналы) воздействующие на системы питания и зажигания.
СИСТЕМЫ "MOTRONIC"
Система "Motronic" является системой объединяющей электронные устройства смесеобразования и зажигания. В систему "Motronic" могут быть включены различные системы впрыска, например, "Мопо-Jetronic", "KE-Jetronic", " L-Jetronic" и т.д.
"MOHO-MOTRONIC"
На легковых автомобилях массового выпуска применяют более простые и дешевые системы, например, "Mono-Motronic", (рис. 51). Ее устанавливают на двигателях небольшого рабочего объема автомобилей малого и особо малого класса.
В системе "Mono-Motronic", в отличие от более сложных систем, основные сигналы зависят от положения дроссельной заслонки и частоты вращения коленчатого вала двигателя. Кроме того, учитываются сигналы от кислородного датчика, а также датчиков температуры охлаждающей жидкости и всасываемого воздуха. Рассчитанное микроЭВМ требуемое количество топлива посредством центральной электромагнитной форсунки периодически впрыскивается над дроссельной заслонкой и смешивается с воздухом. С учетом этих же данных, но по другой программе, управляющие импульсы подаются на катушку зажигания.
Система способна учитывать износ цилиндро-поршневой группы двигателя (падение компрессии) и изменение атмосферного давления. Если датчики начинают подавать ошибочные сигналы, информация об этом накапливается в памяти. Во время технического обслуживания она считывается диагностическим тестером, что позволяет быстро найти источник неисправности.
Рис. Система "Mono-Motronic":














