144235 (579952), страница 3
Текст из файла (страница 3)
7. И.В. Прозоров, Г.И. Николадзе, А.В. Минаев «Гидравлика, водоснабжение и канализация» М: Высшая школа 1990.
8. Кедров В.С., Ловцов Е.Г. Санитарно-техническое оборудование зданий. М.: Стройиздат, 1989.
9. Саргин Ю.Н. и др. Справочник проектировщика. Внутренние санитарно-технические устройства. Ч. 2. Водопровод и канализация. М.: Стройиздат, 1990.
10. Сомов М.А. Водопроводные системы и сооружение. М.: Стройиздат, 1988.
Приложения
Приложение 1
Приложение 2
Номограмма для определения потерь напора в трубах диаметрами 6-100 мм
Приложение 3
Таблица для гидравлических расчетов водопровода холодной воды (10 °С) из металлополимерных труб типа «Метапол»
| Q, л/с | d=16 мм | d=20 мм | d=26 мм | d=32 мм | d=40 мм | d=50 мм | ||||||||||
| V, м/с | 1000 i | v,м/с | 1000 i | V, м/с | 1000 i | V, м/с | 1000 i | V, м/с | 1000 i | V, м/с | 1000 i | |||||
| 0,02 | 0,194 | 9,43 | 0,114 | 2,73 | 0,064 | 0,72 | 0,038 | 0,22 | 0,024 | 0,08 | 0,016 | 0,03 | ||||
| 0,04 | 0,389 | 30,09 | 0,228 | 8,53 | 0,128 | 2,21 | 0,076 | 0,66 | 0,043 | 0,23 | 0,032 | 0,09 | ||||
| 0,06 | 0,583 | 60,34 | 0,342 | 16,94 | 0,192 | 4,33 | 0,114 | 1,28 | 0,073 | 0,45 | 0,048 | 0,17 | ||||
| 0,08 | 0,777 | 99,53 | 0,456 | 27,75 | 0,256 | 7,04 | 0,153 | 2,07 | 0,097 | 0,71 | 0,064 | 0,27 | ||||
| 0,1 | 0,972 | 147,27 | 0,570 | 40,85 | 0,320 | 10,31 | 0,191 | 3,02 | 0,121 | 1,04 | 0,080 | 0,39 | ||||
| 0,14 | 1,360 | 267,31 | 0,798 | 73,62 | 0,448 | 18,43 | 0,267 | 5,36 | 0,169 | 1,83 | 0,112 | 0,69 | ||||
| 0,18 | 1,749 | 418,95 | 1,026 | 114,79 | 0,576 | 28,58 | 0,343 | 8,27 | 0,218 | 2,80 | 0,144 | 1,05 | ||||
| 0,3 | 2,915 | 1054,51 | 1,710 | 286,08 | 0,960 | 70,46 | 0,572 | 20,19 | 0,363 | 6,78 | 0,239 | 2,52 | ||||
| 0,5 | 2,850 | 722,00 | 1,600 | 176,04 | 0,953 | 49,98 | 0,605 | 16,66 | 0,399 | 6,13 | ||||||
| 0,7 | 3,990 | 1336,83 | 2,240 | 323,90 | 1,334 | 91,44 | 0,847 | 30,32 | 0,559 | 11,10 | ||||||
| 0,9 | 2,881 | 512,34 | 1,716 | 144,05 | 1,089 | 47,59 | 0,718 | 17,37 | ||||||||
| 1,2 | 3,841 | 868,75 | 2,288 | 243,14 | 1,452 | 80,01 | 0,958 | 29,09 | ||||||||
| 1,5 | 2,860 | 365,77 | 1,815 | 119,99 | 1,197 | 43,51 | ||||||||||
| 1,8 | 3,431 | 511,36 | 2,178 | 167,35 | 1,437 | 60,55 | ||||||||||
| 2,2 | 2,661 | 241,70 | 1,756 | 87,24 | ||||||||||||
| 2,6 | 3,145 | 328,61 | 2,075 | 118,38 | ||||||||||||
| 3 | 2,395 | 153,88 | ||||||||||||||
| 3,5 | 2,794 | 204,29 | ||||||||||||||
Приложение 4
Приложение 5
Приборы санитарно-технические чугунные эмалированные ГОСТ 18297-96
Ванна чугунная эмалированная
Мойка чугунная эмалированная
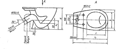
Приложение 6
Приборы санитарно-технические керамические ГОСТ 30493-96
Умывальник
Унитаз















