143947 (579911), страница 7
Текст из файла (страница 7)
Земснаряд (землесосный снаряд) представляет собой плавучее изделие с напорным свайным ходом и электроприводом, предназначенное для подводной разработки грунтов и добычи инертных материалов (песка, гравия) со дна водоемов и оборудованное необходимыми средствами для рабочих перемещений, транспортировки смеси грунта с водой (пульпы) по плавучему и магистральному пульпопроводам к месту сортировки и укладки. Все агрегаты и механизмы земснаряда смонтированы на разборном металлическом корпусе трюмного типа, состоящего из четырех понтонов.
Основным агрегатом земснаряда является грунтонасос с приводным электродвигателем, смонтированный в центральной части корпуса совместно с центробежным насосом, всасывающей и напорной магистралями. Грунтонасос предназначен для перекачивания гравийных, песчано-гравийных, песчаных и других абразивных гидросмесей с места добычи до места укладки. Использование грунтонасосов с различными напорными характеристиками и производительностью дает возможность транспортировать водогрунтовую смесь на расстояние 3000 м, а со станцией перекачки до 5000 м.
3.4 Гравитационные бетоносмесители циклического действия
Бетоносмесители СБР-800 и СБР-1200 являются мобильными бетономешалками гравитационно-циклического принципа действия. Смесители оборудованы реверсом смесительного барабана, для выгрузки готовой смеси и гидравлическим скиповым подъёмником для загрузки сухих составляющих. Это позволяет использовать их в качестве небольших, передвижных бетоносмесительных установок.
Данная серия бетономешалок предназначена для приготовления различных видов бетона, с крупностью заполнителя до 70 мм, строительных растворов и других строительных смесей. В дополнительной комплектации бетоносмесители СБР могут оборудоваться дизельным двигателем, что делает возможным их эксплуатацию на не электрифицированных объектах.
Бетоносмеситель циклический гравитационный СБР-132 предназначен для приготовления подвижных бетонных смесей с крупностью заполнения до 40 мм и строительных растоворов. Бетоносмеситель может быть использован для приготовления кормовых смесей, перемешивания удобрений, посевных и других сыпучих материалов. Бетоносмеситель может работать, при температуре окружающей среды от +5 град С до +40 град.С.
Основными узлами бетоносмесителя являются барабан смесительный, траверса, рама, механизм опрокидывания и фиксации барабана, опоры левая и правая и электрооборудование. Привод вращения барабана бетоносмесителя осуществляется от электродвигателя, установленного не подмоторной плите, являющейся одновременно натяжным устройством. Поворот положения смесительного барабана в процессе работы осуществляется вручную с помощью маховика и устанавливается в необходимом положении фиксатором. Пуск бетоносмесителя осуществляется автоматическим выключателем, установленном на кожухе, имеющем защиту от короткого замыкания и токов перегрузки.
3.5 Домкраты
Домкрат представляет собой устройство с ручным приводом, предназначенное для поднятия грузов. Домкрат отличается компактностью конструкции, простотой в обслуживании и надежностью в эксплуатации, позволяя осуществлять плавные подъем груза и его точную остановку на заданной высоте при небольшом рабочем усилии, благодаря высокому передаточному отношению между площадями поперечного сечения цилиндра и плунжера насоса.
Разновидности домкратов:
- Домкраты гидравлические бутылочные
Домкрат гидравлический (Дг), представляет собой устройство с ручным приводом, предназначенное для поднятия грузов.
Домкрат гидравлический отличается компактностью конструкции, простотой в обслуживании и надежностью в эксплуатации, позволяя осуществлять подъем груза при небольшом рабочем усилии, благодаря высокому передаточному отношению между площадями поперечного сечения цилиндра и плунжера насоса.
- Домкраты гидравлические двухштоковые (телескопические)
Благодаря наличию телескопического штока, гидравлический домкрат отличается компактными габаритами и позволяет поднимать груз на большую высоту.
- Домкраты специальные зацепные
Зацепные (низкоподхватные) домкраты очень удобны для подъёма тяжёлых грузов с малой высоты, для поднятия железнодорожного полотна при ремонтных работах, а также во время строительных работ.
- Домкраты подкатные
Подкатной домкрат знаком практически каждому автомобилисту, поскольку является одним из самых распространенных механизмов для подъема автомобилей во время ремонтных и монтажных работ.
Подкатные домкраты оснащены эргономичной рукояткой, переключателем режимов подъема/опускания, съемной грузовой площадкой. Конструкция домкрата самоцентрируется при подъеме груза.
- Домкраты реечные
Домкрат реечный представляет собой устройство с ручным приводом, предназначенное для поднятия грузов. Др отличается компактностью конструкции, простотой в обслуживании и надежностью в эксплуатации, позволяя осуществлять плавные подъем груза и его точную остановку на заданной высоте при небольшом рабочем усилии.
Особенностью данного устройства является низкое расположение подъемной площадки - 90 мм от пола. Домкрат может быть использован в качестве лебедки. Опускание под нагрузкой - пошаговое.
- Винтовые домкраты промышленные
Домкраты винтовые применяются для подъема грузов, выравнивания/удержания строительных конструкций или опалубки, монтажных и демонтажных работах.
Отличаются простотой конструкции, не зависят от окружающих факторов - температура, влажность, рабочая жидкость. Могут использоваться в качестве подставки при проведении работ.
-Винтовые домкраты низкоподхватные
Область применения домкратов винтовых с низким подхватом та же, что и у винтовых, только расширена за счет низкопосаженной лапы, которая дает возможность зацеплять, поднимать и удерживать грузы с более низкой высоты.
Эта особенность очень удобна при подъеме тяжелых низких грузов, железнодорожного полотна, строительных материалов и т.п.
3.6 Передвижные штукатурные агрегаты на поршневых насосов
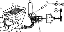
Штукатурный агрегат на базе поршневого насоса с качающимся цилиндром производительностью 1 м3/ч (рис. 3.6.1, а) предназначен для приема, процеживания, побуждения, подачи и нанесения штукатурных растворов на обрабатываемые поверхности. Он состоит из двух легко монтируемых и демонтируемых основных узлов, смонтированных на самостоятельных рамах с колесами — растворонасоса и приемного бункера с виброситом, соединенных между собой резинотканевым рукавом с быстроразъемным соединением. В комплект агрегата (рис. 3.6.1, 6) входят смонтированные в технологической последовательности: приемный бункер с побудителем для предупреждения расслаивания растворной смеси и виброситом для процеживания раствора, поршневой растворонасос, подающий раствор к месту укладки, разборные раствороводы с набором форсунок для нанесения раствора на обрабатываемую поверхность. Привод побудителя осуществляется от электродвигателя через клинорсменную передачу и червячный редуктор.
Рис. 3.6.1. Штукатурный агрегат на базе поршневого насоса
Работа штукатурного агрегата производится следующим образом. Готовый раствор, доставленный самосвалом или авторастворо-возом, выгружают на вибросито бункера. Эксцентриковый вал вибросита сообщает колебания с частотой 50 Гц подвижной раме с ситом и приводится во вращение электродвигателем через цепную передачу. Процеженный виброситом раствор поступает в приемный бункер с побудителем, откуда по всасывающему рукаву засасывается в рабочую камеру растворонасоса и затем подается по напорному раствороводу к форсунке и наносится на обрабатываемую поверхность.
3.7 Машины и оборудование для отделки бетонных и цементно-песочных полов
К качеству поверхности бетона в настоящее время предъявляются повышенные требования. Спектр оборудования, необходимого современному строителю, широк. Это и оборудование, непосредственно применяемое для качественной укладки бетона: направляющие, глубинные вибраторы, виброрейки, вакуумные установки, и оборудование для финишной обработки поверхности: дисково-лопастные затирочные машины ("вертолеты"), шлифовально-мозаичные машины, и вспомогательное оборудование: нарезчики швов, полировальные машины и т.д.
Основным оборудованием, которое применяют в своей практике строители, по праву считаются лопастные затирочные машинки. Потому что от качества оборудования и навыков работы с ним зависит внешний вид и свойства поверхности, а ее дефекты проявляются незамедлительно. Бетонная поверхность, обработанная такой машиной, не только имеет прекрасные декоративные свойства (гладкость, ровность), но и значительно уплотнена, что исключает образование на поверхности "цементного молочка".
Заглаживающие машины отвечают всем требованиям, которые предъявляет современный строитель к данному виду оборудования - это высокая надежность и повышенная износостойкость всех узлов и агрегатов, долговечность, простота в обслуживании и эксплуатации.
Спектр оборудования весьма широк - от универсальных однороторных машин с рабочим диаметром лопастей 60 см до высокопроизводительных двухроторных машин, предназначенных для совершенной отделки бетонных полов на больших площадях. Заглаживающие машины с рабочим диаметром лопастей 60 и 75 см имеют уникальный запатентованный свободно вращающийся круг, благодаря которому Вы можете производить затирку бетонного пола у стен и вокруг колонн без опасения испортить машину. Заглаживающие машины с рабочим диаметром лопастей 90 и 120 см предназначены для затирки бетонного пола на средних площадях (до 500 м²). Для больших производственных площадей (свыше 500 м²) мы рекомендуем применять двухроторные машины.
Особенности затирочных машин:
-
Балансировка.Правильно отцентрированные двигатель и редуктор, что позволяет равномерно распределять вес машины на все 4 лопасти.
-
Прочная трехтрубная ручка управления. Специализирована для обеспечения лучшей рычажной передачи и удобства управления. Три прочные стальные трубы, спаянные сбоку, предназначены для обеспечения полной устойчивости и прочности по всей длине ручки.
-
Точная регулировка хода лопасти. Винтовой стопор обеспечивает точную регулировку лопасти. Выключатель центральной безопасности.
В случае, если оператор теряет контроль над управлением машиной, центробежная сила автоматически приводит выключатель в положение "выключено" и отключает двигатель. Данная команда может быть также использована и для обычной регулировки положения включения и выключения.
-
Легкая и быстрая замена лопастей. Благодаря удобному расположению болтов крепления лопастей их замена занимает мало времени
-
Дополнительные комплектующие детали. Подъемный крюк - предназначен для транспортировки машины грузоподъемными механизмами. Переносная ручка на моделях 90 и 120 см позволяет переносить машину вдвоем. Складная ручка на моделях 60 и 75 см позволяет легко переносить и хранить машину.
3.8 Дискофрезерная машина
Машина предназначена для фрезерования, очистки бетонных поверхностей в промышленном, гражданском и жилищном строительстве в соответствии с главой СНиП, на дорогах, мостах, автостоянках, взлетно-посадочных полосах и т.п.
Дискофрезерная машина ДФМ-ГПИ-58А — это усовершенствованная модель машины ДФМ-50А, выполненная на базе трактора Т-100МГП Состоит из рабочего органа в виде диска с прикрепленными к нем) зубьями, редуктора отбора мощности, механизма привада (зубчатого редуктора, расположенного внутри корпуса фрезы), двустороннего карданного привода, гидроцилиндров подъема и опускания фрезы и грунтоподборщика Предназначена машина для проходки узких щелей в прочных и мерзлых грунтах.
Дискофрезерная машина ДФМ-ГПИ-64. Разработана Горьковским политехническим институтом для вскрытия асфальтовых и бетонных покрытий Фрезерное оборудование навесного типа монтируется на тракторе «Беларусь» МТЗ-5МС. Предохранительная многодисковая фрикционная муфта масляного типа позволяет избежать поломок основных узлов машины при встрече резцов с препятствиями Режущий инструмент (резцы от баровых машин) армирован твердым сплавом ВК-8. Аналогичную конструкцию имеют и другие дискофрезерные машины, например фрезерные машины ДФМ-2 и ДФМ-4 Тульского опытно экспериментального завода.
Недостатком дисковых машин является необходимость при разработке грунта на большую глубину иметь фрезы большого диаметра. Так, при прорезании щели на глубину 1 м требуется фреза диаметром 2,8— 3 м, что приводит к значительному увеличению металлоемкости и уменьшению маневренности машины. Кроме того, к недостаткам относятся большой износ режущих органов и поломки при работе в мерзлых грунтах с включениями.
Список литературы
1. Белецкий Б. Ф. Строительные машины и оборудование: Справочное пособие (для производственников, студентов строительных вузов, факультетов, техникумов).- Ростов н/Д: Феникс, 2002.-595 с.
2. Грузоподъемные машины для монтажных и погрузочно-разгрузочных работ: Учебно-справочное пособие/ М.Н. Хальфин: А.Д. Кирнев. Г.В. Несветаев, В.Б. Маслов. А.А. Козынко.-Ростов н/Д.: Феникс, 2006.-608 с.: ил. - (высшее образование).
3. Доценко А.И. Строительные машины и основы автоматизации. Учеб. Для строит. Вузов. - М.: Высш. Шк.. 1995. - 400 с.
4. Расчеты крановых механизмов и их деталей. ВНИИПТМАШ. Издание 3-е, перераб. и доп. - М.: «Машиностроение», 1971. - 496 с.
5.Александров М.П. Подъемно - транспортные машины: Учебник для машиностроит. спец. ВУЗов. - 6-е изд., перераб. - М: «Высшая школа», 1985.-520 с., ил.
6. Тайц В.Г. Безопасная эксплуатация грузоподъемных машин: Учебное пособие для вузов. - М.: ИКЦ «Академкнига», 2005. - 383 с.: ил.
7. Александров М.П. Грузоподъемные машины: Учебник вузов.- М.: Изд - во МГТУ им. Н. Э. Баумана - Высшая школа. 2000. - 552 с.
















